收藏 分销(赏)

有线电视系统设备安装工程定额.doc

上传人:人****来 文档编号:3311467 上传时间:2024-07-01 格式:DOC 页数:39 大小:739.04KB 下载积分:12 金币
下载 相关 举报
有线电视系统设备安装工程定额.doc_第1页
第1页 / 共39页
有线电视系统设备安装工程定额.doc_第2页
第2页 / 共39页


点击查看更多>>
资源描述
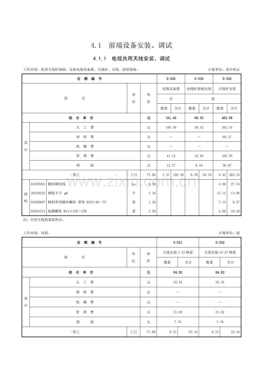
4.1 前端设备安装、调试 4.1.1 电视共用天线安装、调试 工作内容:检查天线杆基础、安装电视设备箱、天线杆、天线、清理现场。 计量单位:表中所示 定 额 编 号 5-328 5-329 5-330 项    目 单 位 单 价 电视设备箱 电线杆基础安装 天线杆安装 台 套 数量 合计 数量 合计 数量 合计 综 合 单 价 元 161.40 89.53 463.08 其 中 人 工 费 元 105.49 58.52 263.34 材 料 费 元 — — 60.17 机 械 费 元 — — — 管 理 费 元 41.14 22.82 102.70 利   润 元 14.77 8.19 36.87 一类工 工日 77.00 1.37 105.49 0.76 58.52 3.42 263.34 材 料 01070201 镀锌钢绞线 kg 6.70 4.08 27.34 26250322 钢线卡子 φ6 个 1.16 12.12 14.06 03050607 精制带母镀锌螺栓 带垫 M10×30~75 套 1.20 7.14 8.57 03054314 地脚螺栓 M14×120~230 套 2.50 4.08 10.20 注:共用天线按成套供应。 工作内容:同前。 计量单位:副 定 额 编 号 5-331 5-332 项    目 单 位 单 价 天线安装1-12频道 天线安装13-57频道 数量 合计 数量 合计 综 合 单 价 元 84.82 84.82 其 中 人 工 费 元 55.44 55.44 材 料 费 元 — — 机 械 费 元 — — 管 理 费 元 21.62 21.62 利   润 元 7.76 7.76 一类工 工日 77.00 0.72 55.44 0.72 55.44 4.1.2 敷设射频传播电缆 4.1.2.1 室内穿放、布放射频传播电缆 工作内容:开箱、线缆检查、编号、安装(穿放、布放)、断线、固定、临时封头、清理场地。 计量单位:100m 定 额 编 号 5-333 5-334 5-335 5-336 项    目 单 位 单 价 管/暗槽内穿放 线槽/桥架/支架活动地板内明布放 φ9mm以内 φ9mm以外 φ9mm以内 φ9mm以外 数量 合计 数量 合计 数量 合计 数量 合计 综 合 单 价 元 116.96 152.31 150.23 185.57 其 中 人 工 费 元 76.23 99.33 87.78 110.88 材 料 费 元 — — 15.60 15.60 机 械 费 元 0.33 0.33 0.33 0.33 管 理 费 元 29.73 38.74 34.23 43.24 利   润 元 10.67 13.91 12.29 15.52 一类工 工日 77.00 0.99 76.23 1.29 99.33 1.14 87.78 1.44 110.88 材 料 25430101 电缆 m (102.00) (102.00) (102.00) (102.00) 26250301 电缆卡子 个 0.26 60.00 15.60 60.00 15.60 机械 98050107 数字万用表 PF-56 台班 3.69 0.09 0.33 0.09 0.33 0.09 0.33 0.09 0.33 4.1.2.2 室外架设射频传播电缆 工作内容:1.电杆上:检测电缆、配盘、架设电缆、挂钩、盘余长、绑保护物。      2.墙壁上:安装支撑物、布放吊线、做终端、配盘、架设电缆、挂钩、盘余长、绑保护物。 计量单位:100m 定 额 编 号 5-337 5-338 5-339 5-340 项    目 单 位 单 价 在电杆上架设射频电缆 在墙壁上架设射频电缆 φ9mm如下 φ9mm以上 φ9mm如下 φ9mm以上 数量 合计 数量 合计 数量 合计 数量 合计 综 合 单 价 元 325.44 370.21 699.65 744.41 其 中 人 工 费 元 146.30 175.56 175.56 204.82 材 料 费 元 101.60 101.60 431.04 431.04 机 械 费 元 — — — — 管 理 费 元 57.06 68.47 68.47 79.88 利   润 元 20.48 24.58 24.58 28.67 一类工 工日 77.00 1.90 146.30 2.28 175.56 2.28 175.56 2.66 204.82 材 料 25430101 电缆 m (102.00) (102.00) (102.00) (102.00) 03570229 镀锌铁丝 16#~18# kg 6.00 0.10 0.60 0.10 0.60 0.10 0.60 0.10 0.60 26230503 拉线环 大号 个 7.50 4.04 30.30 4.04 30.30 26250722 电缆挂钩 25 个 0.50 202.00 101.00 202.00 101.00 202.00 101.00 202.00 101.00 01070201 镀锌钢绞线 kg 6.70 11.22 75.17 11.22 75.17 15371706 U形钢卡 φ6.0 副 1.60 14.14 22.62 14.14 22.62 03070132 膨胀螺栓 M12×110 套 3.40 24.48 83.23 24.48 83.23 26230309 终端转角墙担 根 16.45 4.04 66.46 4.04 66.46 31130315 中间支持物 套 5.30 8.08 42.82 8.08 42.82 03512023 平顶射钉(螺纹) 个 0.35 25.25 8.84 25.25 8.84 4.1.2.3 制作射频电缆接头 工作内容:检查器材、成端接头、固定接头。 计量单位:10个 定 额 编 号 5-341 5-342 项    目 单 位 单 价 射频电缆接头 架空 地面 数量 合计 数量 合计 综 合 单 价 元 90.18 72.20 其 中 人 工 费 元 58.52 46.97 材 料 费 元 0.65 0.33 机 械 费 元 — — 管 理 费 元 22.82 18.32 利   润 元 8.19 6.58 一类工 工日 77.00 0.76 58.52 0.61 46.97 材 料 31110301 棉纱头 kg 6.50 0.10 0.65 0.05 0.33 23450109 F型插头 (75-7及其以上) 个 (10.10) (10.10) 4.1.2.4 卫星天线安装、调试 工作内容:天线和天线架旳搬运、安装及吊装,天线安装就位,调整方位和俯仰角,调试输出电平,整顿测试记录,检查、紧固天线各部件,补漆,吊装设备安装、拆除,清理施工现场。 计量单位:副 定 额 编 号 5-343 5-344 5-345 项    目 单 位 单 价 天线在楼顶水泥底座上及铁架上吊装 (楼顶距地面20m如下) φ2m以内 φ3.2m以内 φ4m以内 数量 合计 数量 合计 数量 合计 综 合 单 价 元 1215.39 1340.28 1598.41 其 中 人 工 费 元 380.38 438.90 585.20 材 料 费 元 15.96 19.15 21.28 机 械 费 元 617.45 649.61 681.77 管 理 费 元 148.35 171.17 228.23 利   润 元 53.25 61.45 81.93 一类工 工日 77.00 4.94 380.38 5.70 438.90 7.60 585.20 材 料 25430901 天线及配套件 套 (1.00) (1.00) (1.00) 12023103 汽油 kg 10.64 1.50 15.96 1.80 19.15 2.00 21.28 机 械 99091906 电动卷扬机(单筒迅速) 牵引力20kN 台班 178.68 0.72 128.65 0.90 160.81 1.08 192.97 98050107 数字万用表 PF-56 台班 3.69 1.80 6.64 1.80 6.64 1.80 6.64 98090303 场强仪 RR3A 台班 11.08 2.70 29.92 2.70 29.92 2.70 29.92 98250112 频谱分析仪 HP8563E 台班 502.49 0.90 452.24 0.90 452.24 0.90 452.24 工作内容:同前。 计量单位:副 定 额 编 号 5-346 5-347 5-348 项    目 单 位 单 价 天线在楼顶水泥底座上及铁架上吊装 (楼顶距地面20m如下) φ6m以内 φ7.2m以内 φ15m以内 数量 合计 数量 合计 数量 合计 综 合 单 价 元 3609.44 5677.84 8230.32 其 中 人 工 费 元 1814.12 3101.56 4681.60 材 料 费 元 23.41 25.54 31.92 机 械 费 元 810.42 906.91 1035.56 管 理 费 元 707.51 1209.61 1825.82 利   润 元 253.98 434.22 655.42 一类工 工日 77.00 23.56 1814.12 40.28 3101.56 60.80 4681.60 材 料 25430901 天线及配套件 套 (1.00) (1.00) (1.00) 12023103 汽油 kg 10.64 2.20 23.41 2.40 25.54 3.00 31.92 机 械 99091906 电动卷扬机(单筒迅速) 牵引力20kN 台班 178.68 1.80 321.62 2.34 418.11 3.06 546.76 98050107 数字万用表 PF-56 台班 3.69 1.80 6.64 1.80 6.64 1.80 6.64 98090303 场强仪 RR3A 台班 11.08 2.70 29.92 2.70 29.92 2.70 29.92 98250112 频谱分析仪 HP8563E 台班 502.49 0.90 452.24 0.90 452.24 0.90 452.24 工作内容:同前。 计量单位:副 定 额 编 号 5-349 5-350 5-351 项    目 单 位 单 价 天线在地面水泥底座上及铁架上吊装 φ2m以内 φ3.2m以内 φ4m以内 数量 合计 数量 合计 数量 合计 综 合 单 价 元 1116.43 1260.17 1508.88 其 中 人 工 费 元 315.70 386.54 526.68 材 料 费 元 15.96 19.15 21.28 机 械 费 元 617.45 649.61 681.77 管 理 费 元 123.12 150.75 205.41 利   润 元 44.20 54.12 73.74 一类工 工日 77.00 4.10 315.70 5.02 386.54 6.84 526.68 材 料 25430901 天线及配套件 套 (1.00) (1.00) (1.00) 12023103 汽油 kg 10.64 1.50 15.96 1.80 19.15 2.00 21.28 机 械 99091906 电动卷扬机(单筒迅速) 牵引力20kN 台班 178.68 0.72 128.65 0.90 160.81 1.08 192.97 98050107 数字万用表 PF-56 台班 3.69 1.80 6.64 1.80 6.64 1.80 6.64 98090303 场强仪 RR3A 台班 11.08 2.70 29.92 2.70 29.92 2.70 29.92 98250112 频谱分析仪 HP8563E 台班 502.49 0.90 452.24 0.90 452.24 0.90 452.24 工作内容:同前。 计量单位:副 定 额 编 号 5-352 5-353 5-354 项    目 单 位 单 价 天线在地面水泥底座上及铁架上吊装 φ6m以内 φ7.2m以内 φ15m以内 数量 合计 数量 合计 数量 合计 综 合 单 价 元 3065.27 4800.75 7109.84 其 中 人 工 费 元 1521.52 2633.40 4096.40 材 料 费 元 23.41 25.54 31.92 机 械 费 元 713.94 746.10 810.42 管 理 费 元 593.39 1027.03 1597.60 利   润 元 213.01 368.68 573.50 一类工 工日 77.00 19.76 1521.52 34.20 2633.40 53.20 4096.40 材 料 25430901 天线及配套件 套 (1.00) (1.00) (1.00) 12023103 汽油 kg 10.64 2.20 23.41 2.40 25.54 3.00 31.92 机 械 99091906 电动卷扬机(单筒迅速) 牵引力20kN 台班 178.68 1.26 225.14 1.44 257.30 1.80 321.62 98050107 数字万用表 PF-56 台班 3.69 1.80 6.64 1.80 6.64 1.80 6.64 98090303 场强仪 RR3A 台班 11.08 2.70 29.92 2.70 29.92 2.70 29.92 98250112 频谱分析仪 HP8563E 台班 502.49 0.90 452.24 0.90 452.24 0.90 452.24 4.1.3 设备安装 4.1.3.1 前端机柜 工作内容:开箱清理、搬运、组装机柜,机柜就位、固定、接机柜电源线,制作、安装地线,清理施工现场。 计量单位:个 定 额 编 号 5-355 项    目 单 位 单 价 前端机柜(卫星接受机机柜)安装 1.6~2.0m 数量 合计 综 合 单 价 元 227.54 其 中 人 工 费 元 140.14 材 料 费 元 13.13 机 械 费 元 — 管 理 费 元 54.65 利   润 元 19.62 一类工 工日 77.00 1.82 140.14 材 料 03054309 地脚螺栓 M10×100 套 1.60 1.02 1.63 03054314 地脚螺栓 M14×120~230 套 2.50 4.08 10.20 31110301 棉纱头 kg 6.50 0.20 1.30 4.1.3.2 电视墙安装 工作内容:开箱检查,机架组装、就位、固定,安装机架电源,安装机架电视信号分派系统、监视器,机架接地。 计量单位:套 定 额 编 号 5-356 5-357 项    目 单 位 单 价 带抽屉电视墙 监视器12台如下 监视器24台如下 数量 合计 数量 合计 综 合 单 价 元 733.86 1644.52 其 中 人 工 费 元 468.16 1053.36 材 料 费 元 17.58 32.88 机 械 费 元 — — 管 理 费 元 182.58 410.81 利   润 元 65.54 147.47 一类工 工日 77.00 6.08 468.16 13.68 1053.36 材 料 03054309 地脚螺栓 M10×100 套 1.60 1.02 1.63 1.02 1.63 03054314 地脚螺栓 M14×120~230 套 2.50 6.12 15.30 12.24 30.60 31110301 棉纱头 kg 6.50 0.10 0.65 0.10 0.65 4.1.3.3 前端射频设备安装、调试 工作内容:搬运、开箱清点、通电检查、就位、制作接头、对线标识、扎线、清理施工现场。调试各频道输入RF电平幅度、调试各频道旳输出幅度及射频参数,填写调试汇报。 计量单位:套 定 额 编 号 5-358 5-359 5-360 项    目 单 位 单 价 全频道前端 邻频前端 10个频道 每增长1个频道 12个频道 数量 合计 数量 合计 数量 合计 综 合 单 价 元 234.14 23.72 228.83 其 中 人 工 费 元 146.30 14.63 134.75 材 料 费 元 0.33 0.33 12.69 机 械 费 元 9.97 1.00 9.97 管 理 费 元 57.06 5.71 52.55 利   润 元 20.48 2.05 18.87 一类工 工日 77.00 1.90 146.30 0.19 14.63 1.75 134.75 材 料 26250359 扎线卡 个 0.34 36.36 12.36 31110301 棉纱头 kg 6.50 0.05 0.33 0.05 0.33 0.05 0.33 机械 98090303 场强仪 RR3A 台班 11.08 0.90 9.97 0.09 1.00 0.90 9.97 工作内容:同前。 计量单位:套 定 额 编 号 5-361 5-362 5-363 项    目 单 位 单 价 邻频前端 挂式邻频前端 每增长1个频道 12个频道 每增长1个频道 数量 合计 数量 合计 数量 合计 综 合 单 价 元 24.75 237.07 24.75 其 中 人 工 费 元 14.63 140.14 14.63 材 料 费 元 1.36 12.69 1.36 机 械 费 元 1.00 9.97 1.00 管 理 费 元 5.71 54.65 5.71 利   润 元 2.05 19.62 2.05 一类工 工日 77.00 0.19 14.63 1.82 140.14 0.19 14.63 材 料 26250359 扎线卡 个 0.34 3.03 1.03 36.36 12.36 3.03 1.03 31110301 棉纱头 kg 6.50 0.05 0.33 0.05 0.33 0.05 0.33 机械 98090303 场强仪 RR3A 台班 11.08 0.09 1.00 0.90 9.97 0.09 1.00 4.1.3.4 卫星地面站接受设备安装、调试 工作内容:搬运、开箱、通电检查、清理设备、调试、安装固定、接线、通电、调试记录、标识、扎线、清理施工现场。 计量单位:台 定 额 编 号 5-364 5-365 5-366 项    目 单 位 单 价 卫星地面接受机设备安装、调试 接受机 解码器(解压器) 数字信号转换器 数量 合计 数量 合计 数量 合计 综 合 单 价 元 201.43 257.09 252.37 其 中 人 工 费 元 40.81 46.97 43.89 材 料 费 元 0.33 0.33 0.33 机 械 费 元 138.66 184.89 184.89 管 理 费 元 15.92 18.32 17.12 利   润 元 5.71 6.58 6.14 一类工 工日 77.00 0.53 40.81 0.61 46.97 0.57 43.89 材料 31110301 棉纱头 kg 6.50 0.05 0.33 0.05 0.33 0.05 0.33 机 械 98090303 场强仪 RR3A 台班 11.08 0.27 2.99 0.36 3.99 0.36 3.99 98250112 频谱分析仪 HP8563E 台班 502.49 0.27 135.67 0.36 180.90 0.36 180.90 工作内容:同前。 计量单位:台 定 额 编 号 5-367 5-368 项    目 单 位 单 价 卫星地面接受机设备安装、调试 制式转换器 功分器 数量 合计 数量 合计 综 合 单 价 元 188.47 64.22 其 中 人 工 费 元 32.34 11.55 材 料 费 元 0.33 0.33 机 械 费 元 138.66 46.22 管 理 费 元 12.61 4.50 利   润 元 4.53 1.62 一类工 工日 77.00 0.42 32.34 0.15 11.55 材料 31110301 棉纱头 kg 6.50 0.05 0.33 0.05 0.33 机 械 98090303 场强仪 RR3A 台班 11.08 0.27 2.99 0.09 1.00 98250112 频谱分析仪 HP8563E 台班 502.49 0.27 135.67 0.09 45.22 4.1.4 光端设备安装、调试 工作内容:搬运、开箱检查,安装固定、熔接光缆光纤,制作射频接头、接线,调测记录,整顿调测记录,填写调测汇报。 计量单位:台 定 额 编 号 5-369 5-370 5-371 5-372 项    目 单 位 单 价 光系统前端设备安装 模拟光发射机 FM光发射机 数字光发射机 直接调剂 外调剂 数量 合计 数量 合计 数量 合计 数量 合计 综 合 单 价 元 2029.85 2706.45 2885.53 4059.69 其 中 人 工 费 元 175.56 234.08 351.12 351.12 材 料 费 元 — — — — 机 械 费 元 1761.24 2348.31 2348.31 3522.47 管 理 费 元 68.47 91.29 136.94 136.94 利   润 元 24.58 32.77 49.16 49.16 一类工 工日 77.00 2.28 175.56 3.04 234.08 4.56 351.12 4.56 351.12 机 械 98150103 光功率计 ML9001A 台班 69.94 1.35 94.42 1.80 125.89 1.80 125.89 2.70 188.84 98150122 光时域反射仪 HP8146A 台班 732.19 1.35 988.46 1.80 1317.94 1.80 1317.94 2.70 1976.91 98250112 频谱分析仪 HP8563E 台班 502.49 1.35 678.36 1.80 904.48 1.80 904.48 2.70 1356.72 工作内容:同前。 计量单位:表中所示 定 额 编 号 5-373 5-374 5-375 项    目 单 位 单 价 光系统前端设备安装 调试 反向光接受机 终端盒(12芯) 台 套 数量 合计 数量 合计 数量 合计 综 合 单 价 元 676.61 1082.30 901.00 其 中 人 工 费 元 58.52 351.12 117.04 材 料 费 元 — — — 机 械 费 元 587.08 545.08 721.92 管 理 费 元 22.82 136.94 45.65 利   润 元 8.19 49.16 16.39 一类工 工日 77.00 0.76 58.52 4.56 351.12 1.52 117.04 机 械 98150103 光功率计 ML9001A 台班 69.94 0.45 31.47 0.90 62.95 98150122 光时域反射仪 HP8146A 台班 732.19 0.45 329.49 0.90 658.97 98250112 频谱分析仪 HP8563E 台班 502.49 0.45 226.12 99250942 台班 201.88 2.70 545.08 4.1.5 有线电视系统管理设备安装、调试 工作内容:搬运、开箱清点,检查、划线、定位,设备安装,固定、接线,做标志。 计量单位:台 定 额 编 号 5-376 5-377 5-378 5-379 项    目 单 位 单 价 寻址控制器 视频加密器 数据通道调制器 数据分支器 数量 合计 数量 合计 数量 合计 数量 合计 综 合 单 价 元 179.81 180.21 179.81 90.46 其 中 人 工 费 元 117.04 117.04 117.04 58.52 材 料 费 元 0.73 1.13 0.73 0.93 机 械 费 元 — — — — 管 理 费 元 45.65 45.65 45.65 22.82 利   润 元 16.39 16.39 16.39 8.19 一类工 工日 77.00 1.52 117.04 1.52 117.04 1.52 117.04 0.76 58.52 材 料 31170103 标志牌 个 0.19 2.10 0.40 4.20 0.80 2.10 0.40 3.15 0.60 31110301 棉纱头 kg 6.50 0.05 0.33 0.05 0.33 0.05 0.33 0.05 0.33 工作内容:同前。 计量单位:台 定 额 编 号 5-380 5-381 5-382 5-383 项    目 单 位 单 价 数据控制器 网络(费)管理控制器 收费管理系统调试 网络管理系统调试 数量 合计 数量 合计 数量 合计 数量 合计 综 合 单 价 元 179.81 179.41 812.37 812.37 其 中 人 工 费 元 117.04 117.04 234.08 234.08 材 料 费 元 0.73 0.33 0.33 0.33 机 械 费 元 — — 453.90 453.90 管 理 费 元 45.65 45.65 91.29 91.29 利   润 元 16.39 16.39 32.77 32.77 一类工 工日 77.00 1.52 117.04 1.52 117.04 3.04 234.08 3.04 234.08 材 料 31170103 标志牌 个 0.19 2.10 0.40 31110301 棉纱头 kg 6.50 0.05 0.33 0.05 0.33 0.05 0.33 0.05 0.33 机 械 98050107 数字万用表 PF-56 台班 3.69 0.45 1.66 0.45 1.66 98250112 频谱分析仪 HP8563E 台班 502.49 0.90 452.24 0.90 452.24 4.1.6 播控设备安装、调试 工作内容:搬运、开箱清点,安装就位、调试、固定、接线、接地、做标志、清理现场。 计量单位:台 定 额 编 号 5-384 5-385 5-386 项    目 单 位 单 价 播控台安装(长度) 1.60m以内 2.00m以内 1.20m 以内组合式 数量 合计 数量 合计 数量 合计 综 合 单 价 元 709.25 888.31 530.17 其 中 人 工 费 元 351.12 468.16 234.08 材 料 费 元 172.03 172.03 172.03 机 械 费 元 — — — 管 理 费 元 136.94 182.58 91.29 利   润 元 49.16 65.54 32.77 一类工 工日 77.00 4.56 351.12 6.08 468.16 3.04 234.08 材 料 26250359 扎线卡 个 0.34 505.00 171.70 505.00 171.70 505.00 171.70 31110301 棉纱头 kg 6.50 0.05 0.33 0.05 0.33 0.05 0.33 工作内容:同前。 计量单位:台 定 额 编 号 5-387 5-388 5-389 项    目 单 位 单 价 控制设备安装 电源自控器 矩阵切换器 时钟控制器 数量 合计 数量 合计 数量 合计 综 合 单 价 元 73.00 72.20 72.60 其 中 人 工 费 元 46.97 46.97 46.97 材 料 费 元 1.13 0.33 0.73 机 械 费 元 — — — 管 理 费 元 18.32 18.32 18.32 利   润 元 6.58 6.58 6.58 一类工 工日 77.00 0.61 46.97 0.61 46.97 0.61 46.97 材 料 31170103 标志牌 个 0.19 4.20 0.80 2.10 0.40 31110301 棉纱头 kg 6.50 0.05 0.33 0.05 0.33 0.05 0.33 工作内容:同前。 计量单位:台 定 额 编 号 5-390 5-391 5-392 项    目 单 位 单 价 控制设备安装 电平循环监测报警器 台标发生器 时标发生器 数量 合计 数量 合计 数量 合计 综 合 单 价 元 46.16 63.17 63.17 其 中 人 工 费 元 29.26 40.81 40.81 材 料 费 元 0.73 0.73 0.73 机 械 费 元 0.66 — — 管 理 费 元 11.41 15.92 15.92 利   润 元 4.10 5.71 5.71 一类工 工日 77.00 0.38 29.26 0.53 40.81 0.53 40.81 材 料 31170103 标志牌 个 0.19 2.10 0.40 2.10 0.40 2.10 0.40 31110301 棉纱头 kg 6.50 0.05 0.33 0.05 0.33 0.05 0.33 机械 98050107 数字万用表 PF-56 台班 3.69 0.18 0.66
展开阅读全文

开通  VIP会员、SVIP会员  优惠大
下载10份以上建议开通VIP会员
下载20份以上建议开通SVIP会员


开通VIP      成为共赢上传

当前位置:首页 > 包罗万象 > 大杂烩

移动网页_全站_页脚广告1

关于我们      便捷服务       自信AI       AI导航        抽奖活动

©2010-2026 宁波自信网络信息技术有限公司  版权所有

客服电话:0574-28810668  投诉电话:18658249818

gongan.png浙公网安备33021202000488号   

icp.png浙ICP备2021020529号-1  |  浙B2-20240490  

关注我们 :微信公众号    抖音    微博    LOFTER 

客服