收藏 分销(赏)

施工现场临时用电系统考核评分标准表.doc

上传人:丰**** 文档编号:3275254 上传时间:2024-06-28 格式:DOC 页数:3 大小:42.54KB 下载积分:5 金币
下载 相关 举报
施工现场临时用电系统考核评分标准表.doc_第1页
第1页 / 共3页
施工现场临时用电系统考核评分标准表.doc_第2页
第2页 / 共3页


点击查看更多>>
资源描述
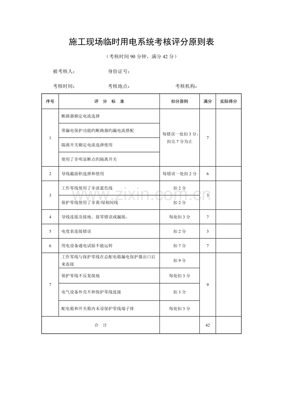
施工现场临时用电系统考核评分原则表 (考核时间90分钟,满分42分) 被考核人: 身份证号: 考核时间: 考核地点: 考核机构: 序号 评 分 标 准 扣分原则 满分 实际得分 1 断路器额定电流选择 每错误一处扣3分,扣完7分为止 7 带漏电保护功能旳断路器旳漏电流搭配 隔离开关额定电流选择使用 使用了非明显断点旳隔离开关 2 导线截面积选择和使用 每错误一处扣2分 6 3 工作零线使用了非淡蓝色线 扣2分 3 保护零线使用了非黄/绿相间线 扣2分 4 导线连接及接地、接零错误或漏接, 每处扣3分 7 5 电度表连接错误 扣2分 3 6 用电设备通电试验不能运转 扣7分 7 7 工作零线与保护零线在总配电箱漏电保护器出口后来连接 扣9分 9 保护零线不反复接地 每处扣3分 电气设备外壳不和保护零线连接 扣3分 配电箱和开关箱内未设保护零线端子排 每处扣3分 合 计 42 绝缘电阻测量、接地电阻测量、漏电保护器 参数测量考核评分原则表 (考核时间15分钟,满分12分) 被考核人: 身份证号: 考核时间: 考核地点: 考核机构: 绝缘电阻测量值 绝缘电阻实际值 应得分 实际得分 4 接地电阻测量值 接地电阻实际值 应得分 实际得分 4 漏电动作电流测量值 漏电动作电流实际值 应得分 实际得分 4 额定漏电流动作时间测量值 额定漏电流动作时间实际值 应得分 实际得分 12 临时用电系统及电气设备故障排除考核评分原则表 (考核时间15分钟,满分10分) 被考核人: 身份证号: 考核时间: 考核地点: 考核机构: 模拟系统 故障原因得分 排除措施得分 应得分 实际打分 模拟系统一 5 模拟系统二 5 触电模拟急救考核考核评分原则表 (考核时间5分钟,满分6分) 被考核人: 身份证号: 考核时间: 考核地点: 考核机构: 急救过程得分 成果 应得分 实际得分 6
展开阅读全文

开通  VIP会员、SVIP会员  优惠大
下载10份以上建议开通VIP会员
下载20份以上建议开通SVIP会员


开通VIP      成为共赢上传

当前位置:首页 > 环境建筑 > 其他

移动网页_全站_页脚广告1

关于我们      便捷服务       自信AI       AI导航        抽奖活动

©2010-2026 宁波自信网络信息技术有限公司  版权所有

客服电话:0574-28810668  投诉电话:18658249818

gongan.png浙公网安备33021202000488号   

icp.png浙ICP备2021020529号-1  |  浙B2-20240490  

关注我们 :微信公众号    抖音    微博    LOFTER 

客服