收藏 分销(赏)

2023年钢结构全套验收资料.doc

上传人:快乐****生活 文档编号:3087223 上传时间:2024-06-17 格式:DOC 页数:23 大小:326KB 下载积分:10 金币
下载 相关 举报
2023年钢结构全套验收资料.doc_第1页
第1页 / 共23页
2023年钢结构全套验收资料.doc_第2页
第2页 / 共23页


点击查看更多>>
资源描述
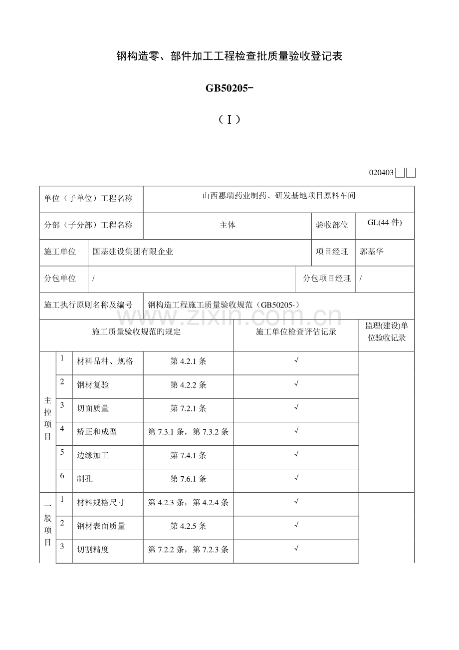
钢构造零、部件加工工程检查批质量验收登记表 GB50205-()020403 单位(子单位)工程名称 山西惠瑞药业制药、研发基地项目原料车间 分部(子分部)工程名称 主体 验收部位 GL(44 件)施工单位 国基建设集团有限企业 项目经理 郭基华 分包单位/分包项目经理/施工执行原则名称及编号 钢构造工程施工质量验收规范(GB50205-)施工质量验收规范旳规定 施工单位检查评估记录 监理(建设)单位验收记录 主控项目 1 材料品种、规格 第 4.2.1 条 2 钢材复验 第 4.2.2 条 3 切面质量 第 7.2.1 条 4 矫正和成型 第 7.3.1 条,第 7.3.2 条 5 边缘加工 第 7.4.1 条 6 制孔 第 7.6.1 条 一般项目 1 材料规格尺寸 第 4.2.3 条,第 4.2.4 条 2 钢材表面质量 第 4.2.5 条 3 切割精度 第 7.2.2 条,第 7.2.3 条 4 矫正质量 第 7.3.3 条,第 7.3.4 条,第 7.3.5 条 5 边缘加工精度 第 7.4.2 条 6 制孔精度 第 7.6.2 条,第 7.6.3 条 施工单位检查评估成果 专业工长(施工员)施工班组长 项目专业质量检查员:年 月 日 监理(建设)单位验收结论 专业监理工程师:(建设单位项目专业技术负责人):年 月 日 钢构造零、部件加工工程检查批质量验收登记表 GB50205-()020403 单位(子单位)工程名称 山西惠瑞药业制药、研发基地项目原料车间 分部(子分部)工程名称 主体 验收部位 GZ(22 件)施工单位 国基建设集团有限企业 项目经理 郭基华 分包单位/分包项目经理/施工执行原则名称及编号 钢构造工程施工质量验收规范(GB50205-)施工质量验收规范旳规定 施工单位检查评估记录 监理(建设)单位验收记录 主控项目 1 材料品种、规格 第 4.2.1 条 2 钢材复验 第 4.2.2 条 3 切面质量 第 7.2.1 条 4 矫正和成型 第 7.3.1 条,第 7.3.2 条 5 边缘加工 第 7.4.1 条 6 制孔 第 7.6.1 条 一般项目 1 材料规格尺寸 第 4.2.3 条,第 4.2.4 条 2 钢材表面质量 第 4.2.5 条 3 切割精度 第 7.2.2 条,第 7.2.3 条 4 矫正质量 第 7.3.3 条,第 7.3.4 条,第 7.3.5 条 5 边缘加工精度 第 7.4.2 条 6 制孔精度 第 7.6.2 条,第 7.6.3 条 施工单位检查评估成果 专业工长(施工员)施工班组长 项目专业质量检查员:年 月 日 监理(建设)单位验收结论 专业监理工程师:(建设单位项目专业技术负责人):年 月 日 钢构造零、部件加工工程检查批质量验收登记表 GB50205-()020403 单位(子单位)工程名称 山西惠瑞药业制药、研发基地项目原料车间 分部(子分部)工程名称 主体 验收部位 KFL(6 件)施工单位 国基建设集团有限企业 项目经理 郭基华 分包单位/分包项目经理/施工执行原则名称及编号 钢构造工程施工质量验收规范(GB50205-)施工质量验收规范旳规定 施工单位检查评估记录 监理(建设)单位验收记录 主控项目 1 材料品种、规格 第 4.2.1 条 2 钢材复验 第 4.2.2 条 3 切面质量 第 7.2.1 条 4 矫正和成型 第 7.3.1 条,第 7.3.2 条 5 边缘加工 第 7.4.1 条 6 制孔 第 7.6.1 条 一般项目 1 材料规格尺寸 第 4.2.3 条,第 4.2.4 条 2 钢材表面质量 第 4.2.5 条 3 切割精度 第 7.2.2 条,第 7.2.3 条 4 矫正质量 第 7.3.3 条,第 7.3.4 条,第 7.3.5 条 5 边缘加工精度 第 7.4.2 条 6 制孔精度 第 7.6.2 条,第 7.6.3 条 施工单位检查评估成果 专业工长(施工员)施工班组长 项目专业质量检查员:年 月 日 监理(建设)单位验收结论 专业监理工程师:(建设单位项目专业技术负责人):年 月 日 钢构造制作钢构造制作(安装安装)焊接工程检查批质量验收登记表焊接工程检查批质量验收登记表 GB5020GB50205 5-单位(子单位)工程名称 山西惠瑞药业制药、研发基地项目原料车间 分部(子分部)工程名称 钢构造主体 验收部位 GL(44 件)施工单位 国基建设集团有限企业 项目经理 郭基华 分包单位/分包项目经理/施工执行原则名称及编号 钢构造工程施工质量验收规范 GB50205-施工质量验收规范旳规定 施工单位检查 评估记录 监理(建设)单位验收记录 主控项目 1 焊接材料品种、规格 第 4.3.1 条 合格 符合规定 2 焊接材料复验 第 4.3.2 条 合格 3 材料匹配 第 5.2.1 条 合格 4 焊工证书 第 5.2.2 条 合格 5 焊接工艺评估 第 5.2.3 条 合格 6 内部缺陷 第 5.2.4 条 合格 7 组合焊缝尺寸 第 5.2.5 条 合格 8 表面缺陷 第 5.2.6 条 合格 一 般 项 目 1 焊接材料外观质量 第 4.3.4 条 合格 符合规定 2 预热和后热处理 第 5.2.7 条 合格 3 焊缝外观质量 第 5.2.8 条 合格 4 焊缝尺寸偏差 第 5.2.9 条 合格 钢构造制作钢构造制作(安安装装)焊接工程检查批质量验收登记表焊接工程检查批质量验收登记表 GB5020GB50205 5-5 凹形角焊缝 第 5.2.10 条 合格 6 焊缝感观 第 5.2.11 条 合格 施工单位检查成果评估 专业工长(施工员)施工班组长 项目专业质量检查员:年 月 日 监理(建设)单位 验 收 结 论 监理工程师:(建设单位项目专业技术负责人):年 月 日 单位(子单位)工程名称 山西惠瑞药业制药、研发基地项目原料车间 分部(子分部)工程名称 钢构造主体 验收部位 GZ(22 件)施工单位 国基建设集团有限企业 项目经理 郭基华 分包单位/分包项目经理/施工执行原则名称及编号 钢构造工程施工质量验收规范 GB50205-施工质量验收规范旳规定 施工单位检查 评估记录 监理(建设)单位验收记录 主控项1 焊接材料品种、规格 第 4.3.1 条 合格 符合规定 2 焊接材料复验 第 4.3.2 条 合格 钢构造制作钢构造制作(安装安装)焊接工程检查批质量验收登记表焊接工程检查批质量验收登记表 GB5020GB50205 5-目 3 材料匹配 第 5.2.1 条 合格 4 焊工证书 第 5.2.2 条 合格 5 焊接工艺评估 第 5.2.3 条 合格 6 内部缺陷 第 5.2.4 条 合格 7 组合焊缝尺寸 第 5.2.5 条 合格 8 表面缺陷 第 5.2.6 条 合格 一 般 项 目 1 焊接材料外观质量 第 4.3.4 条 合格 符合规定 2 预热和后热处理 第 5.2.7 条 合格 3 焊缝外观质量 第 5.2.8 条 合格 4 焊缝尺寸偏差 第 5.2.9 条 合格 5 凹形角焊缝 第 5.2.10 条 合格 6 焊缝感观 第 5.2.11 条 合格 施工单位检查成果评估 专业工长(施工员)施工班组长 项目专业质量检查员:年 月 日 监理(建设)单位 验 收 结 论 监理工程师:(建设单位项目专业技术负责人):年 月 日 单位(子单位)工程名称 山西惠瑞药业制药、研发基地项目原料车间 分部(子分部)工程名称 钢构造主体 验收部位 KFL(6 件)施工单位 国基建设集团有限企业 项目经理 郭基华 分包单位/分包项目经理/施工执行原则名称及编号 钢构造工程施工质量验收规范 GB50205-施工质量验收规范旳规定 施工单位检查 评估记录 监理(建设)单位验收记录 主控项目 1 焊接材料品种、规格 第 4.3.1 条 合格 符合规定 2 焊接材料复验 第 4.3.2 条 合格 3 材料匹配 第 5.2.1 条 合格 4 焊工证书 第 5.2.2 条 合格 5 焊接工艺评估 第 5.2.3 条 合格 6 内部缺陷 第 5.2.4 条 合格 7 组合焊缝尺寸 第 5.2.5 条 合格 8 表面缺陷 第 5.2.6 条 合格 一 般 项 目 1 焊接材料外观质量 第 4.3.4 条 合格 符合规定 2 预热和后热处理 第 5.2.7 条 合格 3 焊缝外观质量 第 5.2.8 条 合格 4 焊缝尺寸偏差 第 5.2.9 条 合格 5 凹形角焊缝 第 5.2.10 条 合格 6 焊缝感观 第 5.2.11 条 合格 施工单位检查成果评估 专业工长(施工员)施工班组长 项目专业质量检查员:年 月 日 防腐涂料涂装工程检查批质量验收登记表防腐涂料涂装工程检查批质量验收登记表 GB50205GB50205-津资 K-J9-g-12 单位(子单位)工程名称 山西惠瑞药业制药、研发基地项目原料车间 分部(子分部)工程名称 钢构造主体 验收部位 GL(44 件)施工单位 国基建设集团有限企业 项目经理 郭基华 分包单位/分包项目经理/施工执行原则名称及编号 GB50205-施工质量验收规范旳规定 施工单位检查评估记录 监理(建设)单位验收记录 主控项目 1 涂料性能 第 4.9.1 条 材质汇报符合规范规定 2 涂装基层验收 第 14.2.1 条 表面无焊渣,焊疤,油污等 3 涂层厚度 第 14.2.2 条 115-125m 一般项目 1 涂料质量 第 4.9.3 条 启动后无结皮,结块,凝胶等 2 表面质量 第 14.2.3 条 涂层均匀,无流坠气泡 3 附着力测试 第 14.2.4 条 符合设计和规范规定 4 标志 第 14.2.5 条 到达清晰完整 监理(建设)单位 验 收 结 论 监理工程师:(建设单位项目专业技术负责人):年 月 日 施工单位检查评估成果 专业工长(施工员)施工班组长 张生 合格 项目专业质量检查员:年 月 日 监理(建设)单位验收结论 专业监理工程师:(建设单位项目专业技术负责人):年 月 日 防腐涂料涂装工程检查批质量验收登记表防腐涂料涂装工程检查批质量验收登记表 GB50205GB50205-津资 K-J9-g-12 单位(子单位)工程名称 山西惠瑞药业制药、研发基地项目原料车间 分部(子分部)工程名称 钢构造主体 验收部位 KFL(6 件)施工单位 国基建设集团有限企业 项目经理 郭基华 分包单位/分包项目经理/施工执行原则名称及编号 GB50205-施工质量验收规范旳规定 施工单位检查评估记录 监理(建设)单位验收记录 主控项目 1 涂料性能 第 4.9.1 条 材质汇报符合规范规定 2 涂装基层验收 第 14.2.1 条 表面无焊渣,焊疤,油污等 3 涂层厚度 第 14.2.2 条 115-125m 一般项目 1 涂料质量 第 4.9.3 条 启动后无结皮,结块,凝胶等 2 表面质量 第 14.2.3 条 涂层均匀,无流坠气泡 3 附着力测试 第 14.2.4 条 符合设计和规范规定 4 标志 第 14.2.5 条 到达清晰完整 施工单位检查评估成果 专业工长(施工员)施工班组长 合格 项目专业质量检查员:年 月 日 监理(建设)单位验收结论 专业监理工程师:(建设单位项目专业技术负责人):年 月 日 防腐涂料涂装工程检查批质量验收登记表防腐涂料涂装工程检查批质量验收登记表 GB50205GB50205-津资 K-J9-g-12 单位(子单位)工程名称 山西惠瑞药业制药、研发基地项目原料车间 分部(子分部)工程名称 钢构造主体 验收部位 GZ(22 件)施工单位 国基建设集团有限企业 项目经理 郭基华 分包单位/分包项目经理/施工执行原则名称及编号 GB50205-施工质量验收规范旳规定 施工单位检查评估记录 监理(建设)单位验收记录 主控项目 1 涂料性能 第 4.9.1 条 材质汇报符合规范规定 2 涂装基层验收 第 14.2.1 条 表面无焊渣,焊疤,油污等 3 涂层厚度 第 14.2.2 条 115-125m 一般项目 1 涂料质量 第 4.9.3 条 启动后无结皮,结块,凝胶等 2 表面质量 第 14.2.3 条 涂层均匀,无流坠气泡 3 附着力测试 第 14.2.4 条 符合设计和规范规定 4 标志 第 14.2.5 条 到达清晰完整 施工单位检查评估成果 专业工长(施工员)施工班组长 合格 项目专业质量检查员:年 月 日 监理(建设)单位验收结论 专业监理工程师:(建设单位项目专业技术负责人):年 月 日 钢构件组装工程检查批质量验收登记表钢构件组装工程检查批质量验收登记表 GB50205GB50205-(1)津资 K-J9-g-06 单位(子单位)工程名称 山西惠瑞药业制药、研发基地项目原料车间 分部(子分部)工程名称 钢构造主体 验收部位 GL(44 件)施工单位 国基建设集团有限企业 项目经理 郭基华 分包单位/分包项目经理/施工执行原则名称及编号 GB50205-施工质量验收规范旳规定 施工单位检查评估记录 监理(建设)单位验收记录 主控项目 1 吊车生产厂房梁(桁架)第 8.3.1 条 2 端部铣平精度 第 8.4.1 条 3 外形尺寸 第 8.5.1 条 均在容许偏差范围内 一般项目 1 焊接 H 型钢接缝 第 8.2.1 条 符合设计和规范规定 2 焊接 H 型钢精度 第 8.2.2 条 均在容许偏差范围内 3 焊接组装精度 第 8.3.2 条 均在容许偏差范围内 4 顶紧接触面 第 8.3.3 条 顶紧接触面 80紧贴 5 轴线交点错位 第 8.3.4 条 6 焊缝坡口精度 第 8.4.2 条 破口角度5,钝边不不小于1mm 7 铣平面保护 第 8.4.3 条 8 外形尺寸 第 8.5.2 条 均在容许偏差范围内 施工单位检查评估成果 专业工长(施工员)施工班组长 合格 项目专业质量检查员:年 月 日 监理(建设)单位验收结论 专业监理工程师:(建设单位项目专业技术负责人):年 月 日 钢构件组装工程检查批质量验收登记表钢构件组装工程检查批质量验收登记表 GB50205GB50205-(1)津资 K-J9-g-06 单位(子单位)工程名称 山西惠瑞药业制药、研发基地项目原料车间 分部(子分部)工程名称 钢构造主体 验收部位 GZ(22 件)施工单位 国基建设集团有限企业 项目经理 郭基华 分包单位/分包项目经理/施工执行原则名称及编号 GB50205-施工质量验收规范旳规定 施工单位检查评估记录 监理(建设)单位验收记录 主控项目 1 吊车生产厂房梁(桁架)第 8.3.1 条 2 端部铣平精度 第 8.4.1 条 3 外形尺寸 第 8.5.1 条 均在容许偏差范围内 一般项目 1 焊接 H 型钢接缝 第 8.2.1 条 符合设计和规范规定 2 焊接 H 型钢精度 第 8.2.2 条 均在容许偏差范围内 3 焊接组装精度 第 8.3.2 条 均在容许偏差范围内 4 顶紧接触面 第 8.3.3 条 顶紧接触面 80紧贴 5 轴线交点错位 第 8.3.4 条 6 焊缝坡口精度 第 8.4.2 条 破口角度5,钝边不不小于1mm 7 铣平面保护 第 8.4.3 条 8 外形尺寸 第 8.5.2 条 均在容许偏差范围内 施工单位检查评估成果 专业工长(施工员)施工班组长 合格 项目专业质量检查员:年 月 日 监理(建设)单位验收结论 专业监理工程师:(建设单位项目专业技术负责人):年 月 日 钢构件组装工程检查批质量验收登记表钢构件组装工程检查批质量验收登记表 GB50205GB50205-(1)津资 K-J9-g-06 单位(子单位)工程名称 山西惠瑞药业制药、研发基地项目原料车间 分部(子分部)工程名称 钢构造主体 验收部位 KFL(6 件)施工单位 国基建设集团有限企业 项目经理 郭基华 分包单位/分包项目经理/施工执行原则名称及编号 GB50205-施工质量验收规范旳规定 施工单位检查评估记录 监理(建设)单位验收记录 主控项目 1 吊车生产厂房梁(桁架)第 8.3.1 条 2 端部铣平精度 第 8.4.1 条 3 外形尺寸 第 8.5.1 条 均在容许偏差范围内 一般项目 1 焊接 H 型钢接缝 第 8.2.1 条 符合设计和规范规定 2 焊接 H 型钢精度 第 8.2.2 条 均在容许偏差范围内 3 焊接组装精度 第 8.3.2 条 均在容许偏差范围内 4 顶紧接触面 第 8.3.3 条 顶紧接触面 80紧贴 5 轴线交点错位 第 8.3.4 条 6 焊缝坡口精度 第 8.4.2 条 破口角度5,钝边不不小于1mm 7 铣平面保护 第 8.4.3 条 8 外形尺寸 第 8.5.2 条 均在容许偏差范围内 施工单位检查评估成果 专业工长(施工员)施工班组长 合格 项目专业质量检查员:年 月 日 监理(建设)单位验收结论 专业监理工程师:(建设单位项目专业技术负责人):年 月 日 钢构件预拼装工程检查批质量验收登记表钢构件预拼装工程检查批质量验收登记表 GB50205-津资 K-J9-g-07 单位(子单位)工程名称 山西惠瑞药业制药、研发基地项目原料车间 分部(子分部)工程名称 钢构造主体 验收部位 GL(44 件)施工单位 国基建设集团有限企业 项目经理 郭基华 分包单位/分包项目经理/施工执行原则名称及编号 GB50205-施工质量验收规范旳规定 施工单位检查评估记录 监理(建设)单位验收记录 主控项目 1 多层板叠螺栓孔 第 9.2.1 条 采用比螺栓公称直径大0.3mm 旳措施,螺栓通过率 100 一般项目 1 预拼装精度 第 9.2.2 条 各项参数均在容许偏差范围内 施工单位检查评估成果 专业工长(施工员)施工班组长 合格 项目专业质量检查员:年 月 日 监理(建设)单位验收结论 专业监理工程师:(建设单位项目专业技术负责人):年 月 日 钢构件预拼装工程检查批质量验收登记表钢构件预拼装工程检查批质量验收登记表 GB50205-津资 K-J9-g-07 单位(子单位)工程名称 山西惠瑞药业制药、研发基地项目原料车间 分部(子分部)工程名称 钢构造主体 验收部位 GZ(22 件)施工单位 国基建设集团有限企业 项目经理 郭基华 分包单位/分包项目经理/施工执行原则名称及编号 GB50205-施工质量验收规范旳规定 施工单位检查评估记录 监理(建设)单位验收记录 主控项目 1 多层板叠螺栓孔 第 9.2.1 条 采用比螺栓公称直径大0.3mm 旳措施,螺栓通过率 100 一般项目 1 预拼装精度 第 9.2.2 条 各项参数均在容许偏差范围内 施工单位检查评估成果 专业工长(施工员)施工班组长 合格 项目专业质量检查员:年 月 日 监理(建设)单位验收结论 专业监理工程师:(建设单位项目专业技术负责人):年 月 日 钢构件预拼装工程检查批质量验收登记表钢构件预拼装工程检查批质量验收登记表 GB50205-津资 K-J9-g-07 单位(子单位)工程名称 山西惠瑞药业制药、研发基地项目原料车间 分部(子分部)工程名称 钢构造主体 验收部位 KFL(6 件)施工单位 国基建设集团有限企业 项目经理 郭基华 分包单位/分包项目经理/施工执行原则名称及编号 GB50205-施工质量验收规范旳规定 施工单位检查评估记录 监理(建设)单位验收记录 主控项目 1 多层板叠螺栓孔 第 9.2.1 条 采用比螺栓公称直径大0.3mm 旳措施,螺栓通过率 100 一般项目 1 预拼装精度 第 9.2.2 条 各项参数均在容许偏差范围内 施工单位检查评估成果 专业工长(施工员)施工班组长 合格 项目专业质量检查员:年 月 日 监理(建设)单位验收结论 专业监理工程师:(建设单位项目专业技术负责人):年 月 日
展开阅读全文

开通  VIP会员、SVIP会员  优惠大
下载10份以上建议开通VIP会员
下载20份以上建议开通SVIP会员


开通VIP      成为共赢上传

当前位置:首页 > 环境建筑 > 钢结构/公共建筑

移动网页_全站_页脚广告1

关于我们      便捷服务       自信AI       AI导航        抽奖活动

©2010-2026 宁波自信网络信息技术有限公司  版权所有

客服电话:0574-28810668  投诉电话:18658249818

gongan.png浙公网安备33021202000488号   

icp.png浙ICP备2021020529号-1  |  浙B2-20240490  

关注我们 :微信公众号    抖音    微博    LOFTER 

客服