收藏 分销(赏)

外墙立面改造综合重点工程外脚手架专业方案.doc

上传人:精*** 文档编号:3027665 上传时间:2024-06-13 格式:DOC 页数:17 大小:286.54KB 下载积分:8 金币
下载 相关 举报
外墙立面改造综合重点工程外脚手架专业方案.doc_第1页
第1页 / 共17页
外墙立面改造综合重点工程外脚手架专业方案.doc_第2页
第2页 / 共17页


点击查看更多>>
资源描述
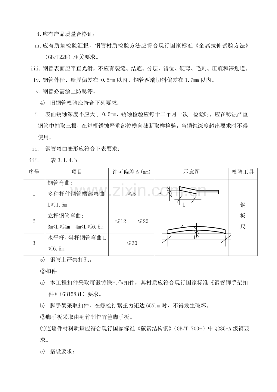
一、工程概况 珠海市梅华路两侧外立面改造工程,在珠海市香洲区东西走向主干道梅华路沿线两侧,东起梅华东路和情侣中路交接处珠海市第三中学,西至梅华西路和明珠北路交接,总长8.1公里,本项目包含计划用地面积约150000平方米,此次需改造(包含清洗)外墙面积约276980平方米;施工层为地上以上,对涉级改造外墙--外墙涂料工程,拟计划搭设钢管脚手架作业,以华南名宇项目(中间突出部分需喷刷外墙涂料)标高55.32米为例计算,因从塔楼2层顶(标高8.92米)开始搭设,实际只需搭设48米即可;另外墙面清洗及拆除防盗网等作业拟搭设吊篮作业,施工单位为珠海市建安昌盛工程。 二、编制依据 1、 本工程建筑施工图 2、 《建筑施工扣件式钢管脚手架安全技术规范》(JGJ130-) 3、 《建筑施工安全检验标准》(JGJ59-) 三、钢管脚手架搭设方案 a) 本工程脚手架采取钢管搭设,密目式安全网全封闭防护,基础立杆落在室外砼面层上,所以搭设时为预防钢管移动须在每根立杆下铺垫垫板。 b) 立杆纵距为1.3~1.8m,立杆横距为0.7m,步距为1.8m,内立杆距外墙边缘距离b1=0.3m。 c) 使用范围:外墙立面装饰线条改造,只许可有两个步层同时作业。设计活荷载为3KN/m2。 d) 材料及规格选择: 依据技术规范要求,各构配件要求以下: ①钢 管 1) 钢管应采取现行国家标准《直缝电焊钢管》(GB/T13793-)或《低压流体输送用焊接钢管》(GB/T3091-)中要求3号一般钢管,其质量应符合现行国家标准《碳素结构钢》(GB/T700-)中Q235-A级钢要求。 2) 钢管采取ф48×3.0钢管,横向水平杆最大长度小于2.0m,其它杆最大长度小于6.0m,每根钢管最大质量不应大于25kg。 3) 新钢管检验应符合以下要求: i. 应有产品质量合格证; ii. 应有质量检验汇报,钢管材质检验方法应符合现行国家标准《金属拉伸试验方法》(GB/T228)相关要求。 iii. 钢管表面应平直光滑,不应有裂缝、结疤、分层、错位、硬弯、毛剌、压痕和深划道。 iv. 钢管外径、壁厚偏差在-0.5mm以内、钢管两端切斜偏差在1.7mm以内。 v. 钢管必需涂上防锈漆。 4) 旧钢管检验应符合下列要求: i. 表面锈蚀深度不应大于0.5mm,锈蚀检验应每十二个月一次。检验时,应在锈蚀严重钢管中抽取三根,在每根锈蚀严重部位横向截断取样检验,当锈蚀深度超出要求时不得使用。 ii. 钢管弯曲变形应符合下表要求: iii. 表3.1.4.b 序号 项目 许可偏差Δ(mm) 示意图 检验工具 1 钢管弯曲: 多种杆件钢管端部弯曲L≤1.5m ≤5 Δ L 钢 板 尺 2 立杆钢管弯曲: 3m<L≤4m 4m<L≤6.5m ≤12 ≤20 Δ L 3 水平杆、斜杆钢管弯曲L≤6.5m ≤30 5) 钢管上严禁打孔。 ②扣件 a) 本工程扣件采取可锻铸铁制作扣件,其材质应符合现行国家标准《钢管脚手架扣件》(GB15831)要求。 b) 脚手架采取扣件,在螺栓拧紧扭力矩达65N.m时,不得发生破坏。 ③脚手板采取由毛竹制作竹笆脚手板。 ④连墙件材料质量应符合现行国家标准《碳素结构钢》(GB/T 700-)中Q235-A级钢要求。 e) 搭设要求: f) ①立杆基础:基础立杆落在室外砼结构层,,底部铺设垫板,地耐力符合要求。 ②纵向水平杆、横向水平杆、脚手板 a) 本工程采取冲压钢片脚手板。作业层应满铺脚手板。外墙立面下有出入口位置,应搭设安全通道口,防护棚双层设置,每层满铺脚手板。 b) 纵向水平杆设置于立杆内侧,其长度不宜小于3跨;接长采取对接扣件连接。对接扣件应交错部署;两根相邻纵向水平杆接头不宜设置在同时或同跨内;不一样时或不一样跨两个相邻接头在水平方向错开距离不应小于500mm,各接头中心至最近主节点距离不宜大于纵距1/3;纵向水平杆应采取直角扣件固定在横向水平杆上,并应等间距设置,间距不应大于350mm。 c) 横向水平杆结构要求:主节点处必需设置一根横向水平杆,用直角扣件扣接且严禁拆除;作业层上非主节点处横向水平杆,宜依据支撑脚手板需要等间距设置,最大间距不应大于纵距1/2;双排脚手架横向水平杆两端应用直角扣件固定在立杆上。 d) 作业层脚手板应铺满、铺稳,离开墙面120~150mm,脚手板应按其主竹筋垂直于纵向水平方向铺设,且采取对接平铺,四个角应用直径1.2mm镀锌钢丝固定在纵向水平杆上。 ③立杆 1) 每根立杆底部应设置垫板,必需设置纵、横向扫地杆,立杆必需用连墙件和建筑物可靠连接。 2) 立杆上对接扣件应交错部署:两根相邻立杆接头不应设置在同时内,同时内隔一根立杆两个相隔接头在高度方向错开距离不宜小于500mm;各接头中心至主节点距离不宜大于步距1/3。 3) 立杆顶端宜高出女儿墙上皮1m,高出檐口上皮1.5m。 ④连墙件 1) 连墙件宜靠近主节点设置,采取软拉硬撑方法,偏离主节点距离不应大于300mm,间隔为二步三跨,屋面层为二步二跨。 2) 应从底层第一步纵向水平杆处开始设置。采取菱形部署,设置在每结构层边梁上,按每三跨设置。 3) 本工程均为外墙外立面改造工程 ,连墙点设置十分关键,本搭设采取Φ10铁丝和建筑物用带弯勾膨胀螺栓可靠连接。 ⑤剪刀撑和横向斜撑 i. 剪刀撑采取外侧立面每隔4跨且大于6米设置一道。斜杆和地面倾角为45度~60度。剪刀撑跨越立杆根数为5~7根。 ii. 剪刀撑斜杆接长宜采取搭接,斜杆接长除顶层顶步外,其它各层各步接头必需采取对接扣件连接。剪刀撑斜杆应用旋转扣件固定在和之相交横向水平杆伸出端或立杆上,旋转扣件中心线至主节点距离不宜大于150mm。 g) 搭设次序: 按步层次序由下到上进行,按主体施工进度立即完成,搭设次序以下: 立杆设置→小横杆→大横杆→铺板→剪刀撑→绑挡脚杆及栏杆→绑立网 h) 架体和建筑物拉结: ①同架体向上搭设同时设置。 ②连墙件按两步三跨设置,确保架体和建筑物之间连续牢靠,不摇摆,不坍毁。脚手架顶部连墙杆对应加密,其设置为二步二跨(3.6×3.6m)设一处。 i) 搭设作业时人站在下位内,安装上部杆件,做到安全作业。 四、外脚手架搭设安全技术方法 1、搭设架及四面范围应场地平整,无材料及杂物堆放。 2、外脚手架搭设人员持证上岗,并佩带安全帽、系安全带,穿防滑鞋。 3、严格控制施工荷载、脚手板不得集中堆料施荷,施工荷载不得大于2KN/m2。不得将模板支架、缆风绳、泵送砼和砂浆运输管等固定在脚手架上;严禁悬挂起重设备 4、在脚手架使用期间,严禁拆除主节点处纵、横向水平杆,纵、横向扫地杆,连墙件。 5、依据方案,安全挂网应随同搭拆同时进行。 6、材料升降采取人工作业借助工具加强组织、不得高空抛空落。下传材料立即整理分类堆放。 7、严禁脚手板存在探头板,铺设脚手板和多层作业时,应尽可能使施工荷载内、外传输平衡。 8、遇作业层时,在脚手架外侧大横杆和脚手板之间,按临边防护要求设置防护栏杆和安全网,并满铺脚手板,预防作业人员坠落和脚手板上物料滚落。 9、确保脚手架体整体性。 10、雨天或六级以上大风不得进行搭设或拆除作业。雨后作业应有防滑方法。 11、外脚手架每半个月派专员进行维修加固一次,以达成坚固稳定,确保施工安全。 五、脚手架验收 1、脚手架搭设前,施工责任人根据施工方案要求,结合施工现场作业条件队伍情况,做具体交底,并由脚手架组长指挥。 2、外脚手架必需由经专业安技培训后持证上岗人员搭设,。 3、搭设完成后,由施工责任人组织,相关人员参与,根据施工方案和规范分段进行逐项检验验收,确定符合要求后,方可投入使用。 4、检验标准:(应按摄影应规范要求进行) ①脚手架要做到杆件齐全,间距不超出要求,连接牢靠,联体杆有效,量足,作业层脚手板满铺,防护完整。 ②材料质量符合要求: ⑴钢管应产品质量合格证,质量检验汇报,钢管表面应平直光滑,不应有裂缝、结疤、分层、错位、硬弯、毛剌、压痕和深划道。钢管必需涂在防锈漆。旧钢管表面锈蚀深度不应大于0.5mm,锈蚀检验应每十二个月一次。检验时,应在锈蚀严重钢管中抽取三根,在每根锈蚀严重部位横向拱截取样检验,当锈蚀深度超出要求时不得使用。旧钢管弯曲变形应符合规范要求。 ⑵新扣件应有生产许可证、法定检测单位测试汇报和产品质量合格证。旧扣件使用前应进行质量检验,有裂缝、变形严禁使用,出现滑丝螺栓必需更换。新、旧扣件均应进行防锈处理。 5、对脚手架检验验收按规范进行,凡不符合要求应立即进行整改,对检验结果及整改情况,按实测数据进行统计,并由检测人员签字。 6、外脚手架分段验收按JGJ59-《建筑施工安全检验标准》和《建筑施工扣件式钢管脚手架安全技术规范》(JGJ130-)中脚手架检验评分标准实施细则进行检验。未经验收签证,不得提前使用。 7、脚手架按工程项目经理部要求搭设完成,工程项目经理应按时办理中间验收,立即签证,做好交接班手续。 六、外脚手架拆除安全技术方法 1、脚手架拆除应按步层逐步完整拆除。当仅部分拆除时应在拆除前对未拆端部采取封闭及加强方法。 2、拆架程序应遵照由上而下,先搭后拆、一步一清标准依次进行。严禁上下同时进行拆架作业。操作者应站在拆除杆下方,有安全防护范围内。 3、拆除次序为:安全防护网→栏杆、挡脚杆→剪刀撑→竹榀→大横杆→小横杆→立杆。 4、拆架时应划分作业区,周围设绳绑围栏或竖立警戒标志,地面应设专员指挥,严禁非作业人员进入。 5、拆架高处作业人员应戴安全帽,系安全带、扎裹腿、穿软底防滑鞋。 6、联体杆应拌同拆除步层一同拆除,不得提前拆除。 7、在拆架时,如必需换人,应将拆除情况交代清楚方可离开 8、拆除材料下运应充足利用垂直运输机具,当采取人工时可用滑轮下送或多人接传下递,严禁抛掷。 七、扣件式钢管脚手架设计和计算 扣件式钢管落地脚手架计算依据《建筑施工扣件式钢管脚手架安全技术规范》(JGJ130-)、《建筑地基基础设计规范》(GB 50007-)、《建筑结构荷载规范》(GB 50009-)、《钢结构设计规范》(GB 50017-)等编制。 (一)、参数信息: 1.脚手架参数 双排脚手架搭设高度为 48 米,立杆采取单立管; 搭设尺寸为:立杆纵距为 1.5米,立杆横距为1.05米,大小横杆步距为1.5 米; 内排架距离墙长度为0.30米; 大横杆在上,搭接在小横杆上大横杆根数为 2 根; 采取钢管类型为 Φ48×3.0; 横杆和立杆连接方法为双扣件;取扣件抗滑承载力系数为 0.80; 连墙件采取两步三跨,竖向间距 3 米,水平间距4.5 米,采取扣件连接; 连墙件连接方法为双扣件; 2.活荷载参数 施工均布活荷载标准值:2.000 kN/m2;脚手架用途:装修脚手架; 同时施工层数:2 层; 3.风荷载参数 本工程地处广东省,基础风压为0.5 kN/m2; 风荷载高度改变系数μz 为1.00,风荷载体型系数μs 为0.65; 脚手架计算中考虑风荷载作用 4.静荷载参数 每米立杆承受结构自重标准值(kN/m2):0.1394; 脚手板自重标准值(kN/m2):0.300;栏杆挡脚板自重标准值(kN/m):0.110; 安全设施和安全网(kN/m2):0.005;脚手板铺设层数:7; 脚手板类别:冲压钢脚手板;栏杆挡板类别:栏杆、冲压钢脚手板挡板; 每米脚手架钢管自重标准值(kN/m2):0.033; 5.地基参数 地基土类型:素填土;地基承载力标准值(kpa):160.00; 立杆基础底面面积(m2):0.25;地基承载力调整系数:1.00。 二、大横杆计算: 根据《扣件式钢管脚手架安全技术规范》(JGJ130-)第5.2.4条要求,大横杆根据三跨连续梁进行强度和挠度计算,大横杆在小横杆上面。将大横杆上面脚手板自重和施工活荷载作为均布荷载计算大横杆最大弯矩和变形。 1.均布荷载值计算 大横杆自重标准值:P1=0.033 kN/m ; 脚手板自重标准值:P2=0.3×1.05/(2+1)=0.105 kN/m ; 活荷载标准值: Q=2×1.05/(2+1)=0.7 kN/m; 静荷载设计值: q1=1.2×0.033+1.2×0.105=0.166 kN/m; 活荷载设计值: q2=1.4×0.7=0.98 kN/m; 图1 大横杆设计荷载组合简图(跨中最大弯矩和跨中最大挠度) 图2 大横杆设计荷载组合简图(支座最大弯矩) 2.强度验算 跨中和支座最大弯距分别按图1、图2组合。 跨中最大弯距计算公式以下: 跨中最大弯距为M1max=0.08×0.166×1.52+0.10×0.98×1.52 =0.25 kN.m; 支座最大弯距计算公式以下: 支座最大弯距为 M2max= -0.10×0.166×1.52-0.117×0.98×1.52 =-0.295 kN.m; 选择支座弯矩和跨中弯矩最大值进行强度验算: σ=Max(0.25×106,0.295×106)/4490=65.702 N/mm2; 大横杆最大弯曲应力为 σ= 65.702 N/mm2 小于 大横杆抗压强度设计值 [f]=205 N/mm2,满足要求! 3.挠度验算: 最大挠度考虑为三跨连续梁均布荷载作用下挠度。 计算公式以下: 其中: 静荷载标准值: q1= P1+P2=0.033+0.105=0.138 kN/m; 活荷载标准值: q2= Q =0.7 kN/m; 最大挠度计算值为: V= 0.677×0.138×15004/(100×2.06×105×107800)+0.990×0.7×15004/(100×2.06×105×107800) = 1.793 mm; 大横杆最大挠度 1.793 mm 小于 大横杆最大许可挠度 1500/150 mm和10 mm,满足要求! 三、小横杆计算: 依据JGJ130-第5.2.4条要求,小横杆根据简支梁进行强度和挠度计算,大横杆在小横杆上面。用大横杆支座最大反力计算值作为小横杆集中荷载,在最不利荷载部署下计算小横杆最大弯矩和变形。 1.荷载值计算 大横杆自重标准值:p1= 0.033×1.5 = 0.05 kN; 脚手板自重标准值:P2=0.3×1.05×1.5/(2+1)=0.158 kN; 活荷载标准值:Q=2×1.05×1.5/(2+1) =1.050 kN; 集中荷载设计值: P=1.2×(0.05+0.158)+1.4 ×1.05 = 1.719 kN; 小横杆计算简图 2.强度验算 最大弯矩考虑为小横杆自重均布荷载和大横杆传输荷载标准值最不利分配弯矩和 均布荷载最大弯矩计算公式以下: Mqmax = 1.2×0.033×1.052/8 = 0.006 kN.m; 集中荷载最大弯矩计算公式以下: Mpmax = 1.719×1.05/3 = 0.602 kN.m ; 最大弯矩 M= Mqmax + Mpmax = 0.607 kN.m; 最大应力计算值 σ = M / W = 0.607×106/4490=135.22 N/mm2 ; 小横杆最大弯曲应力 σ =135.22 N/mm2 小于 小横杆抗压强度设计值 205 N/mm2,满足要求! 3.挠度验算 最大挠度考虑为小横杆自重均布荷载和大横杆传输荷载设计值最不利分配挠度和小横杆自重均布荷载引发最大挠度计算公式以下: Vqmax=5×0.033×10504/(384×2.06×105×107800) = 0.024 mm ; 大横杆传输荷载 P = p1 + p2 + Q = 0.05+0.158+1.05 = 1.257 kN; 集中荷载标准值最不利分配引发最大挠度计算公式以下: Vpmax = 1257.45×1050×(3×10502-4×10502/9 ) /(72×2.06×105 ×107800) = 2.327 mm; 最大挠度和 V = Vqmax + Vpmax = 0.024+2.327 = 2.35 mm; 小横杆最大挠度为 2.35 mm 小于 小横杆最大许可挠度 1050/150=7和10 mm,满足要求! 四、扣件抗滑力计算: 根据《建筑施工扣件式钢管脚手架安全技术规范培训讲座》刘群主编,P96页,双扣件承载力设计值取16.00kN,根据扣件抗滑承载力系数0.80,该工程实际旋转双扣件承载力取值为12.80kN 。 纵向或横向水平杆和立杆连接时,扣件抗滑承载力根据下式计算(规范5.2.5): R ≤ Rc 其中 Rc -- 扣件抗滑承载力设计值,取12.80 kN; R -- 纵向或横向水平杆传给立杆竖向作用力设计值; 大横杆自重标准值: P1 = 0.033×1.5×2/2=0.05 kN; 小横杆自重标准值: P2 = 0.033×1.05/2=0.017 kN; 脚手板自重标准值: P3 = 0.3×1.05×1.5/2=0.236 kN; 活荷载标准值: Q = 2×1.05×1.5 /2 = 1.575 kN; 荷载设计值: R=1.2×(0.05+0.017+0.236)+1.4×1.575=2.569 kN; R < 12.80 kN,所以双扣件抗滑承载力设计计算满足要求! 五、脚手架立杆荷载计算: 作用于脚手架荷载包含静荷载、活荷载和风荷载。静荷载标准值包含以下内容: (1)每米立杆承受结构自重标准值(kN),为0.1394 NG1 = [0.1394+(1.50×2/2)×0.033/1.50]×48.00 = 8.290; (2)脚手板自重标准值(kN/m2);采取冲压钢脚手板,标准值为0.3 NG2= 0.3×7×1.5×(1.05+0.3)/2 = 2.126 kN; (3)栏杆和挡脚手板自重标准值(kN/m);采取栏杆、冲压钢脚手板挡板,标准值为0.11 NG3 = 0.11×7×1.5/2 = 0.578 kN; (4)吊挂安全设施荷载,包含安全网(kN/m2);0.005 NG4 = 0.005×1.5×48 = 0.36 kN; 经计算得到,静荷载标准值 NG =NG1+NG2+NG3+NG4 = 11.353 kN; 活荷载为施工荷载标准值产生轴向力总和,内、外立杆按一纵距内施工荷载总和1/2取值。 经计算得到,活荷载标准值 NQ= 2×1.05×1.5×2/2 = 3.15 kN; 风荷载标准值根据以下公式计算 其中 Wo -- 基础风压(kN/m2),根据《建筑结构荷载规范》(GB50009-)要求采取: Wo = 0.5 kN/m2; Uz -- 风荷载高度改变系数,根据《建筑结构荷载规范》(GB50009-)要求采取: Uz= 1 ; Us -- 风荷载体型系数:取值为0.645; 经计算得到,风荷载标准值 Wk = 0.7 ×0.5×1×0.645 = 0.226 kN/m2; 不考虑风荷载时,立杆轴向压力设计值计算公式 N = 1.2NG+1.4NQ= 1.2×11.353+ 1.4×3.15= 18.034 kN; 考虑风荷载时,立杆轴向压力设计值为 N = 1.2 NG+0.85×1.4NQ = 1.2×11.353+ 0.85×1.4×3.15= 17.373 kN; 风荷载设计值产生立杆段弯矩 MW 为 Mw = 0.85 ×1.4WkLah2/10 =0.850 ×1.4×0.226×1.5× 1.52/10 = 0.091 kN.m; 六、立杆稳定性计算: 不考虑风荷载时,立杆稳定性计算公式为: 立杆轴向压力设计值 :N = 18.034 kN; 计算立杆截面回转半径 :i = 1.59 cm; 计算长度附加系数参考《扣件式规范》表5.3.3得 :k = 1.155 ;当验算杆件长细比时,取块1.0; 计算长度系数参考《扣件式规范》表5.3.3得 :μ = 1.5 ; 计算长度 ,由公式 lo = k×μ×h 确定 :l0 = 2.599 m; 长细比 Lo/i = 163 ; 轴心受压立杆稳定系数φ,由长细比 lo/i 计算结果查表得到 :φ= 0.265 ; 立杆净截面面积 : A = 4.24 cm2; 立杆净截面模量(抵御矩) :W = 4.49 cm3; 钢管立杆抗压强度设计值 :[f] =205 N/mm2; σ = 18034/(0.265×424)=160.502 N/mm2; 立杆稳定性计算 σ = 160.502 N/mm2 小于 立杆抗压强度设计值 [f] = 205 N/mm2,满足要求! 考虑风荷载时,立杆稳定性计算公式 立杆轴心压力设计值 :N = 17.373 kN; 计算立杆截面回转半径 :i = 1.59 cm; 计算长度附加系数参考《扣件式规范》表5.3.3得 : k = 1.155 ; 计算长度系数参考《扣件式规范》表5.3.3得 :μ = 1.5 ; 计算长度 ,由公式 l0 = kuh 确定:l0 = 2.599 m; 长细比: L0/i = 163 ; 轴心受压立杆稳定系数φ,由长细比 lo/i 结果查表得到 :φ= 0.265 立杆净截面面积 : A = 4.24 cm2; 立杆净截面模量(抵御矩) :W = 4.49 cm3; 钢管立杆抗压强度设计值 :[f] =205 N/mm2; σ = 17372.52/(0.265×424)+90666.844/4490 = 174.808 N/mm2; 立杆稳定性计算 σ = 174.808 N/mm2 小于 立杆抗压强度设计值 [f] = 205 N/mm2,满足要求! 七、最大搭设高度计算: 按《规范》5.3.6条不考虑风荷载时,采取单立管敞开式、全封闭和半封闭脚手架可搭设高度根据下式计算: 构配件自重标准值产生轴向力 NG2K(kN)计算公式为: NG2K = NG2+NG3+NG4 = 3.064 kN; 活荷载标准值 :NQ = 3.15 kN; 每米立杆承受结构自重标准值 :Gk = 0.139 kN/m; Hs =[0.265×4.24×10-4×205×103-(1.2×3.064 +1.4×3.15)]/(1.2×0.139)=89.355 m; 按《规范》5.3.6条脚手架搭设高度 Hs等于或大于26米,根据下式调整且不超出50米: [H] = 89.355 /(1+0.001×89.355)=82.026 m; [H]= 82.026 和 50 比较取较小值。经计算得到,脚手架搭设高度限值 [H] =50 m。 脚手架单立杆搭设高度为48m,小于[H],满足要求! 按《规范》5.3.6条考虑风荷载时,采取单立管敞开式、全封闭和半封闭脚手架可搭设高度根据下式计算: 构配件自重标准值产生轴向力 NG2K(kN)计算公式为: NG2K = NG2+NG3+NG4 = 3.064 kN; 活荷载标准值 :NQ = 3.15 kN; 每米立杆承受结构自重标准值 :Gk = 0.139 kN/m; 计算立杆段由风荷载标准值产生弯矩: Mwk=Mw / (1.4×0.85) = 0.091 /(1.4 × 0.85) = 0.076 kN.m; Hs =( 0.265×4.24×10-4×205×103-(1.2×3.064+0.85×1.4×(3.15+0.265×4.24×100×0.076/4.49)))/(1.2×0.139)=79.746 m; 按《规范》5.3.6条脚手架搭设高度 Hs等于或大于26米,根据下式调整且不超出50米: [H] = 79.746 /(1+0.001×79.746)=73.856 m; [H]= 73.856 和 50 比较取较小值。经计算得到,脚手架搭设高度限值 [H] =50 m。 脚手架单立杆搭设高度为48m,小于[H],满足要求! (八)、连墙件稳定性计算: 连墙件轴向力设计值应根据下式计算: Nl = Nlw + N0 连墙件风荷载标准值按脚手架顶部高度计算μz=0.92,μs=0.214,ω0=0.14, Wk = 0.7μz·μs·ω0=0.7 ×0.92×0.214×0.14 = 0.019 kN/m2; 每个连墙件覆盖面积内脚手架外侧迎风面积 Aw = 16.2 m2; 按《建筑施工扣件式钢管脚手架安全技术规范》(JGJ130-)5.4.1条连墙件约束脚手架平面外变形所产生轴向力(kN), N0= 5.000 kN; 风荷载产生连墙件轴向力设计值(kN),根据下式计算: Nlw = 1.4×Wk×Aw = 0.438 kN; 连墙件轴向力设计值 Nl = Nlw + N0= 5.438 kN; 连墙件承载力设计值按下式计算: Nf = φ·A·[f] 其中 φ -- 轴心受压立杆稳定系数; 由长细比 l/i = 300/15.9结果查表得到 φ=0.949,l为内排架距离墙长度; A = 4.24 cm2;[f]=205 N/mm2; 连墙件轴向承载力设计值为 Nf = 0.949×4.24×10-4×205×103 = 82.487 kN; Nl = 5.438 < Nf = 82.487,连墙件设计计算满足要求! 连墙件拉接部分柔性钢筋直径按下式计算: A = N/fy d = 2×(A/2/π)1/2 其中 fy --为拉接柔性钢筋抗拉强度取:210N/mm2 A --拉接柔性钢筋截面积根据两个截面计算A=25.893mm2 N --拉接柔性钢筋上承受拉应力(kN) d --拉接柔性钢筋直径(mm) d =4.06mm 由以上计算得到柔性拉接钢筋最小直径d = 4.06mm。 (九)、立杆地基承载力计算: 立杆基础底面平均压力应满足下式要求 p ≤ fg 地基承载力设计值:fg = fgk×kc = 750 kPa; 其中,地基承载力标准值:fgk= 750 kPa ; 脚手架地基承载力调整系数:kc = 1 ; 立杆基础底面平均压力:p = N/A =67.942 kPa ; 其中,上部结构传至基础顶面轴向力设计值 :N = 13.588 kN; 基础底面面积 :A = 0.2 m2 。 p=67.942kPa ≤ fg=750 kPa 。地基承载力满足要求! 满足要求!
展开阅读全文

开通  VIP会员、SVIP会员  优惠大
下载10份以上建议开通VIP会员
下载20份以上建议开通SVIP会员


开通VIP      成为共赢上传

当前位置:首页 > 包罗万象 > 大杂烩

移动网页_全站_页脚广告1

关于我们      便捷服务       自信AI       AI导航        抽奖活动

©2010-2026 宁波自信网络信息技术有限公司  版权所有

客服电话:0574-28810668  投诉电话:18658249818

gongan.png浙公网安备33021202000488号   

icp.png浙ICP备2021020529号-1  |  浙B2-20240490  

关注我们 :微信公众号    抖音    微博    LOFTER 

客服