收藏 分销(赏)

基于单片机和K型热电偶的温度测量仪表设计.doc

上传人:人****来 文档编号:2991872 上传时间:2024-06-12 格式:DOC 页数:11 大小:707KB 下载积分:8 金币
下载 相关 举报
基于单片机和K型热电偶的温度测量仪表设计.doc_第1页
第1页 / 共11页
基于单片机和K型热电偶的温度测量仪表设计.doc_第2页
第2页 / 共11页


点击查看更多>>
资源描述
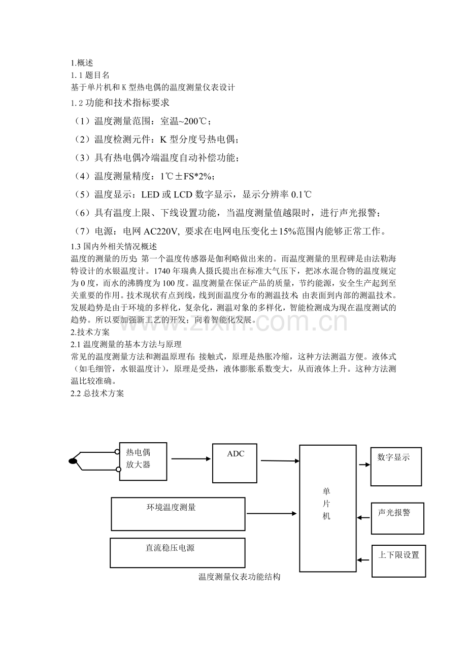
1. 概述 1.1题目名 基于单片机和K型热电偶的温度测量仪表设计 1.2功能和技术指标要求 (1)温度测量范围:室温~200℃; (2)温度检测元件:K型分度号热电偶; (3)具有热电偶冷端温度自动补偿功能; (4)温度测量精度:1℃±FS*2%; (5)温度显示:LED或LCD数字显示,显示分辨率0.1℃ (6)具有温度上限、下线设置功能,当温度测量值越限时,进行声光报警; (7)电源:电网AC220V, 要求在电网电压变化±15%范围内能够正常工作。 1.3国内外相关情况概述 温度的测量的历史:第一个温度传感器是伽利略做出来的。而温度测量的里程碑是由法勒海特设计的水银温度计。1740年瑞典人摄氏提出在标准大气压下,把冰水混合物的温度规定为0度,而水的沸腾度为100度。温度测量在保证产品的质量,节约能源,安全生产起到至关重要的作用。技术现状有点到线,线到面温度分布的测温技术;由表面到内部的测温技术。发展趋势是由于环境的多样化,复杂化,测温对象的多样化,智能检测成为现在温度测试的趋势。所以要加强新工艺的开发;向着智能化发展。 2. 技术方案 2.1温度测量的基本方法与原理 常见的温度测量方法和测温原理有:接触式,原理是热胀冷缩,这种方法测温方便。液体式(如毛细管,水银温度计),原理是受热,液体膨胀系数变大,从而液体上升。这种方法测温比较准确。 直流稳压电源 环境温度测量 热电偶 放大器 ADC 单 片 机 上下限设置 声光报警 数字显示 2.2总技术方案 温度测量仪表功能结构 先读取环境温度,热电偶测得温度经过ADC转换器变成数字,测得冷端温度,用补偿法再计算出温度值,送到显示器显示。如果温度超过上限设置,下限设置则蜂鸣器报警,且LED灯变红。 3. 硬件设计 3.1热电偶放大器设计 冷端补偿专用芯片MAX6675的温度读取 芯片MAX6675采用标准SPI串行外设总线与MCU接口,MAX6675只能作为从设备。 温度值与数字对应关系为:温度值=1023.75×转换后的数字量/4095 3.2热电偶冷端温度补偿方法及电路 冷端补偿法:测冷端温度 补偿法 再计算出温度值 送到显示器 (循环) LCD显示(循环) ASC码 电路: 3.3ADC电路 由MAX6675完成AD转换。 3.4稳压电源电路 学生电源。 3.5微处理器 STC52单片机,芯片MAX7765;按键;显示系统采用四位共阳极数码管7SEG-MPX4-CA,报警电路由PNP型三极管Q1和蜂鸣器构成。 3.6总体电路原理图 3.7硬件调试 用热电偶采集温度,把采集信号送到MAX7765中,在MAX6675中进行AD转换成数字信号,把数字信号送到STC52单片机进行处理,再送到显示屏显示。 4. 软件设计 4.1软件功能说明 具有热电偶冷端温度自动补偿功能; 具有温度上限、下线设置功能,当温度测量值越限时,进行声光报警; 4.2软件总流程 开始,初始化52,AD初始化启动AD数值滤波(取平均值),调用采集转换子程序,用补偿法计算出温度值,检测是否超量程,超过量程则调用报警程序报警,否的话就继续调用子程序进行循环。 开始 调用报警子程序 调用子程序 调用采集转换子程序 计算温度值 超量程? 系统初始化 是 否 4.3各功能软件 #include "reg52.h"//头文件 #include "intrins.h"//_nop_();延时函数用 #define uchar unsigned char //用uchar代替unsigned char,1字节0-255 #define uint unsigned int //用uint代替nsigned int,2字节0-26653 sbit SO=P1^0; //P1.0口与SO相连 sbit SCK=P1^1; //P1.1口与SCK相连 #include "reg52.h"//头文件 #include "intrins.h"//_nop_();延时函数用 #define uchar unsigned char //用uchar代替unsigned char,1字节0-255 #define uint unsigned int //用uint代替nsigned int,2字节0-26653 sbit SO=P1^0; //P1.0口与SO相连 sbit SCK=P1^1; //P1.1口与SCK相连 sbit CS=P1^2; //P1.2口与CS相连 sbit buzzer=P1^6; //P13.6 s声光报警 uint j,h; float wendu;//4字节(6位数字) uint Re_Convert();//热电偶数据读取,返回温度 void Disp_temp();//温度显示 uchar qian=0,bai=0,shi=0,ge=0,xiao=0; uint P_Temp; uint temp; uchar code tab_1[10]={0xC0,0xF9,0xA4,0xB0,0x99,0x92,0x82,0xF8,0x80,0x90}; //共阳LED段码表 uchar code tab_2[10]={0x40,0x79,0x24,0x30,0x19,0x12,0x02,0x78,0x00,0x10}; //含小数点共阳段码 // "0" "1" "2" "3" "4" "5" "6" "7" "8" "9" uchar code tab_3[4]={0x01,0x02,0x04,0x08}; //位码 uint Re_Convert() //热电偶数据读取,返回温度 { uchar i; unsigned long Temp_2; Temp_2=0; CS=1; SCK=0; _nop_();_nop_(); //这个_nop_()等效与汇编里面的NOP指令,也就是空一个机器周期, //在51单片机中_nop_()等于空12个时钟周期【即一个机器周期】 CS=0; for(i=0;i<16;i++)//16位数据读取 { Temp_2<<=1;//向右移一位 _nop_(); SCK=1;//上升 if(SO==1){Temp_2=Temp_2|0x01;} else Temp_2=Temp_2|0x00; _nop_(); SCK=0; _nop_(); } Temp_2=Temp_2<<1; //向左移一位,取0-14位 Temp_2=Temp_2>>4; //向右移4位,取3-14位 Temp_2=Temp_2*1024/4096;//变换为温度值 Temp_2=Temp_2-23; Temp_2=Temp_2; if (Temp_2>200) { for(j=300;j>0;j--); buzzer=0; } else buzzer=1; return(Temp_2); } void Disp_temp()//温度显示 { uint temp=wendu; temp=temp*10; if(wendu<=200) //最高读取温度设定为200摄氏度 { xiao=(temp&0x0f)*10/16; //取小数位数字 temp=temp/10; ge =temp%10;//取个位数字 temp=temp/10; shi =temp%10;//取十位数字 bai =temp/10;//去百位数字 //动态扫描显示各位数字,P3.1-P3.4口输出位码 P3=0x00; P0=tab_1[bai]; P3=tab_3[0]; for(j=300;j>0;j--); P3=0x00; P0=tab_1[shi]; P3=tab_3[1]; for(j=300;j>0;j--); P3=0x00; P0=tab_2[ge]; P3=tab_3[2]; for(j=300;j>0;j--); P3=0x00; P0=tab_1[xiao]; P3=tab_3[3]; for(j=300;j>0;j--); } } void main()//主程序 { for(j=300;j>0;j--); while(1) { wendu=Re_Convert();// 热电偶数据读取,返回温度 Disp_temp(); //温度显示 } } sbit CS=P1^2; //P1.2口与CS相连 sbit buzzer=P1^6; //P13.6 s声光报警 uint j,h; float wendu;//4字节(6位数字) uint Re_Convert();//热电偶数据读取,返回温度 void Disp_temp();//温度显示 uchar qian=0,bai=0,shi=0,ge=0,xiao=0; uint P_Temp; uint temp; uchar code tab_1[10]={0xC0,0xF9,0xA4,0xB0,0x99,0x92,0x82,0xF8,0x80,0x90}; //共阳LED段码表 uchar code tab_2[10]={0x40,0x79,0x24,0x30,0x19,0x12,0x02,0x78,0x00,0x10}; //含小数点共阳段码 // "0" "1" "2" "3" "4" "5" "6" "7" "8" "9" uchar code tab_3[4]={0x01,0x02,0x04,0x08}; //位码 uint Re_Convert() //热电偶数据读取,返回温度 { uchar i; unsigned long Temp_2; Temp_2=0; CS=1; SCK=0; _nop_();_nop_(); //这个_nop_()等效与汇编里面的NOP指令,也就是空一个机器周期, //在51单片机中_nop_()等于空12个时钟周期【即一个机器周期】 CS=0; for(i=0;i<16;i++)//16位数据读取 { Temp_2<<=1;//向右移一位 _nop_(); SCK=1;//上升 if(SO==1){Temp_2=Temp_2|0x01;} else Temp_2=Temp_2|0x00; _nop_(); SCK=0; _nop_(); } Temp_2=Temp_2<<1; //向左移一位,取0-14位 Temp_2=Temp_2>>4; //向右移4位,取3-14位 Temp_2=Temp_2*1024/4096;//变换为温度值 Temp_2=Temp_2-23; Temp_2=Temp_2; if (Temp_2>200) { for(j=300;j>0;j--); buzzer=0; } else buzzer=1; return(Temp_2); } void Disp_temp()//温度显示 { uint temp=wendu; temp=temp*10; if(wendu<=200) //最高读取温度设定为200摄氏度 { xiao=(temp&0x0f)*10/16; //取小数位数字 temp=temp/10; ge =temp%10;//取个位数字 temp=temp/10; shi =temp%10;//取十位数字 bai =temp/10;//去百位数字 //动态扫描显示各位数字,P3.1-P3.4口输出位码 P3=0x00; P0=tab_1[bai]; P3=tab_3[0]; for(j=300;j>0;j--); P3=0x00; P0=tab_1[shi]; P3=tab_3[1]; for(j=300;j>0;j--); P3=0x00; P0=tab_2[ge]; P3=tab_3[2]; for(j=300;j>0;j--); P3=0x00; P0=tab_1[xiao]; P3=tab_3[3]; for(j=300;j>0;j--); } } void main()//主程序 { for(j=300;j>0;j--); while(1) { wendu=Re_Convert();// 热电偶数据读取,返回温度 Disp_temp(); //温度显示 } } 4.4软件测试 软件能运行成功,数码管有温度变化显示。 5. 温度测量仪器测试与校准 5.1温度测量仪器测试方法 用热水器烧开的热水进行测试;用手温来测试。 5.2相应记录 热水器烧开的热水 手心温度 88℃ 35℃ 5.3对实验数据进行分析 误差变动大稍低于实验要求,由于温度不能进行连续变化,要按复位键,所以功能不能满足要求。误差的原因有放大倍数与其误差的稳定性;热电偶;本身电路;转换电路(基准电源);程序没有完善好。由于我负责硬件方面,所以改进设想是尽量减少本身电路产生的误差,而且由于跳线较多使得焊电路的时候变得麻烦,以后一定要注意。
展开阅读全文

开通  VIP会员、SVIP会员  优惠大
下载10份以上建议开通VIP会员
下载20份以上建议开通SVIP会员


开通VIP      成为共赢上传

当前位置:首页 > 学术论文 > 其他

移动网页_全站_页脚广告1

关于我们      便捷服务       自信AI       AI导航        抽奖活动

©2010-2025 宁波自信网络信息技术有限公司  版权所有

客服电话:0574-28810668  投诉电话:18658249818

gongan.png浙公网安备33021202000488号   

icp.png浙ICP备2021020529号-1  |  浙B2-20240490  

关注我们 :微信公众号    抖音    微博    LOFTER 

客服