收藏 分销(赏)

机械设计专业课程设计盘磨机传动装置的设计.doc

上传人:a199****6536 文档编号:2799270 上传时间:2024-06-06 格式:DOC 页数:29 大小:1.07MB 下载积分:10 金币
下载 相关 举报
机械设计专业课程设计盘磨机传动装置的设计.doc_第1页
第1页 / 共29页
机械设计专业课程设计盘磨机传动装置的设计.doc_第2页
第2页 / 共29页


点击查看更多>>
资源描述
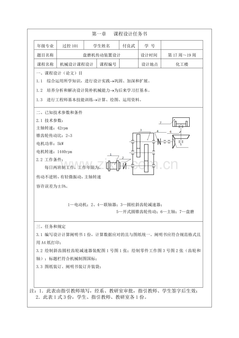
第一章 课程设计任务书 年级专业 过控101 学生姓名 付良武 学 号 题目名称 盘磨机传动装置设计 设计时间 第17周~19周 课程名称 机械设计课程设计 课程编号 设计地点 化工楼 一、 课程设计(论文)目 1.1 综合运用所学知识,进行设计实践®巩固、加深和扩展。 1.2 培养分析和解决设计简朴机械能力®为后来学习打基本。 1.3 进行工程师基本技能训练®计算、绘图、运用资料。 二、 已知技术参数和条件 2.1 技术参数: 主轴转速:42rpm 锥齿轮传动比:2~3 电机功率:5kW 电机转速:1440rpm 2.2 工作条件: 每日两班制工作,工作年限为,传动不逆转,有轻微振动,主轴转速容许误差为±5%。 1—电动机;2、4—联轴器;3—圆柱斜齿轮减速器; 5—开式圆锥齿轮传动;6—主轴;7—盘磨 三、任务和规定 3.1 编写设计计算阐明书1份,计算数据应对的且与图纸统一。阐明书应符合规范格式且用A4纸打印; 3.2 绘制斜齿圆柱齿轮减速器装配图1号图1张;绘制零件工作图3号图2张(齿轮和轴);标题栏符合机械制图国标; 3.3 图纸装订、阐明书装订并装袋; 注:1.此表由指引教师填写,经系、教研室审批,指引教师、学生签字后生效; 2.此表1式3份,学生、指引教师、教研室各1份。 四、参照资料和既有基本条件(涉及实验室、重要仪器设备等) 4.1 《机械设计》教材 4.2 《机械设计课程设计指引书》 4.3 《减速器图册》 4.4 《机械设计课程设计图册》 4.5 《机械设计手册》 4.6 其她有关书籍 五、进度安排 序号 设计内容 天数 1 设计准备(阅读和研究任务书,阅读、浏览指引书) 1 2 传动装置总体设计 2 3 各级传动主体设计计算 2 4 减速器装配图设计和绘制 7 5 零件工作图绘制 1 6 编写设计阐明书 2 7 总计 15 六、教研室审批意见 教研室主任(签字): 年 月 日 七|、主管教学主任意见 主管主任(签字): 年 月 日 八、备注 指引教师(签字): 学生(签字): 计算及阐明 成果 第二章 传动方案整体设计 2.1传动装置总体设计方案: 2.1.1 构成:传动装置由电机、减速器、工作机构成。 2.1.2 特点:齿轮相对于轴承不对称分布,故沿轴向载荷分布不均匀, 规定轴有较大刚度。选取锥齿轮传动和一级圆柱斜齿轮减速器(展开式)。 2.2电动机选取 依照已知任务书给定技术参数,由给定电动机功率为5KW,电动机转速为1440r/min,查表17-7选用电动机型号为Y132S—4,满载转速1440 r/min,同步转速1500r/min。 2.3拟定传动装置总传动比和分派各级传动比 2.3.1总传动比 由选定电动机满载转速nm和工作机积极轴转速=42,可得传动装置总传动比为=nm/=1440/42=34.29。 2.3.2分派传动装置传动比 锥齿轮传动比:=3 减速器传动比:=/=34.29/3=11.43 高速级传动比:1= 低速级传动比: 2.4计算传动装置运动和动力参数 2.4.1 各轴转速n(r/min) n0=nm=1440 r/min 高速轴1转速:n1=nm=1440 r/min 中间轴2转速: 低速轴3转速: 主轴6转速: 2.4.2 各轴输入功率P(KW) P0=Pm=5kw 高速轴1输入功率:P1=P0ηc=5×0.99=4.95kw 中间轴2输入功率:P2=P1η1ηg=4.95×0.98×0.98=4.75kw 低速轴3输入功率:P3=P2η2ηg=4.75×0.98×0.98=4.57kw 主轴6输入功率:P4=P3ηgηgηd=4.57×0.98×0.99×0.97=4.30kw Pm为电动机额定功率;ηc为联轴器效率;ηg为一对轴承效率;η1高速级齿轮传动效率;η2为低速级齿轮传动效率;ηd为锥齿轮传动效率。 2.4.3 各轴输入转矩T(N•m) T0=9550P0/n0=3.316× N·m 高速轴1输入转矩T1=9550P1/n1=(9550×4.95)/1440=3.283×104N·m 中间轴2输入转矩T2=9550P2/n2=(9550×4.75)/366.4=1.238×105N·m 低速轴3输入转矩T3=9550P3/n3=(9550×4.57)/126.3=3.4556×105N·m 主轴6 输入转矩T4=9550P4/n4=(9550×4.30)/42.1=9.7542×105N·m 第三章 传动零件设计计算 3.1 高速级斜齿轮设计和计算 3.1.1 选精度级别,材料及齿数 (1)齿轮材料,精度和齿数选取,因传递功率不大,转速不高,小齿轮用40Cr,大齿轮用45号钢,锻选项毛坯,大齿轮、正火解决,小齿轮调质,均用软齿面,小齿轮硬度为280HBS,大齿轮硬度为240HBS。 (2)齿轮精度用7级,软齿面闭式传动,失效形式为点蚀。 (3)虑传动平稳性,齿数宜取多些,取=24,则=24×3.93=94.32,取=94。 (4)选用螺旋角。初选螺旋角为β=14o 3.1.2 按齿面接触强度设计 由设计公式 试算 (1)拟定公式内各计算数值 1)试选载荷系数Kt=1.6。 2)计算小齿轮传递转矩。 3)由机械设计课本表10-7选用齿宽系数 4)由表10-6查得材料弹性影响系数ZE=189.8MP。 5)由图10-21d按齿面强度查地小、大齿轮接触疲劳强度极限 σHlim1=600Mpa σHlim2=550Mpa。 6)由式10-13计算应力循环次数。 N1=60n1j Lh=60×1440×1×(2×8×365×10)=5.05× N2=N1/i2=5.05×109/3.93=1.28×9 7)由图10-19取接触疲劳寿命系数KHN1=0.90,KHN2=0.95。 8)计算接触疲劳许用应力。取失效概率为0.01,安全系数S=1由式10-12得: [σH]1=σHlim1 KHN1/S=600×0.90/1 Mpa=540 Mpa [σH]2=σHlim2 KHN2/S=550×0.95/1 Mpa=522.5Mpa 9) 由图10-30选用区域系数ZH=2.433。 10) 由图10-26查得 ,则 11) 许用接触力: 计算 1)试算=39.629mm 2) 圆周速度 (3)齿宽 模数 (4)计算纵向重叠度 (5)计算载荷系数K 依照V=2.988m/s,7级精度,由图10-8查得动载系数Kv=1.12。;由表10-2查得使用系数KA=1.25;由表10-4查得7级精度,小齿轮相对支承非对称布置时,=1.417。查图10-13得=1.34;故载荷系数: (6)按实际载荷系数校正所算得分度圆直径,由式10-10a得 (7)计算模数 3.1.3 按齿根弯曲强度设计 由式10-5得弯曲强度设计公式为 (1)拟定公式内各计算数值 1)计算载荷系数K K==1.25×1.12×1.4×1.34=2.63 2)依照纵向重叠度=1.903,从图10-28查得螺旋角影响系数=0.88 3)计算当量齿数 4) 查取齿形系数 由表10-5查得 5) 查取应力校正系数 由表10-5查得 6)由图10-20c查得 小齿轮弯曲疲劳强度极限 大齿轮弯曲疲劳强度极限 7)由图10-18取弯曲疲劳寿命系=0.86,=0.89; 8)计算弯曲疲劳许用应力。 取弯曲疲劳安全系数S=1.4,由式10-12得 /S=0.86×500/1.4=307.14MPa /S=0.89×380/1.4=241.57MPa 9)计算大、小齿轮并加以比较 =2.592×1.596/307.14=0.01347MPa =2.178×1.791/241.57=0.01615MPa 大齿轮数值大。 (2) 设计计算 对比计算成果,由齿面接触疲劳强度计算模数不不大于mn由齿根弯曲疲劳强度计算模数,由于齿轮模数不不大于重要取决于弯曲强度所决定承载能力,而齿面接触疲劳强度所决定承载能力,仅与齿轮直径(即模数与齿数乘积)关于,可取mn=2mm,按接触强度算得分度圆直径=47.643mm,算出小齿轮齿数 (3)几何尺寸计算 1)计算中心距 将中心距圆整为122mm 2) 将圆整后中心距修正螺旋角 因值变化不多,故参数,,等不必修正。 b 3) 计算分度圆直径 =94×2/cos14.7123=194.373mm 4) 计算齿轮宽度 圆整后取B2=50mm,B1=55mm 5)构造设计 齿顶高 齿根高 齿高 齿顶圆直径: 小齿轮=d+2=53.627 mm 大齿轮=198.373 mm 齿根圆直径: 小齿轮=d-2=44.627 mm 大齿轮= d-2=190.373 mm 3.2 低速级斜齿轮设计和计算 3.2.1 选精度级别,材料及齿数。 1)齿轮材料,精度和齿数选取,因传递功率不大,转速不高,小齿轮用40Cr,大齿轮用45号钢,锻选项毛坯,大齿轮、正火解决,小齿轮调质,均用软齿面,小齿轮硬度为280HBS,大齿轮硬度为240HBS。 2)齿轮精度用7级,软齿面闭式传动,失效形式为占蚀。 3) 虑传动平稳性,齿数宜取多些,取,则,取。 4) 选用螺旋角。初选螺旋角14。 3.2.2 按齿面接触强度设计 由设计公式试算 (1)拟定公式内各计算数值 1)试选载荷系数Kt=1.6 2)计算小齿轮传递转矩。 3)由机械设计课本表10-7选用齿宽系数 4)由表10-6查得材料弹性影响系数=189.8MP 5)由图10-21d按齿面强度查地小,大齿轮接触疲劳强度极限 6) 由式10-13计算应力循环次数。 7)由图10-19取接触疲劳寿命系数KHN1=0.95,KHN2=0.97。 8)计算接触疲劳许用应力。取失效概率为0.01,安全系数S=1.由式10-12得 [σH]1=σHlim1 KHN1/S=600×0.95/1 Mpa=570Mpa [σH]2=σHlim2 KHN2/S=550×0.97/1 Mpa=533.5Mpa 9)由图10-30选用区域系数 10)由图10-26查得 则 11)许用接触力 (2)计算 1)试算 2)圆周速度V=d1t n2/(60×1000)=1.169 m/s 3)齿宽 4) 计算纵向重叠度 5)计算载荷系数K 依照V=1.169m/s,7级精度,由图10-8查得动载系数Kv=1.08,;由表10-2查得使用系数KA=1.25;由表10-4查地7级精度,小齿轮相对支承非对称布置时,=1.421;查图10-13得;故载荷系数: 6)按实际载荷系数校正所算得分度圆直径,由式10-10a得 7) 计算模数 3.2.3 按齿根弯曲强度设计 由式10-5得弯曲强度设计公式为 (1)拟定公式内各计算数值 1)由图10-20c查得 小齿轮弯曲疲劳强度极限 大齿轮弯曲疲劳强度极限 2)由图10-18取弯曲疲劳寿命系数KFN1=0.89,KFN2=0.90; 3)计算弯曲疲劳许用应力。 取弯曲疲劳安全系数S=1.4,由式10-12得: 4)计算载荷系数K K=KAKVKFαKFβ=1.25×1.08×1.4×1.35=2.55 5)依照纵向重叠度=1.903,从图10-28查得螺旋角影响系数=0.88 6)计算当量齿数 7)查取齿形系数 由表10-5查得 YFa1=2.592;YFa2=2.227 8)查取应力校正系数 由表10-5查得 YSa1=1.596;YSa2=1.763 9) 计算大、小齿轮并加以比较 大齿轮数值大。 (2) 设计计算 对比计算成果,由齿面接触疲劳强度计算模数不不大于mn由齿根弯曲疲劳强度计算模数,由于齿轮模数不不大于mn重要取决于弯曲强度所决定承载能力,而齿面接触疲劳强度所决定承载能力,仅与齿轮直径(即模数与齿数乘积)关于,可取mn=2.5㎜,按接触强度算得分度圆直径d1=72.449㎜,算出小齿轮齿数 取 ,取 (3)几何尺寸计算 1)计算中心距 将中心距圆整为141 mm 2) 将圆整后中心距修正螺旋角 因值变化不多,故参数等不必修正。 b 3) 计算分度圆直径 4) 计算齿轮宽度 圆整后取B3=72,B2=77. 5)构造设计 齿顶高 齿根高 齿高 齿顶圆直径 小齿轮大齿轮 齿根圆直径 小齿轮,大齿轮 第四章 轴设计计算 4.1 中间轴设计计算 4.1.1 中间轴上功率P、转速n和转矩T 由已知,得:P= PⅡ=4.75KW,n= nⅡ=366.4r/min 4.1.2 拟定轴最小直径 先按式15-2初步估算轴最小直径。选用轴材料为45钢,调质解决。依照表15-3,取A0=112。得 4.1.3 轴构造设计 (1)拟定轴上零件装配方案 轴设计示意图如下: (2)依照轴向定位规定拟定轴各段直径和长度。 1)由于=26.31 mm,轴上开有两键槽,增长后轴径d=30 mm取安装轴承处(该轴直径最小处) 轴径d=30 mm,则dⅠ-Ⅱ=dⅤ-Ⅵ=30 mm。 2)初步选取滚动轴承。选单列圆锥滚子轴承。参照工作规定并依照 dⅠ-Ⅱ=30 mm,选轴承型号30206,其尺寸为d×D×T=30 mm×62 mm×17.25mm。考虑到箱体锻造误差,使轴承距箱体内壁6 mm。 3)取轴上安装大齿轮和小齿轮处轴段Ⅱ-Ⅲ和Ⅳ-Ⅴ直径dⅡ-Ⅲ=dⅣ-Ⅴ=34mm.两端齿轮与轴承之间采用套筒定位。已知大齿轮轮毂宽度为50mm,小齿轮轮毂宽度为77mm.为了使套筒可靠地压紧齿轮,此轴段应略短于轮毂宽度,故分别取LⅡ-Ⅲ=74mm,LⅣ-Ⅴ=47mm。 两齿轮另一端采用轴肩定位,轴肩高度: h>0.07dⅡ-Ⅲ=0.07×34=2.38mm,取h=3mm; 轴环处直径:dⅢ-Ⅳ=34+6=40 mm; 轴环宽度:b≥1.4h=1.4×3=4.2mm,取LⅢ-Ⅳ=5mm。 4)由于安装齿轮轴段比轮毂宽度略短,因此 LⅠ-Ⅱ=17.25+6+16+3=42.25 mm LⅤ-Ⅵ=17.25+6+18.5+3=44.75 mm (3)轴上零件周向定位 齿轮与轴周向定位均采用平键连接。按dⅡ-Ⅲ和dⅣ-Ⅴ分别由表6-1查得平键截面b×h=10 mm×8 mm,长度分别为63 mm和36 mm,同步为了保证齿轮与轴配合有良好对中性,故选取齿轮轮毂与轴配合为;滚动轴承与轴周向定位是由过渡配合来保证,此处选轴直径尺寸公差为m6。 (4)拟定轴上圆角和倒角尺寸 参照表15-2,取轴端倒角为2×45°。 (5) 轴校核 经校核,该轴合格,故安全。 4.2 高速轴设计计算 4.2.1 求高速轴上功率P、转速n和转矩T 由已知,得:P=P1=4.95kw,n=n1=1440 r/min 4.2.2 初步拟定轴最小直径 先按式15-2初步估算轴最小直径。选用轴材料为45钢,调质解决。依照表15-3,取A0=112.得 轴上有一键槽,则增长后得直径d=20 mm,高速轴最小直径为安装联轴器处轴直径dⅠ-Ⅱ,取dⅠ-Ⅱ=20 mm。 4.2.3 轴构造设计 (1)拟定轴上零件装配方案 轴设计示意图如下: (2)依照轴向定位规定拟定轴各段直径和长度 1)为了满足半联轴器轴向定位规定,Ⅰ-Ⅱ轴段左端需制出一轴肩,故取Ⅱ-Ⅲ段直径dⅡ-Ⅲ=24 mm,左端用轴端挡圈定位,按轴端直径取挡圈直径D=26 mm。半联轴器与轴配合毂孔长度L1=38 mm,为了保证轴端挡圈只压在半联轴器上而不压在轴端面上,故取Ⅰ-Ⅱ段长度应比L1略短某些,现取LⅠ-Ⅱ=36mm。 2)初步选取滚动轴承。 因轴承同步承受有径向力和轴向力作用,故选用单列圆锥滚子轴承。参照工作规定并依照 dⅡ-Ⅲ=24 mm,选轴承型号30205,其尺寸d×D×T=25 mm×52 mm×16.25 mm,故dⅢ-Ⅳ=dⅦ-Ⅷ=25 mm.由于轴承右侧需装甩油环,且轴承需离箱体内壁一段距离,考虑到箱体锻造误差,使轴承距箱体内壁6 mm。,则取LⅢ-Ⅳ=LⅤ-Ⅵ=16.25 mm。右端滚动轴承采用轴肩进行轴向定位。取dⅣ—Ⅴ=30 mm. 3)由于高速轴上小齿轮尺寸较小,普通设计成齿轮轴。 4)轴承端盖总宽度取为16 mm.取端盖外端面与联轴器端面间距离为30 mm,则LⅡ-Ⅲ=46 mm。 5)取轴上轴段Ⅴ-Ⅵ处为高速小齿轮,直径dⅤ-Ⅵ=53.627mm。已知小齿轮轮毂宽度为55mm,故取LⅤ-Ⅵ=55mm。 6)取齿轮距箱体内壁距离LⅥ-Ⅶ=a=19.5 mm。已知滚动轴承宽度T=16.25mm,低速级小齿轮轮毂长L=80mm,又由于已知箱体两内壁之间距离为178.5,高速级小齿轮轮毂长L=55,则 (3)轴上零件周向定位 半联轴器与轴周向定位均采用平键连接。按dⅠ-Ⅱ由表6-1查得平键截面b×h=6 mm×6 mm,键槽用键槽铣刀加工,长为22 mm,滚动轴承与轴周向定位是由过渡配合来保证,此处选轴直径尺寸公差为m6。 (4)拟定轴上圆角和倒角尺寸 参照表15-2,取轴端倒角为2×45°。 4.2.4州校核 (1) 输入轴上功率P1,转速n1,转矩T1 P1=5KW n1=1440r/min T1 =3.283×104N.m (2) 拟定轴及求作用在齿轮上力 1)求作用在齿轮上力 已知高速级小齿轮分度圆直径为 =49.627 而 F= F= F F= Ftan=1323.070×tan14.7123°=347.405N 圆周力F,径向力F及轴向力F方向如图示: 输入轴载荷分析图如下: 4.3 低速轴设计计算 4.3.1 求低速轴上功率P、转速n和转矩T 由已知,得:P=PⅢ=4.57 KW ,n= nⅢ=126.3r/min 4.3.2 初步拟定轴最小直径 先按式15-2初步估算轴最小直径。选用轴材料为45钢,调质解决。依照表15-3,取A0=112.得 4.3.3 轴构造设计 (1)拟定轴上零件装配方案 轴设计示意图如下: (2)依照轴向定位规定拟定轴各段直径和长度 1) 低速轴最小直径显然是安装联轴器处轴直径dⅠ-Ⅱ.为了使所选轴直径 dⅠ-Ⅱ与联轴器孔径相适应, 故需同步选用联轴器型号。联轴器计算转矩=。按照计算转矩应不大于联轴器公称转矩条件,查手册,选用HL4型弹性套柱销联轴器,其公称转矩为1250。半联轴器孔径为40mm,故取dⅠ-Ⅱ=40mm,联轴器长112mm,半联轴器与轴配合毂孔长度L1=84mm.为了保证轴端挡圈只压在半联轴器上而不压在轴端面上,故取Ⅰ-Ⅱ段长度应比L1略短某些,现取LⅠ-Ⅱ=80mm。为了满足半联轴器轴向定位规定,Ⅰ-Ⅱ轴段左端需制出一轴肩,故取Ⅱ-Ⅲ段直径dⅡ-Ⅲ=48mm,右端挡圈定位,按轴端直径取挡圈直径D=50mm。 2)初步选取滚动轴承。选单列圆锥滚子轴承。参照工作规定并依照dⅡ-Ⅲ=48mm,选轴承型号30210,其尺寸为d×D×T=50mm×95mm×21.75 mm,故。 3)取安装齿轮处轴段Ⅵ-Ⅶ直径dⅥ-Ⅶ=52mm.齿轮左端与左端轴承之间采用甩油环和套筒定位。已知齿轮毂宽度为72mm,为了使套筒端面可靠地压紧齿轮,此轴段应略短于轮毂宽度,故取LⅥ-Ⅶ=69 mm.齿轮右端采用轴肩定位,轴肩高度h﹥0.07d=0.07×52=3.64,则轴环处=60mm。轴环宽度b≥1.4h=1.4×4=5.6,取=10mm。 4)取齿轮距箱体内壁距离LⅦ-Ⅷ=a=25.5mm,考虑到箱体锻造误差,使轴承距箱体内壁6 mm。已知滚动轴承宽度T=21.75mm,LⅢ-Ⅳ=LⅧ-Ⅸ=21.75 mm,已知箱体两内壁之间距离为178.5,则 5) 取轴承端盖外端面与联轴器端面距离为30 mm,端盖厚20 mm,则LⅡ-Ⅲ =50. (3)轴上零件周向定位 齿轮,联轴器与轴周向定位均采用平键连接。由表6-1查得平键截面b×h=16 mm×10 mm,键槽用键槽铣刀加工,长为63 mm,同步为了保证齿轮与轴配合有良好对中性,故选取齿轮轮毂与轴配合为 ;同样,联轴器与轴连接,选用平键为12 mm×8 mm×70 mm。滚动轴承与轴周向定位是由过渡配合来保证,此处选轴直径尺寸公差为m6。 (4)拟定轴上圆角和倒角尺寸 参照表15-2,取轴端倒角为2×45°。 4.3.4 轴校核 (1) 求输出轴上功率P,转速,转矩 P2=4.75KW n2=366.4r/min T2=1.238×105N.m (2) 求作用在齿轮上力 已知低速级大齿轮分度圆直径为 =209.643 而 F=2×1.238×105/209.643= F= F F= Ftan=1181.055×tan15。=316.463N 圆周力F,径向力F及轴向力F方向如图示: (3) 一方面依照构造图作出轴计算简图,拟定轴承支点位置。 对于30210型圆锥滚子轴承,从手册中查取有a=21mm,因而,做为简支梁轴支承跨距 ,依照轴计算简图做出轴弯矩图和扭矩图。从轴构造简图以及弯矩图和扭矩图中可以看出截面C是轴危险截面。 现将计算出危险截面C处MH、MV和M列于下表。 载荷 水平面H 垂直面V 支反力F 弯矩M 总弯矩 按弯曲扭转合成应力校核轴强度 依照 == 前已选轴材料为45钢,调质解决。 查表15-1得[]=60MP <[] 此轴合理安全 输出轴载荷分析图如下: 第五章 键连接选取和计算 5.1 高速轴上键设计与校核 齿轮、联轴器、与轴周向定位都是平键连接,由表6-1查得联轴器上键尺寸为bhL =6×6×25 mm,联轴器采用过渡配合,但不容许过盈,因此选取H7/k6,轴与轴承之间采用过度配合,轴直径公差采用m6(具备小过盈量,木锤装配)d=20 mm,T1=32.83 N·m,查表得=100~120 式中k=0.5h,l=L-b, 因此所选键符合强度规定。 5.2 中间轴上键设计与校核 已知dⅡ-Ⅲ=dⅣ-Ⅴ=34 mm,T2=123.81 N·m,参照教材,由式6-1可校核键强度,由于d=30~38 mm因此取bh=108 mm 查表得=100~120 取低速级键长为63 mm,高速级键长为36 mm。 因此所选键:bhL=10 mm8 mm63 mm bhL=10 mm8 mm36 mm 符合强度条件。 ´ 5.3 低速轴上键设计与校核 已知装齿轮处轴径d=52mm,T=345.56N·m。参照教材,由式6-1可校核键强度,由于d=50~58 mm,因此取bhL=16 mm10 mm63 mm,查表得=100~120 联轴器处轴径d=40mm,T=345.56N·m,由于d=38~44mm,因此取 bhL=12 mm8 mm70 mm 因此所选键符合强度规定。 第六章 滚动轴承选取和计算 6.1 计算高速轴轴承: 由前面可以懂得n1=1500r/min 两轴承径向反力:Fr=298.72N= 轴向力:Fa=0N 初步计算当量动载荷P,依照P=+ 依照表13-6,=1.0~1.2,取=1.2。 依照表13-5,X=1 因此P=1.21298.72=358.46N 计算轴承30205寿命: 故可以选用 6.2 计算中间轴轴承: 已知n2=366.4r/min 两轴承径向反力: 轴向力均为0 初步计算当量动载荷P,依照P= 依照表13-6,=1.0~1.2,取=1.2。 依照表13-5,X=1 因此P=1.2286.6=343.92N P=1.2693.8=832.56N 计算轴承30206寿命: 故可以选用。 6.3 计算低速轴轴承 已知 n3=126.3r/min 两轴承径向反力:= 673.45N 轴向力:为0 初步计算当量动载荷P,依照P= 依照表13-6,=1.0~1.2,取=1.2。X=1 因此P=1.2673.45=808.14N 计算轴承30210寿命: 故可以选用。 第七章 联轴器选取 7.1类型选取 为了隔离振动和冲击,选用弹性套柱销联轴器. 7.2载荷计算 联轴器1 公称转矩:T=955032.83N.m 查课本表14-1,选用 因此转矩 由于计算转矩不大于联轴器公称转矩,因此 查《机械设计课程设计》表17-4(GB/T4323-) 选用LT5型弹性套柱销联轴器其公称转矩为125Nm, 联轴器2 公称转矩:T=9550345.56N.m 查课本表14-1,选用 因此转矩 由于计算转矩不大于联轴器公称转矩,因此 查《机械设计课程设计》表17-4(GB/T4323-)选用LT8型弹性套柱销联轴器其公称转矩为710Nm。 第八章 箱体构造设计 减速器箱体采用锻造(HT200)制成,采用剖分式构造为了保证齿轮佳合质量, 大端盖分机体采用配合. 8.1.机体有足够刚度 在机体为加肋,外轮廓为长方形,增强了轴承座刚度 8.2.考虑到机体内零件润滑,密封散热。 因其传动件速度不大于12m/s,故采用侵油润油,同步为了避免油搅得沉渣溅起,齿顶到油池底面距离H为40mm 为保证机盖与机座连接处密封,联接凸缘应有足够宽度,联接表面应精创,其表面粗糙度为 8.3.机体构造有良好工艺性. 铸件壁厚为8,圆角半径为R=2。机体外型简朴,拔模以便. 8.4.对附件设计 A 窥视孔盖和窥视孔: 在减速器上部可以看到传动零件啮合处要开窥视孔,大小只要够手伸进操作可。以便检查齿面接触斑点和齿侧间隙,理解啮合状况.润滑油也由此注入机体内。窥视孔有盖板,机体上开窥视孔与凸缘一块,有便于机械加工出支承盖板表面并用垫片加强密封,盖板用铸铁制成,用M6紧固。 B 放油螺塞: 放油孔位于油池最底处,并安排在减速器不与其她部件接近一侧,以便放油,放油孔用螺塞堵住,因而油孔处机体外壁应凸起一块,由机械加工成螺塞头部支承面,并加封油圈加以密封。 C 油标: 油标位在便于观测减速器油面及油面稳定之处。油标用来检查油面高度,以保证有正常油量。此要安装于便于观测油面及油面稳定之处即低速级传动件附近;用带有螺纹某些油尺,油尺上油面刻度线应按传动件浸入深度拟定。油尺安顿部位不能太低,以防油进入油尺座孔而溢出。 D 通气孔: 减速器运转时,由于摩擦发热,机体内温度升高,气压增大,导致润滑油从缝隙向外渗漏,为便于排气,因此在机盖顶部或窥视孔上装通气器,使机体内热空气自由逸处,保证机体内外压力均衡,提高机体有缝隙处密封性,通气器用带空螺钉制成。 E 启盖螺钉: 为了便于启盖,在机盖侧边边沿上装一至二个启盖螺钉。在启盖时,可先拧动此螺钉顶起机盖;螺钉上长度要不不大于凸缘厚度,钉杆端部要做成圆柱形伙半圆形,以免顶坏螺纹;螺钉直径与凸缘连接螺栓相似。在轴承端盖上也可以安装取盖螺钉,便于拆卸端盖.对于需作轴向调节套环,装上二个螺钉,便于调节。启盖螺钉上螺纹长度要不不大于机盖联结凸缘厚度。钉杆端部要做成圆柱形,以免破坏螺纹。 F 定位销: 为了保证剖分式机体轴承座孔加工及装配精度,在机体联接凸缘长度方向两端各安顿一种圆锥定位销。以提高定位精度,两销相距尽量远些。如机体是对称,销孔位置不应对称布置。 G 环首螺钉、吊环和吊钩 为了拆卸及搬运,应在机盖上装有环首螺钉或铸出吊钩、吊环,并在机座上铸出吊钩。 H 调节垫片 用于调节轴承间隙,有起到调节传动零件轴向位置作用。 I 密封装置 在伸出轴与端盖之间有间隙,必要安装密封件,以防止漏油和污物进入机体内。 减速器机体构造尺寸如下: 名称 符号 计算公式 成果 箱座厚度 δ 10 箱盖厚度 (0.8~0.85)δ8mm 8 箱盖凸缘厚度 12 箱座凸缘厚度 b 15 箱座底凸缘厚度 25 地脚螺钉直径 M18 地脚螺钉数目 n a<250mm 4 轴承旁联结螺栓直径 M12 盖与座联结螺栓直径 M10 轴承端盖螺钉直径 M8 视孔盖螺钉直径 M6 定位销直径 d M8 至外箱 壁距离 课本128页 24 18 16 至凸缘 边沿距离 课本128页 22 18 14 外箱壁至轴承端面距离 50 大齿轮顶圆与内箱壁距离 15 齿轮端面与内箱壁距离 16 箱盖,箱座肋厚 为、0.85δ 轴承端盖外径 +(5~5.5) 92(一轴) 102(二轴) 135(三轴) 轴承旁联结螺栓距离 S 76(一轴) 86(二轴) 119(三轴) 箱体深度 Hd Ds/2+(30~50) 157 箱座高度 H Hd+δ+(5~10) 177 第九章 轴承端盖设计与选取 依照箱体设计,选用凸缘式轴承端盖。 各轴上端盖: 闷盖和透盖:参照表7-17 课本145页 闷盖示意图 透盖示意图 表 三个轴轴承盖 D2 D0 D4 D d0 螺钉孔数n e1 m b1 d1 Ⅰ 92 72 42 52 9 4 10 Ⅱ 102 82 52 62 9 4 10 Ⅲ 135 112 85 95 9 6 10 第十一章 润滑和密封设计 对于二级圆柱齿轮减速器,由于传动装置属于轻型,且传速较低,因此其速度远远不大于,因此采用脂润滑,箱体内选用SH0357-92中50号润滑,装至规定高度. 油深度为H+ H=30 =34 因此H+=30+34=64 其中油粘度大,化学合成油,润滑效果好。 密封性来讲为了保证机盖与机座联接处密封,联接 凸缘应有足够宽度,联接表面应精创,其表面粗度应为 密封表面要通过刮研。并且,凸缘联接螺柱之间距离不适当太大,150mm。并匀均布置,保证某些面处密封性。 第十二章 设计小结 11.1通过二周时间设计完毕了本课题——带式输送机传动装置,该装置具备如下特点: 1)能满足所需传动比 2)选用齿轮满足强度刚度规定 由于系统所受载荷不大,在设计中齿轮采用了腹板式齿轮不但可以满足强度及刚度规定,并且节约材料,减少了加工成本。 3)轴具备足够强度及刚度 由于二级展开式齿轮减速器齿轮相对轴承位置不对称,当其产生弯扭变形时,载荷在齿宽分布不均匀,因而,对轴设计规定最高,设计轴具备较大刚度,保证传动稳定性。 4)箱体设计得体 设计减速器具备较大尺寸底面积及箱体轮毂,可以增长抗弯扭惯性,有助于提高箱体整体刚性。 5)由于时间急迫,因此这次设计存在许多缺陷,箱体构造庞大,重量也很大。齿轮计算不够精准,设计也不是十分恰当,但我以为通过这次实践,能使我在后来设计中避免诸多不必要工作,有能力设计出构造更紧凑,传动更稳定精准设备。 11.2 小结 1) 机械设计是机械工业基本,是一门综合性相称强技术课程,它融《机械原理》、《机械设计》、《理论力学》、《材料力学》、《公差与配合》、《CAD实用软件》、《机械工程材料》、《机械设计手册》等于一体。 2) 这次课程设计,对于培养咱们理论联系实际设计思想;训练综合运用机械设计和关于先修课程理论,结合生产实际反系和解决工程实际问题能力;巩固、加深和扩展关于机械设计方面知识等方面有重要作用。 3) 在这次课程设计过程中,综合运用先修课程中所学关于知识与技能,结合各个教学实践环节进行机械课程设计,一方面,逐渐提高了咱们理论水平、构思能力、工程洞察力和判断力,特别是提高了分析问题和解决问题能力,为咱们后来对专业产品和设备设计打下了辽阔而坚实基本。 4) 本次设计得到了指引教师细心协助和支持。衷心感谢教师指引和协助。 5) 设计中还存在不少错误和缺陷,需要继续努力学习和掌握关于机械设计知识,继续培养设计习惯和思维从而提高设计实践操作能力。 总来说,这次关于盘磨机传动装置上一级展开式圆柱斜齿轮减速器课程设计是咱们真正理论联系实际、进一步理解设计概念和设计过程实践考验,对于提高咱们机械设计综合素质大有用处。同步,通过三个星期设计实践,使咱们对机械设计有了更多理解和结识,为咱们后来工作打下了坚实基本。 参 考 文 献 [1]机械零件设计手册 吴宗泽等编 机械工业出版社 1月 [2]机械设计(第八版)濮良贵、纪名刚主编 高等教诲出版社 5月 [3]材料力学(第四版) 刘鸿文 主编 高等教诲出版社 1月 [4] 机械设计课程设计 李育锡 等编 高等教诲出版社 [5]当代工程制图学 蔡群等主编 南京大学出版社 4月 [6]互换性与测量技术基本 万秀颖等主编 电子工业出版社 08月 [7]机械原理(第七版) 孙桓 等主编 高等教诲出版社 5月
展开阅读全文

开通  VIP会员、SVIP会员  优惠大
下载10份以上建议开通VIP会员
下载20份以上建议开通SVIP会员


开通VIP      成为共赢上传

当前位置:首页 > 学术论文 > 其他

移动网页_全站_页脚广告1

关于我们      便捷服务       自信AI       AI导航        抽奖活动

©2010-2025 宁波自信网络信息技术有限公司  版权所有

客服电话:0574-28810668  投诉电话:18658249818

gongan.png浙公网安备33021202000488号   

icp.png浙ICP备2021020529号-1  |  浙B2-20240490  

关注我们 :微信公众号    抖音    微博    LOFTER 

客服