收藏 分销(赏)

YY市110KV变电站一次设计任务书及原始资料.doc

上传人:精**** 文档编号:2769411 上传时间:2024-06-05 格式:DOC 页数:3 大小:49.04KB 下载积分:5 金币
下载 相关 举报
YY市110KV变电站一次设计任务书及原始资料.doc_第1页
第1页 / 共3页
YY市110KV变电站一次设计任务书及原始资料.doc_第2页
第2页 / 共3页


点击查看更多>>
资源描述
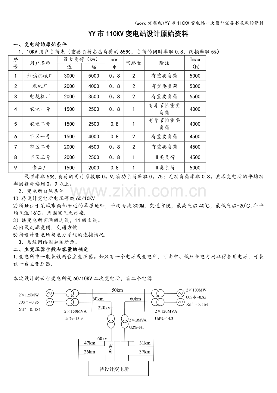
(word完整版)YY市110KV变电站一次设计任务书及原始资料 YY市110KV变电站设计原始资料 一、变电所的原始条件 1.10KV用户负荷表(重要负荷占总负荷的65%,负荷的同时率取0.8,线损率取5%) 序 号 用户名称 最大负荷(kw) cosφ 回路数 附注 Tmax(h) 近 远 1 红旗机械厂 3000 5000 0。8 2 有重要负荷 5000 2 农机厂 2000 4000 0。8 2 有重要负荷 5000 3 电视机厂 2000 3500 0。8 2 有重要负荷 5500 4 农电一号 1500 2500 0。8 1 有季节性重要负荷 4000 5 农电二号 1500 2500 0.8 1 有季节性重要负荷 4000 6 市区一号 1500 4000 0.8 2 有重要负荷 4500 7 市区二号 2000 4500 0。8 2 有重要负荷 4500 8 市区三号 2000 2500 0。8 1 Ⅲ类负荷 4500 9 食品厂 1500 2000 0.8 1 Ⅲ类负荷 5000 线损率取5%,负荷的同时系数取0。9,有功负荷率取0。75;无功负荷率取0.8。要求变电所的平均功率因数补偿到0。9以上。 2.变电所自然条件 1)待设计变电所电压等级60/10KV 2)所址位于某城市南部附近的草原地带,平均海拔300M,交通方便,最高气温40℃,最低气温-20℃,年平均气温16℃。周围空气无污染. 3)该变电所有两回进线,14回出线。 4)出线走廊宽阔,交通方便. 5)待设计变电所与电力系统的连接情况. 3.系统网络图如图所示: 二、主变压器台数和容量的确定 1.变电所中一般装设两台主变压器。如只有一个电源或变电所,可由中、低压侧电力网取得备用电源,可装设一台主变压器. 本次设计的云台变电所是60/10KV二次变电所,有二个电源 待设计变电所 47km 26km 31km 37km 30km 2×63MVA Ud%=14.1 2×120MVA Ud%=14.3 2×100MW COSф=0.85 Xd″=0.154 50km 60km 60km 220kv 60kv 2×150MVA Ud%=13.9 2×125MW COSф=0.85 Xd″=0.184 没有备用电源,所以选择两台主变压器. 2。变电所中,主变压器一般采用三相式变压器,其容量应根据电力系统5-10年的发展规划进行选择。装有两台及以上主变压器的变电所中,当一台断开时,其余主变压器的容量至少能保证所供的全部一级负荷或为变电所全部负荷的60—75%,云台变电所主要是为工厂供电,重要负荷占总负荷的70%,考虑线损5%,单台变压器的容量应为:SB≥SΣ·0.7(1+5%). 3.变电所中的主变压器在系统调压有要求时,一般采用有载调压变压器,对于新建的变电所,从网络经济运行的观点考虑,应注意选用有载调压变压器,其所附加的工程造价通常在短期内是可以回收的。 4。变压器绕组的连接方式必须和系统电压相位一致,否则不能并列运行,电力系统采用的绕组连接方式只有“Y”型和“Δ”型,高、中、低三侧绕组如何组合要根据具体工程来确定,云台变电所采用Y0/Δ-11点接线,考虑到容量及负荷的重要性,选择 有载调压变压器。 5.根据计算,确定变压器型号为: SFZ7—10000/63 S—三相 F—油浸风冷 Z—有载调压 7—设计序号 10000—额定容量(KVA) 63-高压侧额定电压(KV) 三、设计内容及任务 1.负荷分析及选择主变压器的台数、容量及型号 2.主接线选择 (1) 根据设计原始资料要求,选择2—3个可能采用的主接线方案。 (2) 技术可靠性、经济合理性等方面进行综合分析比较,确定一种较合理的主接线方案。 (3) 说明主接线的主要运行方式。 3.确定无功补偿的方式。若采用电力电容器补偿,应: (1) 选择补偿电力电容器的容量及接线方式. (2) 选择电力电容器的型号及数量。 4.选择所用变压器的容量、台数及接线方式。 5.确定主变压器中性点的运行方式.若需装设消弧线圈,应选择消弧线圈,应选择消弧线圈的容量、台数及型号。 6.配电装置的规划。 7.短路电流计算 (1) 确定最大运行方式,计算各短路点的三相短电流。 (2) 确定最小运行方式,计算有关短路点的三相和二相短路电流. 8.主要电气设备的选择 (1)选择各电压等级的断路器、隔离开关、电流互感器、电压互感器、母线、电缆的型号及规格。 (2)对断路器、隔离开关进行校验。 (3) 对一电压等级的硬母线及其支持绝缘子和穿墙套管进行校验. (4) 对任一回路的电流互感器,确定二次接线方式,配置必要的测量表计,选择二次导线的截面积,检验电流互感器的动、热稳定。 (5) 对任一回路的电压互感器,确定二次接线方式,配置必要的测量表计,计算各相最大负荷,确定电压互感器的容量、配置高压熔断器。 9.变电所的防雷规划,并配置主接线中的常规避雷器。 四、设计成果 1。设计说明书、计算书各一份(也可写在一起) 2。电气主接线图一张 3.全站总平面布置图一张 4。110KV配电装置进线间隔断面图一张 5.10KV屋内配电装置小间配置图一张 6.避雷针保护范围圈一张(合) 五、设计要求 设计说明书、计算书条理清楚,论述与计算正确,文字通顺,图纸整洁,符合规范。
展开阅读全文

开通  VIP会员、SVIP会员  优惠大
下载10份以上建议开通VIP会员
下载20份以上建议开通SVIP会员


开通VIP      成为共赢上传

当前位置:首页 > 包罗万象 > 大杂烩

移动网页_全站_页脚广告1

关于我们      便捷服务       自信AI       AI导航        抽奖活动

©2010-2025 宁波自信网络信息技术有限公司  版权所有

客服电话:0574-28810668  投诉电话:18658249818

gongan.png浙公网安备33021202000488号   

icp.png浙ICP备2021020529号-1  |  浙B2-20240490  

关注我们 :微信公众号    抖音    微博    LOFTER 

客服