收藏 分销(赏)

年产170万m2彩钢夹芯板建设环境评价报告书.doc

上传人:胜**** 文档编号:2741855 上传时间:2024-06-05 格式:DOC 页数:51 大小:497.50KB 下载积分:10 金币
下载 相关 举报
年产170万m2彩钢夹芯板建设环境评价报告书.doc_第1页
第1页 / 共51页
年产170万m2彩钢夹芯板建设环境评价报告书.doc_第2页
第2页 / 共51页


点击查看更多>>
资源描述
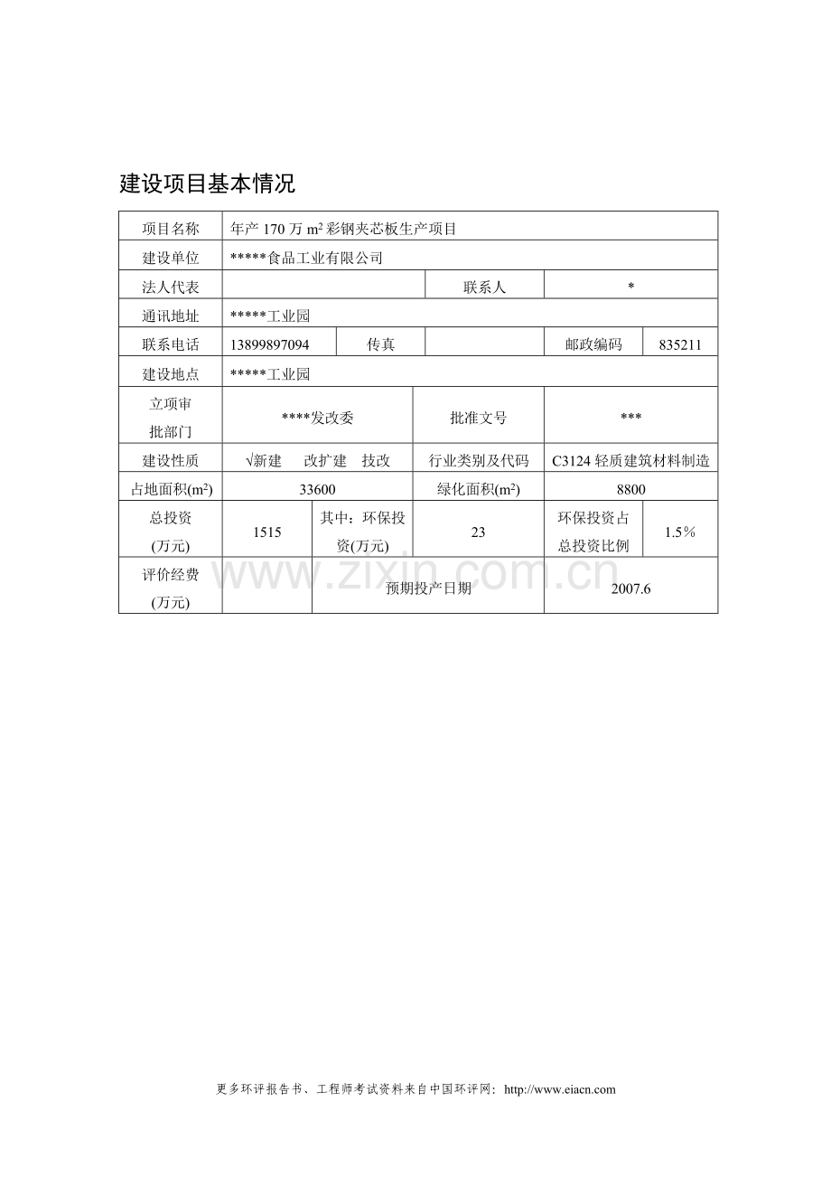
归档资料,核准通过。 未经允许,请勿外传! 《建设项目环境影响报告表》编制说明 《建设项目环境影响报告表》由具有从事环境影响评价工作资质的单位编制。 1.项目名称——指项目立项批复时的名称,应不超过30个字(两个英文字段作一个汉字)。 2.建设地点——指项目所在地详细地址,公路、铁路应填写起止地点。 3.行业类别——按国标填写。 4.总投资——指项目投资总额。 5.主要环境保护目标——指项目周围一定范围内集中居民住宅区、学校、医院、保护文物、风景名胜区、水源地和生态敏感点等,应尽可能给出保护目标、性质、规模和距厂界距离等。 6.结论与建议——给出本项目清洁生产、达标排放总量控制的分析结论,确定污染防治措施的有效性,说明本项目对环境造成的影响,给出建设项目环境可行性的明确结论。同时提出减少环境影响的其它建议。 7.预审意见——由行业主管部门填写答复意见,无主管部门项目,可不填。 8.审批意见——由负责审批该项目的环境保护行政主管部门批复。 建设项目基本情况 项目名称 年产170万m2彩钢夹芯板生产项目 建设单位 *****食品工业有限公司 法人代表 联系人 * 通讯地址 *****工业园 联系电话 13899897094 传真 邮政编码 835211 建设地点 *****工业园 立项审 批部门 ****发改委 批准文号 *** 建设性质 √新建 改扩建 技改 行业类别及代码 C3124轻质建筑材料制造 占地面积(m2) 33600 绿化面积(m2) 8800 总投资 (万元) 1515 其中:环保投资(万元) 23 环保投资占 总投资比例 1.5% 评价经费 (万元) 预期投产日期 2007.6 工程内容及规模: 1.项目建设背景及建设的必要性 随着哈萨克斯坦经济的快速发展,对建筑材料的需求量日益旺盛。聚苯乙烯塑料保温板及彩钢夹芯板的需求量巨大,目前哈萨克斯坦境内处于供不应求的状态,产品销售有着巨大的市场。在此基础上,*****食品工业有限公司拟在中哈边境的*****工业园建立聚苯乙烯保温板及彩钢夹芯板生产基地,产品所用原料在中国采购,成本相对哈国较低。聚苯乙烯塑料保温板及彩钢夹芯板生产线利用中国的先进技术和设备以及丰富的劳动力资源。总的生产成本与在哈萨克斯坦境内生产相比低近三分之一。故在哈萨克斯坦及其它中亚国家市场具有很强的市场竞争力。 2.建设项目概况 项目名称:年产170万m2彩钢夹芯板生产项目 建设单位:*****食品工业有限公司 建设性质:新建 项目投资:1515万元 占地面积: 33600m2 建设地点:*****工业园 建设内容:聚苯乙烯塑料保温板生产线一条,生产规模为400万m3/a,彩钢夹芯板生产线一条,生产规模为170万m2/a。 具体建设内容详见表1。 表1 项目主要建构筑一览表 序号 建构筑物名称 建筑面积(m2) 备注 1 彩钢夹芯板车间一座 4000 170万m2/a 2 聚苯乙烯塑料保温板 生产车间一座 4000 400万m3/a 3 库房 3000 产品 4 配电室 1605 辅助设施 5 办公楼一座 6 试验中心 合计 12605 3.拟选用主要生产设备 新建项目拟选用设备见表2所列: 表2 拟选主要生产设备一览表 序号 项目名称 设备名称 单位 数量 备注 1 彩钢板生产线 复合板机组 台 2 - 2 压型板机组 台 13 - 3 行车 台 3 - 4 聚苯乙烯塑料保温板生产线 YF1/2-900型预发机 台 1 ― 5 LH900A型流化床 台 1 - 6 6米自动板材切割机 台 2 - 7 6米自动板材成型机 台 2 - 8 鼓风机 台 2 - 9 空压机 台 2 - 4.公用工程 (1)供水:本项目主要用水为生活用水及绿化用水,由*****水厂供给。 (2)排水:项目主要排水为生活污水,可直接排入*****工业园下水管网。 (3)供热:本项目在工艺中使用蒸汽,由本公司面粉厂锅炉供给,本公司面粉厂设置2台10t/h蒸汽锅炉,可满足本项目工艺中所需蒸汽。 (4)供电:由*****工业园供电电网供给,电力供应可以保证生产。 5.劳动定员 本项目拟定员55人,其中管理人员10人、技术人员5人,操作工人40人。 6.工作天数 全年生产天数拟定为300天,三班制生产。 7.项目投资与实施进度 本项目计划总投资1515万元,全部为企业自筹资金。 项目计划2007年3月份开始筹备,项目建设期为5个月,预计2007年8月完工投产。 与本项目有关的原有污染情况及主要环境问题: 本项目为新建项目,不存在原有污染情况。项目所在地为*****工业园内,经现场踏勘,项目所在区域大多为空地,厂址东侧为一家轻钢龙骨生产厂、北侧为塑料制品加工厂。 更多环评报告书、工程师考试资料来自中国环评网: 建设项目所在地自然环境社会环境简况 自然环境简况(地形、地貌、地质、气候、气象、水文、植被、生物多样性等): 一、自然环境概况 1.1 地理位置 项目位于*****口岸的工业园,具体位置为园区1号路以东、C号路以南的建材加工区内。 交通较为便利。 具体位置见地理位置图。 1.2 地形、地貌 拟建项目位于*****口岸的工业园内,*****河山前倾斜平原冲、洪积扇中部,海拔在750~840m之间,地势由北向南倾斜,坡度在1.7%左右,东西向基本平行于等高线。以卡拉苏河为界,河西为*****河河床,现为河漫滩地,地面以卵石为主,河东地势较平坦,有1~2m厚的亚砂粘土层,其下为卵石层。 1.3工程地质 地区表土层厚1~2m,以下为深厚的砂卵石、 砾卵石层。口岸段河滩宽1~5km。上游呈V型, 河段分为三条支流,其平均长约7km, 在下游又汇成一条主流,河床为砂、卵石,两岸由深厚的第四纪黄土层,洪积砂、卵石层所覆盖。卡拉苏河以东的亚沙粘土层地面承载力在100~150 KPa左右, 河西卵石层地面承载力在360~400 KPa左右,工程地质条件很好, 并有丰富的 砂石料,便于就地取材,有利于城镇建设。 1.4气候特征 *****口岸地处伊犁河北部,由于北天山和中天山 的阻拦,即受温带天气系统左右,又受干热气流影响,具有气候温暖湿润的特点。年均降水量为203.8mm, 蒸发量为1877.5mm;年平均气温为8.9℃, 极端最高气温为38.5℃,极端最低气温为-37.4℃,>10℃积温为3911℃;无霜期169.6天,一般初霜在9月下旬,终霜在翌年的4 月中旬;历年各月最大集雪深度30~40cm,最大冻土深度92cm;年均日照时数在2595~3030h之间;该地区全年主导风向为东北偏东风,春季盛行东北风,夏季盛行东风,秋冬两季以北风为主;年均风速1.7~2.7m/s之间。 1.5水资源概况 现状供水主要来源于以开采地下水为主的*****水厂,供水量为1000 m3/d,夏季为2000 m3/d左右;农业灌溉主要取东风干渠。 (1)地表水 *****口岸的主要水系有*****河、卡拉苏河和东风干渠。*****河是中国与哈萨克斯坦边境上的一条界河,发源于阿塔什山,属山区性河流,从发源地到伊犁河全长137.5km。流域面积1360km2,其中,在我国境内630.9km2。*****河的补给水源以山区融雪补给为主,以降雨补给为辅,河水年平均流量为7.13 m3/s。 近几年,中方与哈方共同管控、合理使用*****界河水资源,使*****河保障着中国40万亩农田、10多万居民和哈萨克斯坦45万亩草场、3万多居民的用水。 *****河在12月~次年3月流量为4 m3/s,4~5月20日为4~5 m3/s,5月20日~7月为洪水期,流量为35 m3/s,洪水流量最大可达200 m3,从9月份水量开始减少,9~10月份为25m3/s,11月份为8~9m3/s。 东风干渠是该地区的土地灌溉渠,来源于*****河,枯水期流量为1m3/s,丰水期可达9m3/s,东风干渠穿城而过,系农田灌溉渠道,距城北约7km引用*****河河水,冬季停灌无水。 卡拉苏河为泄洪河流,水流速为3.5m3/s,从*****口岸穿过,属季节性河流,丰水期(6~7月)水量可达6 m3/s,卡拉苏河系*****河下游支流,紧靠口岸西南边缘,河西为*****河古河床,因上游截流引水灌溉,平常无水,只在洪水期中为泄洪河道。 (2)地下水 *****河在通过河道及渠道的渗漏,形成地下水。在河漫滩上部,储存于中上,颗粒比较粗的粒卵石层中,一般为较为单一建构的孔隙水。该区域地下水的补给主要是*****河垂直入渗后色相运移的结果;区内渠及田间灌溉入渗也占一定的比重,大气降水仅增大包气带的湿度,对地下水的补给并无实际意义。 *****口岸的水源地位于口岸北部建成区上游,距口岸中心区3.5km处,该处地下水井深约在140m处,岩性颗粒的粗砾卵石居多,含有层厚度可达60m,地下水埋深70m左右,制革厂区机井动水位70m,静水位是90m。单井月出水量在200t以上。其化学类型为HCO3-C3,水矿化度小于1g/l。现已建成了供水能力为6000m3水厂一座,水源采用地下水,现有水源井三眼,1000m3的清水池一座,已建D300mm水管3.0km。 由于*****口岸处于上游地区,可供利用地表和地下水资源总量可以满足工业园用水。 1.6场地地震效应评价 依据《中国地震烈度区划图》确定,项目厂址所在区域抗震设防烈度为7度,设计地震加速度值为0.15g,第二组。 社会环境简况: *****口岸隶属于伊犁哈萨克自治州,行政和查验单位有国家在口岸设置的一关二检,口岸管委会为自治州人民政府的派出机构,并由自治区人民政府授权行使县级人民政府行政管理权限和口岸管理职能,现辖区总面积12.5km2。 西界:以拦畜网向东平移100-250m不等为界;北界:以水厂北白卡子处为界;南界:从口岸亚欧路三角岛中心向正南方向5.8km处;东界:以东风干渠为界。与其相邻的62团团部仅3km。 (1)人口分布情况 *****口岸人口的发展受国际气候影响较大,当国际贸易大发展时,实际有居住人口4000人左右,暂住一年以上人口3000人左右,通勤人口1000余人;当国际贸易萧条时,实有居住人口3000人左右;暂住一年以上人口2000人左右,通勤人口6000人左右。*****口岸人口特点是流动人口、暂住人口和通勤人口规模较大,且人口季节性变动较大,到2005年底,*****口岸建成区常住人口为12111人(含通勤人口),暂住人口约20000人。 (2)社会经济 2005年,*****口岸实现生产总值29200万元,年均增速43%。其中:第二产业完成增加值12600万元;第三产业完成增加值16600万元;实现财政收入5561万元,年均增长51.8%。口岸实现进出口贸易额81781万美元,年均增速13.3%,其中:进口6077万美元,出口75704万美元。 *****口岸已初步建成以皮革加工业为龙头,以食品、纺织、建材、化工等行业为重点,多产业融合发展的进出口商品加工基地。2005年,*****工业园区开工企业5家,入住企业14家,主要行业有:制革、纺织与服装加工、食品加工、油漆化工、塑料制品等。2005年累计实现工业总产值2.1亿元,完成工业增加值5490万元,实现产品销售收入23392.3万元,上缴各项税金837.2万元,实现利润1112万元,其中卡森皮革一家实现产值19638万元,利润1170万元,完成税收1108.4万元。 目前口岸有小学一所,医院一所,教育医疗机构较完备,政府机构齐管理职能完善 *****口岸完成固定资产投资1.5亿元。口岸城市绿化、亮化工程、友谊路商业街、卡拉苏河商业街、天润大酒店、中央商务区等项目的建设,提升了*****口岸城市整体形象。口岸一般预算收入5561万元,年均增速51.8%。*****口岸实现社会消费零售总额4500万元,年均增长33.6%。 文化、体育、卫生和广播事业健康发展,计划生育克服了口岸流动人口多,人员配置少等困难,取得一定进步;生态建设和环境保护进一步加强;2005年*****口岸人均可支配收入9540元,在州直处于较高的水平。2005年开发就业岗位1028个,安置各类就业人员973人,城镇登记失业率控制在3%以内,培训各类人员1005人,培训合格率达97%。口岸社会保险体系框架初步建立,各类业务快速发展,养老保险基本覆盖各类企业和企业化管理的事业单位,个体和私营经济组织参保面逐步扩大,基金征缴率达98%,失业保险已覆盖全部事业单位和大部分企业,医疗保险覆盖整个机关事业单位,企业参保率达80%,工伤保险和生育保险全面启动。 以老霍城为中心的约3030km2土地上,有耕地65万亩,可垦荒地5万亩,草地 180万亩,水域6万亩。生物资源:植物、动物品种繁多;粮食作物以小麦、玉米、水稻为主;经济作物以棉花、甜菜、油葵、烟草为主;天然林约18.6万亩,人工林25万亩。此外还有分布广泛、品种繁多的野果林和人工果林、葡萄园林,所产水果品质佳、产量高,极受中外消费者喜爱,开发潜力很大;野生植物有芦苇、野麻、 甘草、贝母、苍耳等。矿产资源:煤储量丰富。旅游资源:诸如元代都城阿勒玛力遗址、成吉思汗七世孙墓、惠远古城、拱寰古城、可克达拉草原、果子沟、赛里木湖等都是理想的旅游、考古、休闲胜地。 (3)旅游资源 *****口岸随着边民互市、旅游购物贸易的迅速发展,进出境人员、旅游团、游客人数也在不断增加。口岸的旅游资源主要有国门,阿勒玛里附近有***阿勒玛里古城,吐虎鲁克铁木尔墓,***拱寰城,****克克达拉草场,红旗水库,离口岸近百公里内有****风景区,****风景区,大西沟风景区、惠远古城等。 环境质量状况 建设项目所在地区域环境质量现状及主要环境问题(环境空气、地面水、地下水、声环境、生态环境等): 1.大气环境质量现状调查与评价 本项目厂址位于*****工业园内,大气环境现状调查选用口岸现有监测数据。 (1)大气环境现状监测 2006年1月19日-23日,由*****环境监测中心站对所在地环境空气质量现状进行了一期监测,本次监测时间为连续监测五天。 a.监测布点 根据*****口岸的废气污染特征以及环境空气评价等级,结合周围自然环境和居民区分布情况和常年主导风向,确定本次评价环境空气质量现状监测选取2个监测点,具体监测点、监测项目和采样频率见表3。 表3 大气监测布点 序号 监 测 点 位 置 监测项目 备 注 1# ****有限公司 工业区中心 SO2、TSP、NO2,同步记录气象条件。 各污染因子监测及分析方法按《环境监测技术规范》(大气部分)执行。 2# ***大酒店 工业区东 b.监测项目及分析方法 此次评价大气环境质量现状监测项目为:TSP、SO2、NO2。各项目的采样及分析方法均按国家环保局颁布的《空气和废气监测分析方法》、《环境监测技术规范》中的有关规定执行,见表4。 表4 大气监测采样及分析方法 编号 项目名称 采样吸收 方法 分析方法 方法来源 最低检出浓度(mg/m3) 1 SO2 甲醛缓冲 溶液 盐酸付玫瑰苯胺分光光度法 GB/T 15262-94 0.003 2 NO2 对氨基苯磺酸 盐酸奈乙二胺分光光度法 GB/T 15435-95 0.002 3 TSP 玻璃纤维滤膜 重量法 GB/T15432-95 c.监测时间和频率 监测时间为2006年1月19日-23日,连续监测五天,SO2、 NO2每天采样时间不小于18小时,TSP每天采样时间不小于12小时。 d.监测结果统计 各监测点污染物SO2、NO2、TSP现状监测结果日均值浓度范围、超标率等结果汇总见表5。 表5 现状监测各测点结果汇总表    (mg/m3) 污染物 监测点 第一天 第二天 第三天 第四天 第五天 最大超标倍数 SO2 1# 0.018 0.008 0.012 0.022 0.005 0 2# 0.012 0.010 0.004 0.004 0.007 0 NO2 1# 0.089 0.113 0.090 0.137 0.046 0 2# 0.101 0.050 0.166 0.028 0.231 0.93 TSP 1# 0.0399 0.0306 0.0348 0.0487 0.0658 0 2# 0.0694 0.0964 0.1226 0.1754 0.1322 0 (2)大气环境质量现状评价 a.大气环境质量评价标准 大气环境质量现状评价采用《环境空气质量标准》(GB3095-1996)中的二级标准及国家环保总局环发[2000]1号文“关于发布《环境空气质量标准》(GB3095-1996)修改单的通知”标准进行,见表6。 表6 大气环境质量标准    (mg/m3) 污染物名称 SO2 NO2 TSP 取值时间 日平均 年平均 日平均 年平均 日平均 年平均 浓度限值 0.15 0.06 0.12 0.08 0.30 0.20 b.评价方法 选用单项污染指数法进行评价,公式为 Ii=Ci/Coi 式中:Ii——i污染物的分指数; Ci——i污染物的浓度,mg/m3; Coi——i污染物的评价标准,mg/m3。 c.评价结果 ①现状监测结果分析 对照表6环境空气质量标准,由表5各监测点日均浓度看出:评价项目所在区域内大气环境监测结果表明,各监测点SO2日均浓度值在0.004-0.022mg/m3之间, TSP日均浓度值在0.0306-0.1754mg/m3之间, TSP、SO2均未超出《环境空气质量标准》(GB3095-1996)二级标准日均浓度限值。NO2日均浓度值在0.046-0.2310mg/m3之间,NO21月21日、22日出现超标现象,其他时间未超标。超标原因为汽车尾气排放及燃煤废气排放所致。 ②各污染物浓度日变化分析 由表5可以看出,五天内,SO2日均浓度较稳定,五日均值变化不大,未超出评价标准限值,TSP、NO2变化幅度较大,NO2个别时间超出评价标准限值。 ③污染指数及分担率 对大气环境质量现状结果进行单项污染指数分析,当Ii<1 时,表示大气中污染物浓度不超标;当Ii>1 时,表示该污染物浓度超过评价标准。评价区域大气环境质量现状结果各污染物污染指数及分担率见表7。 表7 大气环境质量区域单项污染指数及分担率 采样点 ISO2 分担率(%) INO2 分担率(%) ITSP 分担率(%) 1# 0.147 9.75 1.142 75.73 0.219 14.52 2# 0.080 3.9 1.383 67.5 0.585 28.6 由表7可以看出,项目所在区域区域大气环境中,TSP、SO2污染物日均值单项污染指数均小于1,NO2污染物日均值单项污染指数均大于1,说明TSP、SO2污染物在监测期间的日均浓度值低于《环境空气质量标准》(GB3095-1996)二级标准日均浓度限值;NO2污染物在监测期间的日均浓度值高于《环境空气质量标准》(GB3095-1996)二级标准日均浓度限值。各污染物以NO2分担率为最大,单项污染指数排序为INO2>ITSP>ISO2,区域环境空气中的主要污染物为NO2,其次为TSP。 d.小结 综上所述,项目所在区域内各监测点大气环境质量现状监测TSP、SO2日均浓度均未超出《环境空气质量标准》(GB3095-1996)中的二级标准;NO2日均浓度个别时段超出《环境空气质量标准》(GB3095-1996)中的二级标准。区域环境空气中各污染物的污染指数排序为INO2>ITSP>ISO2,区域环境空气中的主要污染物为NO2,其次为TSP。 2.水环境现状调查与评价 2.1地表水环境现状调查与评价 (1)现状监测 本次环评选取2006年1月18日*****水环境监测分中心对拟建项目周围水环境的水质现状监测资料。 a.监测断面设置 *****河的集水面积1160km2,长为146.4km,平均年径流量是4.216×108m3。枯水期是每年的十一月到次年的三月,12月的平均流量是4.27m3/s,11月的平均流量是5.06m3/s,1月的平均流量是5.63m3/s,2月的平均流量是4.85m3/s,3月的平均流量是4.32 m3/s。由于*****河是一条界河,取水区在警戒范围内,对监测带来一定困难。 地表水环境质量现状监测站位:*****河上游,三道河子站下游。 为了解区域周围水环境的水质现状,设置2个监测断面,具体断面、监测项目和采样频率见表8。 表8 地表水环境现状监测断面一览表 水体 监测断面 监测项目 采样频率 *****河 *****河上游 CODCr、BOD5、SS、硫化物、砷化物、总磷、氨氮、Cr6+、总汞、总铅等。 采用例行监测数据 三道河子站下游 一期,连续三天,每天采样一次。保证一天监测上述所有项目,其它两天监测CODCr、BOD5、SS、氨氮。 b.分析方法 根据评价区域地表水水质功能,确定水质监测项目为:总磷、硫化物、五日生化需氧量、氨氮、六价铬、化学耗氧量、砷化物、悬浮物、总汞、总铅。采样和分析方法按照国家环保局《环境监测技术规范》进行,地表水环境质量现状评价依据《地表水环境质量标准》GB3838-2002(Ⅲ类),见地表水环境质量标准监测项目分析方法(摘录)表9,监测结果见表10。 表9  地表水环境质量标准监测项目分析方法(摘录) 序号 监测项目 分析方法 最低检出限 (mg/L) 方法来源 1 SS 重量法 GB 11901-89 2 CODcr 重铬酸盐法 10 GB 11914-89 3 BOD5 稀释与接种法 2 GB 7488-87 4 氨氮 纳氏试剂比色法 0.05 GB 7479-87 5 总磷 钼酸铵分光光度法 0.01 GB 11893-89 6 硫化物 亚甲基蓝分光光度法 0.005 GB/T 16489-1996 7 Cr6+ 二苯碳酰二肼分光光度法 0.004 GB 7467-87 8 Hg 冷原子吸收分光光度法 0.00005 GB 7468-87 9 铅 原子吸收分光光度法 0.01 GB 7475-87 10 砷 二乙基二硫代氨基甲酸银分光光度法 0.007 GB 7485-87 表10 地表水监测数据 序号 项目 *****河上游(mg/l) 三道河子站下游(mg/l) 1 总磷 0.02 0.02 2 硫化物 0.002 0.002 3 五日生化需氧量 2.0 2.4 4 氨氮 <0.05 <0.05 5 六价铬 <0.004 <0.004 6 化学耗氧量 <10 12.7 7 砷化物 <0.007 <0.007 8 悬浮物 <2.75 22.2 9 汞Hg <0.0001 <0.0001 10 铅Pb <0.01 <0.01 (2)现状评价 a.评价方法 采用单因子标准指数法进行评价。 其中pH的标准指数计算表达式为: 或 式中:——的单因子指数,无量纲; ——所测断面pH值,无量纲; ——地面水水质标准中规定的pH值下限,无量纲; ——地面水水质标准中规定的pH值上限,无量纲。 其中DO的标准指数计算表达式为: 或 式中:——DO的单因子指数,无量纲; ——所测断面溶解氧浓度,mg/L;   ——饱和溶解氧浓度,mg/L;    ——溶解氧的地面水水质标准,mg/L。 其它项目标准指数计算表达式为: 式中:——i类污染物单因子指数,无量纲; ——i类污染物实测浓度平均值,mg/L;   ——i类污染物的评价标准值,mg/L。 根据污染物单因子指数计算结果,分析地表水环境质量现状。 b.评价标准及结果 评价标准采用《地表水环境质量标准》(GB3838-2002)中的Ⅲ类标准,作为*****口岸水源地之一的*****河的地表水水质9个监测项目均不超过《地表水环境质量标准》(GB3838-2002)中的Ⅲ类标准。见表11。 表11   地表水评价标准及评价结果 单位:mg/l 序 号 项 目 评价标准 *****河上游 三道河子站下游 Ⅲ类 监测值 评价指数 监测值 评价指数 1 总磷 0.2 0.02 0.1 0.02 0.1 2 硫化物 0.2 0.002 0.01 0.002 0.01 3 BOD5 4 2.0 0.5 2.4 0.6 4 NH3-N 1.0 <0.05 <0.05 <0.05 <0.05 5 Cr6+ 0.05 <0.004 <0.08 <0.004 <0.08 6 COD 20 <10 0.5 12.7 0.635 7 As 0.05 <0.007 <0.14 <0.007 <0.14 8 Hg 0.0001 <0.0001 <1 <0.0001 <1 9 Pb 0.05 <0.01 <0.2 <0.01 <0.2 2.2地下水环境现状调查与评价 (1)现状监测 2006年1月18日,伊犁水环境监测分中心实施监测对*****工业园周围区域地下水的水质现状进行了一期监测,监测一天,取样一次。 a.监测点的设置 按照国家有关的采样规定,地下水采样点位只设一个,本采样点设在*****皮革有限公司,利用自备水井取水监测地下水。该井深140m,含水层厚为60m,静水水位90m。具体点位、监测项目和采样频率见表12。 表12 地下水质量现状监测点一览表 序号 监测点 监测项目 采样频率 GW1 *****皮革有限公司 pH、氰化物、氯化物、氟化物、总硬度、高锰酸盐指数、挥发酚、氨氮、Cr6+、砷 一期,采样一次 b.分析方法 按照《生活饮用水检验规范》(2001)中规定的监测方法进行。 (2)现状评价 a.评价方法 对地下水质量监测结果进行统计,评价方法采用《地下水质量标准》(GB/T14848-93)规定的单组分评价和综合评价方法。 单组分评价方法采用单因子标准指数法进行评价。 根据表13中相应的质量类别数据,确定单项组分评价分值Fi。 表13 单项组分评价分值 级别 Ⅰ Ⅱ Ⅲ Ⅳ Ⅴ 0 1 3 6 10 综合评价模式如下: 式中:——各单项组分评分值Fi的平均值; Fmax——单项组分评价分值Fi中的最大值; n——项数。 b.评价标准 本次地下水水质现状评价执行《地下水质量标准》(GB/T 14848-93)中的Ⅲ类标准,根据单组分评价和综合评价计算结果,对照表14确定*****工业园区所在区域的地下水质量级别。 表14 地下水质量级别划分表 级别 优良 良好 较好 较差 极差 F <0.8 0.8~<2.50 2.50~<4.25 4.25~<7.20 >7.20 c.监测统计及评价结果 地下水环境现状监测统计及评价结果见表15,其中未检出项目取其测定下限值用于评价。 表15 地下水水质监测统计及评价结果表 单位: mg/L(pH除外) 序号 项目 监测值(mg/l) 标准值 类别 Fi 1 PH 7.8 6.5~8.5 Ⅰ 0 2 总硬度 109 300 Ⅰ 0 3 挥发酚 <0.002 0.002 Ⅲ 3 4 氯化物 9.33 250 Ⅰ 0 5 氰化物 <0.004 0.05 Ⅱ 1 6 砷 <0.007 0.01 Ⅰ 0 7 六价铬 <0.004 0.05 Ⅲ 3 8 氨氮 <0.05 0.2 Ⅲ 3 9 高锰酸盐指数 3.0 3.0 Ⅲ 3 10 氟化物 0.34 1.0 Ⅰ 0 由计算可知,F=3.3,对照表14地下水质量级别划分标准,结合表15的监测评价结果可知,评价范围内的地下水环境质量总体状况较好,未受到污染,符合《地下水质量标准》(GB/T 14848-93)中的Ⅲ类标准。 3.声环境 为了解工程所在区域环境噪声现状,按《环境监测技术规范》对项目区域声环境进行监测。 (1)监测布点 根据拟建项目的地理位置与环境特点,噪声环境现状调查范围为 拟建项目范围,项目区布设4个监测点,分布在项目区边界东、南、西、北面。 (2)监测方法 依照GB/T14623-93《城市区域环境噪声测量方法》和《环境监测技术规范》进行噪声监测,监测仪器使用AWA6218型噪声统计分析仪,监测前用声级校准器进行校准,测量时传声器距地面1.2m,传声器戴风罩进行监测,监测时间2007年4月1日,监测结果见表16。 表16 噪声监测结果 单位:dB(A) 项目区周围 东 南 西 北 评价标准 监测值 pi 监测值 pi 监测值 pi 监测值 pi 昼间 51.5 0.792 47.2 0.726 48.9 0.752 50.0 0.769 65 夜间 未测 - 未测 - 未测 - 未测 - 55 (3)评价标准 根据《城市区域环境噪声标准》适用区域划分规定及该项目所处地理位置,项目所处区域应执行《城市区域环境噪声标准》(GB3096-93)中3类区标准,即昼间65dB(A),夜间55dB(A)。 (4)评价方法 现状评价方法采用噪声污染指数法,计算公式为: Pn=Leq/Lb 各监测点等效A声级计算方法: 式中:Leq——在T段时间内的等效连续A声级,dB(A); Li——第i次读取的A声级,dB(A); N——取样总数。 (5)评价结果 从表17的监测结果可以看出,项目区昼间噪声监测值均符合《城市区域环境噪声标准》GB3096-93中的3类区标准限值,因厂址所在区域为*****工业园,入驻企业较少,周围企业都处在前期筹备阶段,场地噪声略高于背景噪声值,夜间噪声明显好于昼间。评价区域声环境质量较好。 4.区域生态环境现状 (1)自然植被现状调查 a.主要植物种类及土壤类型 土壤类型有3个大类、6个亚类、18个土种;主要有灰钙土、潮土和盐土。城区内主要为灰钙土和戈壁,其肥力低、易板结通透性差,有机质含量低,不适宜农业用地。口岸辖区外围为62团的农用地,其土壤类别包含以上三种,其中,潮土肥力高,占62团区域土壤的29%。口岸规划区内植被由草本植物、灌木、半灌木、和小乔木组成。辖区内有果园和农田分布其中。 根据实地调查,规划区内植物为干旱区常见的植物种。木本植物有白杨、河漫滩杨柳、白愉等,大部分属于人工次生林;代表性的草本植物有尼桃蒿、考克沙蒿、喀什蒿、伴有猪毛菜、角果藜伏地肤等。规划区内没有发现濒危、珍稀植物种。 b.植被及植物群落概况 由于受北天山和中天山的阻拦,受温带天气系统左右,又受干热气流影响,和下垫面状况的影响,规划区内的木本植物群落为白杨、河漫滩杨柳、白榆等。白杨属于人工次生林。河漫滩地上分布有灌木、半灌木。 该区域的生境条件比较单一,口岸土地主要以戈壁和荒地为主,导致该区域的生态系统主要以城镇生态系统为主,区域内的植物群落和构成类型都比较单一。规划区内的优势种只有几种。 (2)陆地生物资源 根据我国动物地理区划,*****位于阿勒泰—萨颜岭界哈萨克斯坦区巴尔喀什省,物种丰富,鸟兽繁多。动物区地理区划为伊犁—哈萨克斯坦区。啮齿类动物繁盛有鼠科、仓鼠科等。鸟类数量也较多。 *****口岸规划区中,啮齿类动物有,小家鼠、灰仓鼠、野兔等。兽类有刺猬、伶鼬等。 鸟类有麻雀、家燕、树燕、山斑鸠、灰斑鸠、野鸡等。 (3)水生生态系统现状 *****口岸主要水系有*****河、卡拉苏河和东风干渠,*****河,在河流等地有水生植被分布。沼泽植被有芦苇、香蒲、荆三棱、水冬麦、湿生苔草等。 主要环境保护目标: 根据本项目工程特点及区域环境质量要求状况,确定主要环境保护目标为: 1.大气环境:确保厂址下风向大气环境质量不受新建工程明显的影响,保护该项目所在区域的环境空气质量不低于《环境空气质量标准》(GB3095-1996)中的二级标准。 2.水环境:保证排入下水管网的生活污水水质达到《污水综合排放标准》(GB8978-1996)中三级标准要求,保护项目区域地下水不受生活污水的影响,保持现有使用功能。 3.声环境:保护该项目区域的声环境质量不低于《城市区域环境噪声标准》(GB3096-1993)中3类区标准,厂界噪声达到《工业企业厂界噪声标准》(GB12348-90)中Ⅲ类工业区标准,保护厂界外声环境质量不受拟建项目噪声影响; 4.生态环境:保护区域生态环境不受人为破坏。 评价适用标准 环境质量标准 1.《环境空气质量标准》(GB3095-1996)中的二级标准; 2.《城市区域环境噪声标准》(GB3096-93)中的3类区标准; 3.《地表水环境质量标准》(GB8978-1993)中的Ⅲ类标准; 4.《地下水质量标准》(GB/T14848-93)中的Ⅲ类标准。 污染物排放标准 1.《污水综合排放标准》(GB8978-1996) 中的三级标准; 2.《工业企业厂界噪声标准》(GB12348-90)中Ⅲ类标准; 3.《建筑施工场界噪声限值》(GB12523-90)。 总量控制标准 本项目没有分配总量控制指标,本次环评建议指标: COD: 0.54t/a (员工生活污水排放) 建设项目工程分析 工艺流程简述(图示): 1.主要原料用量及用量 本项目主要原料为成品彩钢卷、可发泡聚苯乙烯颗粒(EPS)。具体原料用量根据设计规模核定。 彩钢卷图片 EPS颗粒 2.生产工艺流程 2.1聚苯乙烯塑料保温板生产工艺流程 主要生产工艺可分为预发、熟化、模压成型、块材切割等过程。 2.1.1预发工段 (1)发泡剂 可发性聚苯乙烯的发泡剂主要是戊烷,分正戊烷和异戊烷。工业品戊烷中,烯烃含量对可发性聚苯乙烯的加工性能影响很大。烯烃含量过高,易于引起产品收缩。 EPS发
展开阅读全文

开通  VIP会员、SVIP会员  优惠大
下载10份以上建议开通VIP会员
下载20份以上建议开通SVIP会员


开通VIP      成为共赢上传

当前位置:首页 > 包罗万象 > 大杂烩

移动网页_全站_页脚广告1

关于我们      便捷服务       自信AI       AI导航        抽奖活动

©2010-2025 宁波自信网络信息技术有限公司  版权所有

客服电话:0574-28810668  投诉电话:18658249818

gongan.png浙公网安备33021202000488号   

icp.png浙ICP备2021020529号-1  |  浙B2-20240490  

关注我们 :微信公众号    抖音    微博    LOFTER 

客服