收藏 分销(赏)

河道砌石综合项目施工专项方案修改后.doc

上传人:快乐****生活 文档编号:2494853 上传时间:2024-05-30 格式:DOC 页数:15 大小:81.04KB 下载积分:8 金币
下载 相关 举报
河道砌石综合项目施工专项方案修改后.doc_第1页
第1页 / 共15页
河道砌石综合项目施工专项方案修改后.doc_第2页
第2页 / 共15页


点击查看更多>>
资源描述
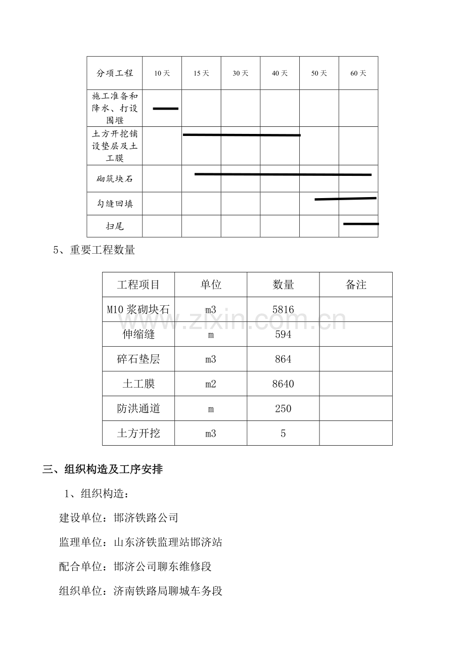
K165+650-K165+960徒骇河河道护砌方案 一、施工方案编制根据 (1).编制根据聊都市水利勘测设计院图号:HJTL-THHHDQ01-06; (2)济南铁路局印发《济南铁路局营业线施工安全管理实行细则》; (3)《铁路工程施工安全技术规程》上、下册; (5)、施工人员历年来积累成功施工技术与经验,施工管理、技术与质量管理水平,技术装备以及各类专业人才等资源条件; (6)、国家和铁道部合用于本工程设计规范、施工技术指南、规程、规则、规定、质量检查与验收原则等; (7)、施工现场调查资料,施工类别为徒骇河桥墩上下游15米范畴内为C类邻近营业施工安全监督筹划。 二、施工概况 1、工程概况本工程位于邯济铁路徒骇河大桥河床东西两侧,分别是主河槽护坡护砌工程和堤脚护砌。浆砌前垫设10cm碎石,土工布满铺,运用M10砂浆及浆砌片石进行护砌。 2、护砌范畴:河道护坡起始桩号119+318,河道护坡结束桩号119+671主河槽(堤脚)M10浆砌块石护坡总长为353米 3.徒骇河大桥西岸,K165+469.70,1-5m盖板涵在上行线侧修建4米宽防洪通道至既有徒骇河大桥西岸马路。工程量长度为250米。 4.、工期规定60日历天。7月1日至9月1日 工期横道图 分项工程 10天 15天 30天 40天 50天 60天 施工准备和降水、打设围堰 土方开挖铺设垫层及土工膜 砌筑块石 勾缝回填 扫尾 5、重要工程数量 工程项目 单位 数量 备注 M10浆砌块石 m3 5816 伸缩缝 m 594 碎石垫层 m3 864 土工膜 m2 8640 防洪通道 m 250 土方开挖 m3 5 三、组织构造及工序安排 1、组织构造: 建设单位:邯济铁路公司 监理单位:山东济铁监理站邯济站 配合单位:邯济公司聊东维修段 组织单位:济南铁路局聊城车务段 施工单位:中铁十局邯济扩能改造工程第一施工处 2、项目部人员组织构造图 项目副经理商登升 技术部张光勇 安质部冯强 作业队长金增锐 刘海涛砌筑护坡队伍 2、施工顺序及布置安排 (1)施工顺序 本工程为邯济铁路徒骇河大桥河道护坡砌石工程。 主河槽护坡施工顺序:围堰施工→降水→小型挖掘机配合人工开挖基本→浆砌护堤齿墙→铺设护坡土工膜→铺设护坡垫层→护坡浆砌→勾缝→养护 堤脚护坡施工顺序:小挖掘机配合人工开挖基本→浆砌堤脚齿墙→铺设堤脚护坡土工膜→铺设护坡垫层→堤脚护坡浆砌→勾缝→养护 (2)施工布置 总体施工安排 依照现场实际状况及工期规定,把本工程划分徒骇河大桥东西二个施工段面:东西两侧分别是主河槽护坡护砌、堤脚护坡护砌。 四、施工准备及机械料具安排 1技术准备 技术交底和熟悉图纸:施工前对施工图和图纸会审纪要组织学习,在设计技术交底基本上做好实行性施工组织设计,编制各核心工序和特殊工序施工办法。贯彻到工长、作业队和班组。逐级交底,交底内容涉及项目经理依照施工方案对本工程总体布置,各工序之间施工安排状况,安全生产、文明施工状况;分层分项交底,贯彻到负责人和操作工人。 将各种技术交底原始资料整顿归档。 在开工前,对测量仪器和实验器材进行全面检查,在项目技术负责承认下方可进行使用。施工前编制测量控制方案,对业主提供水准点、导线点进行复核,复核无误后,沿途布置控制桩,并进行闭合,加以保护。所有测量控制方案经项目技术负责人批准后方可实行测量记录归档保存。 2、重要物质筹划 项目部在开工前向工程指挥部提供详细材料进场筹划,在第一道工序开工前一周安排材料进场,以便监理工程师有充分时间进行材料入场检查。 3、重要机械设备筹划 依照本工程对施工机械使用规定和工程筹划安排,宜选用挖掘机日立ZX200型挖掘机设备进场并按照工期制定机械使用时间。机械设备进场前通过必要保养或维修以保证机械在施工过程中使用率和完好率。 机械设备 序号 机械或 设备名称 规格型号 数 量 国别 产地 制造 年份 备注 1 挖掘机 日立ZX200 2 日本 自备 2 水 准 仪 / 3 1002厂 自备 3 自缷三轮车 / 12 聊城 自备 4 砂浆拌和机 / 4 济南 自备 工种 按工程施工阶段投入劳动力状况 单位:60天 5天 10天 15天 20天 25天 30天 管理人员 6 6 6 6 6 6 电工 2 2 2 2 2 2 后勤 4 4 4 4 4 4 机械工 6 6 6 6 6 6 木工 4 4 4 4 4 4 泥工 4 4 4 4 4 4 普工 20 20 20 20 20 20 石墙工 10 10 10 10 10 10 备注 材料外加工、运送施工人员除外,每班八小时工作制为基本 4、劳动力筹划及劳务分包状况 开工前组织材料、设备、技术管理人员3人,各种技工14人,普工25人,先期进入现场,从事开工必须各种设施建设。以利开工后组织作业工人进场;随后依照现场开工条件,并将依照工程进展状况及时调节人员按照劳动力进度筹划,咱们将分期分批组织30名满足工程所需职工队伍进驻施工现场。进场迈进行入场质量、安全意识教诲,认真组织交底,特殊工种持证上岗。准时入岗后,迅速进入工作状态。 五、重要施工办法及技术办法 1、土方开挖 (1)河道土方开挖前,一方面对河道开挖边线范畴内植被、建筑垃圾及其她杂物进行清理。然后搭设围堰,搭设围堰前对工作面进行现场放线,预留工作面能满足工作和降水规定。围堰采用三层编织袋装土搭设,顶宽不得不大于1.2米。上下层编织袋缝隙要错开,着水面要填筑素土围护。内面用泥浆涂匀,必要时粉刷堵漏灵防止渗水。清挖工作拟采用小型挖掘机配合人工开挖。 (2)开挖过程中,要严格按照设计边坡进行开挖作业,并随时测量校正开挖平面尺寸和标高,以避免浮现严重超欠挖现象。 (3)土方开挖应从上至下分层分段依次进行,禁止自下而上或采用倒悬开挖办法,施工中随时作成一定坡势,以利排水,开挖过程中应避免边坡稳定范畴形成积水。开挖土方应及时外运,采用小型三轮运送车外运土方。 2、护堤齿墙砌筑 (1)基本采用M10浆砌石新老桥上下游10米范畴内尺寸与新旧桥上下游10米之外尺寸不同。详见图纸 (2)块石砌体应分皮卧砌,并应上下错缝、内外搭砌,不得采用外面立石块、中间填心砌筑办法。 (3)砌筑基本第一层砌块时,如基底为岩层,应先将基地表面清洗、湿润,在坐浆砌筑;入基底为土质,可直接做浆砌筑。 3 浆砌护坡块石 (1) 浆砌护坡前一方面铺设土工膜,土工膜搭接长度不得低于20公分,铺设不得有褶皱,凸起。外观平整。顺直。 (2) 土工膜铺设完毕后,护坡要铺设碎石垫层,碎石垫层要保证10cm厚度。铺设厚度均匀,饱满。人工找平、捣实后方可砌筑护坡。 (3) 各砌层砌块应安放稳固,砌块间隐蔽面应砂浆饱满,粘结牢固,不得直接贴靠或脱空。砌筑时,底浆应铺满,竖缝砂浆应先在已砌石块侧面铺放一某些,然后于石块放好后填满捣实。用小石子砼塞竖缝时,应以扁铁捣实。 (4)浆砌石护坡每15米设一道伸缩缝,缝宽2cm,缝内填三毡四油,缝两侧各设断面尺寸0.3*0.6mM10浆砌块石齿墙。 (5)主河槽第一层排水距河底垂直距离为0.15m,第二层排水孔距第一层垂直距1m ,排水管水平间距为2m ,排水管内端采用200g/m2无纺布包裹。 4护坡砌筑养护 (1)护坡砌筑完毕后应在2个小时之内用毛毡或草袋洒水覆盖。防止砂浆干裂。雨季下雨时防止雨水冲刷砂浆。 4、季节性施工办法 (1)土方雨季施工:进入雨季土方工程,要依照天气状况及工程特点合理安排机具和劳力,组织迅速施工,做到随挖、随填、随砌。如遇大雨,需增长抽水设备,提高抽排能力,防止围堰被雨水浸泡决口。雨前要选取遇雨易翻浆处或低洼处等不利地段先行施工。雨后要重点检查路拱及边沟等排水设施排水状况,路床渍水状况。 (2)砌筑工程雨季施工:未凝固砌体雨前需进行覆盖保护,防止被大雨冲刷,使砂浆流失。砌体勾缝需在无雨干燥条件下进行,禁止雨中作业。 六、安全生产技术办法 1 、建立安全责任制 因邻近徒骇河大桥桥墩施工。为防止对邻近铁路既有设备损坏,建立以项目经理部为首安全生产保证体系,保证安全生产,并以项目经理是项目工程施工现场安全生产第一负责人,现场设专职安全员协助项目经理对本工程实行安全管理,项目部安全生产保证体系将认真执行国家及关于法规和公司管理条例,制定和采用与实际生产相应安全办法,防止伤亡及各类事故发生,实现预定安全生产目的。并在执行中充分发挥管理人员作用。从人力、物力、财力等方面保证全生产办法和各项规章制度贯彻贯彻,把安全生产各项规程变为施工现场全体职工自觉行动。 2、安全技术办法 在施工过程中,对桥墩上下游15米范畴内设立硬隔离封闭。施工地点设立现场防护,施工机械避免进入铁路安全距离。 块石料运送,不能直接进入施工现场放置。设立一定安全保护距离,人工二次倒运块石。防止车辆及块石料破坏既有铁路设备。 依照本工程邻近既有线特点,我公司将在挖掘机开挖桥墩上下游15米范畴内基本时车站设驻站联系员、现场设立防护员、有列车通过时及时提前停止作业,顺线路方向搁置机械。待列车所有通过后方可进行作业。保证行车安全和既有设备安全。例如挖掘机臂长4.5m,挖掘机应远离铁路安全防护距离4.5m。开工前应对地下电缆进行探测,探测后标明位置,挖探沟,电缆附近进行标明,附近不得使用机械开挖。 3、做好安全技术交底 开工前,组织维管段及聊东维修段工作人员对电缆走径进行确认,并形成书面材料,报与邯济公司管理单位批准准方可施工。在项目施工中,由技术负责人定期向施工人员进行分某些项技术交底,特别是重点工序另要进行重点部位安全生产技术交底。 4、安全检查制度 坚持“三级”安全生产检查制度,即“月查、周查、日查”,并规定生产班组做好当天安全生产记录。在安全检查过程是坚持执行《建筑施工安全检查评分原则》(JGJ59-99)保证安全生产顺利达标,发现隐患,要及时下达隐患整治告知单,整治办法要定人、定期限期整治。 5、定期进行安全教诲 定期进行安全教诲,其内容重要有:安全管理制度、安全操作规程、安全技术办法和安全防护办法。新进场人员要优先进行安全教诲,使安全操作防护技能成为操作人员素质教诲重要内容。遵循三级安全教诲规定,所有操作人员都要岗位培训,做出相应记录,方可进场工作。 6、做好安全防护及警示 (1).安全警示牌按现场需要制作和设立,以警示作业和其她人员,采用相应操作程序或避让办法,防止不安全因素发生。标志牌应按现场实际状况设立,的确发挥警示在前作用。 (2).防护设施 施工时,非施工人员不得进入施工现场。施工人员需戴安全帽进入施工区。 施工现场徒骇河桥墩处设立硬隔离,悬挂明显标示标牌。有电缆地方挂警示牌警示。 7、消防管理 (1).生活区、生产加工区、机电设施、仓库、易燃物品贮存场合和使用明火地方,均设立足够消防设施。 (2).消防设施应准时检查、维修和更换,以保持其性能可靠。设立消防设施地方应保持通道畅通。 (3) .明火与易燃物品要保持恰当距离,使用明火时应由专人负责管理,作到远离林木,“人离火熄” 8、应急预案 (1) 应急重要内容:为保障雨季施工洪水冲刷护坡、围堰以及人员伤害特设立本预案。 (2)应急组织构造: 应急抢险组织机构图 应急领导小组 值班电话:0635-2985982 组长:商登升 副组长:冯强 张光勇 成员: 金增锐、籍风臣、周庆科、金焕堂 施工队伍 抢险队 (3)应急保障办法: 1抢险队应一方面按照初步方案进行抢险,待上一级应急指挥机构研究制定出详细方案后,再按详细方案组织实行。上一级应急指挥机构应依照现场实际状况,在尽量短时间内研究、制定出详细抢险方案。 2普通状况下,可采用急救办法为: 发生险情时,现场施工人员及时向现场负责人报告,现场负责人要第一时间召集人员和机械到现场抢险,作业人员要运用挖掘机挖土尽快取土配合人工装运编织袋堵挡围堰冲刷地段,如人员有伤害,并第一时间拨打120送至医院治疗。 3应急抢险 救援工作需地方部门配合时,应急指挥机构应在施工处应急领导小组统一领导下,与“110”应急联动中心、公安、卫生()、消防、民政等政府关于部门及时联系,密切合伙,共同开展应急抢险救援工作。 4防洪通道 施工季节在雨季,为保证现场施工安全,设立两处防洪通道,一处为徒骇河西岸公路,第二处为徒骇河东岸涵洞。 5现场保护 现场总指挥在组织自救同步,应派人保护现场,为此后事故调查解决提供真实根据。 (4)善后处置 依照上级主管部门规定,尽快对事故现场进行清理,采用切实可行防范办法,避免类似事故再次发生,尽快恢复、生产,减少因事故导致损失。 (5)应急保障 1宣教 施工处应急领导小组有筹划、有目、有针对性地开展事故防止知识和应急办法宣传,增强事故防范意识,提高防范和应急反映能力。 2通信与信息保障 施工处应急领导小组依托既有有线、无线通信系统和互联网系统,形成应急通讯保障系统,保证应急期间有关信息及时、精确、可靠地传播和有效实行指挥。 3应急抢险队伍保障 以事故作业队全体参建人员为主,施工处管理人员为辅,必要时,现场指挥部调动其她单位抢险队伍协助抢险救援。肩负事故现场工程设施抢险和安全保障工作。 应急队伍队长:冯强 4应急管理力量 由各级应急指挥部关于工作人员构成。肩负接受应急指令,组织各关于单位进行应急处置,并与关于部门进行协调及信息沟通。 5物资设备保障 第一施工处施工项目部施工前配备足够救援器材和设备,建立设备器材清单。如大型机械设备、物料配备困难,不能满足也许应急救援需要,就近联系地方或其她单位,建立起资源信息库,保证应急时可以迅速调用。 材料及机具配备表 序号 材料及机具名称 单位 数量 1 吊 车 台 1 2 装载机 台 1 3 挖掘机 台 1 4 抬杠 根 40 5 抬筐 个 100 6 铁锨 把 30 7 叉子 把 40 8 发电机 台 2 9 钢丝绳 根 2 10 潜水泵 台 8 11 运送车辆 辆 2 (6)应急结束 1施工处应急领导小组依照事故抢险救援工作进展和结束状况,及时向上级报告。 2应急状态结束后,施工处应急领导小组组织各关于部门、单位,及时作出书面报告。书面报告基本内容是:事故发生及抢险救援通过、事故因素、事故导致后果,涉及伤亡人员状况及经济损失等;应急预案效果及评估状况;应吸取经验教训等。 (7)事故调查解决 1按照铁道部《铁路交通事故调查解决规定》规定,接受铁总、路局及十局三级事故调查组调查,并如实向调查组提供资料和物证。 2调查取证组进行初步调查取证,并参上级组织事故联合调查组,在调查取证工作结束后,要尽快写出事故调查报告,如实、完整、及时送交事故调查领导小组。 9、保证文明施工技术组织办法 (1)文明施工管理及环保办法 加强文明施工管理,创立铁路工程文明样板工地,是我公司本项目文明施工目的,也是我公司精神面貌和管理水平体现。现将文明施工办法论述如下: (2)应设安保人员和交通协管人员值班,维持施工现场治安及交通秩序。 (3)施工现场务必布置力求科学、文明、合理、以便, 进场机具设备及施工材料严格按施工平面布置图分类堆放,禁止混合堆放。 (4)经常对施工场内既有便道进行硬化保养,保证道路畅通、平坦、整洁、排水良好,做到工完料尽,场地清。 (5)每天组织专人在进出道口及周边地区清除垃圾,清扫道面,美化、优化、净化施工现场环境。施工期间,现场设立固定保洁工,对材料运送机械漏洒材料及时清扫,并安排洒水汽车每天洒水以控制扬尘,保持现场经常性整洁。及时将施工及生活废弃物运至监理工程师及本地环保部门指定地点弃置。 附图: 1、邯济铁路徒骇河河道护砌平面图 2、挖掘机安全防护图 3、徒骇河护砌平面图 4.徒骇河河岸护砌流程筹划图 5.徒骇河河岸护砌安全卡控表
展开阅读全文

开通  VIP会员、SVIP会员  优惠大
下载10份以上建议开通VIP会员
下载20份以上建议开通SVIP会员


开通VIP      成为共赢上传

当前位置:首页 > 品牌综合 > 施工方案/组织设计

移动网页_全站_页脚广告1

关于我们      便捷服务       自信AI       AI导航        抽奖活动

©2010-2026 宁波自信网络信息技术有限公司  版权所有

客服电话:0574-28810668  投诉电话:18658249818

gongan.png浙公网安备33021202000488号   

icp.png浙ICP备2021020529号-1  |  浙B2-20240490  

关注我们 :微信公众号    抖音    微博    LOFTER 

客服