收藏 分销(赏)

开关柜局部放电检测典型案例.doc

上传人:精*** 文档编号:2381351 上传时间:2024-05-29 格式:DOC 页数:23 大小:6.06MB 下载积分:10 金币
下载 相关 举报
开关柜局部放电检测典型案例.doc_第1页
第1页 / 共23页
开关柜局部放电检测典型案例.doc_第2页
第2页 / 共23页


点击查看更多>>
资源描述
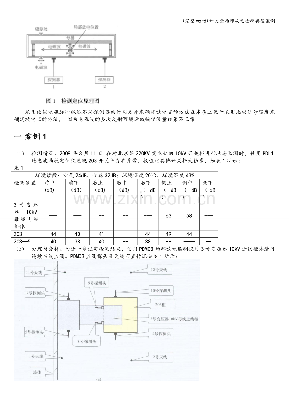
(完整word)开关柜局部放电检测典型案例 10KV开关柜局部放电检测案例汇编 前言: 10kV开关柜内部局部放电的种类很多,主要分为内部放电和表面放电两种,目前主要采用的非介入方式、带电检测的方法主要为超声波检测和暂态地电压(TEV)两种检测方式,对于一些放电,我们可以同时侦测到超声波信号和TEV信号,而另一些放电情况我们只能检测到两种信号中的一种,因此在实际使用中,我们应该以这两种检测方式互为补充,才能够更好的检测到所有的局部放电情况。 暂态地电压检测原理: 局部放电暂态地电压(Transient Earth Voltages)技术是局部放电检测的一种新方法,近年来在国内外得到了较快发展,并在电力设备如GIS、同步电机、变压器、电缆等的检测中得到了应用。暂态地电压(Transient Earth Voltages)具有外界干扰信号少的特点,因而检测系统受外界干扰影响小,可以极大的提高电气设备局部放电检测,特别是在线检测的可靠性和灵敏度。用于高压开关柜在线监测有明显的优点,因此这一测量技术发展很快,已在英国和法国的几个400kV变电站中取得经验。德国一些大学对此技术很感兴趣,经过多年的努力,英国EA公司已经收集了一万多条涵盖所有不同型号的高压设备的暂态地电压(TEV)的数据库,对柜体内器件(如CT、PT)、母线连接处、支持绝缘子表面及开断装置进行了试验验证.到目前为止,该技术已经在世界多国应用,各国的研究均表明,暂态地电压(Transient Earth Voltages)的在线监测有很好的前景.对于国内,早期对高压开关柜可靠性的重视度不够,此技术在国内发展较慢,但由于该技术越来越多的得到国内认可,北京、上海、广州等大城市已经开始应用,并且取得了良好的效果。 当高压电气设备发生局部放电时, 放电电量先聚集在与放电点相邻的接地金属部分, 形成电流脉冲并向各个方向传播。对于内部放电, 放电电量聚集在接地屏蔽的内表面, 因此, 如果屏蔽层是连续时无法在外部检测到放电信号。但实际上, 屏蔽层通常在绝缘部位、垫圈连接处、电缆绝缘终端等部位出现破损而导致不连续, 这样, 高频信号就会传输到设备外层.放电产生的电磁波通过金属箱体的接缝处或气体绝缘开关的衬垫传播出去, 同时产生一个暂态电压, 通过设备的金属箱体外表面而传到地下去。这些电压脉冲是于1974 年由Dr John Reeves 首先发现, 并把它命名为Transient Earth Voltage 暂态对地电压, 简称TEV。 中低压开关柜局部放电在线检测定位技术采用暂态对地电压的原理来对开关设备局部放电状况进行检测及定位, 通过单只电容藕合式探测器在被检设备的接地金属外壳上进行探测。装置检测由于局部放电而引起的短暂电压脉冲,测出局部放电瞬时电压脉冲的幅度峰值。若采用两只电容藕合式探测器,则可以检测放电点发出的电磁波瞬间脉冲所经过的时间差来确定放电活动的位置, 原理是采用比较电磁脉冲分别到达每只探测器所需要的时间。系统指示哪个通道先被触发, 进而表明哪只探测器离放电点的电气距离较近。脉冲是以光速或接近光速进行传播的, 所以必须能够分辨很小的时间差, 通常为μs 级。检测定位原理见图1。 采用比较电磁脉冲抵达不同探测器的时间差异来确定放电点的方法在本质上优于采用比较信号强度来确定放电点的方法, 因为电磁波的多次反射可能造成幅值测量结果不正常. 一 案例1 (1) 检测情况。2008年3月11日,在对北京某220KV变电站的10kV开关柜进行状态监测时,使用PDL1地电波局放定位仪发现203开关柜存在异常,数值比其他开关柜大很多,如表1所示: 表1: 环境读数:空气24dB、金属32dB;环境温度20℃、环境湿度43% 检测位置 前中 (dB) 前下 (dB) 后上 (dB) 后中 (dB) 后下 (dB) 侧上 (dB) 侧中 (dB) 侧下 (dB) 3号变压器10kV母线进线柜体 —- —- -- -- -— 63 58 -— 203 44 40 41 —— 44 49 44 —— 203—5 40 38 40 -- 38 -- —— -- (2) 处理与分析。为进一步证实检测结果,使用PDM03局部放电监测仪对3号变压器10kV进线柜体进行连续在线监测。PDM03监测探头及天线布置情况如图1所示: (图1) 测试数据:开始时间2008—2—27 16:07:00,结束时间2008—2-29 11:00:00 PD数据报告如表2所示: 通道 最大水平 每周期的脉冲数 平均水平 短期放电剧烈程度 各通道脉冲总数 占总脉冲数百份比 每个电气周波脉冲数最大值 对应水平值 占时间百分比 长期剧烈程度 最大短期剧烈程度 1 52 2.02 32 804 3034544 3 2。02 52 100 16 804 2 43 0。001 1 0 5233 0 0。102 22 96 0 1 3 43 2.171 32 307 1836039 2 2。171 43 96 9 307 4 37 1。714 34 121 16384542 15 3。942 34 100 110 198 5 52 14。656 52 5835 63178380 58 14.656 52 100 3295 5835 6 37 0.183 25 13 770907 1 0.354 34 98 2 18 7 49 3.033 45 855 11429458 10 3.78 46 100 277 855 8 43 2.529 35 357 9737020 9 2.661 37 100 76 357 9 52 19.332 52 7696 83687531 76 19.332 52 100 4465 7696 10 37 0.08 22 6 95757 0 0.11 34 99 0 6 11 52 2。386 35 950 8474779 8 6.244 40 100 63 950 12 40 0。001 1 0 8278 0 0.292 0 96 0 0 根据PDM03局部放电监测仪数据分析导则进行数据图形分析(见图2),对比四个天线采集到的环境噪声,并对各个通道逐一分析。分析结果显示:5号、9号探测头位置测得的数据中“短期放电剧烈程度”分别为5835和7696,“每周期的脉冲数”分别为14.656和19。332,已经远远高出正常水平,证实此出确有放电现象产生,对应局部放电位置在3号主变压器母线进线柜体中穿墙套管附近。 (图2)PDM03 各探头及天线采集到的信号曲线 使用红外成像仪对5号、9号探头附近的柜体进行温度扫描,发现B、C相热点比邻近的其他部位温度高3℃左右.,红外成像图谱见图3. (图3)红外成像图谱 综合分析地电波和红外检测数据,认为3号变压器10kV母线进线柜体存在放电现象,放电位置为B、C相附近. (3) 停电检查及试验。2008年3月29日,对该开关柜进行停电检查和缺陷处理。停电后打开进线柜面板,发现母线支撑绝缘子表面尘埃严重,B相一只母线绝缘子标签脱开、C相带电显示器引线与母线过近等现象。详见图4。 (图4)3号变压器10kV母线进线柜体缺陷情况 (a) 绝缘子表面尘埃严重;(b)绝缘子标签脱开 (c)带电显示器引线与母线过近 (d)柜内情况 进行绝缘电阻测试,C相绝缘电阻4000MΩ,A、B相绝缘电阻大于10000MΩ;分相施加运行电压进行检测时,B、C相均出现明显超声信号,为12dB/40kHz。升高试验电压,在13kV时穿墙套管根部外表面出现爬电现象,并伴随明显放电。 对柜内元件进行全面清扫,同时,将标签脱开、C相带电显示器引线与母线过近的现象也同时进行了处理。处理后,绝缘电阻测量A、B、C三相绝缘电阻均大于10000MΩ.施加运行电压进行检测,未发现超声波异常的信号;施加试验电压30kV时,穿墙套管处出现放电现象,但较之前13kV时电压明显提高。进一步核对检查,该穿墙管为瓷质绝缘,内壁没有均压材料或装置。 二 案例2 说明:本案例是一个典型的非周期性局部放电及排除外部较强干扰信号的案例,说明了PDM03对非周期性的局部放电现象的监测能力和抗干扰能力。 2010年4月对浙江某110kV变电站进行局放检测,在使用UltraTEV Plus+进行巡检时发现TEV测量幅值异常,背景读数为14,超声波检测数值很小,开关柜的TEV幅值在一定幅度之间按一定的周期变化。 A。现场环境分析 对开关柜房间的内部环境,开关柜相近金属体如铁门以及开关柜柜体表面等处进行TEV检测时候,幅值普遍较高.如开关柜房间内部环境幅值约为14dB,尤其是在大铁门至35kV开关柜房间的小铁门这一区间内,由铁门上测出的dB数值平均水平约在26—30dB,并且存在间歇性的放电脉冲,幅值达到超过40dB的情况。说明存在比较严重的外部干扰或者开关柜内部本身有比较强的放电活动. B.使用PDM03进行了为期24小时的监测,详细数据如下: 本次监测主要目的是测量“#1 主变10kV插件”和“沿海102开关"局部放电情况。因其靠近母排而且1-3号开关柜的外部干扰很严重。根据21小时的PDM监测结果,12号也就是天线接收到的脉冲数占据了总脉冲数的96%,说明外界存在及其强大的干扰源.而经过其接收屏蔽作用后,9号探针对应的1号开关柜并没存在局放超标的情况,结合先前的TEV测量结果,尽管1号开关柜(对应9号探针)TEV测得的幅值很高,但其值不是由于内部局放源引起的。 4号探针接受到的脉冲数均和相邻的5号接近,且幅值高于5号,而5号的每周期脉冲数却在正常范围内,并且从数量上来看,两个探针测到的总脉冲数,大于首次到达的脉冲总数,因此可以认为4、5号探头之间只存在一个局部放电源。并可以判定靠近4号内部存在一个局放源,位置应该靠近4号探针,即,放电源应在8号开关柜的中上部。 6,7号探针都设置在6号柜体上,7号捕获的脉冲更多,6号幅值高于7号探针.但是脉冲数远少于7号.由下图可以看出,6号探针处有过短暂的脉冲活跃,而7号探针一直有脉冲活动,因此认为6号、7号对应不同的放电源。 8号探针从14:00到16:00有放电现象存在,但在16:00之后基本消失,与相邻的8号探针进行的数据进行比较,认为两者趋势基本相同,因此认为6、8号探针探测的是同一个放电源,且在8号探针安放的5号开关柜(#2 电容器开关)内。 C.结论 从上图可以看出,6、7、8号探针总共对应两个放电源,其中7号探头对应的6号柜(#1 主变10kV插件)中的放电源为持续性的放电源,放电水平、短期严重度、长期严重度并未超标。8号探针对应的5号柜(#2 电容器开关)存在一个放电源,短期严重度略大。4号柜(沿海102开关)的放电情况同5号柜,放电幅度并不大,也并未超标,但放电数量比较高,短期严重度也偏高,应予以关注。 从上图可以看出,在1—8开关柜监测时,12号天线所采集到的数据呈现周期性变化,估计与负荷变化有关,从19:30~第二天早晨8:00钟之间外部放电源逐步衰减到最小,从8:00钟开始,又开始剧烈的活动。 三 案例3 广州某某区某某开关房的开关柜由某某生产的半封闭式SM6开关柜,行时间已达到10年。近期,现场运行人员在开关房内闻到了臭氧的味道,且能听到电晕放电的“咝咝声”,怀疑开关柜内部存在局部放电现象。 为此,—技术人员和某某局运行人员对该开关房开关柜进行了两次测试。该开关房共有12台开关柜,分两排放置。 首先对12台开关柜用便携式Ultra Tev进行检测,发现七台一排的开关柜可能存在局放现象。检测结果如下: (1) 超声波模式 便携式测试仪在超声波模式下对开关柜的空隙进行扫描,发现大部分空隙的超声信号较强,超声指示灯为红色;用超声波仪器所配耳机听到较明显的声音。 (2) TEV模式 便携式测试仪在TEV模式下对开关柜的金属外壳进行扫描,未发现较明显TEV信号. 综上所述,可以初步判定这七台开关柜或其中一台(或几台)可能存在局放现象,但局放源在哪里?局放严重到什么程度?还需要用PDM03进一步连续监测。 6月11日,我方技术人员应用PDM03对这七台开关柜进行复试。现场传感器布置如图17所示,现场情况如图18所示(红色标识)。1、2、11和12号探头为屏蔽天线,布置在设备周围,已屏蔽周围的干扰信号;3—10为局放信号检测探头,布置在被检测设备附近,用来检测设备内部的局放信号。在测试一段时间后,改变探头的位置,以更全面地采集局放TEV信号,现场情况如图19所示(绿色标识)。 图18 天线布置实物图1 图19 天线布置实物图2 用该仪器对开关房内的开关柜连续监测了大约50分钟,监测数据如下: 由检测数据可以得出:每个探测器的短期局部放电剧烈程度值=0;每测量循环周期内的脉冲数量=0.由此,根据AE公司的产品使用说明书,可以判断:TEV测量结果显示,这些开关柜中无明显局放现象。 但新加坡专家结合设备运行情况及测试数据,给出了如下建议: As long as you have either TEV or Ultrasound, it is consider PD。 Usually, when you have Ultrasound (Corona), the TEV readings can be low。 But sometimes, you can get both TEV and Ultrasound together。 Using the UE 9000, you can detect the panel which is having the loudest dB. By the way, you descript the “Corona” is serious and I would recommended that immediate action to be taken such servicing and replacement of “Corona” discharge portion. The PDM03 readings seem to be ok, please ensure that the probe is touching the panel. 为此,于7月9日再次对某某开关柜进行局放测试,此次测试持续了5个多小时,较全面地监测了开关柜的局放活动,排除了放电随机性的影响。探头布置与第一次位置基本一致,如图17中红色探头所示,测试数据如下: 此次测试数据,每个探测器的短期局部放电剧烈程度值=0;每测量循环周期内的脉冲数量=0。因此所得测量结果与前次相同:TEV测量结果显示,这些开关柜中无明显局放现象. 但是,此次测试过程中,发现2号开关柜内外绝缘老化严重,如图20所示。且老化部分积有水珠,可见开关柜内部受潮较为严重。 图20 2号开关柜电缆头老化部分 综合现场现象:明显的臭氧味,电晕放电的嘶嘶声,外绝缘的损坏程度等,可以得出:这几台开关柜存在较严重的问题,但并不是由内部引起,或者其局放信号微弱不足以被测量;可能柜内存在外绝缘丝状放电,其频率一般在1MHz以下,大部分能量主要集中在1kHz以内,沿面泄漏电流约为几个mA,辐射出的电磁波及声音能量比较小,不容易测到;另外,还可能存在水珠放电,螺帽边角表面、支柱绝缘子小表面与杆径结合处、电缆头进线口的电晕、弱爬电等。 鉴于以前运行十多年的某某生产的SM6开关柜已出现过较严重的问题,建议对这批开关柜进行密切监控;如果有条件,应用其他试验方法抽样检查以发现问题 四 案例4 广州某某开关房的开关柜是某生产的半封闭式SM6开关柜,行时间已达到10年。共有6台开关柜。 近期,现场运行人员在开关房内闻到了臭氧的味道,且能听到电晕放电的“咝咝声”,怀疑开关柜内部存在局部放电现象.用Ultra TEV Plus+检测结果如下: (1)超声波模式 背景噪声5db左右,超声显示值25db左右,依相关判据,检测到一定程度的局部放电;用超声波仪器所配耳机听到较明显的声音。 (2) TEV模式 背景值0db左右,TEV显示值8db左右. 综上所述,可以初步判定这6台开关柜或其中一台(或几台)可能存在局放现象,但局放源在哪里?局放严重到什么程度?还需要用PDM03进一步连续监测。 现场传感器布置如图28所示,现场情况如图29所示,1、2、11和12号探头为屏蔽天线,布置在设备周围,已屏蔽周围的干扰信号;3—10为局放信号检测探头,布置在被检测设备附近,用来检测设备内部的局放信号。 图28 探头布置示意图 图29 现场示意图 用该仪器对开关房内的开关柜连续监测了大约50分钟,监测数据如下: 由检测数据可以得出:每个探测器的短期局部放电剧烈程度值=0;每测量循环周期内的脉冲数量=0。由此,根据产品使用说明书,可以判断:TEV测量结果显示,这些开关柜中无明显内部放电现象。 但是,由于超声检测超标,可以确定开关柜内,存在严重的表面放电,对开关柜解体后,发现该开关柜内部外绝缘老化严重,电极有明显白色锈蚀,如G03电缆头腐蚀情况,如图30所示。 图30 G03电缆头电极腐蚀 之后,对该批开关柜解体检查,情况如图31—34所示。 图31 母线B相支柱绝缘子 图32 母线室 图33 母线线耳 图34 母线绝缘帽 根据解体情况及运行经验可疑得出,部分半绝缘柜(尤其是SM6柜)受环境潮湿影响,在裸露导体及绝缘交接部分容易发生凝露,继而发表面生闪络现象。以上部件的锈蚀部分应该是由闪络的重复发生而导致的;另外,开关室上部的污秽则是由该类型开关柜的结构缺陷引起的,开关室上部与外界有气孔相连,但开关柜内的空气流通速率不够大时,且当湿度和灰尘较大时,就易使绝缘子表面积污。 五 案例5 浙江湖州供电局下辖的220kV太傅变电站的35KV高压开关柜运行时间已达六年.今年,现场运行人员在开关室内可以闻到轻微的臭味,且可以听到间歇性的放电声,因此邀请我公司技术人员使用局部放电检测设备对其高压室内的开关柜进行检测,并且给出最终判断分析的结果。 2010年7月14日,我公司局放检测工程师用Ultra TEV plus和PDL1对220KV太傅变电站的35KV开关室里高压开关柜进行局放检测。 检测仪器简介说明: 1:多功能手持式局部放电检测仪Ultra TEV plus 它是一款集TEV和超声波检测功能于一身的手持式便携测试仪,主要适用于中高压3-66KV开关柜等电气设备的各种放电的检测,适用于不同类型的电力设备。具有读数准确,操作简便、入门轻松等显著优点,特别适用于日常的巡检。 2:局部放电定位仪:PD Locator(PDL1) PD Locator是一款广泛应用于中高压开关柜局部放电非介入式检测及定位仪器,具有携带方便、快速检测、准确定位等特点。适用于对开关柜局部放电源进行带电快速定位,可以更好地确定开关柜局部放电源的位置,并能够对检测结果进行量化显示。 该仪器具有单探头和双探头两种检测模式,其中单探头检测模式用于测量局部放电产生的TEV幅值,双探头检测模式通过计算放电源信号到两个探头的时间差,来判断放电源位置离哪个探头较近,从而起到定位放电源位置的作用。 现场检测 1 环境背景的检测: 在开始测试时,需在其他金属制品(金属门,窗或其他金属制品)上连续测三个背景值,取平均值作为背景水平值. 环境背景读数记录: 1.1 空气中 TEV 读数(dBmV) 次数 位置1:门 0 5 位置2:窗 0 5 位置3:过道 0 5 超声读数(dB) 次数 位置1: 0 5 位置2: 0 5 位置3: 0 5 1.2 金属制品 TEV 读数(dBmV) 次数 位置1:门 11 5 位置2:窗 17 5 位置3:窗 30 5 超声读数(dB) 次数 位置1: 22 5 位置2: 12 5 位置3: 15 5 注意:当仪器没有触发(读数为零),仪器读数将显示为“0”。 依据以上数据 , 参照于TEV Plus+TEV读数解读指南: TEV读数 结论 1:高背景读数,即大于20dB (a):高水平噪声可能会遮盖开关柜内的放电, (b):可能受到外界影响,如果可能,应该消除外部干扰源在重新测试,或使用局部放电监测仪以识别开关柜中的放电 2:如果开关柜和背景参考的所有读数都小于20dB 没有重大放电,建议每年一次重新检查 3:对于开关柜的读数比背景水平高10dB,且读数大于20dB(绝对值,亦不是比背景值高20dB),以及计数值高于50 开关装置内放电严重,推荐使用PD定位仪或者PD监控器实施进一步的检测。 4:读数的计数率大于1000 在该区域内可能有背景电磁干扰,如果读数大于20dB,则建议安装一个局部放电监测仪来是被外部的电磁活动。 表面放电可能会产生高的计数率.如果是这样,则会存在在超声波信号并可用TEV PLUS来检测到(如果存在空气传播路径的话) 可以看出:在背景测量值时候:对高压开关室内部环境,开关柜相近的金属体进行检测,入口门处幅值为11dB,其正对面窗户为30dB,背景水平略高,可以判定此开关室内干扰较大,检测时时需要给予关注。 2 开关柜的检测: TEV检测: 对站内的开关柜进行检测,TEV幅值均在正常范围内,未发现明显异常。 超声波检测: 对站内开关柜进行超声波检测,发现“太桥3270"开关柜的超声异常。 3。 检测结果分析 太桥3270 线柜体TEV 幅值很正常,但是柜体后中下部超声波水平异常,最大可到28dB。对该开关柜后部和侧面的缝隙表面使用仪器进行了多次多点测量后,所得数据见下图: 由图中可知,在开关柜后下部,靠近每一相的地方,幅值均较高。开关柜侧面中间,幅值最高达到27dB。从空间上看,放电源应该在开关柜后下方,且可以听到间歇性放电的声音,旁边可以闻到有类似臭氧气体散溢的味道,依据TEV判断依据:可以肯定是存在局部放电现象,又可能因为放电源离接地挡板较近,所放的电直接打到接地挡板上,而无信号传递到开关柜表面,导致出现TEV 数据显示十分正常,而超声波有异常的情况。 4.结论:“ 变电站名称 地点 安装时间 检测时间 存在局放问题的开关柜名称 解决方案 湖州220kV太傅变 35KV开关室 2004.4 2010。7。14 3270线开关柜 尽快安排停电检修排除 5。开柜检修: 2010年8月4日,获悉该供电局于要对开关柜进行开柜检修,我公司立即派技术人员前往进行结果跟踪,开柜后发现,所发现问题与我们预先判断几乎完全一致,附图如下 被放电打黑的隔离挡板 隔离挡板放大图 因放电受损的高感 受损的绝缘护套 6:情况分析: 现场绝缘隔离挡板上面有明显电弧打烧的黑色痕迹,且用于DSN2—BMY型户内电磁锁上的高感也有凹进损坏痕迹,金具表面有水珠锈迹. 分析结果: 1:220KV太傅变电站位于深山中,周围气候环境比较潮湿,35KV开关室的通风系统一定,开关柜为移动式金属封闭铠装式开关柜,导致水分不容易蒸发,在铜牌和高感的连接器件金具上凝聚并与腐蚀金具,形成放电源。 2:金具与金属隔离挡板太近,导致放电打到金属挡板上。 3:铜牌和高感连接的金具,均有绝缘套包裹好,但是在金具凸起处由于固定需要,护套不能够完全包裹金具,给放电的产生提供了条件(制造本身缺陷)。 以上三个原因是该开关局产生局部放电的直接原因和间接原因。 检修处理后及结果: 在供电局人员完成检修,重新进行送电后,我公司局放检测人员再次对该柜进行了复检。结果显示超声波水平正常,TEV也正常,放电现象不再存在,故障被排查并且解决完毕.
展开阅读全文

开通  VIP会员、SVIP会员  优惠大
下载10份以上建议开通VIP会员
下载20份以上建议开通SVIP会员


开通VIP      成为共赢上传

当前位置:首页 > 考试专区 > 中考

移动网页_全站_页脚广告1

关于我们      便捷服务       自信AI       AI导航        抽奖活动

©2010-2026 宁波自信网络信息技术有限公司  版权所有

客服电话:0574-28810668  投诉电话:18658249818

gongan.png浙公网安备33021202000488号   

icp.png浙ICP备2021020529号-1  |  浙B2-20240490  

关注我们 :微信公众号    抖音    微博    LOFTER 

客服