收藏 分销(赏)

园林绿化质量保证措施.doc

上传人:精**** 文档编号:2226958 上传时间:2024-05-23 格式:DOC 页数:7 大小:1,016.05KB 下载积分:6 金币
下载 相关 举报
园林绿化质量保证措施.doc_第1页
第1页 / 共7页
园林绿化质量保证措施.doc_第2页
第2页 / 共7页


点击查看更多>>
资源描述
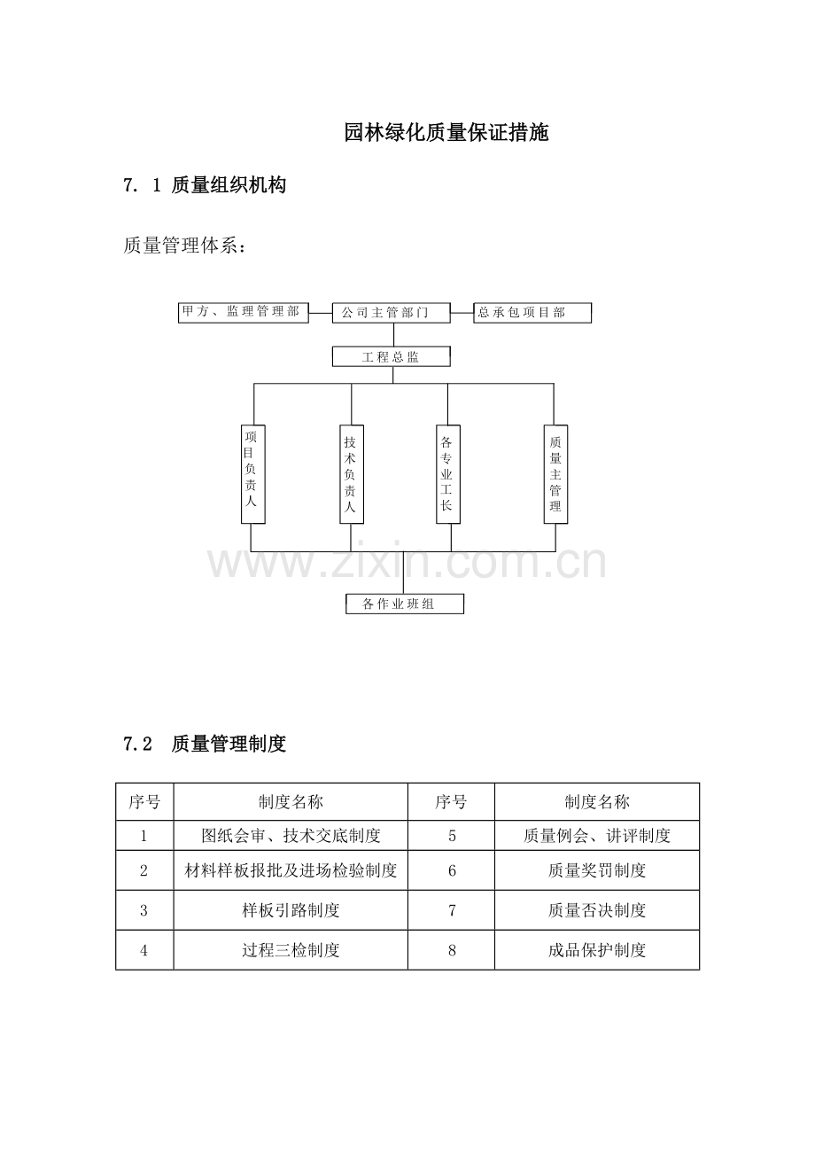
园林绿化质量保证措施 7. 1 质量组织机构 质量管理体系: 7.2 质量管理制度 序号 制度名称 序号 制度名称 1 图纸会审、技术交底制度 5 质量例会、讲评制度 2 材料样板报批及进场检验制度 6 质量奖罚制度 3 样板引路制度 7 质量否决制度 4 过程三检制度 8 成品保护制度 7.3质量保证措施 本工程严格按ISO9001:2002程序文件要求进行施工管理,建立并维持行之有效的规范化质量体系。 7.3.1 原材料质量控制 原材料的质量控制主要有6个环节,包括供应商选择、材料样板报批确认、采购计划的确定、采购、验证和保管。 检测、试验管理的技术组织措施 序号 程序 内容 1 材料进 在现场设立一个材料样板间,每项材料成批购买前,需报送样板 2 场前报批 给监理、甲方批准,方可成批购买进场,进场材料需与提供的样板相同。 3 材料进货检验 各种材料进场后,立即由材料主管组织相关部门和人员按公司材料管理的要求和程序进行进场检验 4 材料试验 材料进场检验合格后,需送检材料立即通知检测实验人员取样送检,取样标准执行国家规范 7.3.2技术质量保证 7.3.2.1实施性施工组织设计和施工方案的编写 对于本工程的一些关键工序和难点部位应编制专项施工方案报甲方、监理批准后方可施工。 实施性施工组织设计和施工方案编写完毕后经公司工程管理部审批同意后装订成本,报送工程建设单位和监理单位审批。 建设单位、监理单位同意和认可该施工方案后由项目技术负责人分发到各相关人员。 7.3.2.2图纸会审 组织工程技术人员认真看图,了解施工图纸的设计意图,全面熟悉和掌握施工图纸的全部内容,检查施工图纸是否存在有误、遗漏或不合理的地方,将影响质量的问题消灭在施工前,提出改进设计便于施工的合理化建议,并形成书面文件。 7.3.2.3设计修改、变更 《设计变更通知单》由设计单位发出,应有公章、签名、编号、日期等。 施工过程中,发现设计不当或有错误时,由项目部填写《工程施工联系单》,经项目技术负责人审核签名后送交设计单位核定批准并报送建设单位、监理单位认可。 项目技术负责人或其指定的专门人员对设计变更通知单、技术核定单、设计图纸会审记录等设计修改文件编号,记录在《设计修改目录》上。 项目技术负责人或其指定人员依施工图纸的发放清单向每一个图纸受控件的接收人发放设计修改文件,必要时还需进行技术交底。 7.3.2.4图纸优化设计 只有图纸设计的深度和设计的质量达到完善的程度,才能为施工提供切实可靠的依据,并可大大减少设计修改和不必要的返工。为此我公司在优化施工组织设计上加大投入,以避免各专业的衔接不到位或矛盾的问题。对于装饰面细部等,无详细设计时,我们将组织公司技术人员进行深化设计,设计方案应报业主和设计单位审批。 7.3.2.5质量技术交底 分项工程质量技术交底由项目技术负责人或指定的专业技术人员负责编写,编写内容包括:分项工程施工工艺,国家标准、规范、本工程的具体特点、注意事项及安全、文明施工。 技术质量交底编写完成后经项目经理审核批准,主要分项或分部重要部位技术质量交底还需报送公司工程技术管理部门审核批准。 在相应工程开始施工之前由项目技术负责人负责分发,分发范围包括施工班组、质检员、相关专业技术人员。发放时,由项目技术负责人或专业技术人员对接收班组责任人详细讲解交底内容,对主要分项工程和重要部位工序须对全体操作人员进行详细交底。 7.3.2.6隐蔽工程和中间验收 分项工程施工结束,通过内部“三检”合格后通知甲方、监理代表进行隐蔽前的验收。验收时提供质量、隐蔽记录表和原材料质量合格证明文件,验收合格办理签字手续,工序验收合格组织施工,否则纠偏重新办理直到合格方可隐蔽。 隐蔽验收时限的原则。分项工程施工结束,项目部提前48小时以书面形式通知甲方、监理现场代表,以便甲方、监理现场代表有计划的安排时间组织隐蔽前的验收。 7.3.2.7施工技术资料的收集整理 参照国家建设部的有关文件要求,做好工程施工全部施工技术资料的收集和整理工作。项目部设专职资料员,管理好本专业的施工技术资料,以便在工程竣工后能及时提供完整、准确的竣工技术资料。 项目除配制足够数量的计算机外,还将配备数字照相机、传真机便于及时反馈信息和远程通讯,以实现信息资源的有效积累、传递和共享。 7.3.3 施工过程质量控制 7.3.3.1 地形标高:为使绿化更具立体感,层次感,以及利用地形排水必须严格按设计图纸规定的标高回填、营造、保证地形饱满,轮廓自然,不积水,所以施工时测量人员必须用经纬仪进行标高放样,检测和复测,同时考虑下雨和浇水后地形沉降的因素,因此施工时地形均应超出设计标高5CM。 7.3.3.2 苗木质量保证措施 (1) 由材料采购人员和监理一同到现场考察选苗,监督苗木起挖质量。 (2)苗木运输一律用雨篷遮荫。 (3)运距远或外地苗木,一律夜间运输。 (4)苗木运输车在途中不作长时间滞留,当天起挖苗木连夜运输至工地,次日当天全部种植完毕。 7.4 质量标准 7.4.1铺装面层铺贴平整度达到用 1.5m 长铝合金标尺顺坡卡量无缝隙,整体效果下图所示勾缝均匀尺寸按设计大小一致,面层排水设坡。 7.4.2 不同饰面铺贴时,在交接缝处对缝,阳角和阴角交接处对缝,缝大小均匀一致。 7.4.3井盖和篦子处理首先位置需优化,确保放置于同一个装饰面内,并尽可能放置在铺装边线处。另要求铺装井盖大小调整到整石尺寸,对缝铺贴。 7.4.4为保证排水系统通畅,过滤出较大的垃圾,将雨水篦子下加垫钢丝网片。 7.4.5 曲线段道路和曲线段铺贴要求线形圆滑、流畅、自然,铺装缝大小均匀一致。 7.4.6 铺贴前必须进行 CAD 排版、现场放线核对,尽可能保证整料到边,边角无碎料。根据铺装尺寸无法 实现处要求两侧碎料大小相等。 7.4.7 圆形和弧形铺装满足五棱形,设计留缝大小一致,缝做法和笔直度达到下图效果。 7.4.8 台阶板和挡板要求根据尺寸用整块或两块石材铺贴,并按设计要求倒角。 7.4.9 侧石和铺装转角处要求切割斜边铺贴。除图纸明确要求加工异型材外,凡半径小于1.5m 处必须按计算尺寸定制异型材,不允许现场切割磨圆。 7.4.10 石材规格需严格控制误差,最大容忍误差为边长±1mm,厚度系数为 0.9。现场必须严格控制材料验收和搬运工序,确保铺贴石材无任何崩边现象。 7.4.11 水洗石路面石子粒径大小一致,石子分布均匀,无明显色差,表面清洗干净无水泥浆污染。人行路面中线双向找2%坡度,每隔 5-6 米放置分隔。 7.4.12 汀步间草坪与汀步面层高度保持相平,无凹凸现。 7.4.13 灌木和草坪之间人工切边,要求切边曲线顺滑,大小一致。 7.4.14 乔木种植在灌木丛内不留树围。乔木种植在草坪上根据乔木大小留直径 60-150cm树围,树围内镶嵌黑色抛光卵石。 7.4.15 乔木种植土球高度与周边地形保持相平,不得出现土包等现象。 7.4.16 全冠乔木(小乔木)要求分枝多,并保留三级以上分枝,观感要求不偏冠、枝繁叶 茂、姿态优美。同品种一组乔木要求分枝点相近,树形相似。 7.4.17 灌木种植效果以不见黄土为标准,详见下照片为标准。结算验收时满足效果后计量面积,再乘以施工图纸密度,不现场数苗木数。另外,灌木球要求成形饱。 7.18 球类植物要求外观饱满,不偏冠和枯枝现象。 7.4.19 景观灯具和小品安装合理控制标高,确保灯具和小品的基础被草坪覆盖,且并局部 没有土包产生。 7.4.20草坪和灌木施工前土方平整度和土块大小达到下图标准,并且土壤中不含任何垃圾和砖石块。草坪铺设前再覆盖 4cm 厚细沙找平。草坪表面平整无病虫害。 7.4.21 施工方在未竣工验收前,必须负责自己已完成饰面(包括绿地)的成品保护,如铺设临时保护或者进行围挡,确保饰面无损坏、无污染。
展开阅读全文

开通  VIP会员、SVIP会员  优惠大
下载10份以上建议开通VIP会员
下载20份以上建议开通SVIP会员


开通VIP      成为共赢上传

当前位置:首页 > 环境建筑 > 园林绿化

移动网页_全站_页脚广告1

关于我们      便捷服务       自信AI       AI导航        抽奖活动

©2010-2026 宁波自信网络信息技术有限公司  版权所有

客服电话:0574-28810668  投诉电话:18658249818

gongan.png浙公网安备33021202000488号   

icp.png浙ICP备2021020529号-1  |  浙B2-20240490  

关注我们 :微信公众号    抖音    微博    LOFTER 

客服