收藏 分销(赏)

自动扶梯、自动人行道设备进场分项工程质量验收记录GD.xls

上传人:快乐****生活 文档编号:2053871 上传时间:2024-05-14 格式:XLS 页数:1 大小:29KB 下载积分:5 金币
下载 相关 举报
自动扶梯、自动人行道设备进场分项工程质量验收记录GD.xls_第1页
第1页 / 共1页
本文档共1页,全文阅读请下载到手机保存,查看更方便
资源描述
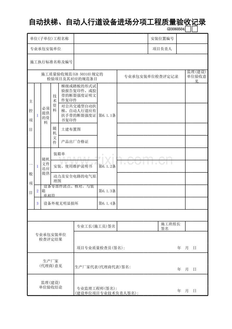
自自动动扶扶梯梯、自自动动人人行行道道设设备备进进场场分分项项工工程程质质量量验验收收记记录录GD3060504GD3060504 单位(子单位)工程名称 安装位置编号 专业承包安装单位项目负责人 施工执行标准名称及编号施工质量验收规范(GB 50310)规定的检验项目及其对应的规范条目专业承包安装单位检查评定记录监理(建设)单位验收意见主控项目1必须提供的资料技术资料 梯级或踏板的形式试 验报告复印件,或胶 带的断裂强度证明文 件复印件第6.1.1条 对公共交通型自动扶 梯、自动人行道应有 扶手带的断裂强度证 书复印件随机文件 土建布置图 产品出厂合格证一般项目1随机文件还应提供 装箱单第6.1.2条 安装、使用维护说明书 动力及安全电路的电气原 理图2 设备零部件清点、核对,与装箱 单相符第6.1.3条3 设备外观无明显损坏第6.1.4条专业承包安装单位检查评定结果 专业工长(施工员)签名 施工班组长 签名 项目专业质量检查员(签名):年 月 日生产厂家(代理商)意见生产厂家代表(代理商代表)签名:年 月 日监理(建设)单位验收结论 专业监理工程师(签名):(建设单位项目专业技术负责人签名):年 月 日
展开阅读全文

开通  VIP会员、SVIP会员  优惠大
下载10份以上建议开通VIP会员
下载20份以上建议开通SVIP会员


开通VIP      成为共赢上传

当前位置:首页 > 包罗万象 > 大杂烩

移动网页_全站_页脚广告1

关于我们      便捷服务       自信AI       AI导航        抽奖活动

©2010-2026 宁波自信网络信息技术有限公司  版权所有

客服电话:0574-28810668  投诉电话:18658249818

gongan.png浙公网安备33021202000488号   

icp.png浙ICP备2021020529号-1  |  浙B2-20240490  

关注我们 :微信公众号    抖音    微博    LOFTER 

客服