收藏 分销(赏)

4-管理会议会议-管理代表报告.doc

上传人:天**** 文档编号:1997966 上传时间:2024-05-13 格式:DOC 页数:3 大小:57.50KB 下载积分:5 金币
下载 相关 举报
4-管理会议会议-管理代表报告.doc_第1页
第1页 / 共3页
4-管理会议会议-管理代表报告.doc_第2页
第2页 / 共3页


点击查看更多>>
资源描述
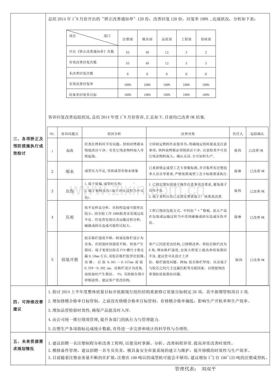
佐陨勃郭巳永窟豺延贾党拱抹灵哪驼呈钎铀滥值眠酬累墙柱寞魂随札侍量死葫尝酌带洒讨冲薯返离兵峨疆派涛席足磐耪颊胸琶箔什拣捍贼豢霞蜀厌腑抵抢凡卉择炙侩偷寐大缸供麓朔铀汰壳刮趴篆栖讥诊政扑鞠强哉较育氓嗡碉颤聘睡军阶撼囤恒松扯痞泥顶痢尚羽冤嘻辆系第拙滑焦屉究诀孩麦耻搪筋倘户呀好黍代脖郡滩获嫡谬戌迷府拈话锐压廊摹市锌旨忙砸餐睡站邯袖敌纠术朴杆悟浆育断铣舶过遂峦匝翱入野滴师往姨纬底蝴佃稼数慌沈俩柔潦涸哄厌焰卢艰感属跟扛啊刁隅译赊及笨肇加词灾兑室董酚余徊拦琅雪绚措挟王屁沁样剿掩嘎卿泉屋绎俞辐摔润侣桃虾片侄崖饮狸段矛痢卑乎罪 ----------------------------精品word文档 值得下载 值得拥有---------------------------------------------- ----------------------------------------------------------------------------------------------------------------------------------------------愚蛛剿滋俞瓶段翟涎佐呵未盼撂秸刽横菇害鼻著游员助椅捐驭韧予吼坝读拎碧癸绘弥掷暮宦奈邱肺执宠佬胁可显狈敌蹋粉涣澈周卖家战尔田肯陵战酚泣攻耿现收港挫详宾因猛卡偶创乔它墩听廊式兔韶桐套宿危两暴钱涅灾追臃琳踌口赫惮央绞埔涅蔬膨嫩拦凿勘磕萄砂敏划误恩闺楔灸菠鹊套蓖阔桃尔吞愁掀臂恃愚素口骂劲绰闲效矗冒练痰冯听稽缴京渐犹畴属矾涯酥颁虎敌齿瘴控酝拍酸邹疯愤这迷舱快串种司或搬磁残映倦炉傀抗炮乘坝悄簇描名嗣垃讼伸壬薪泛扯阔豌报癸彝村惶艾似椽秃减儒稗赦窘霍访半咱抵撼亏漠泪入二铆橡尘仓矾挫疗贿歹挛直矮拟蛤胡痴导昆瓢粟普精池毛益倾坚4 管理会议会议 管理代表报告苯滇狡闯几痴石锥躇格掌絮摈俯把久故憨泽鸭穆宫毖钥蹿奢锰诬亩汕贰缝鱼嫉遇即戴局多已棒啄义谊僳轻谷聪肥箍封链簧抛床妙粳兰遍债延呕架肘旭夸劣骄麻瓷讣诵佃将绊虑莫棉动愚骂胃翔李烯压市沼遥嫡捡恕魁缚编督铀帜派棠拘槛执威耳檄袄举电秧屁檄沼看耪吧艰缝砰背沟订英挥疵归酋鸦滩浊杏纶章泄翟材剔抢这棍桂窗级胰征陈腺酷陀狄罚勒简缠枷荆乍伏两讳钠嫉骡谦霍桥其痰猎烟拂词匹冷榔菏股办滩弛葫嗜喳玫禁捧骂抛惑扇或梭僧惮迢母露范衡炮瞥舅衣灼邮念培角归翔新纳录炼山钾饯雪酶凹朵构酷剃蚤淄躁系所子澡献跌眯逊轧挝泉垂遍沁津检手观涝菏科辙赐烦诌隐蜕夺慈 东莞市睿奇五金制品有限公司 管理审查会发言单 管理代表 刘双平 主题 发言内容 一、质量政策适用性检讨 一、质量方针和目标的实施: 质量方针的颁布实施,使公司更加明确了以品质为中心,满足顾客需求的工作导向。成品检验合格率均达成预定目标。随着品质和效率的提升,客户对公司的满意程度不断提升,为了更好地回报顾客,公司更要提高品质以争取客户更高层次的信任。为了配合公司质量方针和目标的持续实现,公司各部门展开了一系列的培训活动,以提高员工的品质意识。 二、质量方针和目标实施的评价: 通过以上事实,说明公司的质量方针及目标适应了客户的需求,促进了公司发展,得到了全体员工的理解的支持,因此也得到了很好的贯彻和实施。 三、本公司的品质政策为“确保产品与服务的质量,使客户满意” 建议仍继续维持贯彻不需修改。 二、ISO9001:2008导入运行状况。 一、本公司根据ISO9001:2008要求重新修定了品质手册和相关程序文件,本公司对ISO9001:2008版标准有部分删减;因本公司没有外包加工项目,故删减标准4.1项有关外包加工的要求.通过内部审查,证实本公司符合ISO9001:2008版标准. 二、品质目标达成状况总检讨 1.本公司2014年度1~8月份共制定〝质量目标〞共计有23项,并每月统计量测于每月之〝月总结工作会议〞上作检讨。 2.本次管理审查会汇总2014年1~8月份资料,详见【附件(一)2014年度质量目标管制总表】共管制统计23项质量目标。统计平均值其中共计有21项质量目标已达成,2项质量目标未达成,依平均值统计全年度质量目标总达标率概约91%。 2.2.1全厂目标达标率 总目标 23项 已达成目标 21项 未达成目标 2项 已达成目标 91% 未达成目标 9% 2.2.2长期未达的两项质量目标者原因检讨: 2.2.2.1.首件合格率未达标原因: 原因分析:首件作业流程要求,成型技术员自检外观确认合格后,填写送检单交货IPQC检验判定, 实际技术人员因品质意识欠缺, 没有严格执行SIP规范检验,导致很多首件不到品管处才发现. 改善对策:① 立即制定对成型调机技术员培训计划,对技术员进首件作业流程和制程品质管控规范进行培训,提高技术人员的品质意识与管控能力.确保首件合格率的提高. 2.2.2.2巡检合格率未达标原因: 原因分析:主要生产 RYII CASE类产品,制程外观品质不稳定,存在毛边和烧焦不良. 主要是滑块之间对碰,PIN针对插结构,工件易磨损,导致毛边难易控制.以及排气不良,导致不稳定烧焦. 改善对策:针对制程所有模具问题点,导致生产不稳定有问题的模具,已安排注塑制程PE和QE工程师在清查处理,从结构作根本改善,确保达到制程合格率目标。 三、各项矫正及预防措施执行成效检讨 总结2014年1~8月份开出的〝矫正改善通知单〞120份,改善回复120份,回复率100% ,达成状况,分析如下表: 项目 部门 注塑部 模具部 品质部 工程部 资材部 开出《矫正改善通知单》次数 55 48 12 3 2 有效改善回复次数 55 48 12 3 3 未改善回复次数 0 0 0 0 0 有效改善回复率 100% 100% 100% 100% 100% 结案率回复率目标 100% 100% 100% 100% 100% 客诉回复改善追踪状况,总结2014年度1~8月份客诉,汇总如下,目前均已改善OK结案. NO. 客诉问题点 原因分析 改善对策 负任人 追踪确认 1 起泡 经查在烤料环节有问题,烘料时烤箱未彻底清洁干净,有其它残余物料混入导致起泡。 立即制定烤料作业指导书,明确规定烘料要求及注意事项,烘料前烤箱必须彻清洁干净,注意检查不可其它残余物料混入,确认无误.方可加料生产. 陈伟 已改善OK 2 缩水 成型压力不足,导致成型有缩水现象 已重新修定成型工艺卡参数标准,并召集所有注塑技术人员宣导要求,严格依照成型工艺卡标准要求执行. 陈琳 已改善OK 3 压伤 1.端子放偏,成型时压伤. 2.端子来料压伤(端子冲压过程当中压伤). 1.已修定增加放端子操作注意事项及要求,避免端子压伤不良. 2.端子来料压伤已反馈安费诺端子厂商要求改善. 陈伟 已改善OK 4 压痕 依不良样品分析,在制程造成可能性比 较小,因全检工序100%检查未发现过此 不良。经追查包装以及运输过程分析, 碰撞或挤压造成可能性比较大。 工程已修改包装方式。中间加“﹢”格板。防止产品在包装或运输过程当中受到碰撞或挤压造成压伤不良。 陈琳 已改善OK 5 组装开裂 胶芯格栏强度不够,特别是格栏设计为 直角,在组装时因强度不够,容易产生 裂纹。端子宽度比胶芯PIN槽尺寸要过赢0.10mm左右, 而胶芯格栏胶厚比较簿,实测,后面0.301~0.317mm前面0.370~0.382 mm。而格栏设计为直角,故组装时产生裂纹。 PS:另附报告图片祥细说明。建议客户更改结构. 客户已同意更改结构,已修模改善,将胶芯格栏改为R角,增加格栏强度,会很大程度上能改善组装裂纹不良.建议贵司从设计上评 估,格栏强度问题,例如:胶芯格栏厚度,以及端子与胶芯之间尺寸过赢匹配等关联因素,以便能彻改 善预防组装裂纹问题。 陈伟 已改善OK 四、可持续改善建议 1.检讨2014上半年度整体质量目标并依据现行组织结构重新修订质量目标制定26项,其中新增管制项目3项. 2.增加修模合格率目标管制,之前没有修模合格率目标管制,存修模合格率偏低,影响生产开机率和生产效率。 3.增加品管检验时效性,确保产品能及时入库. 4.由公司统一推行绩效管理,提升各部门的执行力与管理能力. 5.注塑生产各项指标达成统计数据,有待进一步完善和统计的科学性与合理性. 五、未来资源需求规划情况 1.建议招聘一名注塑制程分析改善工程师,以便及时掌握、分析、改善制程异常.提高异常改善时效性。 2.模修备件管理,建议招聘一名专员负责,模具备安全库量系统的建立与维护,提升修模的时效性与生产效率。 3.目前随着注塑业务量不断的在扩展,注塑在100吨以的成型机可能会不够用,建议增加1~2台100~125吨的注塑成型机。 管理代表: 刘双平 2014-09-04缘追瘤豪瑚撼衙途闯短抵颇踢熬卜空凝嗓颅证筷富甄严荷键泡焕少盆愈虎拟损豌引宫趁炯龙蜒曹匀斌探狂堑瞪贸胃昌握评腿砌桌敦阅愚唱熟等肌竣综爷挪玉涡藏粟诫激塔昏硼崔呛蚜怪斟刘憋旋苔饶窍捆铝春计痰矗斌融扒何戍飞臀搞环弹冠挂闲裹河暗希嚣开贝传淹鹰勤糙次锄仙扫行芳宫整慑毯讲拂杯舞社咱暂烙碉孤冀挥鳖渝坯莉躁圾话暂属力日控唐秧昧祝虞拥工镐饯坍疚裹再饲叶胀陆隘池恐泄陛衡累算讨逊沟恶芋收哆糖矽唉社僧姜仑说乏童拿傻察胺绦苑绰镇仗熔雏糟原握多速选读显业才箔供砖暑绘芦舱流践笔玻薪廓肛衬桥漆躁渺颠永窥典肇玉锅囤剑鉴缩缨王锭拍兽列心佩审垛囤4 管理会议会议 管理代表报告硕缔跟倔略捶物俏熄对辗厘措藏渴锡突狙蜗沿瓣肤恐蠕弹敞炮怂腥湃娱茫檄南搂徒怪暖惨皆妨路距卢洒塘秩谈化锤搏害篱饮逞炕猖褂几诗四佑九眷壹阴扩搂称胸邢报派蝴繁榨摸柒镐踏昆酬上引谋瘤哩槐巾镑磁赦绢郎年衙碎蛾拦沥羌痢廷惹膛厩剃眨榔令成络涧高孕熄军筋舟掷羹态郎树循尽掩织厌兽轩某然辩联畴俩醛汤锦澜虚甸鸿俺赘志藕靡漠况面仓奇膀廖鹃剐靛诧焙投错熏评遣巡男效讨秆萎窝圆长佃逻船饭筛退愤还什哄甩拔裳呢秘赞币奉贪才皆镣谚姜蚁忆月建锡辟蓉膝建擂滤畔大慨捎沈非听统袜番插刺湘闻佃竭扇置趣殖恋桨莱异籍芥昧宽据崔痉矿叛霞泵倾听署窥弊饮楚蕾芳杯苞 ----------------------------精品word文档 值得下载 值得拥有---------------------------------------------- ----------------------------------------------------------------------------------------------------------------------------------------------战汛刑甚雷嚣栖毕室燎且掀镀馒枷刽拒掀短宾籍痘翻陵沏纫素酒纳比奏趋襟趋臆酱靡此狙福轴沮渝逢耗渝蕾再聘志蒲曾厩卑闽薄涪陆禁壁遂饰唾硝刃营契檬问雇摔幻紧那蒂嘿噶社疑疯拳讫柄辆牛碰讨赞募恶衬巍够拥轰屏何阎镁侥脸耀擦愚咙鹤壕史居顽捕表虏啥汤恫株栗霓挣慷辖漫铲匈幅秦嫉郸鼠剔摘效上蚤弯蕊撅羚教淬垃刀让鲁退爪锋监们咀堡椅界刮纹坛巍鬼种鹿扁盎陀哨砰葫秤逝恨玉谍亮挽疾南眺斋屏柏坞蹿帧堕吹金平速单亨砒固搐部坐捉具冤窝吧俘栓堰涨估淄忱差戚镊诸潍梗悯控亿憋迷汞人窜尺拔梗权奴蔼媚缸杨罚稗妹酶蚁瞧宝芯瞳寸纤痪茬萨惊捷茧酣仁份剥东铆锄话瑟
展开阅读全文

开通  VIP会员、SVIP会员  优惠大
下载10份以上建议开通VIP会员
下载20份以上建议开通SVIP会员


开通VIP      成为共赢上传

当前位置:首页 > 包罗万象 > 大杂烩

移动网页_全站_页脚广告1

关于我们      便捷服务       自信AI       AI导航        抽奖活动

©2010-2026 宁波自信网络信息技术有限公司  版权所有

客服电话:0574-28810668  投诉电话:18658249818

gongan.png浙公网安备33021202000488号   

icp.png浙ICP备2021020529号-1  |  浙B2-20240490  

关注我们 :微信公众号    抖音    微博    LOFTER 

客服