收藏 分销(赏)

部编版八年级物理下册实验题试卷复习练习(Word版含答案).doc

上传人:天**** 文档编号:1862277 上传时间:2024-05-10 格式:DOC 页数:46 大小:3.05MB 下载积分:12 金币
下载 相关 举报
部编版八年级物理下册实验题试卷复习练习(Word版含答案).doc_第1页
第1页 / 共46页
部编版八年级物理下册实验题试卷复习练习(Word版含答案).doc_第2页
第2页 / 共46页


点击查看更多>>
资源描述
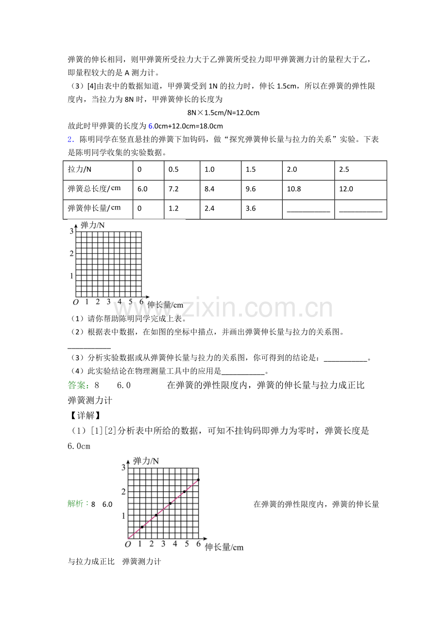
部编版八年级物理下册实验题试卷复习练习(Word版含答案) 1.为制作弹簧测力计,某物理实验小组对弹簧的伸长与拉力的关系作了探究。下表是他们利用甲、乙两根不同的弹簧做实验时所记录的数据。 弹簧受到的拉力/N 0 1 2 3 4 5 6 甲弹簧的长度/cm 6.0 7.5 9.0 10.5 12.0 13.5 15.0 乙弹簧的长度/cm 6.0 9.0 12.0 15.0 18.0 21.0 24.0 (1)分析表中数据可得: ①在一定条件下,弹簧的伸长与所受的拉力成________比。 ②在拉力相同的情况下,甲弹簧的伸长比乙弹簧________(填“大”或“小”)。 (2)如图的A、B两弹簧测力计分别使用了甲、乙两弹簧,它们的外壳相同,刻度线分布情况相同。则量程较大的是________测力计;(填“A”或“B”) (3)根据表中数据计算,在弹簧的弹性限度内,当拉力为8N时,甲弹簧的长度为________cm。 答案:正 小 A 18.0 【详解】 (1)①[1]分析表格数据知道,无论是甲弹簧还是乙弹簧,弹簧受到的拉力越大,弹簧伸长的长度越长,且弹簧伸长的长度与弹簧受到的拉力之比是定值( 解析:正 小 A 18.0 【详解】 (1)①[1]分析表格数据知道,无论是甲弹簧还是乙弹簧,弹簧受到的拉力越大,弹簧伸长的长度越长,且弹簧伸长的长度与弹簧受到的拉力之比是定值(甲弹簧的比值为1.5cm/N,乙弹簧的比值为3cm/N),即在一定条件下,弹簧伸长的长度与它所受的拉力成正比。 ②[2]计算出甲乙弹簧在拉力相同时伸长的长度,会发现甲弹簧伸长的长度总小于乙弹簧伸长的长度。 (2)[3]分析表格数据知道,甲乙弹簧在拉力相同时甲弹簧伸长的长度小于乙弹簧伸长的长度,即在弹簧的伸长相同时,甲弹簧所受拉力大于乙弹簧所受拉力,根据题意知道,A、B两弹簧测力计分别使用了甲、乙两弹簧,它们的外壳相同,刻度线分布情况相同即两弹簧的伸长相同,则甲弹簧所受拉力大于乙弹簧所受拉力即甲弹簧测力计的量程大于乙,即量程较大的是A测力计。 (3)[4]由表中的数据知道,甲弹簧受到1N的拉力时,伸长1.5cm,所以在弹簧的弹性限度内,当拉力为8N时,甲弹簧伸长的长度为 8N×1.5cm/N=12.0cm 故此时甲弹簧的长度为6.0cm+12.0cm=18.0cm 2.陈明同学在竖直悬挂的弹簧下加钩码,做“探究弹簧伸长量与拉力的关系”实验。下表是陈明同学收集的实验数据。 拉力/N 0 0.5 1.0 1.5 2.0 2.5 弹簧总长度/ 6.0 7.2 8.4 9.6 10.8 12.0 弹簧伸长量/ 0 1.2 2.4 3.6 ___________ ___________ (1)请你帮助陈明同学完成上表。 (2)根据表中数据,在如图的坐标中描点,并画出弹簧伸长量与拉力的关系图。___________ (3)分析实验数据或从弹簧伸长量与拉力的关系图,你可得到的结论是:___________。 (4)此实验结论在物理测量工具中的应用是___________。 答案:8 6.0 在弹簧的弹性限度内,弹簧的伸长量与拉力成正比 弹簧测力计 【详解】 (1)[1][2]分析表中所给的数据,可知不挂钩码即弹力为零时,弹簧长度是6.0cm 解析:8 6.0 在弹簧的弹性限度内,弹簧的伸长量与拉力成正比 弹簧测力计 【详解】 (1)[1][2]分析表中所给的数据,可知不挂钩码即弹力为零时,弹簧长度是6.0cm,拉力逐渐增大,弹簧的总长度也逐渐增大,弹簧的伸长量等于弹簧的总长度减去弹簧的原长,则弹簧的伸长量分别为 L5=L5-L0=10.8cm-6.0cm=4.8cm L6=L6-L0=12.0cm-6.0cm=6.0cm (2)[3]根据表中数据描点,在图中的坐标系画出弹簧伸长量与拉力的关系图如下图所示。 (3)[4]分析实验数据或从弹簧伸长量与拉力的关系图可知:弹簧受到的拉力每增加0.5N,弹黄的伸长量也增加1.2cm,所以弹簧的伸长量与弹簧受到的的拉力成正比,故可得到:在弹簧的弹性限度内,弹簧的伸长量与拉力成正比。 (4)[5]此实验结论应用在我们所学过的弹簧测力计这一测量工具中。 3.在探究“重力的大小跟什么因素有关系”的实验中,按照图甲所示,把钩码逐个挂在弹簧测力计上,分别测出它们受到的重力,并记录在下面的表格中。 质量 100 200 300 400 500 重力 1.0 3.6 4.0 5.1 (1)实验前,为了提高测量的准确程度,应在___________(“竖直”或“水平”)方向上对弹簧测力计进行调零; (2)把钩码挂在弹簧测力计下保持___________时,弹簧测力计对钩码的拉力等于钩码受到的重力; (3)第2次测量时弹簧测力计如图甲所示,示数为___________N; (4)根据表格中的实验数据,在画出重力与质量的关系图像如图乙,从图中可看出所描的点不在同一直线上,这现象称为___________; (5)从实验我们可以得出的结论是___________。 答案:竖直 静止 2 误差 物体所受的重力与物体质量成正比 【详解】 (1)[1]实验前,为了提高测量的准确程度,应在竖直方向上对弹簧测力计进行调零。 (2)[2]测量物体 解析:竖直 静止 2 误差 物体所受的重力与物体质量成正比 【详解】 (1)[1]实验前,为了提高测量的准确程度,应在竖直方向上对弹簧测力计进行调零。 (2)[2]测量物体重力时,当物体静止时,物体受到的重力与弹簧测力计的拉力是一对平衡力,弹簧测力计对钩码的拉力等于钩码受到的重力。 (3)[3]由图可知,弹簧测力计的分度值为,示数为2N。 (4)[4]根据表格中的实验数据,在画出重力与质量的关系图像如图乙,从图中可看出所描的点不在同一直线上,这现象称为误差。 (5)[5]从实验数据我们可以得出的结论是物体所受的重力与物体质量成正比。 4.由于地球的吸引而使物体受到的力叫做重力,地球附近的物体都受到重力的作用,跟地球一样,在其它星球上的物体也受到重力作用,如表列出的是质量是1kg的物体,在不同星球上受到的重力。 星球 月球 水星 金星 地球 火星 木星 土星 天王星 海王星 重力N 1.62 3.60 8.50 9.80 3.76 22.9 9.05 8.30 11.0 (1)由如表可知,同一物体放在______星上受到的重力最大,在金星上的8.50N/kg表示的物理意义是______; (2)一宇航员质量为70kg,这个宇航员在海王星上的重力为______; (3)地球上重力的方向总是______(选填“垂直向下”或者“竖直向下”)。 答案:木 在金星上,质量是1kg的物体受到的重力是8.50N 770N 竖直向下 【详解】 (1[1])由表中数据可知,同一物体在木星上受到的重力最大。 [2]金星上g=8.50 解析:木 在金星上,质量是1kg的物体受到的重力是8.50N 770N 竖直向下 【详解】 (1[1])由表中数据可知,同一物体在木星上受到的重力最大。 [2]金星上g=8.50N/kg,它表示的物理意义是:在金星上,质量是1kg的物体受到的重力是8.50N。 (2)[3]根据图表可知,1kg的物体在海王星的受到的重力为11.0N,即 所以宇航员在海星上的重力为 G=m宇g海=70kg×11.0N/kg=770N (3)[4]在地球上,重力的方向总是竖直向下的。 5.在“探究重力的大小跟质量的关系”实验中,得到如下表数据所示: m/kg 0.1 0.3 0.5 0.7 0.9 G/N 0.98 2.94 4.90 6.86 (1)本实验中用到的测量器材有:______和______; (2)分析表中数据可知:物体的质量为0.9kg时,它受到的重力是______N; (3)在如图所示的四个图象中,关于物体重力的大小与其质量的关系,正确的是______; A. B. C. D. (4)你认为在太空站工作时,用同样的器材______(选填“能”或”不能”)完成该探究。 答案:天平 弹簧测力计 8.82 B 不能 【详解】 (1)[1][2]实验目的是探究重力与质量的关系,因此需要测量物体的质量和重力,测量质量需要托盘天平,测重力需要弹簧测 解析:天平 弹簧测力计 8.82 B 不能 【详解】 (1)[1][2]实验目的是探究重力与质量的关系,因此需要测量物体的质量和重力,测量质量需要托盘天平,测重力需要弹簧测力计。 (2)[3]分析表中数据可得,重力与质量的比值 =9.8N/kg 当物体的质量为0.9kg时,它受到的重力 G=mg=0.9kg×9.8N/kg=8.82N (3)[4]因为=9.8N/kg为正比例函数,说明物体所受的重力跟它的质量成正比,图象过坐标原点的倾斜直线。 故选B。 (4)[5]由于物体在太空中不再受到地球的重力作用,不能进行此实验。 6.小卢和小蒋在“探究影响滑动摩擦力大小的因素”实验中,小卢猜想影响滑动摩擦力大小的因素可能有:A.接触面所受的压力大小;B.接触面的粗糙程度;C.物体运动的速度。接下来小卢通过在不同的表面拉动同一物块做匀速直线运动进行探究(如图所示),并记录实验结果如下表。 实验次数 接触面 接触而受压力大小 物块运动速度 弹簧测力计拉力F/N 1 木板表面 G物 v 2.8 2 木板表面 G物 2v 2.8 3 木板表面 G物+GP v 4.4 4 毛巾表面 G物 v 4.0 5 毛巾表面 G物 2v (1)根据______知识,实验中滑动摩擦力大小f______(选填“大于”、“等于”或“小于”)弹簧测力计拉力F; (2)根据实验次数1、4可得出初步结论:______; (3)研究第3、4两次实验,小蒋认为可以得出“接触面所受压力越大,物块所受的摩擦力也越大”的结论。小蒋的分析过程______(选填“正确”或“错误”),原因是______; (4)根据前4次实验,得出影响滑动摩擦力大小的因素后,小卢又做了第五次实验,请判断弹簧测力计的示数应该为______N; (5)小蒋发现小卢上述实验过程中弹簧测力计的示数并不稳定,于是改进了实验装置,如图丁所示,改进后长木板______(选填“一定”或“不一定”)要做匀速直线运动。 答案:二力平衡 等于 当压力大小相同时,接触面越粗糙,滑动摩擦力越大。 错误 没有控制粗糙程度相同 4.0 不一定 【详解】 (1)[1][2]实验中,弹簧测力 解析:二力平衡 等于 当压力大小相同时,接触面越粗糙,滑动摩擦力越大。 错误 没有控制粗糙程度相同 4.0 不一定 【详解】 (1)[1][2]实验中,弹簧测力计拉着木块做匀速直线运动,木块受到的拉力和摩擦力是一对平衡力,大小相等。 (2)[3]由表格中可以看出,1、4两次实验,控制了压力大小相同,改变接触面的粗糙程度,接触面越粗糙,弹簧测力计的拉力越大,说明当压力大小相同时,接触面越粗糙,滑动摩擦力越大。 (3)[4][5]由表格得,3、4两次实验,木块运动速度相同,接触面粗糙程度和压力大小都不同,没有控制粗糙程度相同,因此小蒋的分析过程错误。 (4)[6]由1、2两次实验得,当压力和粗糙程度相同,匀速直线运动的速度不同时,弹簧测力计的拉力相同,说明滑动摩擦力大小与运动速度大小无关,4、5,两次实验,压力和粗糙程度相同,匀速直线运动的速度不同,因此木块受到的滑动摩擦力相同,弹簧测力计的拉力相同,第五次实验,弹簧测力计的示数为4.0N,故第五次实验,弹簧测力计的示数应该为4.0N。 (5)[7]丁图中,不管怎么拉动木板,木块始终相对地面保持静止,木块受到的摩擦力与弹簧测力计的拉力始终是一对平衡力,因此改进后长木板不一定要做匀速直线运动。 7.在“探究滑动摩擦力大小与什么因素有关”实验中,小明同学选用了一块带钩的长方体木块(重力为G、各个表面粗糙程度一样)、质量相等的几个钩码、弹簧测力计一只。请补全下列步骤中的相应内容: (1)小明拉着木块在水平桌面上做直线运动,实验记录如下表。由此可知,则滑动摩擦力的大小于 _____; 实验次数 1 2 3 木块运动情况 越来越快 匀速 越来越慢 弹簧测力计示数/N 4.5 3.0 2.1 (2)接着,小明用弹簧测力计水平匀速拉动木块在桌面上进行了3次实验,实验记录如下表。分析表中数据可以得出的结论是 _____; 实验次数 1 2 3 木块放置情况 立放 平放 侧放 弹簧测力计示数/N 3.0 3.0 3.0 (3)如表是一次实验中记录的数据,根据数据得出的结论是 _____。 实验次数 接触面材料 压力/N 弹簧测力计示数/N 1 木块与木板 4 0.8 2 6 1.2 3 8 1.6 4 10 2.0 答案:3N 滑动摩擦力的大小与接触面积无关 在接触面的粗糙程度相同时,压力越大,滑动摩擦越大 【详解】 (1)[1]用弹簧测力计匀速拉动木块时,木块做匀速直线运动时受到的力是平衡力,根 解析:3N 滑动摩擦力的大小与接触面积无关 在接触面的粗糙程度相同时,压力越大,滑动摩擦越大 【详解】 (1)[1]用弹簧测力计匀速拉动木块时,木块做匀速直线运动时受到的力是平衡力,根据二力平衡的知识可知,此时的摩擦力大小等于弹簧测力计对木块的拉力,故摩擦力为3N。 (2)[2]由表格数据可知,弹簧测力计拉着同一个木块在水平面上做匀速直线运动,压力相同,放置情况不同,接触面积不同,拉力相同,摩擦力相同,故结论为:滑动摩擦力的大小与接触面积无关。 (3)[3]由表格数据可知,弹簧测力计拉着同一个木块在水平面上做匀速直线运动,接触面的粗糙程度相同,压力不同,压力越大,摩擦力越大,故结论为:在接触面的粗糙程度相同时,压力越大,滑动摩擦越大。 8.小宇要探究“影响滑动摩擦力大小的因素”,他猜想影响滑动摩擦力大小的因素可能有: .接触面所受的压力大小 .接触面的粗糙程度 .物体运动的速度 接下来小宇通过如图所示的实验操作开展探究。 (1)进行甲、乙、丙图实验时,弹簧测力计必须沿水平方向拉着物体做___________运动; (2)要验证猜想,需按照___________两个图(选填“甲”“乙”或“丙”)进行对比实验; (3)比较甲、乙图的实验,得到的实验结论是___________; (4)小颖发现小宇上述实验操作中弹簧测力计的示数并不稳定,于是改进了实验装置,如图丁所示。改进后长木板___________(选填“一定”或“不一定”)要做匀速直线运动。进一步分析可知木板受到木块对它的水平向___________(选填“左”或“右”)的摩擦力; (5)将物块沿竖直方向切去一半后重复甲操作,发现此时弹簧测力计的示数减小。小宇由此得出结论:滑动摩擦力大小与接触面积的大小有关。你认为他的结论是_______(选填“正确”或“错误”)的,原因是___________。 答案:匀速直线 甲、丙 接触面粗糙程度相同时,压力越大,滑动摩擦力越大 不一定 左 错误 没有控制压力不变 【详解】 (1)[1]进行甲、乙、丙图实验时,弹簧测 解析:匀速直线 甲、丙 接触面粗糙程度相同时,压力越大,滑动摩擦力越大 不一定 左 错误 没有控制压力不变 【详解】 (1)[1]进行甲、乙、丙图实验时,弹簧测力计必须沿水平方向拉着物体做匀速直线运动, 这样物体才处于平衡状态,拉力等于摩擦力。 (2)[2]要验证猜想,摩擦力的大小与接触面的粗糙程度有关,故需要改变接触面的粗糙程度,故接触面的粗糙程度不同,压力相同,故选择甲、丙两个图。 (3)[3]比较甲、乙图的实验,接触面的粗糙程度相同,压力变大,摩擦力变大,故得到的实验结论是接触面粗糙程度相同时,压力越大,滑动摩擦力越大。 (4)[4][5]如图改进后的长木板不一定要匀速直线运动,因为只要拉动长木板,木块所受的的摩擦力就是滑动摩擦力,其大小与速度无关,故不需要匀速拉动长木板;进一步分析可知木板受到木块对它的水平向左的摩擦力,因为对木块进行受力分析,其在水平方向上受到了向左的拉力,而此时木块处于静止,故受平衡力,根据二力平衡的知识可知,木板对木块的摩擦力的方向是向右的,而木块对木板的摩擦力与木板对木块的摩擦力是相互作用力,故木板受到了木块给其向左的摩擦力。 (5)[6][7]将物块沿竖直方向切去一半后重复甲操作,压力变小了,接触面积也变小了,多个变量,无法判断,故结论是错误的; 原因是没有控制影响摩擦力大小的关键因素压力相同。 9.在研究“影响滑动摩擦力大小的因素”的实验中,进行的实验过程如下甲乙丙丁戊图所示: (1)实验中,认为弹簧测力计的示数即为木块A所受滑动摩擦力的原因是:当物体保持______运动时,物体处于平衡状态,其力的关系为f=F拉。这里使用的实验研究方法有______法。 (2)由甲乙两图可知,滑动摩擦力的大小与______有关。 (3)由______两图可知,滑动摩擦力的大小与压力大小有关。 (4)由于实验中难以保持物体做匀速直线运动,同学们对实验进行了如图丁和戊的改进。你觉得这样改进的好处是______。 答案:匀速直线 控制变量/转换 接触面的粗糙程度 甲、丙 不用使物体保持匀速直线运动,方便操作 【详解】 (1)[1]因为木块匀速直线拉动时,处于平衡状态,拉力与摩擦力是一 解析:匀速直线 控制变量/转换 接触面的粗糙程度 甲、丙 不用使物体保持匀速直线运动,方便操作 【详解】 (1)[1]因为木块匀速直线拉动时,处于平衡状态,拉力与摩擦力是一对平衡力,此时弹簧测力计的示数即为木块A所受滑动摩擦力。 [2]根据题意知道,研究摩擦力与多因素的关系时,采用了控制变量法;通过拉力来间接测摩擦力,用到了转换法。 (2)[3]比较甲乙两图知道,物体A对接触面的压力相同,但接触面不同,即接触面的粗糙程度不同,同时弹簧秤示数不同,说明滑动摩擦力的大小与接触面的粗糙程度有关。 (3)[4]比较各实验图知道,甲丙图中,物体接触面相同,压力大小不同,而弹簧秤示数不同,说明滑动摩擦力的大小与压力大小有关。 (4)[5]由图知道,改进后,木块与弹簧测力计固定不动,拉动木板运动,该实验设计的优点是:一方面,不需要木板做匀速直线运动,便于实验操作,另一方面,由于测力计静止便于读数。 10.如图A、B是同种材料制成的大小不同的正方体,他们表面的粗糙程度相同,将它们分别按照甲、乙所示叠放,用弹簧秤水平拉动它们一起在同一水平桌面上运动。回答下列问题: (1)测量它们受到的滑动摩擦力时,我们要______拉动弹簧测力计。 (2)上图中,弹簧秤的示数是______。 (3)有一种猜想认为摩擦力大小与受力面积大小无关.若要利用这个实验来验证,你应该选用图中的哪两个实验操作图来说明问题______(选填甲、乙、丙、丁)。 (4)若要利用甲、丙实验来探究摩擦力大小与哪些因素有关,可以得到什么结论?______ 答案:匀速 1.2N 甲乙 粗糙程度一定时,压力越大滑动摩擦力越大 【详解】 (1)[1]只匀速拉动弹簧测力计时,摩擦力和拉力保持平衡,大小相等,所以可以用弹簧测力计的示数表示摩 解析:匀速 1.2N 甲乙 粗糙程度一定时,压力越大滑动摩擦力越大 【详解】 (1)[1]只匀速拉动弹簧测力计时,摩擦力和拉力保持平衡,大小相等,所以可以用弹簧测力计的示数表示摩擦力的大小。 (2)[2]由图可知,弹簧测力计的示数为1.2N。 (3)[3]探究摩擦力大小与受力面积大小的关系,需要控制压力和粗糙程度保持不变,改变受力面积的大小,观察弹簧测力计的示数是否发生变化,因此选择甲、乙两图。 (4)[4]甲、丙实验中,接触面粗糙程度和受力面积相同,压力不同,因此探究的是摩擦力大小与压力的关系,该实验可以得到的结论是粗糙程度一定时,压力越大滑动摩擦力越大。 11.小明同学在探究“压力的作用效果与哪些因素有关”的实验中,用砝码、小桌、海绵、木板做了甲、乙、丙、丁四次实验,其中乙、丙、丁三次实验使用的是海绵,实验甲使用的是木板,如图所示。 (1)在实验中,小明同学是通过观察海绵的________来比较压力作用效果的。 (2)为了探究压力的作用效果与压力大小的关系,小明同学应该通过比较________两次实验得出结论。 (3)通过比较乙、丙两次实验,小明得到的结论是_________。 (4)若比较实验丙中海绵受到的压强p丙和实验丁中木板受到的压强p丁的大小,其大小关系应该为p丙_________p丁(选填“>”、“<”或“=”)。 答案:凹陷程度 乙、丙 当受力面积相同时,压力越大,压力作用效果越明显 > 【详解】 (1)[1]压力的作用效果不便直接测量,所以在实验中往往利用“转换法”,将不易被测量的压力的 解析:凹陷程度 乙、丙 当受力面积相同时,压力越大,压力作用效果越明显 > 【详解】 (1)[1]压力的作用效果不便直接测量,所以在实验中往往利用“转换法”,将不易被测量的压力的作用效果转换成容易被观察的实验现象,那么该实验用的是海绵的凹陷程度来表示压力的作用效果。 (2)[2]在进行实验时,我们往往需要控制变量,这种方法叫做“控制变量法”,该实验是为了探究压力的作用效果和压力大小的关系,变量是压力的大小,所以我们需要控制其他的因素不变。在乙、丙实验中,桌子和海绵的接触面积相同,丙比乙多了一个砝码,变量是海绵受到的压力大小,符合实验探究目的。 (3)[3]当受力面积相同时,压力越大,压力作用效果越明显。 (4)[4]比较丙、丁两组实验,明显可以观察到丙的海绵凹陷程度大于丁,所以丙的压力的作用效果大于丁,即p丙>p丁。 12.如图所示是“探究液体内部压强的特点”的实验过程; (1)实验前,要通过调试,保证压强计两边玻璃管中的液面 ______,压强计金属盒上的橡皮膜应选用 ______(选填“薄”或“厚”)一些的较好; (2)实验中通过观察压强计U形管两端液面的 ______来显示橡皮膜所受压强的大小; (3)如图甲、乙、丙所示,将压强计的探头放在水中的同一深度处,使橡皮膜朝向不同的方向,观察到U形管内液面高度差 ______(选填“不改变”或“改变”),这说明同种液体同一深度,液体内部向各个方向的压强 ______; (4)根据 ______两个图的实验现象进行对比,这是“探究液体压强与深度的关系”; (5)为了“探究液体压强与液体密度的关系”,利用如图戊所示的装置进行实验,当注入水和盐水的深度相同时,若橡皮膜出现图示情况,说明隔板左侧的液体对橡皮膜的压强 ______(选填“大于”、“小于”或“等于”)隔板右侧的液体对橡皮膜的压强,则隔板 ______(选填“左”或“右”)侧的液体是盐水。 答案:相平 薄 高度差 不改变 相等 甲、丁 小于 右 【详解】 (1)[1][2]实验前,要通过调试,保证压强计两边玻璃管中的液面相平;在实验中,U形管 解析:相平 薄 高度差 不改变 相等 甲、丁 小于 右 【详解】 (1)[1][2]实验前,要通过调试,保证压强计两边玻璃管中的液面相平;在实验中,U形管压强计金属盒上的橡皮膜应该选用薄一些的为好,这样在测量时会较灵敏,实验效果明显。 (2)[3]用压强计测量液体内部压强,通过U形管左右液面出现高度差来反映压强的大小,这用到了转换法。 (3)[4][5]如图甲、乙、丙所示,将压强计的探头放在水中的同一深度处,使橡皮膜朝向不同的方向,会观察到U形管内液面高度差不改变,这说明液体内部在同一深度向各个方向的压强相等。 (4)[6]要探究液体压强与深度的关系,需要控制液体的密度相同,改变深度,图甲和丁符合题意。 (5)[7][8]若橡皮膜出现图示情况,即橡皮膜向左凸出,说明隔板左侧的液体对橡皮膜压强小于隔板右侧的液体对橡皮膜压强,因液体深度相同,根据p=ρgh可知,则隔板右侧的液体密度较大,是盐水。 13.生活经验告诉我们:①自行车在烈日暴晒下,车胎容易发生爆炸。②压缩一段封闭在注射器内的空气,发现越压缩需要的推力越大。 (1)一定质量的气体产生的压强与哪些因素有关?根据生活经验提出以下猜想:猜想一:一定质量的气体产生的压强可能与气体的温度有关; 猜想二:一定质量的气体产生的压强可能与气体的体积有关; (2)为验证猜想一,进行如下操作: 步骤一,取一根长约为1米一端封闭的细玻璃管,在室温(20℃)下用水银封闭一端空气柱,将玻璃管竖直固定,并在玻璃管上标出水银柱下表面的位置如图所示; 步骤二,将空气柱浸入50℃的水中,待水银柱不再上升时,缓慢地向玻璃管内注入水银直到水银柱的下表面到达 ______为止,目的是为了控制 ______相同; 步骤三,将空气柱浸入80℃的水中,重复实验; ①实验中用 ______反映气体压强的大小,下列实验中与本实验研究方法不同的是______; A.探究平面镜成像时像与物的大小关系 B.探究阻力对物体运动的影响 C.探究压力作用效果与哪些因素有关 ②实验过程发现,水的温度越高,上方水银柱的长度越长 由此可以得到的结论是:一定质量的气体,在其他条件相同时,温度越高,气体产生的压强越 ______; (3)为验证猜想二,进行如下操作: 取一根长约为1米一端封闭的细玻璃管,在室温(20℃)下用水银封闭一段空气柱。将玻璃管竖直固定,要使空气柱不断变短,需要不断向玻璃管内注入水银,说明猜想二是 ______选填(“正确”或“错误”); (4)天气炎热的夏天,自行车车胎容易因为轮胎内气压过大而爆胎,请说出一种防止爆胎的方法 ______。 答案:标记处 气体体积 水银柱的长度 A 大 正确 适当放出部分气体 【详解】 (2)[1][2]步骤二,将空气柱浸入的水中,待水银柱不再上升时,缓慢地向玻璃管 解析:标记处 气体体积 水银柱的长度 A 大 正确 适当放出部分气体 【详解】 (2)[1][2]步骤二,将空气柱浸入的水中,待水银柱不再上升时,缓慢地向玻璃管内注入水银直到水银柱的下表面到达标记处为止,目的是为了控制气体体积相同。 ①[3][4]步骤三,将空气柱浸入的水中,用水银柱的长度反映气体压强的大小,运用了转换法。 A.探究平面镜成像时像与物的大小关系,用到等效替代法,故A符合题意; BC.探究阻力对物体运动的影响和探究压力作用效果与哪些因素有关实验中都运用了转换法,故与本实验研究方法相同的是BC,故BC不符合题意。 ②[5]实验过程发现,水的温度越高,上方水银柱的长度越长,水银柱的压强越大,由此可以得到的结论是:一定质量的气体,在其他条件相同时,温度越高,气体产生的压强越大。 (3)[6]为验证猜想二,进行如下操作:取一根长约为1米一端封闭的细玻璃管,在室温(20℃)下用水银封闭一段空气柱。将玻璃管竖直固定,要使空气柱不断变短,需要不断向玻璃管内注入水银,说明一定质量的气体产生的压强与气体的体积有关,故猜想二是正确的。 (4)[7]天气炎热的夏天,自行车车胎容易因为轮胎内气压过大而爆胎,防止爆胎的方法是适当放出一些气体(或泼水降温)。 14.在“探究影响液体内部压强大小的因素”的实验中,操作过程如图所示。 (1)实验中液体压强的大小是通过比较压强计U形管两侧液面 ______的大小来比较的,该物理研究方法叫做 ______法; (2)通过比较图B和图 ______这两图实验现象,可得出结论:同种液体的压强随深度的增加而 ______(选填“增大”、“减小”或“不变”); (3)通过比较D、E两图,可探究液体压强与 ______的关系,可得出结论:______; (4)通过比较A、B、C三图,可得出结论:同种液体在相同深度下各个方向的压强 ______。 答案:高度差 转换法 D 增大 液体密度 深度一定时,液体压强随密度的增加而增大 相等 【详解】 (1)[1][2]压强计是通过U形管中液面的高度差来反映被测压 解析:高度差 转换法 D 增大 液体密度 深度一定时,液体压强随密度的增加而增大 相等 【详解】 (1)[1][2]压强计是通过U形管中液面的高度差来反映被测压强大小的,液面高度差越大,液体的压强越大;这种方法叫做转换法。 (2)[3][4]要探究液体的压强与深度的关系,需要控制液体的密度相同和金属盒的方向相同,改变液体深度,图B、D符合要求,分析实验现象,可得出结论:同种液体的压强随深度的增加而增大。 (3)[5][6]比较D、E两个图可知,金属盒所处的深度相同,液体的密度不同,因此可探究液体压强与液体密度的关系,由于盐水的密度大于水的密度,分析实验现象,可得出结论:深度一定时,液体压强随密度的增加而增大。 (4)[7]比较A、B、C三个图,液体的密度和金属盒所处的深度相同,金属盒的方向不同,U形管内液面的高度差相同,说明金属盒处的液体压强相同,因此可以得出结论:同种液体在相同深度,向各个方向的压强都相等。 15.在研究液体压强的实验中,进行了如图所示的操作: (1)实验过程中,通过观察U形管左右两侧液面高度差,反映橡皮膜所受液体压强的大小。高度差越大,说明液体压强越 ___________。 (2)对比乙、丙两图,可以探究液体压强与 ___________的关系。 (3)图乙中,若保持探头位置不变,改变橡皮膜朝向,使其朝上、朝下、朝左、朝右,这是为了探究在同种液体、同一深度处,液体内部向 ___________的压强大小关系。 (4)图丙中,若将烧杯中的盐水抽掉一半,保持探头的位置不动,则U形管左右两侧液面高度差将 ___________。 答案:大 液体密度 各个方向 变小 【详解】 (1)[1]根据转换法,实验过程中,通过观察U形管左右两侧液面高度差,反映橡皮膜所受液体压强的大小,高度差越大,说明液体压强越大。 解析:大 液体密度 各个方向 变小 【详解】 (1)[1]根据转换法,实验过程中,通过观察U形管左右两侧液面高度差,反映橡皮膜所受液体压强的大小,高度差越大,说明液体压强越大。 (2)[2]液体压强与液体的密度和深度有关,研究时应使用控制变量的方法。对比乙、丙两图,盐水的密度大于水的密度,探头所处深度相同,故可以探究液体压强与液体密度的关系。 (3)[3]图乙中,若保持探头位置不变,改变橡皮膜朝向,使其朝上、朝下、朝左、朝右,这是为了探究在同种液体、同一深度处,液体内部向各个方向的压强大小关系。 (4)[4]图丙中,若将烧杯中的盐水抽掉一半,保持探头的位置不动,则液体的密度不变,探头所处位置的深度变小,根据p=ρ液gh可知探头所处位置的液体压强变小,则U形管左右两侧液面高度差将变小。 16.小明为了验证阿基米德原理,用一个密度大于水的合金块设计了如图所示的实验顺序,弹簧测力计的示数分别表示为 G物、F1、F2、G空桶。 (1)按图中的顺序测出合金块排开水的重力将___________(偏大/偏小);原因是:__________;当顺序调整后,实验中的测量结果满足关系式:______(用图中所测量的字母表示)时,则该实验结果说明阿基米德原理成立。 (2)按照合理的顺序实验,以下情况会影响验证结果的是(______) A.图②中水面未到达杯口 B.图③中合金块未全部浸没在水中 C.图③中合金块浸没水中过深(没有碰到容器底部) (3)根据该实验得到的结论,可求出合金块的体积为___________;合金块的 密度为___________(用测得的物理量的符号表示,已知水的密度为 ρ水)。 (4)实验后,小明又利用上面实验中的器材和木块,正确地探究了漂浮在水面上的物体所受浮力的大小是否遵循阿基米德原理,实验过程中哪一个步骤可以不用弹簧测力计。这个步骤是___________(填写数字序号,②除外)。 答案:偏小 步骤⑤中桶中附有少量水 G物-F1=F2-G桶 A ③ 【详解】 (1)[1][2][3] 按图中的顺序测出合金块排开水的重力将偏小。按图中的顺 解析:偏小 步骤⑤中桶中附有少量水 G物-F1=F2-G桶 A ③ 【详解】 (1)[1][2][3] 按图中的顺序测出合金块排开水的重力将偏小。按图中的顺序是先测出空桶和排出的水的重力,后测出空桶的重力,这样由于步骤⑤中桶中附有少量水,测出的空桶的重力会偏大,所以最后得出合金块排水的重力将偏小,为了避免实验错误,小桶接水前,应测出空桶的重力。图①测出了物体的重力,图③测量的是物体浸在水中弹簧测力计的拉力,根据称重法测浮力,则物体受到的浮力 F浮=G物﹣F1 溢水中溢出的水的重力 G排=F2﹣G空桶 所以如果 G物﹣F1=F2﹣G空桶 则该实验结果说明阿基米德原理成立。 (2)A.图②中水面未到达杯口,则排开的水没有全部溢出,则测量的溢出的水的重力会小于实际排开水的重力,会对实验造成影响,故A符合题意; B.图③中合金块未全部浸没在水中,排开水的体积减小,受到的浮力也会减小,同样可以探究浮力大小与排开液体所受重力的关系,故B不符合题意; C.图③中合金块浸没水中过深(没有碰到容器底部),石块对底部没有产生压力,弹簧测力计的示数不变,测量出浮力值不变,对实验结果没有造成影响,故C不符合题意。 故选A。 (3)[5][6]根据该实验得到的结论,由阿基米德原理 F浮=G物﹣F1=ρ水gV排=ρ水gV合金 可求出合金块的体积为 V合金= 合金块的密度为 (4)[7]木块在水中漂浮,浮力等于重力,所以不用弹簧测力计拉着木块,使其漂浮在水面上即可,故实验过程中步骤③可以不用弹簧测力计。 17.小明制作了一个可测量物体质量的装置,如图甲所示。小筒与大筒均为圆形容,小筒和托盘的总质量为100g,小筒底面积50cm2,高12cm,大筒中装有适量的水,托盘上不放物体时,在小筒和大筒上与水面相平的位置的刻度均为“0”,将小筒竖直压入水中,当水面距小筒底10cm时,在小筒和大筒上与水而相
展开阅读全文

开通  VIP会员、SVIP会员  优惠大
下载10份以上建议开通VIP会员
下载20份以上建议开通SVIP会员


开通VIP      成为共赢上传

当前位置:首页 > 教育专区 > 初中物理

移动网页_全站_页脚广告1

关于我们      便捷服务       自信AI       AI导航        抽奖活动

©2010-2026 宁波自信网络信息技术有限公司  版权所有

客服电话:0574-28810668  投诉电话:18658249818

gongan.png浙公网安备33021202000488号   

icp.png浙ICP备2021020529号-1  |  浙B2-20240490  

关注我们 :微信公众号    抖音    微博    LOFTER 

客服