收藏 分销(赏)

拟配备本工程的试验和检测仪器设备表完整版.doc

上传人:a199****6536 文档编号:1748898 上传时间:2024-05-08 格式:DOC 页数:2 大小:28.50KB 下载积分:5 金币
下载 相关 举报
拟配备本工程的试验和检测仪器设备表完整版.doc_第1页
第1页 / 共2页
拟配备本工程的试验和检测仪器设备表完整版.doc_第2页
第2页 / 共2页
本文档共2页,全文阅读请下载到手机保存,查看更方便
资源描述
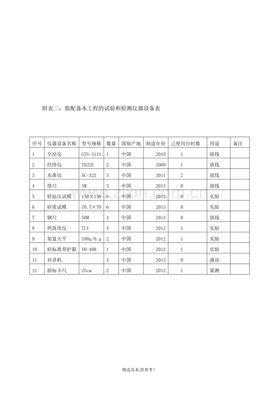
附表二:拟配备本工程的试验和检测仪器设备表 序号 仪器设备名称 型号规格 数量 国别产地 制造年份 己使用台时数 用途 备注 1 全站仪 GTS-311S 1 中国 2010 1 放线 2 经纬仪 TDJ2E 2 中国 2009 1 放线 3 水准仪 AC-322 3 中国 2011 2 放线 4 塔尺 5M 3 中国 2013 0 放线 5 砼抗压试模 150×150 6 中国 2013 0 实验 6 砂浆试模 70.7×70 6 中国 2013 0 实验 7 钢尺 50M 4 中国 2013 0 放线 8 坍落度仪 TLY 4 中国 2012 1 实验 9 架盘天平 100g/0.g 2 中国 2012 1 实验 10 砼标准养护箱 YH-40B 1 中国 2012 1 实验 11 对讲机 4 中国 2013 0 通讯 12 游标卡尺 25cm 2 中国 2012 1 量测 【本文档内容可以自由复制内容或自由编辑修改内容期待你的好评和关注,我们将会做得更好】 精选范本,供参考!
展开阅读全文

开通  VIP会员、SVIP会员  优惠大
下载10份以上建议开通VIP会员
下载20份以上建议开通SVIP会员


开通VIP      成为共赢上传

当前位置:首页 > 包罗万象 > 大杂烩

移动网页_全站_页脚广告1

关于我们      便捷服务       自信AI       AI导航        抽奖活动

©2010-2026 宁波自信网络信息技术有限公司  版权所有

客服电话:0574-28810668  投诉电话:18658249818

gongan.png浙公网安备33021202000488号   

icp.png浙ICP备2021020529号-1  |  浙B2-20240490  

关注我们 :微信公众号    抖音    微博    LOFTER 

客服