收藏 分销(赏)

应急管理规范化建设自评表-2016.11.15[1].doc

上传人:精*** 文档编号:1722616 上传时间:2024-05-08 格式:DOC 页数:8 大小:124KB 下载积分:6 金币
下载 相关 举报
应急管理规范化建设自评表-2016.11.15[1].doc_第1页
第1页 / 共8页
应急管理规范化建设自评表-2016.11.15[1].doc_第2页
第2页 / 共8页


点击查看更多>>
资源描述
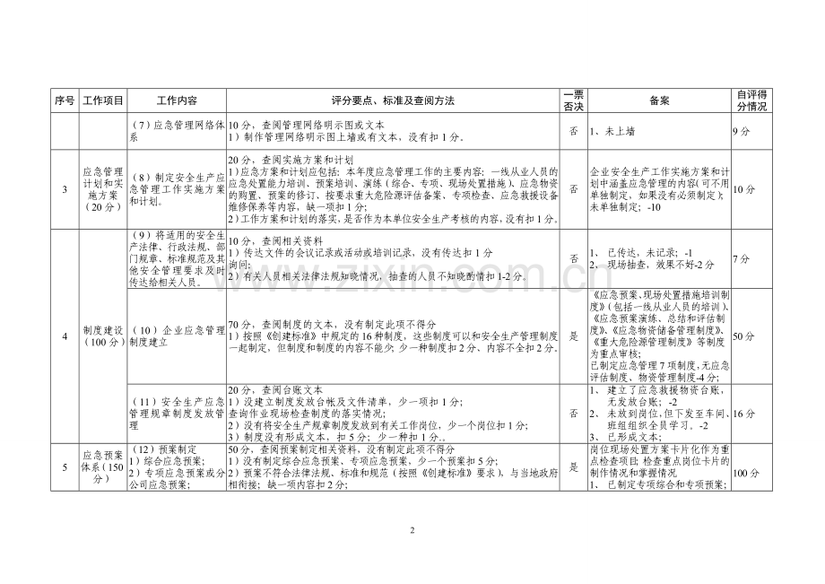
应急管理规范化创建工作自评表 序号 工作项目 工作内容 评分要点、标准及查阅方法 一票否决 备案 自评得分情况 1 责任体系 (50分) (1) 企业建立应急管理责任体系 50分,查阅书面文件或文本 1) 责任制不符合法律法规的要求,扣1分; 2) 各级各类人员的安全生产应急管理责任制文件,缺一类人员扣1分: 3) 责任制中没有明确应急管理预案管理,应急演练,专(兼)职救护队建设,应急物资储备做好应急救援装备的配备和应急物资储备工作,重大危险源管理,应急培训等内容,应急管理工作纳入法定代表人目标管理责任制;缺一项扣2分; 4)没形成文本扣1分.。 否 1、 符合法律法规要求; 2、 有指挥、各应急小组负责人员应急管理责任制文件,无各车间应急救援人员责任制文件,且无红头文件,需完善。扣1分; 3、 应急救援物资配备齐全,无专项应急救援实操培训;扣2分 4、 未形成文本扣1分; 扣4分,最终得分46分 2 机构建设 (80分) (2) 明确安全生产应急管理第一责任人 10分,查阅书面文件 1)没有确定第一责任人,扣1分; 2)安全生产应急管理第一责任人的文件没有下发,扣1分。 否 1、 已明确; 2、 文件未下发;扣1分; 9分 (3)层层签订安全生产应急管理责任书 20分,查阅安全生产责任书 1)一层没签订,扣1分; 2)没有形成文本,扣1分。 否 1、 已签订安全生产承诺书; 2、 未形成文本形成文本;-1 19分 (4)企业最高决策者承诺书 10分,查阅最高决策者承诺书 1)企业最高决策者承诺遵守国家有关安全生产应急管理的法规政策标准,缺少法律法规要求的内容,扣1分; 2)没形成文本,扣1分。 否 1、 缺少法律法规要求规范;-1分 2、 未形成文本;-1分; 8分 (5)企业应急管理机构 10分,查阅机构设置文件或职责 1)没有设置专兼职管理机构,此项不得分; 2)没有书面任命文件,扣1分。 是 1、 已设置专职应急管理机构; 2、 有书面任命文件。-1分 9分 (6)配备专兼职应急管理人员 20分,查阅人员任职文件或责任制,此项不得分 1)明确各层级应急指挥人员,明确调度人员和一线班组长紧急情况撤离人员,缺一项扣1分; 2)职能部门应急管理负责人、具体管理人员,缺一项扣1分。 是 1、 齐全; 2、 齐全; 20分 (7)应急管理网络体系 10分,查阅管理网络明示图或文本 1) 制作管理网络明示图上墙或有文本,没有扣1分。 否 1、未上墙 9分 3 应急管理 计划和实施方案(20分) (8)制定安全生产应急管理工作实施方案和计划。 20分,查阅实施方案和计划 1)应急方案和计划应包括:本年度应急管理工作的主要内容:一线从业人员的应急处置能力培训、预案培训、演练(综合、专项、现场处置措施)、应急物资的购置、预案的修订、按要求重大危险源评估备案、专项检查、应急救援设备维修保养等内容,缺一项扣1分; 2)工作方案和计划的落实,是否作为本单位安全生产考核的内容,没有扣1分。 否 企业安全生产工作实施方案和计划中涵盖应急管理的内容(可不用单独制定,如果没有必须制定); 未单独制定;-10 10分 4 制度建设 (100分) (9)将适用的安全生产法律、行政法规、部门规章、标准规范及其他安全管理要求及时传达给相关人员。 10分,查阅相关资料 1)传达文件的会议记录或活动或培训记录,没有传达扣1分 询问: 2)有关人员相关法律法规知晓情况,抽查的人员不知晓酌情扣1-2分。 否 1、 已传达,未记录;-1 2、 现场抽查,效果不好-2分 7分 (10)企业应急管理制度建立 70分,查阅制度的文本,没有制定此项不得分 1)按照《创建标准》中规定的16种制度,这些制度可以和安全生产管理制度一起制定,但制度和制度的内容不能少;少一种制度扣2分、内容不全扣2分。 是 《应急预案、现场处置措施培训制度》(包括一线从业人员的培训)、《应急预案演练、总结和评估制度》、《应急物资储备管理制度》、《重大危险源管理制度》等制度为重点审核; 已制定应急管理7项制度,无应急评估制度、物资管理制度-4分; 50分 (11)安全生产应急管理规章制度发放管理 20分,查阅台账文本 1)没建立制度发放台帐及文件清单,少一项扣1分; 查询作业现场检查制度的落实情况; 2)没有将安全生产规章制度发放到有关工作岗位,少一个岗位扣1分; 3)制度没有形成文本,扣5分;少一种扣1分.。 否 1、 建立了应急救援物资台账,无发放台账;-2 2、 未放到岗位,但下发至车间、班组组织全员学习。-2 3、 已形成文本; 16分 5 应急预案 体系(150分) (12)预案制定 1)综合应急预案; 2)专项应急预案或分公司应急预案; 3)岗位应急处置方案(措施)。 50分,查阅预案制定相关资料,没有制定此项不得分 1)没有制定综合应急预案、专项应急预案,少一个预案扣5分; 2) 预案不符合法律法规、标准和规范(按照《创建标准》要求),与当地政府相衔接;缺一项内容扣2分; 3)现场处置方案(岗位处置卡按照《创建标准》要求):制作是否与企业实际相符合,具有可操作性、实用性,缺一项扣2分; 4)询问作业现场员工现场处置方案(岗位处置卡)掌握程度,根据情况扣2-5分。 5)预案、现场处置方案没形成文本,缺一种扣2分.。 是 岗位现场处置方案卡片化作为重点检查项目;检查重点岗位卡片的制作情况和掌握情况 1、 已制定专项综合和专项预案; 2、 现场处置方案未及时更新;-5 3、 已形成文本; 100分 5 (12)预案的评审 10分,查询评审的相关资料 1) 是否按要求进行评审,没按要求进行评审扣1分; 2) 应急预案评审及相关资料没有及时进行归档扣1分; 3) 没有开展评审或论证的扣1分。 否 高危行业和中型规模以上的其他企业应当组织专家和相关部门对本单位编制的应急预案进行评审,其他企业组织专家对本单位编制的应急预 案进行论证, 10分 (13)预案的备案 20分,查询预案备案的相关资料,没有备案不得分; 1)应急预案备案登记表及归档资料,没有及时归档个一种材料扣1分。 是 1、应急拉练备案按时备案,无等级表;-5 15分 (14)应急预案的公布 20分,查询应急预案签字、公布时间 应急预案没有注明修订和生效日期、企业主要负责人审定并签发、公布,缺一项扣1分。 否 已注明修订时间,每年由应急第一负责人审核签订; 20分 (15)预案演练评估 10分,查阅应急预案演练书面评估报告,总结; 1)没有进行应急预案演练书面评估,总结演练情况,缺一项扣1分。 否 无评估报告,有总结和演练评审备案表; 5分 (16)应急预案的实施 10分,查看现场; 1) 查看应急预案的要点和程序是否张贴在应急地点和应急指挥场所,并设有明显的标志,没有扣2分; 2) 应急预案的要点和程序不符合规定要求,一项不符合扣1分 否 1、未张贴和设置明显标志;-2分 2、符合规定; 8分 (17)应急预案修订 20分,查阅检查预案修订记录台帐及归档资料; 1)没有按要求进行修订的,扣2分; 2)预案的修订没有及时记录在台账上,相关资料没有及时归档,缺一项扣1分。 否 1、 按照要求修订; 2、 及时修订并按照要求存档 20分 (18)应急预案重新备案 10分,查阅重新备案的登记表及时归档资料,没有重新备案不得分; 1)应急预案没有重新备案,不得分; 2)应急预案备案登记表、预案资料,有一项没有归档,扣1分。 是 应急预案备案登记表未归档 5分 6 应急演练(100分) (19)应急演练计划方案、演练评估、总结 100分, 查阅演练记录、图片、录像及相关资料,没有开展演练不得分; 1)应急演练计划、方案,缺一项扣2分; 3)没有演练记录扣2分;记录不规范扣1分; 3) 各类事故演练没有形成演练评估报告,总结,并及时归档,缺一项扣2分.。 是 无问题 100 7 救援队伍(100分) (20)应急救援队伍(协议的签订)的建立 100分,查询建队的相关文件或协议和资料; 1)高危行业没按要求建立专职和兼职救护队,酌情扣10—20分; 2)建立兼职救护队,没有与邻近专业救护队签订救护协议,没有签协议的扣10分。 是 专职救护队建队按照救护队考核不作为本次主要内容,作为抽查项,按《质量标准化考核规范》进行审核; 已建立专兼职应急救援队伍。 20分 8 应急物资储备和管理(50分) (21)基本物资的储备 30分,查询年度应急物资储备方案、清单,没有储备不得分; 1) 应急物资储备方案、清单缺一项扣5分; 2)企业应配备满足本单位生产安全事故应急处置需要的物资、救护器材、消防设备、检测仪器、通讯设施、个人防护用品等应急救援物资,加强本单位应急物资的储备,缺一项酌情扣2分。 是 此项为重点项 1、 有应急物资装备管理制度; 2、 已配备; 30分 (22)危险化学品企业应急物资储备参考标准见附件B 1)小型企业应急物资储备参考标准; 2)中型企业应急物资储备参考标准; 3)大型企业应急物资储备参考标准。 此项按企业类型进行考核,考核按上面项的标准考核内容 未见附件 0分 (23)物资的管理 20分,查阅相应的管理制度、资料、台账、清单; 1)没按《应急设备设施和物资储备管理制度》要求落实,扣5分; 2)没建应急设施和器材检验、维修台账,扣2分; 3)应急设施和器材清单,缺少扣1分; 4)应急设施和器材清单及有关材料,没有及时归档扣1分。 否 1、 按要求落实; 2、 已建立校验台账,每15天校验一次。 3、 有清单; 4、 及时归档 20分 9 事故报告(50分) (24)事故报告 50分,查阅制度、台账、资料 1)没有建立企业《事故报告制度》、事故报告台帐,缺一项扣5分; 2)事故报告没有及时登记在台帐上,扣2分; 3)资料没有及时归档,扣2分。 否 1、 已建立,无事故; 2、 无安全生产事故; 50分 10 应急处置(50分) (25)事故处置 50分,查阅应急处置评估相关资料的归档,没有开展不得分; 1) 应急处置情况没有及时登在《应急救援台帐与应急处置台帐》上,扣2分; 2) 应急处置评估相关资料没有及时归档,扣2分,资料不全酌情扣1-2分。 是 1、 未及时登记;-2分 2、 未及时归档 10分 11 重大危险源管理(150分) (26)技术措施 20分,查阅制定的安全管理技术措施,没有不得分; 1)制定的措施不可操作、不符合实际,酌情扣1-5分。 是 制定措施可操作性不强 10分 (27)实施方案 20分,查阅制定安全监控与管理的实施方案; 1)没有制定安全监控与管理的实施方案,扣5—10分 2)制定的不可实施酌情扣1-5分。 否 未制定实施方案; 10分 (28)检修计划 20分,查阅检维修计划和台帐,没有不得分; 1)制定重大危险源年度综合检维修计划,没有按计划开展,扣5分。 是 安全生产设施设备年度综合检维修计划含有重大危险源的可不用单独制定; 220T锅炉、煤气柜已制定检修计划。 20分 (29)辨识与安全评估管理 20分,查阅评估报告 1)依据国家和本省有关规定,对本单位的重大危险源进行辨识,没有开展酌情扣1—5分。 否 已辨识 20分 (30)委托安全评估 10分,查阅资质机构的资质证明,没有不得分; 1)资质证明不符合要求,酌情扣分1—3分。 是 动力厂无此项 (31)检查评估报告 20分,查阅评估报告; 1)对评估报告提出的意见和建议没有进行整改或完善,一项问题没有整改,扣5分(现场抽查整改情况)。 否 重大危险源评审存在问题及时进行了整改; (32)重大危险源备案 20分,查阅重大危险源备案证,没有备案不得分; 1) 备案证没有在效期内,扣5分。 2) 备案资料没有及时归档,扣2分 是 1、 备案证在有效期内; 2、 及时进行了归档; (33)重大危险源撤销 20分,查阅重大危险源撤销相关资料; 1) 没按规定办理重大危险源注销手续,不得分; 2) 重大危险源撤销相关资料及手续及时归档,没有归档扣2分。 是 无此项 12 应急管理培训 (50分) (34)制定年度培训计划 20分,查阅年度应急培训计划; 1)没有年度应急培训计划,酌情扣1-3分; 2)培训计划,培训时间、内容、课时、培训对象,缺少一项扣1分; 3)年度考核内容,没有企业应急管理培训内容,酌情扣1—3分。 否 企业安全生产教育培训计划中有应急预案培训内容,预案培训计划可不单独制定; 1、 已制定培训计划; 2、 培训存档不齐;-1分 3、 年度考核无考核内容;-3分 16分 (35)从业人员的应急管理培训 20分,查阅安全生产应急管理培训工作制度、台账、职工教育档案 1)台账填写规范、及时,一项不符合扣1分; 2)重点抽查企业管理人员和一线岗位操作工人《职工教育档案》,年度集中培训管理人员不少于4次、关键岗位工人不少于6次,一人少于1次扣1分; 3)询问有关岗位人员是否熟练掌握预案中的职责,酌情扣1—3分。 否 1、 台账及时规范填写; 2、 企业管理人员每月一次培训管理考试,一线岗位工人每月车间至少组织一次; (36)培训主要内容 10分,查阅应急预案培训记录或《职工教育档案》中的记录 1)记录中有《标准》中列的8项的内容,不扣分。 否 2、抽考责任制、岗位操作规程效果较好; 15分 13 应急管理台账 (50分) (37)台账的建立 25分,查阅台账的清单、具体台账; 1) 台帐设置种类符合《标准》要求,少一种扣2分; 2) 没有列清单扣1分。 否 按照要求建立台账,未列清单;-2分 23分 (38)台账管理 25分,查阅台账填写、保存和管理; 1)每一种台帐所涉及主要内容齐全,缺少酌情扣1-2分; 2)台帐填写规范,不规范酌情扣1-2分 否 1、 台账及时填写,内容齐全; 50分 14 应急管理档案 (50分) (39)应急管理档案 50分,查阅,档案的种类及归档情况 1)按《标准》中档案的种类,缺少一种扣2分; 2)档案归及时,定置、专人管理,缺少酌情扣2-4分。 否 应急档案未按要求定置管理 0分 注:1.该《考核标准》依据《河北省应急管理规范化企业创建工作标准》及实际开展情况制定的; 2.1—12工作项目为重点考核内容,13—14工作项目为基础项,工作内容39项; 3.审核每一项都要审核台账、相关档案或到现场进行抽查; 4.一票否决; “是”指否决该项,该项不得分;“否”指不是否决项; 5.审核队伍建设、物资配备情况考核,按照《创建工作标准》中的附件A应急救援队伍建立标准(创建救护队可参考)、附件B危险化学品企业应急物资储备参考标准。 3、通过活动,使学生养成博览群书的好习惯。 B比率分析法和比较分析法不能测算出各因素的影响程度。√ C采用约当产量比例法,分配原材料费用与分配加工费用所用的完工率都是一致的。X C采用直接分配法分配辅助生产费用时,应考虑各辅助生产车间之间相互提供产品或劳务的情况。错 C产品的实际生产成本包括废品损失和停工损失。√ C成本报表是对外报告的会计报表。× C成本分析的首要程序是发现问题、分析原因。× C成本会计的对象是指成本核算。× C成本计算的辅助方法一般应与基本方法结合使用而不单独使用。√ C成本计算方法中的最基本的方法是分步法。X D当车间生产多种产品时,“废品损失”、“停工损失”的借方余额,月末均直接记入该产品的产品成本 中。× D定额法是为了简化成本计算而采用的一种成本计算方法。× F“废品损失”账户月末没有余额。√ F废品损失是指在生产过程中发现和入库后发现的不可修复废品的生产成本和可修复废品的修复费用。X F分步法的一个重要特点是各步骤之间要进行成本结转。(√) G各月末在产品数量变化不大的产品,可不计算月末在产品成本。错 G工资费用就是成本项目。(×) G归集在基本生产车间的制造费用最后均应分配计入产品成本中。对 J计算计时工资费用,应以考勤记录中的工作时间记录为依据。(√) J简化的分批法就是不计算在产品成本的分批法。(×) J简化分批法是不分批计算在产品成本的方法。对 J加班加点工资既可能是直接计人费用,又可能是间接计人费用。√ J接生产工艺过程的特点,工业企业的生产可分为大量生产、成批生产和单件生产三种,X K可修复废品是指技术上可以修复使用的废品。错 K可修复废品是指经过修理可以使用,而不管修复费用在经济上是否合算的废品。X P品种法只适用于大量大批的单步骤生产的企业。× Q企业的制造费用一定要通过“制造费用”科目核算。X Q企业职工的医药费、医务部门、职工浴室等部门职工的工资,均应通过“应付工资”科目核算。X S生产车间耗用的材料,全部计入“直接材料”成本项目。X S适应生产特点和管理要求,采用适当的成本计算方法,是成本核算的基础工作。(×) W完工产品费用等于月初在产品费用加本月生产费用减月末在产品费用。对 Y“预提费用”可能出现借方余额,其性质属于资产,实际上是待摊费用。对 Y引起资产和负债同时减少的支出是费用性支出。X Y以应付票据去偿付购买材料的费用,是成本性支出。X Y原材料分工序一次投入与原材料在每道工序陆续投入,其完工率的计算方法是完全一致的。X Y运用连环替代法进行分析,即使随意改变各构成因素的替换顺序,各因素的影响结果加总后仍等于指标的总差异,因此更换各因索替换顺序,不会影响分析的结果。(×) Z在产品品种规格繁多的情况下,应该采用分类法计算产品成本。对 Z直接生产费用就是直接计人费用。X Z逐步结转分步法也称为计列半成品分步法。√ A按年度计划分配率分配制造费用,“制造费用”账户月末(可能有月末余额/可能有借方余额/可能有贷方余额/可能无月末余额)。 A按年度计划分配率分配制造费用的方法适用于(季节性生产企业) 8
展开阅读全文

开通  VIP会员、SVIP会员  优惠大
下载10份以上建议开通VIP会员
下载20份以上建议开通SVIP会员


开通VIP      成为共赢上传

当前位置:首页 > 包罗万象 > 大杂烩

移动网页_全站_页脚广告1

关于我们      便捷服务       自信AI       AI导航        抽奖活动

©2010-2026 宁波自信网络信息技术有限公司  版权所有

客服电话:0574-28810668  投诉电话:18658249818

gongan.png浙公网安备33021202000488号   

icp.png浙ICP备2021020529号-1  |  浙B2-20240490  

关注我们 :微信公众号    抖音    微博    LOFTER 

客服