收藏 分销(赏)

组合楼盖设计.docx

上传人:胜**** 文档编号:1550549 上传时间:2024-05-01 格式:DOCX 页数:22 大小:3.38MB 下载积分:10 金币
下载 相关 举报
组合楼盖设计.docx_第1页
第1页 / 共22页
组合楼盖设计.docx_第2页
第2页 / 共22页


点击查看更多>>
资源描述
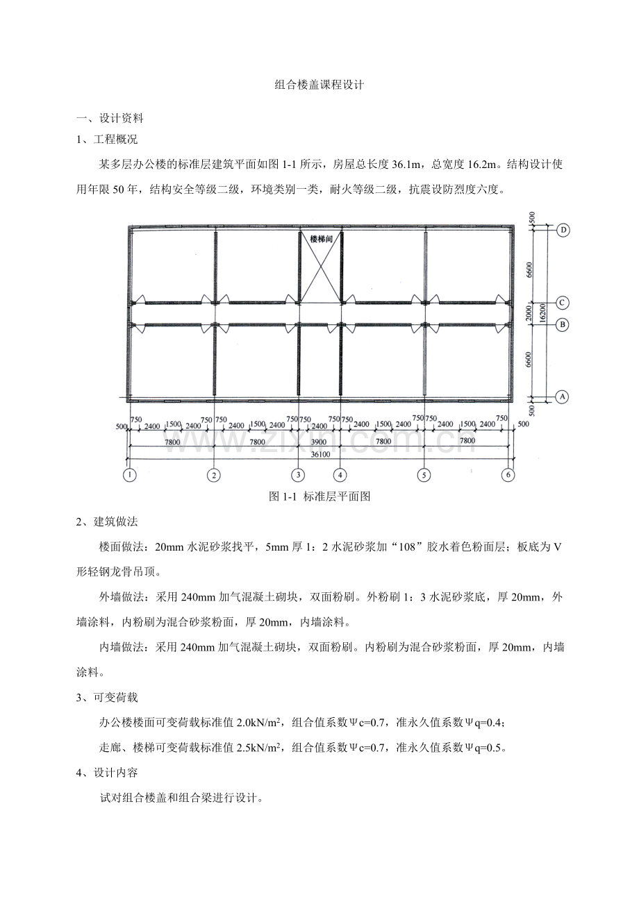
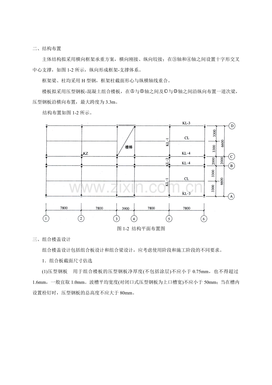
组合楼盖课程设计 一、设计资料 1、工程概况 某多层办公楼的标准层建筑平面如图1-1所示,房屋总长度36.1m,总宽度16.2m。结构设计使用年限50年,结构安全等级二级,环境类别一类,耐火等级二级,抗震设防烈度六度。 图1-1 标准层平面图 2、建筑做法 楼面做法:20mm水泥砂浆找平,5mm厚1:2水泥砂浆加“108”胶水着色粉面层;板底为V形轻钢龙骨吊顶。 外墙做法:采用240mm加气混凝土砌块,双面粉刷。外粉刷1:3水泥砂浆底,厚20mm,外墙涂料,内粉刷为混合砂浆粉面,厚20mm,内墙涂料。 内墙做法:采用240mm加气混凝土砌块,双面粉刷。内粉刷为混合砂浆粉面,厚20mm,内墙涂料。 3、可变荷载 办公楼楼面可变荷载标准值2.0kN/m2,组合值系数Ψc=0.7,准永久值系数Ψq=0.4; 走廊、楼梯可变荷载标准值2.5kN/m2,组合值系数Ψc=0.7,准永久值系数Ψq=0.5。 4、设计内容 试对组合楼盖和组合梁进行设计。 二、结构布置 主体结构拟采用横向框架承重方案,横向刚接、纵向铰接;在③轴和④轴之间设置十字形交叉中心支撑,如图1-2所示,纵向形成框架-支撑体系。 框架梁、柱均采用H型钢,框架柱截面形心与纵横轴线重合。 楼板拟采用压型钢板-混凝土组合楼板,在与轴之间及与轴之间沿纵向布置一道次梁,压型钢板沿横向布置,最大跨度为3.3m。 结构布置如图1-2所示。 图1-2 结构平面布置图 三、组合楼盖设计 组合楼盖设计包括组合板设计和组合梁设计,应考虑使用阶段和施工阶段的不同要求。 1.组合板截面尺寸估选 (1)压型钢板 用于组合楼板的压型钢板净厚度(不包括涂层)不应小于0.75mm,也不得超过1.6mm,一般宜取1.0mm。波槽平均宽度(对闭口式压型钢板为上口槽宽)不应小于50mm;当在槽内设置栓钉时,压型钢板的总高度不应大于80mm。 根据上述构造要求,选用型号为YX70-200-600的压型钢板,厚度1.2mm,展开宽度1000mm,截面尺寸如图1-3所示。重量g=16.2kg/m,有效截面惯性矩Ief=1.28×106mm4/m,有效截面抵抗矩Wef=3.596×104mm3/m,压型钢板截面基本尺寸如图1-3所示。压型钢板基材采用Q235级钢,设计强度f=205N/mm2。 图1-3 压型钢板截面基本尺寸 (2)混凝土厚度hc 组合板总厚度不应小于90mm,压型钢板顶面以上的混凝土厚度不应小于50mm。当压型钢板用做混凝土板底部受力钢筋时,还需进行防火保护,对于无防火保护层的开口压型钢板,顶面混凝土厚度不应小于80mm。此外,对于简支组合板的跨高比不宜大于25,连续组合板的跨高比不宜大于35。 根据以上构造要求,压型钢板上混凝土厚度取hc=80mm(图1-4),此时压型钢板底部不需设置防火保护层。 图1-4 压型钢板-混凝土组合楼板断面尺寸示意 2.压型钢板施工阶段的验算 (1)计算简图 计算单元取一个波宽,按强边(顺肋)方向的单向板计算正、负弯矩和挠度,对弱边(垂直肋)方向可以不进行计算。 施工阶段压型钢板的计算简图视实际支承跨数及跨度尺寸有关。但考虑到下料的不利情况,对~轴、~轴之间的压型钢板按两跨连续板计算,跨度3.3m;对~轴之间的压型钢板按单跨简支板计算,跨度2.0m。计算简图如图1-5所示。 图1-5 压型钢板计算简图 a)~轴、~轴 b)~轴 (2)荷载计算 施工阶段压型钢板作为浇筑混凝土的底模,一般不设置支撑,由压型钢板承担组合楼板自重和施工荷载。施工阶段验算时应考虑下列荷载: 1)永久荷载标准值 混凝土自重标准值 [m×0.07m+0.20m×0.08m] ×25kN/m3=0.505kN/m 1.0mm压型钢板自重 16.2×9.8××10-3kN/m=0.053kN/m 小计 gk=0.558kN/m 2)可变荷载标准值 施工荷载 qk=1.0kN×0.2m=0.20kN/m 3)荷载组合 标准组合值 Pk=0.558kN/m+0.20kN/m=0.758kN/m 基本组合值 P=1.2gk+1.4qk=1.2×0.558kN/m+1.4×0.20kN/m=0.95kN/m (3)内力计算 ~轴、~轴间: 跨中最大正弯矩 Mmax=0.125pl2=0.125×0.95×3.32=1.29KN·m 支座最大弯矩 Mmax= -0.125pl2= -0.125×0.95×3.32= -1.29KN·m ~轴间: Mmax=pl2=×0.95×2.02=0.46KN·m (3)抗弯强度验算 σ===35.87N/mm2<f=205N/mm2(满足要求) (5)挠度验算~轴、~轴间: 按两跨连续构件计算,均布荷载下的跨中最大挠度系数0.521/100,挠度δ: δ==8.88mm<20mm<l/200=16.5mm(满足要求) ~轴间: 按简支梁计算,均布荷载在跨中最大挠度系数5/384,挠度δ: δ==2.99mm<l/200=10mm(满足要求) 3.组合板使用阶段计算 (1)计算简图 使用阶段组合板的强度按破坏状态时的极限平衡计算。为了简化,当组合板的压型钢板顶面以上的混凝土厚度不大于100mm时,不考虑弱边方向的作用;不论其实际支承情况如何,强边方向的正弯矩均按简支构件考虑;强边方向的负弯矩按嵌固考虑。计算简图如图1-6所示。 a) b) 图1-6组合板计算简图 a)用于计算跨中弯矩和挠度 b)用于计算支座弯矩 (2)荷载计算 取一个波宽(b=200mm)计算荷载。 1)永久荷载标准值 20mm水泥砂浆找平 0.02m×20kN/m3×0.2m=0.08KN/m 5mm厚1:2水泥砂浆加“108”胶水着色粉面层 0.005m×20kN/m3×0.2m=0.02KN/m 混凝土自重 [m×0.07m+0.20m×0.08m] ×25kN/m3=0.505kN/m3 1.0mm压型钢板自重16.2×9.8×0.2/0.6×10-3kN/m=0.053kN/m V型轻钢龙骨吊顶(二层9mm纸面石膏板无保温层) 0.20kN/m2×0.2m=0.04 kN/m 小计 gk=0.698 kN/m 2)可变荷载标准值 办公楼楼面可变荷载标准值 qk=2.0kN/m2×0.2m=0.4kN/m 走廊、楼梯可变荷载标准值 qk=2.5kN/m2×0.2m=0.5kN/m 3)荷载组合 荷载标准组合值:Pk=gk+qk 荷载准永久荷载值:Pq=gk+Ψqqk 由永久荷载效应控制的基本组合值:P:1.35gk+1.4×0.7qk 由可变荷载效应控制的基本组合值:P:1.2gk+1.4qk 计算过程见表1-1。 表1-1 组合板荷载组合值 轴线位置 永久荷载标准值gk/( kN/m) 可变荷载标准值qk/( kN/m) 标准荷载组合值pk/( kN/m) 基本荷载组合值 p/( kN/m) 准永久组合值 Pq/( kN/m) ① ② ①+② 1.35①+1.4×0.7② 1.2①+1.4② ①+Ψq② ~ ~ 0.698 0.40 1.098 1.230 1.398 0.585 ~ 0.698 0.50 1.198 1.328 1.538 0.948 (3)内力计算 1)跨中正弯矩基本组合值 第1、2跨(~轴):Mmax=×1.398×3.32kN·m =1.903KN·m 第3跨(~轴):Mmax=×1.538×2.02kN·m =0.769KN·m 2)支座负弯矩基本组合值 第1跨:M=×1.398×3.32kN·m =1.903KN·m 第2跨:M=×1.398×3.32kN·m =1.269KN·m 第3跨:M=×1.538×2.02kN·m =0.513KN·m 3)剪力基本组合值 第1跨:Vmax=×1.398×3.3kN=2.883KN 第2跨:Vmax=×1.398×3.3kN=2.307KN 第3跨:Vmax=×1.538×2.0kN=1.538KN 4)支座负弯矩标准组合值 第1跨:M=×1.098×3.32kN·m =1.495KN·m 第2跨:M=×1.098×3.32kN·m =0.996KN·m 第3跨:M=×1.198×2.02kN·m =0.399KN·m (4)承载力计算 1)跨中截面受弯承载力。一个波宽 (b=200mm) 压型钢板的截面面积Ap=385.7mm2,形心距顶面距离y0=26.89mm,对自身形心轴的惯性矩Ip=3.05×105mm4。 因所有跨的压型钢板和混凝土厚度均相同,抵抗正弯矩的能力相同,只需选择最大跨中弯矩(Mmax=1.903KN·m)进行计算。混凝土强度等级C30(fc=14.3N/mm2,ft=14.3N/mm2,Ec=3.0×104N/mm2),Q235级钢(f=205 N/mm2,Ep=2.06×105N/mm2) x==mm=27.65mm2<hc1=80mm 说明中和轴位于压型钢板顶面以上的混凝土内。 压型钢板组合板的有效高度h0=hc1+y0=(80+26.89)mm=106.89mm M=α1fcbx2(h0-x/2)=1.0×14.3×200×27.65×(106.89-27.65/2) N·mm =7.359×106 N·mm=7.359kN·m<Mmax=1.903 KN·m(满足要求) 2)支座截面受弯承载力。不考虑压型钢板的作用,按倒T形混凝土梁进行计算。压型钢板肋内的混凝土按其平均宽度bo=(50+70)/2mm=60mm考虑,截面有效高度h0=hp+hc1-as=(70+80-20)mm=130mm α1fcb0hp(h0-hp/2)=1.0×14.3×60×70×(130-70/2) N·mm =5.359×106 N·mm=5.706kN·m> M=1.903 KN·m 说明中和轴位于压型钢板肋,按宽度为b0=60mm的矩形截面梁计算。 αs===0.131 ξ=1-=1-=0.141<ξb=0.614 As===58.25mm2 另外,将受拉钢筋合力对压型钢板截面形心取矩,可得M=Asfy(h-as-ap),即 As==mm2=81.12mm2 取两者较小值 As=58.25 mm2>Asmin=0.238%×(60×70+80×200)mm2=48.08 mm2,选用Ф8@150(200mm宽度范围内的钢筋面积As=67.07mm2)。 注:ρmin=(0.2%,45)max=0.238% 3)斜截面受剪承载力 组合楼板一个波宽(b=200mm)内的受剪承载力: 0.7ftbh0=0.7×1.43×200×(80+26.89)N=21.40×103N=21.40kN>Vmax=2.883Kn(满足要求) (5)挠度计算 组合楼板的挠度计算包括荷载效应标准组合下的挠度和荷载效应准永久组合下的挠度。前者采用短期刚度,后者采用长期刚度。 1)短期刚度。取一个波宽 (b=200mm) 范围作为计算单元,对于肋内的混凝土近似按平均肋宽b0=60mm的矩形截面考虑,如图1-7所示。 a) b) c) 图1-7 组合楼板截面特性 a)压型钢板部分 b)混凝土部分 c)换算截面 一个波宽压型钢板的截面面积Ap=385.7mm2,自身形心轴的惯性矩Ip=3.05×105mm4,形心距顶面距离y0=26.89mm。 混凝土部分的截面面积Ac=20200mm2,对自身形心的惯性矩Ic=28.96×106mm4,形心距混凝土顶板距离为=55.59mm。 钢材与混凝土的弹性模量之比 αE===6.87 则等效截面形心距混凝土板顶的距离: ==mm=61.54mm 则等效截面的惯性矩Iep: Iep=1/αE[IC+AC(-)2]+ Ip+Ap(h0-)2 =1/6.87×[28.96×106+20200×(61.54-55.59)2]+3.05×105+385.7×(106.89-61.54)2=5.42×106(mm4) 2)长期刚度。计算长期刚度时,将混凝土按2αE换算为钢材,按单一等效截面计算截面惯性矩。 等效截面形心距混凝土板顶的距离: ==mm=66.25mm 等效截面的惯性矩Iep: Iep=1/2αE[IC+AC(-)2]+ Ip+Ap(h0-)2 =1/2×6.87×[28.96×106+20200×(61.54-55.59)2]+3.05×105+385.7×(106.89-66.25)2=3.22×106(mm4) 3)挠度计算。荷载的标准组合值Pk=1.098kN/m,采用短期刚度EpIep,简支单向板跨中最大挠度δ: δ=mm =1.52mm<[δ]=l/360=6.11mm(满足要求) 荷载的准永久组合值Pk=0.858kN/m,采用长期刚度EpIep,简支单向板跨中最大挠度δ: δ=mm =2.0mm<[δ]=l/360=6.11mm(满足要求) (6)自振频率验算永久荷载标准值(gk=0.698kN/m)作用下的挠度: δ=mm =0.965mm 组合楼板的自振频率f可按下式进行估算: f=Hz=18.09Hz>15Hz(满足要求) 注意:上式中δ单位为cm。 (7)裂缝宽度验算 验算组合楼板负弯矩部位混凝土的裂缝宽度时,可近似地忽略压型钢板的作用,即按混凝土板及其负钢筋计算板的最大裂缝宽度。取一个波宽b=200mm作为计算单元。 σs=N/mm2=170.78 N/mm2 ρte=<0.01,取=ρte0.01 >0.2 Cs=15mm(一类环境,C30),dep=8mm Wmax=αcr =0.049mm<wmin=0.3mm(满足要求) 图1-8给出了组合楼板的施工图。 四、纵向组合梁设计 1.组合梁截面尺寸估选 纵向梁的跨度l=7800mm,根据刚度要求,组合梁的高跨比,一般h=l/15~l/16=(7800/15~7800/16)mm= 520~487.5mm,取组合梁截面高度h=500mm,组合楼板的厚度hc=150mm,则钢梁的截面高度hs=350mm,初步选择钢梁的截面均为HN350×175。组合梁截面高度h=500mm<2.5hs=2.5×350mm=875mm,满足要求。 图1-8 组合楼板布置及板面配筋图 为了方便施工,对于③~④轴之间跨度为3900mm的组合梁也选用HN350×175。 HN350×175,截面高度hb=350mm,截面宽度bb=175mm,腹板厚度tbw=7.0mm,翼缘厚度tbf=11.0mm,A=636mm2,Ix=1.37×108mm4,Wx=7.82×105mm3,ix=147.0mm,iy=39.3mm,自重50.0kg/m。 2.组合梁施工阶段验算 施工阶段混凝土尚未参与工作,所有荷载均由钢梁承受,包括混凝土重量、压型钢板重量、钢梁自重及施工可变荷载。因梁没有洞口削弱,抗剪强度可以不验算;由于采用轧制型钢,局部稳定不需验算。仅需进行抗弯强度、整体稳定及挠度验算。 (1)计算简图 纵向梁均为简支构件,、轴纵向梁(KL-3)负荷宽度为(3.3/2+0.2)m=1.85m(注:组合楼盖伸出梁轴线200mm);、轴线纵向梁(KL-4)负荷宽度为(3.3+2.0)m/2=2.65m;次梁(CL)负荷宽度3.3m。因此施工阶段次梁的荷载最大。 (2)荷载计算 组合板自重 0.558kN/m×5×3.3=9.21 kN/m 钢梁自重 50.0×9.8×10-3 kN/m=0.49 kN/m 永久荷载标准值 gk=9.70 kN/m 施工荷载标准值 qk=1.0×3.3 kN/m=3.3 kN/m 荷载标准组合 pk= gk+qk=9.70 kN/m+3.3 kN/m=13.0kN/m 荷载基本组合值 p=1.2gk+1.4qk=1.2×9.70 kN/m+1.4×3.3 kN/m=16.26 kN/m (3)内力计算 最大弯矩基本组合值 Mmax=1/8×pl2=1/8×16.26×7.82kN·m=123.66 kN·m (4)抗弯强度验算 σ=N/mm2=150.6 N/mm2<f=215 N/mm2(满足要求) (5)整体稳定验算 l1/b1=7800/175=44.57>13,需要验算整体稳定。 ξ=l1t1/b1h=7800×11/(175×350)=1.401<2.0,跨中无侧向支承,均布荷载作用在上翼缘,则整体稳定的等效临界弯矩系数βb: βb=0.69+0.13ξ=0.872 λy=l1/iy=7800/39.3=198.47;双轴对称截面ŋb=0,由《钢结构设计规范》(GB50017-2003)附录B.1,梁的整体稳定系数: φb= =0.473<0.6,不需作修正。 σ=N/mm2=334.3 N/mm2>f=215 N/mm2(不满足要求) 施工时在跨中设置两个侧向支撑点,则l1=7.8m/3=2.6m,l1/b1=2600/175=14.86<16,满足稳定性要求。 (6)挠度验算跨中最大挠度δ: δ=mm =22.20mm<l/250=7800mm/250=31.2mm(满足要求) 3.组合梁使用阶段验算 使用阶段所有荷载由组合梁承受,需对组合梁进行抗弯强度、抗剪强度及挠度验算,并进行抗剪连接件的设计。因压型板肋与钢梁垂直,所以混凝土翼板的纵向抗剪不需验算。考虑到钢梁需要作防火涂层,近似将其自重放大1.1倍考虑。 (1)荷载计算 永久荷载: 1)CL 楼板传来的分布荷载 (0.698/0.2)×3.3kN/m=11.52kN/m 钢梁自重 50.0×9.8×10 -3×1.1kN/m=0.54kN/m 小计: gk=12.06kN/m 2)KL-3 楼板传来的分布荷载 (0.698/0.2)×(3.3/2+0.2)kN/m=6.46kN/m 钢梁自重0.54kN/m 梁上墙重 [(7.8×3.6-2.4×2.1) × 2.54+2.4×2.1×0.45]/7.8=7.79kN/m 小计: gk=14.79kN/m 注:240加气混凝土砌块(双面粉刷): 0.24m×7.5kN/m3+0.02m×20kN/m3+0.02m×17kN/m3=2.54kN/m2 钢窗自重:0.45kN/m2 3)KL-4 楼板传来的分布荷载 (0.698/0.2)×(3.3/2+2.0/2)kN/m=9.25kN/m 钢梁自重 0.54kN/m 梁上墙重 2.48kN/m2×3.1m=7.69kN/m 小计:gk=17.48kN/m 注:240mm加气混凝土砌块(双面粉刷) 0.24m×7.5kN/m3+0.02m×17kN/m3×2=2.48kN/m2 可变荷载: CL:qk=2.0KN/m2×3.3m=6.6 KN/m KL-3:qk=2.0KN/m2×(3.3/2+0.2)m=3.7 KN/m KL-4:qk=2.0KN/m2×(3.3/2+2.0/2)m=5.3 KN/m 荷载组合: 荷载组合值见表1-2。 表1-2 组合梁的荷载组合值 项目 CL KL-3 KL-4 gk/(KN/m) 12.06 14.79 17.48 qk/(KN/m) 6.6 3.7 5.3 基本组合 p=1.2gk+1.4qk 23.71 22.93 28.40 p=1.35gk+1.4×Ψcqk 22.75 23.59 28.79 标准组合:pk=gk+ qk 18.66 18.49 22.78 准永久组合:pq=gk+Ψqqk 14.70 16.27 19.60 注:Ψc=0.7,Ψq=0.4。 (2)内力计算 1)CL 最大弯矩基本组合值 M= 最大剪力基本组合值 V= 2)KL-3 最大弯矩基本组合值 M= 最大剪力基本组合值 V= 3)KL-4 最大弯矩基本组合值 M= 最大剪力基本组合值 V= (3)计算混凝土翼板的有效宽度be 1)CL b0=175mm,b2=min[l/6、6hc1、s0]=min[7800/6、6×150、(3300-175)/2]=900mm 混凝土翼板的有效宽度be: be= b0+2b2=(175+2×900)mm=1975mm 2)KL-3 b0=175mm,b1=min[l/6、6hc1、s1]=min[7800/6、6×150、(200-175/2)/2]=56.25mm b2=min[l/6、6hc1、s0]=min[7800/6、6×150、(3300-175)/2]=900mm 混凝土翼板的有效宽度be: be= b0+ b1+b2=(175+56.25+900)mm=1131.25mm 3)KL-4 b0=175mm,b2=min[l/6、6hc1、s0]=min[7800/6、6×150、(3300-175)/2或(2000-175)/2]=900mm 混凝土翼板的有效宽度be: be= b0+2b2=(175+2×900)mm=1975mm (4)抗剪连接件设计 用压型钢板做底模的组合梁,栓钉杆直径不宜大于19mm,混凝土凸肋宽度不应小于栓钉杆直径的2.5倍;栓钉高度hd应符合(he+30)=100mm≤hd≤(he+70)=140mm的要求。 采用4.6级Ф19栓钉(面积As=283.5mm2,f=215N/mm2),栓钉高度hd=120mm,每个板肋一个,间距200mm。 压型钢板的肋垂直于钢梁布置,抗剪连接件承载力的折减βv: βv=<1 一个抗剪连接件的承载力设计值: =0.43βvAs=0.43×0.52×283.5×N=41.5×103N=41.5kN >0.7βvAsγtf=0.7×0.52×283.5×1.67×215N=37.05×103N=37.05kN 取=37.05kN 计算每个剪跨区段内作用在钢梁与混凝土翼板交接面上的纵向剪力Vs,位于正弯矩区段的剪跨,Vs=min[Af,behc1fc]。 对于CL、KL-4 Vs=min[Af,behc1fc]= min|6366×215,1975×80×14.3|=1368.69×103N=1368.69kN 一个剪跨段所需的栓钉数量: nf= Vs/=1368.69/37.05=36.94,取nf=37 nr=3900/200=20< nf,但nr/nf=0.54>50%,为部分抗剪连接。 对于KL-3 Vs=min[Af,behc1fc]= min|6366×215,1131.25×80×14.3|=1294.15×103N=1294.15kN 一个剪跨段所需的栓钉数量: nf= Vs/=1294.15/37.05=34.93,取nf=35 nr=3900/200=19.5,取nr=20< nf,但nr/nf=0.57>50%,为部分抗剪连接。 (5)受弯承载力计算 1)CL、KL-4 混凝土翼板受压区高度(图1-9a): x=mm=26.24mm 钢梁受压面积: Ac=mm2=1459.74mm2 组合梁塑性中和轴位置xp=1459.74mm/175=8.34mm<t2=11mm,说明塑性中和轴上翼缘内。上翼缘板件的宽厚比<,满足塑性设计的要求。 a) b) 图1-9 部分抗剪连接组合梁正弯矩作用下的截面应力图 受压混凝土合力到钢梁受拉部分合力的距离(图1-9b) y1=hs-(hs-xp)/2+hc-x/2=[350-(350-8.34)/2+150-26.24/2]mm=316.05mm 钢梁受压部分合力到受拉部分合力的距离:y2=hs/2=350/2mm=175mm 组合梁的受弯承载力按式(2-30)计算: Mu,r=nry1+0.5(Af-nr)y2=20×37.05×103×316.05+0.5×(6366×215-20×37.05×103) ×175 =289.12×106N·mm=289.12kN·m>Mmax=218.95 kN·m(满足要求) 2)KL-3 混凝土翼板受压区高度: x=mm=45.81mm 钢梁受压面积: Ac=mm2=1459.74mm2 组合梁塑性中和轴位置xp=1459.74mm/175=8.34mm<t2=11mm,说明塑性中和轴上翼缘内。上翼缘板件的宽厚比<,满足塑性设计的要求。 受压混凝土合力到钢梁受拉部分合力的距离: y1=hs-(hs-xp)/2+hc-x/2=[350-(350-8.34)/2+150-45.81/2]mm=297.93mm 钢梁受压部分合力到受拉部分合力的距离:y2=hs/2=350/2mm=175mm 组合梁的受弯承载力按式(2-30)计算: Mu,r=nry1+0.5(Af-nr)y2=20×37.05×103×297.93+0.5×(6366×215-20×37.05×103) ×175 =242.74×106N·mm=242.74kN·m>Mmax=179.40kN·m(满足要求) (6)受剪承载力计算 组合梁截面上的全部剪力V假定仅由钢梁腹板承受,按式(2-32)计算: Vu=hwtwfv=(350-2×11) ×7×125N=287×103N=287.0kN>Vmax=112.28kN(满足要求) (7)变形验算 组合梁的挠度分别按荷载的标准组合值和荷载的准永久组合值进行验算,分别取用不同的换算截面。对于压型钢板组合梁,混凝土翼板取不包括肋部的薄弱截面,且不考虑压型钢板的作用。抗弯刚度采用考虑滑移影响效应后的折减刚度。 1)计算换算截面惯性矩 混凝土翼板和钢梁的截面特征见表1-3,换算截面的惯性矩见表1-4。 表1-3 混凝土翼板和钢梁的截面特征 组合梁名称 混凝土翼缘 钢梁 截面面积Acf/mm2 截面惯性矩Icf/mm4 形心至组合梁顶的距离yc/mm 截面面积As/mm2 截面惯性矩Is/mm4 形心至组合梁顶的距离ys/mm CL、KL-4 158000 84.27×106 40 6366 1.37×108 325 KL-3 90500 48.27×106 40 6366 1.37×108 325 注:Acf=hc1,Icf=be/12,yc= hc1/2,ys=hc+hs/2。 表1-4 换算截面的惯性矩 组合梁名称 计算短期刚度 计算长期刚度 形心至组合梁顶的距离y/mm 换算截面的惯性矩Ieq/mm4 形心至组合梁顶的距离y/mm 换算截面的惯性矩Ieq/mm4 CL、KL-4 101.79 554.25×106 141.56 475.96×106 KL-3 132.85 497.88×106 180.07 406.08×106 计算短期刚度时,形心到组合梁顶的距离,换算截面的惯性矩 Ieq=[Icf+Acf(y-yc)2]/αE+Is+As×(y-ys) 2 计算长期刚度时,形心到组合梁顶的距离,换算截面的惯性矩Ieq=[Icf+Acf(y-yc)2]/2αE+Is+As×(y-ys) 2 2)刚度计算。抗剪连接件列数ns=1;连接件刚度系数k==37050N/mm,连接件的纵向平均间距p=200mm;组合梁截面高度h=500mm;钢梁截面形心到混凝土翼板截面形心dc=ys-yc=(325-40)mm=285mm。 组合梁刚度的计算过程列于表1-5。 3)挠度计算。由于施工阶段未在钢梁下设置临时支撑,故挠度由两部分组成:第一部分为钢梁在组合板及钢梁自重(对应施工阶段验算时的永久荷载部分)下的挠度;第二部分为组合梁在后加荷载作用下的挠度。计算过程列于表1-6。 组合梁的允许挠度[δ]=l/250=7800mm/250=31.2mm 组合梁的施工图如图1-10所示。 表1-5 组合梁刚度计算过程 计算项目 CL及KL-4 KL-3 短期刚度 长期刚度 短期刚度 长期刚度 混凝土翼板面积Acf/mm2 158000 158000 90500 90500 钢梁面积Asmm2 6366 6366 6366 6366 短期A0= 4985.9 - 4291.9 - 长期A0= - 4097.6 - 3237.2 混凝土翼板惯性矩Icf/mm4 84.27×106 84.27×106 84.27×106 84.27×106 钢梁惯性矩Is/mm4 1.37×108 1.37×108 1.37×108 1.37×108 短期I0=Is+Ief/αE 1.493×108 - 1.440×108 - 长期I0=Is+Ief/2αE - 1.431×108 - 1.405×108 A1=(I0+A0)/A0 111.17×103 116.15×103 114.78×103 124.63×103 J=0.81=0.0243 6.63×10-4 6.92×10-4 6.86×10-4 7.24×10-4 1.87 1.54 1.61 1.21 刚度折减系数ξ=ŋ[0.4-3/(jl)2] 0.538 0.457 0.475 0.370 换算截面惯性矩Ieq/mm4 554.25×106 475.96×106 497.88×106 406.08×106 刚度B=EIeq/(1+ξ)/(N·mm2) 74.24×1012 67.29×1012 69.53×1012 61.06×1012 表1-6 挠度计算过程 计算项目 CL KL-4 KL-3 施工阶段荷载标准值gk/(N/mm) 9.70 9.70×2.65/3.3=7.79 9.70×1.85/3.3=5.44 钢梁刚度EI/(N·mm2) 2.82×1013 2.82×1013 2.82×1013 施工阶段挠度δ= 16.58 13.31 9.30 分布荷载标准组合值增量 18.66-9.70=8.96 22.78-7.79=14.99 18.49-5.44=13.05 短期刚度Bs/(N·mm2) 74.24×1012 74.24×1012 69.53×1012 使用阶段新增短期挠度δs2= 5.82 9.73 9.05 短期总挠度δs=δ1+δs2/mm 22.4<31.2 23.04<31.2 18.35<31.2 分布荷载准永久组合值增量 14.70-9.70=5.0 19.60-7.79=11.81 16.27-5.44=10.83 长期刚度Bl/(N·mm2) 67.29×1012 67.29×1012 61.06×1012 使用阶段新增长期挠度δl2= 3.58 8.46 8.55 长期总挠度δl=δ1+δl2/mm 20.16<31.2 21.77<31.2 17.85<31.2 图1-10 组合梁施工图 五、节点设计 1·次梁与刚架梁的连接节点 设计次梁与主梁铰接连接时,通常是忽略次梁对主梁产生的扭转效应的影响,仅将次梁的垂直剪力传递给主梁。但在计算连接高强度螺栓和连接焊缝时,除了考虑次梁端部垂直剪力外,尚应考虑由于偏心所产生的附加弯矩的影响。 假定框架梁截面选用HN400×200×8×13(截面高度hb=400mm,截面宽度bb=200mm,翼缘厚度tbf=13mm,腹板厚度tbw=8mm)。 次梁的最大端剪力Vmax=92.47kN。 (1) 确定支撑加劲肋的尺寸 连接次梁的支承加劲肋外伸宽度应满足: bs≥h0/30+40mm=[(400-2×13)/30+40]mm=52.47mm 取加劲肋与主梁翼缘边平齐,即>52.47mm(满足要求) 加劲肋厚度应满足:ts≥bs/15=96/15mm=6.4mm,取ts=8mm (2)支承加劲肋的稳定计算 支承加劲肋进行腹板平面外的稳定计算时,考虑每侧范围的腹板面积,如图1-11所示。 轴力 N=2V=2×92.47Kn=184.94kN 截面面积 A=(2×15×8×8+200×8)mm2=3520mm2; 惯性矩 IZ=[(1/12) ×8×2003+2×(1/12) ×(15×8) ×83]mm4=5.34×106mm4 回转半径 iz==38.95mm 图1-11 加劲肋稳定计算时的有效面积 构件长细比λz=h0/iz=(400-2×13)/38.95=9.6,按b类截面,查《钢结构设计规范》(GB 50017—2003)附表C-2,得到稳定系数φ=0.993。 σ=N/φA=184.94×103/(0.993×3520)N/mm2=52.91 N/mm2<f=215 N/mm2 (3)连接螺栓计算 每侧采用摩擦型高强度螺栓10.9级,6M20,一个高强度螺栓的预拉力P=155kN。在连接构件接触面采用喷砂丸处理,摩擦面的抗滑移系数μ=0.45,传递摩擦面的数目nf=2。 每个高强度螺栓承载力设计值:=0.9nfμp=0.9×2×0.45×155kN=125.55 kN 在次梁端部垂直剪力作用下,连接一侧的每个高强度螺栓受力:Nv=V/n=92.47/3kN==30.82kN 由于偏心力矩Me=Ve1=92.47×0.1kN·m=9.247 kN·m作用,单个高强度螺栓的最大受力: 66.05×103N=66.05kN 在垂直剪力和偏心弯矩共同作用下,一个高强度螺栓受力: NS=72.89kN<=125.55kN(满足要求) (4)加劲肋与主梁的连接焊缝计算 加劲肋承受剪力V=92.47kN,偏心力矩Me=Ve2=92.47kN×0.151m=13.96kN·m。采用焊缝尺寸hf=6mm,焊缝计算长度仅考虑与主梁腹板连接部分有效,lw=(400-2×13-2×16)mm=342mm,则 Tv=V/(2×0.7×hf×lw)=92.47×103/(2×0.7×6×342)N/mm2=32.19 N/mm2 σM=83.60 N/mm2 =75.71 N/mm2<=160 N/mm2(满足要求) (5)次梁腹板的净截面验算 不考虑孔前传力,近似按下式进行验算: T=V/twhwn=92.47×103/[7×(350-2×11-2×16-3×22)] N/mm2=57.44 N/mm2<fv=215 N/mm2(满足要求) (6)连接板的厚度 按等强度设计。对于双板连接板,其连接板厚不宜小于梁腹板厚度的0.7倍,且不应小于s/1
展开阅读全文

开通  VIP会员、SVIP会员  优惠大
下载10份以上建议开通VIP会员
下载20份以上建议开通SVIP会员


开通VIP      成为共赢上传

当前位置:首页 > 考试专区 > 中考

移动网页_全站_页脚广告1

关于我们      便捷服务       自信AI       AI导航        抽奖活动

©2010-2026 宁波自信网络信息技术有限公司  版权所有

客服电话:0574-28810668  投诉电话:18658249818

gongan.png浙公网安备33021202000488号   

icp.png浙ICP备2021020529号-1  |  浙B2-20240490  

关注我们 :微信公众号    抖音    微博    LOFTER 

客服