收藏 分销(赏)

55度管螺纹标准尺寸对照表.doc

上传人:w****g 文档编号:12611010 上传时间:2025-11-10 格式:DOC 页数:8 大小:357.54KB 下载积分:8 金币
下载 相关 举报
55度管螺纹标准尺寸对照表.doc_第1页
第1页 / 共8页
55度管螺纹标准尺寸对照表.doc_第2页
第2页 / 共8页


点击查看更多>>
资源描述
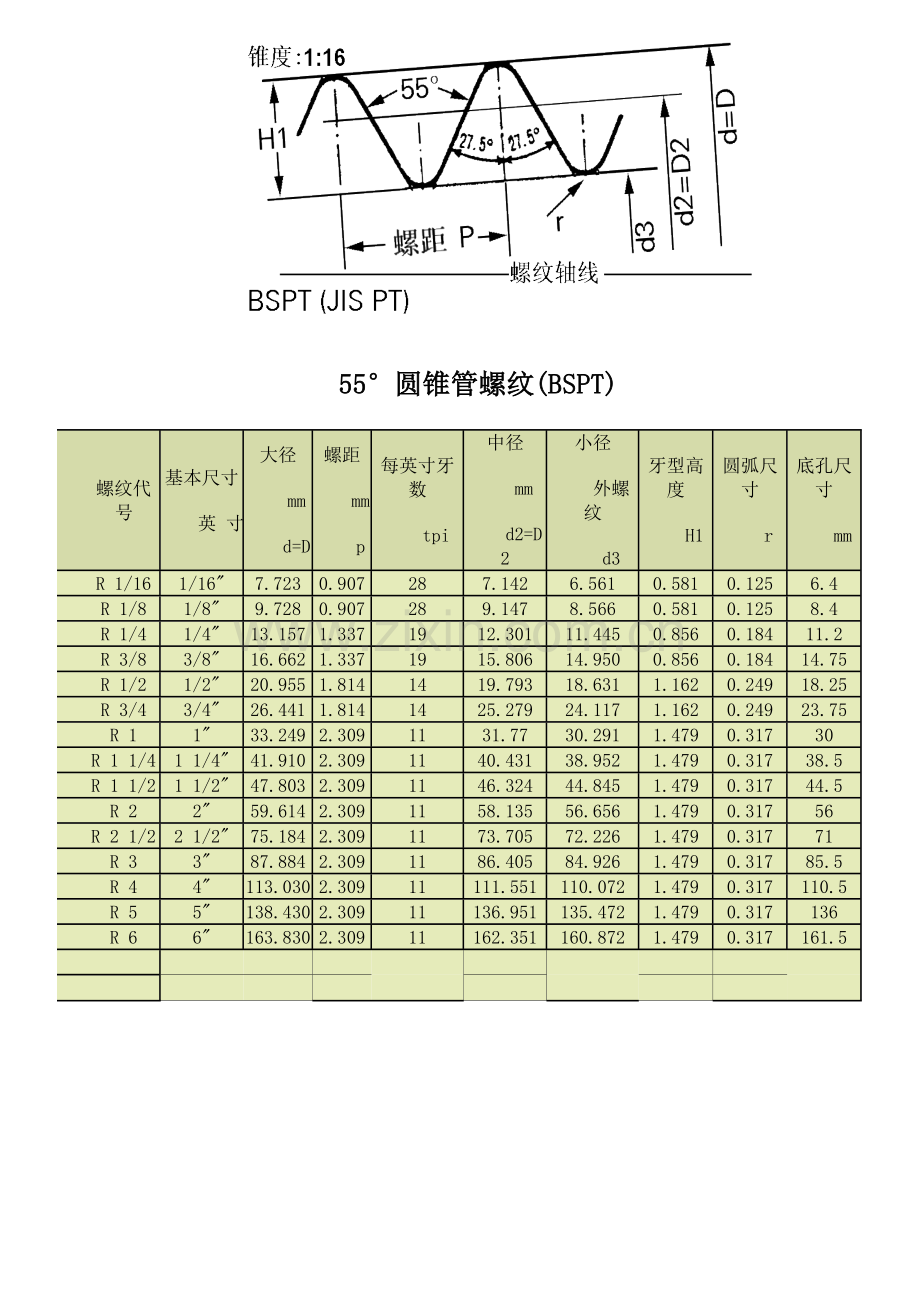
55°圆锥管螺纹(BSPT) 螺纹代号 基本尺寸 英 寸 大径 mm d=D 螺距 mm p 每英寸牙数 tpi 中径 mm d2=D2 小径 外螺纹 d3 牙型高度 H1 圆弧尺寸 r 底孔尺寸 mm R 1/16 1/16" 7.723 0.907 28 7.142 6.561 0.581 0.125 6.4 R 1/8 1/8" 9.728 0.907 28 9.147 8.566 0.581 0.125 8.4 R 1/4 1/4" 13.157 1.337 19 12.301 11.445 0.856 0.184 11.2 R 3/8 3/8" 16.662 1.337 19 15.806 14.950 0.856 0.184 14.75 R 1/2 1/2" 20.955 1.814 14 19.793 18.631 1.162 0.249 18.25 R 3/4 3/4" 26.441 1.814 14 25.279 24.117 1.162 0.249 23.75 R 1 1" 33.249 2.309 11 31.77 30.291 1.479 0.317 30 R 1 1/4 1 1/4" 41.910 2.309 11 40.431 38.952 1.479 0.317 38.5 R 1 1/2 1 1/2" 47.803 2.309 11 46.324 44.845 1.479 0.317 44.5 R 2 2" 59.614 2.309 11 58.135 56.656 1.479 0.317 56 R 2 1/2 2 1/2" 75.184 2.309 11 73.705 72.226 1.479 0.317 71 R 3 3" 87.884 2.309 11 86.405 84.926 1.479 0.317 85.5 R 4 4" 113.030 2.309 11 111.551 110.072 1.479 0.317 110.5 R 5 5" 138.430 2.309 11 136.951 135.472 1.479 0.317 136 R 6 6" 163.830 2.309 11 162.351 160.872 1.479 0.317 161.5      55°圆柱管螺纹的型式和尺寸 British Pipe Thread (惠氏管螺纹) -- 圆柱 (BSPP/BSPF) 螺纹代号 基本尺寸 大径 mm d=D 螺距 mm p 每英寸牙数 tpi 中径 mm d2=D2 小径 外螺纹 d3 牙型高度 H1 底孔尺寸 mm G 1/8 1/8" 9.728 0.907 28 9.147 8.566 0.581 8.7 G 1/4 1/4" 13.157 1.337 19 12.301 11.445 0.856 11.6 G 3/8 3/8" 16.662 1.337 19 15.806 14.95 0.856 15 G 1/2 1/2" 20.955 1.814 14 19.793 18.631 1.162 19 G 5/8 5/8" 22.911 1.814 14 21.749 20.587 1.162 20.75 G 3/4 3/4" 26.441 1.814 14 25.279 24.117 1.162 24.5 G 7/8 7/8" 30.201 1.814 14 29.039 27.877 1.162 28 G 1 1" 33.249 2.309 11 31.77 30.291 1.479 30.5 G 1 1/8 1 1/8" 37.897 2.309 11 36.418 34.939 1.479 35 G 1 1/4 1 1/4" 41.91 2.309 11 40.431 38.952 1.479 39.5 G 1 3/8 1 3/8" 44.323 2.309 11 42.844 41.365 1.479 41.5 G 1 1/2 1 1/2" 47.803 2.309 11 46.324 44.845 1.479 45 G 1 3/4 1 3/4" 53.746 2.309 11 52.267 50.788 1.479 51 G 2 2" 59.614 2.309 11 58.135 56.656 1.479 57 G 2 1/4 2 1/4" 65.71 2.309 11 64.231 62.752 1.479 63 G 2 1/2 2 1/2" 75.184 2.309 11 73.705 72.226 1.479 72.5 G 2 3/4 2 3/4" 81.534 2.309 11 80.055 78.576 1.479 79 G 3 3" 87.884 2.309 11 86.405 84.926 1.479 85. G 3 1/4 3 1/4" 93.98 2.309 11 92.501 91.022 1.479 91 G 3 1/2 3 1/2" 100.33 2.309 11 98.351 97.372 1.479 97.75 G 3 3/4 3 3/4" 106.68 2.309 11 105.201 103.722 1.479 104 G 4 4" 113.03 2.309 11 111.55 110.072 1.479 110.5 G 4 1/2 4 1/2" 125.73 2.309 11 124.251 122.772 1.479 123 G 5 5" 138.43 2.309 11 136.951 135.472 1.479 136 G 5 1/2 5 1/2" 151.13 2.309 11 149.651 148.172 1.479 148.5 G 6 6" 163.83 2.309 11 162.351 160.872 1.479 161.5 55度圆锥管螺纹的实际加工尺寸 55°圆柱管螺纹的型式和尺寸 British Pipe Thread (惠氏管螺纹) -- 圆柱 (BSPP/BSPF) 螺纹代号 基本尺寸 大径 mm d=D 螺距 mm p 每英寸牙数 tpi 中径 mm d2=D2 小径 外螺纹 d3 牙型高度 H1 底孔尺寸 mm G 1/8 1/8" 9.728 0.907 28 9.147 8.566 0.581 8.7 G 1/4 1/4" 13.157 1.337 19 12.301 11.445 0.856 11.6 G 3/8 3/8" 16.662 1.337 19 15.806 14.95 0.856 15 G 1/2 1/2" 20.955 1.814 14 19.793 18.631 1.162 19 G 5/8 5/8" 22.911 1.814 14 21.749 20.587 1.162 20.75 G 3/4 3/4" 26.441 1.814 14 25.279 24.117 1.162 24.5 G 7/8 7/8" 30.201 1.814 14 29.039 27.877 1.162 28 G 1 1" 33.249 2.309 11 31.77 30.291 1.479 30.5 G 1 1/8 1 1/8" 37.897 2.309 11 36.418 34.939 1.479 35 G 1 1/4 1 1/4" 41.91 2.309 11 40.431 38.952 1.479 39.5 G 1 3/8 1 3/8" 44.323 2.309 11 42.844 41.365 1.479 41.5 G 1 1/2 1 1/2" 47.803 2.309 11 46.324 44.845 1.479 45 G 1 3/4 1 3/4" 53.746 2.309 11 52.267 50.788 1.479 51 G 2 2" 59.614 2.309 11 58.135 56.656 1.479 57 G 2 1/4 2 1/4" 65.71 2.309 11 64.231 62.752 1.479 63 G 2 1/2 2 1/2" 75.184 2.309 11 73.705 72.226 1.479 72.5 G 2 3/4 2 3/4" 81.534 2.309 11 80.055 78.576 1.479 79 G 3 3" 87.884 2.309 11 86.405 84.926 1.479 85. G 3 1/4 3 1/4" 93.98 2.309 11 92.501 91.022 1.479 91 G 3 1/2 3 1/2" 100.33 2.309 11 98.351 97.372 1.479 97.75 G 3 3/4 3 3/4" 106.68 2.309 11 105.201 103.722 1.479 104 G 4 4" 113.03 2.309 11 111.55 110.072 1.479 110.5 G 4 1/2 4 1/2" 125.73 2.309 11 124.251 122.772 1.479 123 G 5 5" 138.43 2.309 11 136.951 135.472 1.479 136 G 5 1/2 5 1/2" 151.13 2.309 11 149.651 148.172 1.479 148.5 G 6 6" 163.83 2.309 11 162.351 160.872 1.479 161.5
展开阅读全文

开通  VIP会员、SVIP会员  优惠大
下载10份以上建议开通VIP会员
下载20份以上建议开通SVIP会员


开通VIP      成为共赢上传

当前位置:首页 > 包罗万象 > 大杂烩

移动网页_全站_页脚广告1

关于我们      便捷服务       自信AI       AI导航        抽奖活动

©2010-2025 宁波自信网络信息技术有限公司  版权所有

客服电话:0574-28810668  投诉电话:18658249818

gongan.png浙公网安备33021202000488号   

icp.png浙ICP备2021020529号-1  |  浙B2-20240490  

关注我们 :微信公众号    抖音    微博    LOFTER 

客服