收藏 分销(赏)

EPS颗粒保温系统涂料饰面施工工艺.doc

上传人:精**** 文档编号:12592020 上传时间:2025-11-07 格式:DOC 页数:10 大小:1.30MB 下载积分:8 金币
下载 相关 举报
EPS颗粒保温系统涂料饰面施工工艺.doc_第1页
第1页 / 共10页
EPS颗粒保温系统涂料饰面施工工艺.doc_第2页
第2页 / 共10页


点击查看更多>>
资源描述
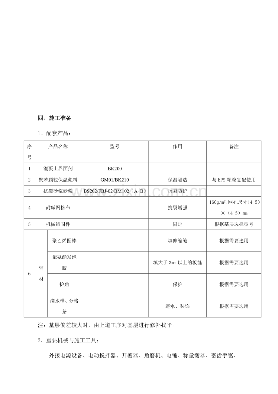
EPS颗粒保温系统(涂料饰面)施工工艺 一.合用范围: 1、合用于在我国不同气候区域有聚苯颗粒保温浆料保温节能规定的钢筋混凝土、混凝土空心砌块、烧结普砖、烧结多孔砖、加气灰砂砖和炉渣砖等材料构成的砌体结构的工程。 2、合用于新建、扩建、改建和既有工业、民用建筑的承重或非承重墙的聚苯颗粒保温浆料外墙保温工程。 3、合用于多层建筑、高层建筑及超高层建筑的聚苯颗粒保温浆料外墙保温工程。 4、合用于旧瓷砖、马赛克、喷砂石、水性涂料、油性涂料等饰面的旧房聚苯颗粒保温浆料外墙改造工程。 二.工艺特点: 1、采用现场抹灰成型工艺,整体性、抗开裂性好。 2、对基层的适应能力强。 3、与基层墙体100%连接,无空腔,高层抗风压效果好。 4、保温系统阻燃等级高。 5、合用范围广泛。 三.系统构造: 四、施工准备 1、配套产品: 序号 产品名称 型号 作用 备注 1 混凝土界面剂 BK200 2 聚苯颗粒保温浆料 GM01/BK210 保温隔热 与EPS颗粒复配使用 3 抗裂砂浆砂浆 BS202/FBJ-02/BM102(A、B) 抗裂防护 4 耐碱网格布 抗裂增强 160g/m2、网孔尺寸(4-5)×(4-5)mm 5 机械锚固件 固定 根据基层选择型号 6 辅材 聚乙烯圆棒 填伸缩缝 根据需要选用 聚氨酯发泡胶 填大于3mm以上的板缝 根据需要选用 护角 保护 根据需要选用 滴水槽、分格条 避水、装饰 根据需要选用 注:基层偏差较大时,由上道工序对基层进行修补找平。 2、重要机械与施工工具: 外接电源设备、电动搅拌器、开槽器、角磨机、电锤、称量衡器、密齿手锯、壁纸刀、剪刀、螺丝刀、钢丝刷、腻子刀、抹子、阴阳角抿子、托线板、2m靠尺、墨斗等 五、作业条件: 1、基层墙体 基层墙体通过工程验收达成质量标准,墙面的残渣和脱模剂清理干净,墙面平整度超差部分已剔凿或修补,伸出墙面的(设备、管道)联结件已安装完毕。 外保温施工的墙体基面的尺寸偏差应符合下表的规定。 工程做法 项目 允许偏差≤,mm 检查方法 砌体工程 墙面 垂直度 每层 5 2m托线板检查 全高 ≤10m 10 经纬仪或吊线、钢尺检查 >10 20 表面平整度 5 2m靠尺和塞尺检查 混凝土工程 墙面 垂直度 层高 ≤5m 8 纬仪或吊线、钢尺检查 >5 10 全高 H/1000且≤30 经纬仪、钢尺检查 表面平整度 8 2m靠尺和塞尺检查 在轻质墙体上施工或对既有建筑进行外保温改造时,需对外保温墙体表面进行检查,通过计算验证,确认其与所用聚苯板胶粘剂达成应有的粘结强度。 对于未达成应有的粘结强度的墙面应彻底清理原外墙面层,剔除暴皮、粉化、松动、裂缝空鼓部分,进行修补、加固找平。经解决后的墙体如仍不能满足规定,应根据实测数据设计特定的联结方案。 2、门窗口 门窗洞口通过验收,洞口尺寸位置达成设计规定和质量验收标准;门窗框或附框安装完毕。 3、气候条件 操作环境和基底温度不低于5℃,风力不大于5级,雨、雪天不得施工。 夏季施工,施工面应避免阳光直射,必要时可在脚手架上搭设防晒布,遮挡墙面。如施工中突遇降雨,应采用有效措施,防止雨水冲刷墙面。 4、基层墙体应符合 GB50204-2023 《混凝土结构工程施工质量验收规范》和 GB50203-2023 《砌体工程施工质量验收规范》及相应基层墙体质量验收规范的规定。 5、墙面应清理干净,无油渍、浮灰等:施工孔洞、脚手架眼以及阳台板、墙板残缺处应用水泥砂浆修补整齐:旧墙面松动、风化部分以及大于10mm的凸起物应剔除干净。 6、外墙面上的雨水管卡、预埋铁件、设备穿墙管道等应提前安装完毕,上述部位及窗口应预留出外保温层的厚度。 7、施工用吊篮或脚手架的安装应符合相应的技术标准。 8、外保温作业时环境温度不应低于5℃,风力不应大于5级。严禁雨天施工,雨季施工时应做好防雨措施。冬季一般不宜施工。 9、材料应在干燥、通风、阴凉的场合密封贮存,贮存期及条件应按产品说明书。对在露天存放的砂石料,用苫布覆盖。 六、操作工艺: 1、施工工艺流程图 基层解决 配制基层界面砂浆 喷刷基层界面砂浆 吊垂直线、弹控制线 配制胶粉聚苯颗粒保温浆料 做灰饼、冲筋 抹胶粉聚苯颗粒保温浆料保温层 做滴水槽 配制抗裂砂浆 抹底层砂浆 连续施工、一次性成活 铺设网格布 抹面层砂浆 “缝”的解决 保温验收 2、基层墙面解决 墙面应清理干净,无油渍,浮灰等。墙面松动、风化部分应剔除干净。墙表面凸起物大于10mm时应剔除。 3、配制界面剂 按配制规定,严格计量,机械搅拌,保证搅拌均匀。一次配制量应少于1.5小时内的用量。拌好的料注意防晒避风,超过可操作时间后不准使用。 4、界面解决 基层应满涂界面砂浆,用喷枪或滚刷均匀喷刷或滚涂。界面剂施工效果以不出现较长的尖状拉毛为宜。 5、吊垂直、弹控制线 根据建筑物高度拟定放线的方法,高层建筑及超高层建筑科运用墙大角、门窗口两边,用经纬仪打直线找垂直。多层建筑或高层建筑,可从顶层用大线坠吊垂直,绷铁丝找规矩,横向水平线可依据楼层标高或施工±0.000向上500mm线为水平基准线进行交圈控制。根据调垂直的线及保温厚度,每步架大角两侧弹上控制线,再拉水平通线做标志块。 6、做灰饼、冲筋 按厚度控制线用胶粉聚苯颗粒保温浆料或聚苯颗粒保温浆料做标准厚度灰饼、冲筋。 在距楼层顶部约100mm和距楼层底部约100mm,同时距大墙阴或阳角约100mm处,根据垂直控制通线做垂直方向灰饼(楼层较高时应两人共同完毕),作为基准灰饼。再根据两垂直方向基准灰饼之间的通线,做墙面找平层厚度灰饼,每灰饼之间的距离按1.5m左右间隔粘贴。灰饼可用胶粉聚苯颗粒浆料做,也可用废聚苯板裁成50mm*50mm小块粘贴。待垂直方向灰饼固定后,在两水平灰饼间拉水平控制通线,具体做法为将带小线的小圆钉插入灰饼,拉直小线,使小线控制比灰饼略高1mm,在两灰饼之间按1.5m左右间隔水平粘贴若干灰饼或冲筋。 每层灰饼粘贴施工作业完毕后,水平方向用5m小线拉线检查灰饼的一致性,垂直方向用2m托线板检查垂直度,病测量灰饼厚度,冲筋厚度应与灰饼厚度一致。用5m小线拉线检查冲筋厚度的一致性。 7、配制胶粉聚苯颗粒保温浆料 按配制规定,严格计量,机械搅拌,保证搅拌均匀。一次配制量应少于1.5小时内的用量。拌好的料注意防晒避风,超过可操作时间后不准使用。 8、抹胶粉聚苯颗粒保温浆料保温层 界面砂浆基本干燥后即可进行保温浆料的施工。 抹胶粉聚苯颗粒保温浆料应分层作业施工,每遍厚度控制20-30mm,最后一遍施工厚度宜控制在10mm左右,按顺序从上至下施工,每遍施工间隔应在24h以上,达成灰饼或冲筋厚度,墙面偏差应控制在±2mm墙面门窗口平整度和垂直度应达成规定规定。 保温浆料施工时,在墙角处铺彩条布接落地灰,落地灰应及时清理,落地灰及时少量(10%)分批掺入新拌浆料中使用。 保温层施工完毕后,养护3-7天后,方可进行下一道工序。 9、配制抗裂砂浆 按配制规定,严格计量,机械搅拌,保证搅拌均匀。一次配制量应少于1.5小时内的用量。拌好的料注意防晒避风,超过可操作时间后不准使用。 10、抹底层抗裂砂浆,复合耐碱网格布 耐碱网格布长度3m左右,尺寸预先裁好。抗裂砂浆一般分两遍完毕,总厚度约3~5mm。抹面积与网格布相称的抗裂砂浆后应立即用铁抹子压入耐碱 网格布。耐碱网格布之间搭接宽度不应小于50mm,先压入一侧,再压入另一侧,严禁干搭。阴阳角处也应压茬搭接,其搭接宽度≥150mm,应保证阴阳角处的方正和垂直度。耐碱网格布要含在抗裂砂浆中,铺贴要平整,无褶皱,可隐约见网格布,砂浆饱满度达成100%.局部不饱满处应随即补抹第二遍抗裂砂浆找平并压实。 在窗洞口等处应沿45°方向提前用抗裂砂浆增贴一道网格布(300mm×400mm)。 首层墙面应铺贴双层耐碱网格布,第一层铺贴应采用对接方法,然后进行第二层网格布铺贴,两层网格布之间抗裂砂浆应饱满,严禁干贴。 建筑物首层外保温应在阳角处双层网格布之间设专用金属护角,护角高度一般为2m.在第一层网格布铺贴好后,应放好金属护角,用抹子拍压出抗裂砂浆,抹第二遍抗裂砂浆复合网布包裹住护角。 抗裂砂浆施工完后,应检查平整、垂直及阴阳角方正,不符合规定的应用抗裂砂浆进行修补。严禁在此面层上抹普通水泥砂浆腰线、窗口套线等。 抗裂砂浆施工后,需养护至少7天,方可进行下一道工序。 12、保温墙面允许偏差及检查方法如下表: 项 次 项 目 允 许 偏 差 检 查 方 法 1 立面垂直 4 用2m托线 板检查 2 表面平整 4 用2m靠尺及塞尺检查 3 阴阳角方正 4 用200mm方尺和塞尺检查 4 分格条(逢)平直 4 拉5m小线和尺量检查 七.施工注意事项: 1. 使用前应核对配套产品的标签,确认无误后方可使用。 2. 严格按照使用说明书规定进行配料,配好的料规定在1.5小时内用完,随配随用。 3. 将打开后的粉料包装做好妥善保管,避免受潮。 4. 胶类产品储存温度应在0℃以上、40℃以下,粉类产品储存环境应在阴凉干燥处,避免雨淋受潮。 5. 施工基层温度不低于5℃,风力不大于5级,雨天或即将下雨天不得施工。 6. 。 7. 夏季施工时,施工面应避免阳光直射。 8. 落地灰不得直接用于墙面施工,应与新拌制的浆料一起使用,且加入量不得大于新拌料的10%。 9. 安装锚固件时,聚苯颗粒保温浆料应充足养护,一般夏季养护3-7天,气温较低时应适当延长。 10. 施工过程中发现异常,必须及时反馈并停止此道工艺的施工。 11. 施工作业段的衔接应保持在分格缝或阴阳角处。 12. 施工时应注意其它分项成品保护,防止交叉作业引起的污染。 13. 施工工具用毕应及时清洗干净并妥善保管。 此工艺版本号为09版,从2023年10月1日开始执行。 施工工序图:
展开阅读全文

开通  VIP会员、SVIP会员  优惠大
下载10份以上建议开通VIP会员
下载20份以上建议开通SVIP会员


开通VIP      成为共赢上传

当前位置:首页 > 品牌综合 > 技术交底/工艺/施工标准

移动网页_全站_页脚广告1

关于我们      便捷服务       自信AI       AI导航        抽奖活动

©2010-2026 宁波自信网络信息技术有限公司  版权所有

客服电话:0574-28810668  投诉电话:18658249818

gongan.png浙公网安备33021202000488号   

icp.png浙ICP备2021020529号-1  |  浙B2-20240490  

关注我们 :微信公众号    抖音    微博    LOFTER 

客服