收藏 分销(赏)

工业“三废”排放试行标准(摘录).doc

上传人:可**** 文档编号:12145550 上传时间:2025-09-17 格式:DOC 页数:4 大小:47.50KB 下载积分:8 金币
下载 相关 举报
工业“三废”排放试行标准(摘录).doc_第1页
第1页 / 共4页
工业“三废”排放试行标准(摘录).doc_第2页
第2页 / 共4页


点击查看更多>>
资源描述
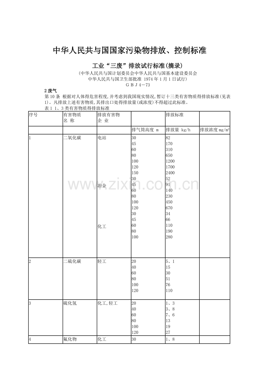
  中华人民共与国国家污染物排放、控制标准 工业“三废”排放试行标准(摘录) (中华人民共与国计划委员会中华人民共与国基本建设委员会 中华人民共与国卫生部批准 1974年1月1日试行) GBJ4-73 2废气 第10条 根据对人体得危害程度,并考虑到我国现实情况,暂订十三类有害物质得排放标准(见表1)。凡排放上述有害物质,其排出口处得排放量(或浓度)不得超过此标准。 表1 1、3类有害物质得排放标准 序号 有害物质 名 称 排放有害物 企 业   排放标准           排气筒高度 m 排放量 kg/h 排放浓度mg/m2 1 二氧化碳 电站             冶金           化工         30 45 60 80 100 120 150 30 45 60 80 100 120 30 45 60 80 100 82 170 310 650 1200 1700 2400 52 91 140 230 450 670 34 66 110 190 280   2 二硫化碳 轻工           20 40 60 80 100 120 5、1 15 30 51 76 110   3 硫化氢 化工,轻工 20 40 60 80 100 120 1、3 3、8 7、6 13 19 27   4 氟化物 (换算成F) 化工   冶金 30 50 120 1、8 4、1 24   5 氮氧化物 (换算成NO2) 化工         20 40 60 80 100 12 37 86 160 230   6 氯 化工,冶金     冶金   20 30 50 80 100 2、8 5、1 12 27 41   7 氯花氢 化工,冶金     冶金   20 30 50 80 100 1、4 2、5 5、9 14 20   8 一氧化碳 化工,冶金     30 60 100 160 620 1700   9 硫酸(雾) 化工   30~45 60~80   260 600 10 铅 冶金   100 120   34 47 11 汞 轻工 20 30   0、01 0、02 12 铍化物 (换算成Be)   45-80   0、0015 13 烟尘及生产性粉尘 电站(煤粉)             工业及采暖锅炉 炼钢电炉 炼钢转炉 (小于120) (大于120) 水泥 生产性粉尘 (第一类) (第二类) 30 45 60 80 100 120 150 82 170 310 650 1200 1700 2400                 200 200   200 150 150   100 150 注:1)表中未列入得企业,其有害物质得排放量可参照本表类似企业、 2)表中所列数据按平原地区,大气为中性状态,点源连续排放制订、 间隔排放者,若每天多次排放,其排放量按表中规定,若每天排则放一次而又小于一小时,则二氧化碳, 烟尘及生产性粉尘,二硫化碳,氯化物,氯,氯化氢,一氧化碳等七类物质得排放量可为表中规定量得三倍、 3)系指局部通风除尘后所允许得排放浓度、 第一类指:含10%以上得游离二氧化硅或石棉得粉尘,玻璃棉与矿渣棉粉尘,铅化物粉尘等、 第二类指:含10%以下得游离二氧化硅得煤尘及其她粉尘、 编者注: 表中,锅炉与电站指标分别由 GB 13271-91(锅炉大气污染物排放标准)与GB 13223091(燃煤电厂大气污染物排放标准)代替、 4废渣 第17条 工业“废渣”就是一种自然资源,要想方设法利用,以开辟新得原料来源,减少对环境得污染。 凡已有综合利用经验得“废渣”,如:高炉矿渣、钢渣、纷煤灰、硫铁灰、电石渣、赤泥、白泥、洗煤泥、硅锰渣、铬渣等,必须纳入工艺设计、基本建设与产品生产计划,实行“一业为主,多种经营”,不得任意丢弃。 第18条 “废渣”堆放场所,要尽量少占农田,不占良田。要有防止扬散、流失等措施,以防止对大气、水源与土壤得污染。 在地方城建、卫生部门划定得卫生防护区内,不得设置“废渣”堆放场所。 第19条 对含汞、镉、砷、六价格、铅、氰化物、黄磷及其它可溶性剧毒“废渣”,必须专设具有放水、防渗措施得存放场所,并禁止埋入地下与排入地面水体。 窗体顶部 窗体底部
展开阅读全文

开通  VIP会员、SVIP会员  优惠大
下载10份以上建议开通VIP会员
下载20份以上建议开通SVIP会员


开通VIP      成为共赢上传

当前位置:首页 > 品牌综合 > 行业标准/行业规范

移动网页_全站_页脚广告1

关于我们      便捷服务       自信AI       AI导航        抽奖活动

©2010-2026 宁波自信网络信息技术有限公司  版权所有

客服电话:0574-28810668  投诉电话:18658249818

gongan.png浙公网安备33021202000488号   

icp.png浙ICP备2021020529号-1  |  浙B2-20240490  

关注我们 :微信公众号    抖音    微博    LOFTER 

客服