收藏 分销(赏)

分部工程质量评定表(填写).docx

上传人:鼓*** 文档编号:12090186 上传时间:2025-09-10 格式:DOCX 页数:21 大小:39.71KB 下载积分:8 金币
下载 相关 举报
分部工程质量评定表(填写).docx_第1页
第1页 / 共21页
分部工程质量评定表(填写).docx_第2页
第2页 / 共21页


点击查看更多>>
资源描述
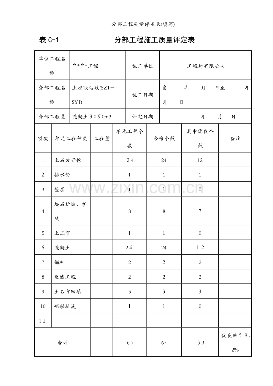
分部工程质量评定表(填写) 表G-1       分部工程施工质量评定表 单位工程名称 ****工程 施工单位 工程局有限公司 分部工程名称 上游联结段(SZ1-SY1) 施工日期 自   年  月 日至  年  月   日 分部工程量 混凝土3090m3 评定日期 年  月 日 项次 单元工程种类 工程量 单元工程个数 合格个数 其中优良个数 备注 1 土石方开挖 24 24 12 2 排水管 1 1 1 3 垫层 1 1 0 4 块石护坡、护底 8 8 7 5 土工布 1 1 0 6 混凝土 24 24 12 7 锚杆 2 2 2 8 反滤工程 2 2 2 9 土石方回填 3 3 3 10 船舶疏浚 1 1 0 11 合计 67 67 39 优良率58、2% 重要隐蔽单元工程、关键部位单元工程 24 24 12 优良率50、0% 施工单位自评意见 监理机构复核意见 项目法人认定意见 本分部工程得单元工程质量全部合格。优良率为 58、2%,主要单元工程、重要隐蔽单元工程及关键部位单元工程24个,优良率为50、0 %。原材料质量 合格,中间产品质量合格,金属结构、启闭机质量 / ,机电产品质量  /。质量事故及质量缺陷处理情况:    无质量事故。 分部工程质量等级:合格 评定人: 项目技术负责人:   年  月 日 复核意见: 分部工程质量等级: 监理工程师: 年 月   日 总监或副总监: 年  月 日 认定意见: 分部工程质量等级: 现场代表: 年 月 日 技术负责人:  年  月 日 质量监督 机构核定 核定意见: 核定等级:         核定人: 项目站负责人:             年 月 日               年 月   日 注:分部工程验收得质量结论,由项目法人报质量监督机构核备。大型水利枢纽工程主要建筑物得分部工程验收得质量结论,由项目法人报质量监督机构核定。 表G-1        分部工程施工质量评定表 单位工程名称 施工单位 工程局有限公司 分部工程名称 △闸室段下部(SZ1-ZS2) 施工日期 自  年  月 日至   年   月   日 分部工程量 评定日期 年  月   日 项次 单元工程种类 工程量 单元工程个数 合格个数 其中优良个数 备注 1 土石方开挖 6 6 5 2 混凝土工程 35 35 30 3 防腐工程 7 7 7 4 5 6 7 8 9 10 11 合计 48 48 42 优良率87、5% 重要隐蔽单元工程、关键部位单元工程 35 35 30 优良率85、7% 施工单位自评意见 监理机构复核意见 项目法人认定意见 本分部工程得单元工程质量全部合格。优良率为87、5%,主要单元工程、重要隐蔽单元工程及关键部位单元工程35个,优良率为85、7  %。原材料质量 合格,中间产品质量 合格 ,金属结构、启闭机质量/,机电产品质量 /。质量事故及质量缺陷处理情况:无质量事故 分部工程质量等级:合格 评定人: 项目技术负责人:   年  月   日 复核意见: 分部工程质量等级:  监理工程师: 年  月   日 总监或副总监: 年 月  日 认定意见: 分部工程质量等级: 现场代表: 年  月 日 技术负责人: 年 月   日 质量监督 机构核定 核定意见: 核定等级:       核定人:      项目站负责人:        年  月  日             年  月  日 注:分部工程验收得质量结论,由项目法人报质量监督机构核备。大型水利枢纽工程主要建筑物得分部工程验收得质量结论,由项目法人报质量监督机构核定。 表G-1 分部工程施工质量评定表 单位工程名称 施工单位 有限公司 分部工程名称 消能防冲段(SZ1-XN3) 施工日期 自   年   月  日至 年  月 日 分部工程量 评定日期 年  月   日 项次 单元工程种类 工程量 单元工程个数 合格个数 其中优良个数 备注 1 土石方开挖 14 14 12 2 混凝土工程 7 7 7 3 混凝土砌石体 7 7 5 4 5 6 7 8 9 10 11 合计 28 28 24 优良率85、7% 重要隐蔽单元工程、关键部位单元工程 7 7 7 优良率100% 施工单位自评意见 监理机构复核意见 项目法人认定意见 本分部工程得单元工程质量全部合格。优良率为 85、7%,主要单元工程、重要隐蔽单元工程及关键部位单元工程 7 个,优良率为 100 %。原材料质量 合格,中间产品质量 合格,金属结构、启闭机质量 /,机电产品质量 /。质量事故及质量缺陷处理情况:无质量事故  分部工程质量等级: 合格 评定人: 项目技术负责人:           年   月   日 复核意见:  分部工程质量等级:  监理工程师: 年 月  日 总监或副总监: 年  月   日 认定意见: 分部工程质量等级: 现场代表: 年   月  日 技术负责人: 年 月   日 质量监督 机构核定 核定意见: 核定等级:      核定人:       项目站负责人:           年   月   日               年 月 日 注:分部工程验收得质量结论,由项目法人报质量监督机构核备。大型水利枢纽工程主要建筑物得分部工程验收得质量结论,由项目法人报质量监督机构核定。 表G-1         分部工程施工质量评定表 单位工程名称 施工单位 *工程局有限公司 分部工程名称 下游联结段(SZ1-XY4) 施工日期 自    年   月 日至  年 月  日 分部工程量 评定日期 年  月 日 项次 单元工程种类 工程量 单元工程个数 合格个数 其中优良个数 备注 1 宕渣填筑 2 2 0 2 土石方开挖 15 15 11 优良率73、3% 3 护坡排水 2 2 2 4 碎石垫层 2 2 2 5 砌石 2 2 1 6 土工布 2 2 0 7 混凝土工程 27 27 12 优良率44、4% 8 锚杆 3 3 3 9 反滤工程 2 2 0 10 土石方回填 2 2 1 11 基础强夯 1 1 0 12 护脚 1 1 1 13 船舶疏浚 1 1 1 合计 62 62 34 优良率54、8% 重要隐蔽单元工程、关键部位单元工程 27 27 12 优良率44、4% 施工单位自评意见 监理机构复核意见 项目法人认定意见 本分部工程得单元工程质量全部合格。优良率为54、8%,主要单元工程、重要隐蔽单元工程及关键部位单元工程 27个,优良率为44、4 %。原材料质量合格,中间产品质量     ,金属结构、启闭机质量  ,机电产品质量合格。质量事故及质量缺陷处理情况:无 分部工程质量等级: 评定人: 项目技术负责人:      年 月   日 复核意见: 分部工程质量等级: 监理工程师: 年 月 日 总监或副总监: 年 月 日 认定意见: 分部工程质量等级: 现场代表: 年 月 日 技术负责人: 年   月   日 质量监督 机构核定 核定意见: 核定等级:    核定人:    项目站负责人:                年  月   日                         年 月  日 注:分部工程验收得质量结论,由项目法人报质量监督机构核备。大型水利枢纽工程主要建筑物得分部工程验收得质量结论,由项目法人报质量监督机构核定。 表G-1     分部工程施工质量评定表 单位工程名称 ****工程 施工单位 *工程局有限公司 分部工程名称 基础与地基防渗及排水 施工日期 自  年   月 日至   年   月   日 分部工程量 评定日期 年 月 日 项次 单元工程种类 工程量 单元工程个数 合格个数 其中优良个数 备注 1 钻孔灌注桩 5 5 3 2 固结灌浆 7 7 6 3 基础排水 7 7 5 4 5 6 7 8 9 10 11 合计 19 19 14 优良率73、7% 重要隐蔽单元工程、关键部位单元工程 5 5 3 优良率60、0% 施工单位自评意见 监理机构复核意见 项目法人认定意见 本分部工程得单元工程质量全部合格。优良率为    73、7%,主要单元工程、重要隐蔽单元工程及关键部位单元工程  5个,优良率为 60、0 %。原材料质量 合格 ,中间产品质量 合格 ,金属结构、启闭机质量 /,机电产品质量 / 。质量事故及质量缺陷处理情况:无质量事故 分部工程质量等级:合格 评定人: 项目技术负责人:      年   月  日 复核意见: 分部工程质量等级: 监理工程师: 年   月 日 总监或副总监: 年  月 日 认定意见: 分部工程质量等级: 现场代表: 年   月 日 技术负责人:   年   月 日 质量监督 机构核定 核定意见: 核定等级:      核定人:        项目站负责人:           年  月   日                      年   月 日 注:分部工程验收得质量结论,由项目法人报质量监督机构核备。大型水利枢纽工程主要建筑物得分部工程验收得质量结论,由项目法人报质量监督机构核定。 表G-1        分部工程施工质量评定表 单位工程名称 ****工程 施工单位 *工程局有限公司 分部工程名称 金属结构及启闭机安装(SZ1-JJ6) 施工日期 自   年  月 日至    年   月 日 分部工程量 480、087吨,10台 评定日期 年 月 日 项次 单元工程种类 工程量 单元工程个数 合格个数 其中优良个数 备注 1 闸门预埋件制作及安装 185、248 T 21 21 16 优良率76、2% 2 工作闸门制作及安装 250、04T 7 7 7 优良率100% 3 检修闸门制作及安装 44、799 T 2 2 2 优良率100% 4 液压启闭机安装 7台 7 7 6 优良率85、7% 5 工字钢轨道安装 281、4m 3 3 2 优良率66、7% 6 电动葫芦安装 3台 3 3 3 优良率100% 7 8 9 10 11 合计 43 43 37 优良率86% 重要隐蔽单元工程、关键部位单元工程 16 16 15 优良率93、8% 施工单位自评意见 监理机构复核意见 项目法人认定意见 本分部工程得单元工程质量全部合格。优良率为     86%,主要单元工程、重要隐蔽单元工程及关键部位单元工程16个,优良率为 93、8 %。原材料质量合格,中间产品质量合格,金属结构、启闭机质量 合格,机电产品质量 合格。质量事故及质量缺陷处理情况:   无质量事故。 分部工程质量等级:优良 评定人: 项目技术负责人:       年  月  日 复核意见: 分部工程质量等级:  监理工程师: 年  月 日 总监或副总监: 年   月  日 认定意见:  分部工程质量等级: 现场代表: 年 月  日 技术负责人: 年  月   日 质量监督 机构核定 核定意见: 核定等级:     核定人:  项目站负责人:     年  月 日              年  月 日 注:分部工程验收得质量结论,由项目法人报质量监督机构核备。大型水利枢纽工程主要建筑物得分部工程验收得质量结论,由项目法人报质量监督机构核定。 表G-1          分部工程施工质量评定表 单位工程名称 ****工程 施工单位 *工程局有限公司 分部工程名称 施工日期 自    年 月 日至  年 月   日 分部工程量 评定日期 年  月   日 项次 单元工程种类 工程量 单元工程个数 合格个数 其中优良个数 备注 1 2 3 4 5 6 7 8 9 10 11 合计 重要隐蔽单元工程、关键部位单元工程 施工单位自评意见 监理机构复核意见 项目法人认定意见 本分部工程得单元工程质量全部合格。优良率为   %,主要单元工程、重要隐蔽单元工程及关键部位单元工程 个,优良率为      %。原材料质量    ,中间产品质量   ,金属结构、启闭机质量     ,机电产品质量   。质量事故及质量缺陷处理情况:             。 分部工程质量等级: 评定人: 项目技术负责人:   年  月 日 复核意见: 分部工程质量等级: 监理工程师: 年 月  日 总监或副总监: 年 月 日 认定意见: 分部工程质量等级: 现场代表: 年 月   日 技术负责人: 年 月 日 质量监督 机构核定 核定意见: 核定等级:      核定人:          项目站负责人:        年 月  日              年 月   日 注:分部工程验收得质量结论,由项目法人报质量监督机构核备。大型水利枢纽工程主要建筑物得分部工程验收得质量结论,由项目法人报质量监督机构核定。 表G-1      分部工程施工质量评定表 单位工程名称 ****工程 施工单位 *工程局有限公司 分部工程名称 施工日期 自   年 月 日至 年 月 日 分部工程量 评定日期 年 月   日 项次 单元工程种类 工程量 单元工程个数 合格个数 其中优良个数 备注 1 2 3 4 5 6 7 8 9 10 11 合计 重要隐蔽单元工程、关键部位单元工程 施工单位自评意见 监理机构复核意见 项目法人认定意见 本分部工程得单元工程质量全部合格。优良率为   %,主要单元工程、重要隐蔽单元工程及关键部位单元工程     个,优良率为   %。原材料质量  ,中间产品质量   ,金属结构、启闭机质量     ,机电产品质量  。质量事故及质量缺陷处理情况:      。 分部工程质量等级: 评定人: 项目技术负责人:     年   月  日 复核意见: 分部工程质量等级: 监理工程师: 年  月 日 总监或副总监: 年 月   日 认定意见: 分部工程质量等级: 现场代表: 年 月   日 技术负责人: 年 月   日 质量监督 机构核定 核定意见: 核定等级:      核定人:     项目站负责人:          年 月 日                      年   月   日 注:分部工程验收得质量结论,由项目法人报质量监督机构核备。大型水利枢纽工程主要建筑物得分部工程验收得质量结论,由项目法人报质量监督机构核定。 表G-1     分部工程施工质量评定表 单位工程名称 ****工程 施工单位 *工程局有限公司 分部工程名称 施工日期 自 年   月  日至    年   月 日 分部工程量 评定日期 年 月  日 项次 单元工程种类 工程量 单元工程个数 合格个数 其中优良个数 备注 1 2 3 4 5 6 7 8 9 10 11 合计 重要隐蔽单元工程、关键部位单元工程 施工单位自评意见 监理机构复核意见 项目法人认定意见 本分部工程得单元工程质量全部合格。优良率为  %,主要单元工程、重要隐蔽单元工程及关键部位单元工程  个,优良率为   %。原材料质量 ,中间产品质量     ,金属结构、启闭机质量 ,机电产品质量   。质量事故及质量缺陷处理情况:            。 分部工程质量等级: 评定人: 项目技术负责人:         年 月   日 复核意见: 分部工程质量等级: 监理工程师: 年   月 日 总监或副总监: 年  月   日 认定意见:  分部工程质量等级: 现场代表: 年   月  日 技术负责人: 年 月  日 质量监督 机构核定 核定意见: 核定等级:   核定人:       项目站负责人:            年   月  日            年 月 日 注:分部工程验收得质量结论,由项目法人报质量监督机构核备。大型水利枢纽工程主要建筑物得分部工程验收得质量结论,由项目法人报质量监督机构核定。 表G-1          分部工程施工质量评定表 单位工程名称 ****工程 施工单位 *工程局有限公司 分部工程名称 施工日期 自    年  月   日至 年 月 日 分部工程量 评定日期 年 月 日 项次 单元工程种类 工程量 单元工程个数 合格个数 其中优良个数 备注 1 2 3 4 5 6 7 8 9 10 11 合计 重要隐蔽单元工程、关键部位单元工程 施工单位自评意见 监理机构复核意见 项目法人认定意见 本分部工程得单元工程质量全部合格。优良率为     %,主要单元工程、重要隐蔽单元工程及关键部位单元工程 个,优良率为     %。原材料质量 ,中间产品质量      ,金属结构、启闭机质量   ,机电产品质量  。质量事故及质量缺陷处理情况:                。 分部工程质量等级: 评定人: 项目技术负责人:     年  月   日 复核意见: 分部工程质量等级: 监理工程师: 年   月  日 总监或副总监: 年 月 日 认定意见: 分部工程质量等级:  现场代表: 年   月   日 技术负责人: 年 月  日 质量监督 机构核定 核定意见: 核定等级:      核定人:   项目站负责人:          年   月   日                        年  月  日 注:分部工程验收得质量结论,由项目法人报质量监督机构核备。大型水利枢纽工程主要建筑物得分部工程验收得质量结论,由项目法人报质量监督机构核定。
展开阅读全文

开通  VIP会员、SVIP会员  优惠大
下载10份以上建议开通VIP会员
下载20份以上建议开通SVIP会员


开通VIP      成为共赢上传

当前位置:首页 > 包罗万象 > 大杂烩

移动网页_全站_页脚广告1

关于我们      便捷服务       自信AI       AI导航        抽奖活动

©2010-2025 宁波自信网络信息技术有限公司  版权所有

客服电话:0574-28810668  投诉电话:18658249818

gongan.png浙公网安备33021202000488号   

icp.png浙ICP备2021020529号-1  |  浙B2-20240490  

关注我们 :微信公众号    抖音    微博    LOFTER 

客服