收藏 分销(赏)

涵洞出入口铺砌-技术交底.doc

上传人:仙人****88 文档编号:12071421 上传时间:2025-09-06 格式:DOC 页数:3 大小:126.54KB 下载积分:10 金币
下载 相关 举报
涵洞出入口铺砌-技术交底.doc_第1页
第1页 / 共3页
涵洞出入口铺砌-技术交底.doc_第2页
第2页 / 共3页


点击查看更多>>
资源描述
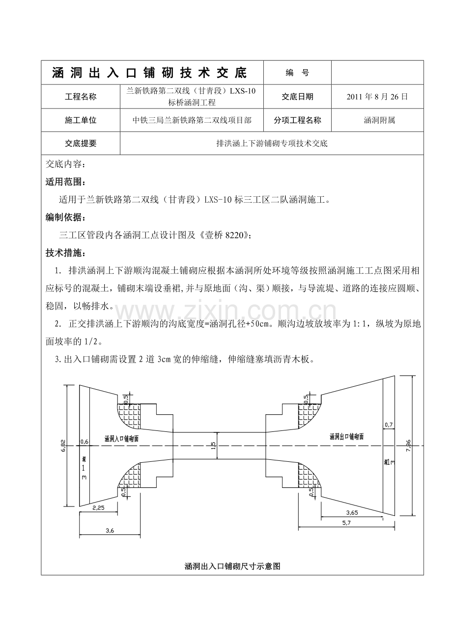
涵洞出入口铺砌技术交底 编 号 工程名称 兰新铁路第二双线(甘靑段)LXS-10标桥涵洞工程 交底日期 2011年8月26日 施工单位 中铁三局兰新铁路第二双线项目部 分项工程名称 涵洞附属 交底提要 排洪涵上下游铺砌专项技术交底 交底内容: 适用范围: 适用于兰新铁路第二双线(甘靑段)LXS-10标三工区二队涵洞施工。 编制依据: 三工区管段内各涵洞工点设计图及《壹桥8220》; 技术措施: 1. 排洪涵洞上下游顺沟混凝土铺砌应根据本涵洞所处环境等级按照涵洞施工工点图采用相应标号的混凝土,铺砌末端设垂裙,并与原地面(沟、渠)顺接,与导流堤、道路的连接应圆顺、稳固,以畅排水。 2. 正交排洪涵上下游顺沟的沟底宽度=涵洞孔径+50cm。顺沟边坡放坡率为1:1,纵坡为原地面坡率的1/2。 3.出入口铺砌需设置2道3cm宽的伸缩缝,伸缩缝塞填沥青木板。 涵洞出入口铺砌尺寸示意图 施工工艺流程及质量标准: 1.待涵洞主体验收合格后经测量进行现场放线,定出沟槽的边线、中心线。 2. 开挖方式以机械开挖为主,人工开挖进行配合,机械开挖至基底标高以上20cm的时,采用人工开挖、清理、平整,以免扰动基底土,严禁超挖。 4.出入口铺砌采用C25混凝土厚20cm,铺砌混凝土下设10cm碎石垫层,其压实标准及检测方法同涵洞基底。 5.模板: ①模板应具有足够的强度、刚度和稳定性,能承受所浇筑混凝土的重力、侧压力及施工荷载,保证结构尺寸的正确。可采用木模或竹胶板; ②模板必须安置于符合设计的可靠基底上,并有足够的支承面积和防、排水措施。 ③在浇筑混凝土前,应对模板及支(拱)架进行验收。 ④模板安装必须稳固牢靠,接缝严密,不得漏浆。模板与混凝土的接触面必须清理干净并涂刷隔离剂。浇筑混凝土前,模型内的积水和杂物应清理干净。 ⑤模板安装允许偏差和检验方法如下表所示: 模板安装允许偏差和检验方法 序 号 项 目 允许偏差(mm) 检验方法 1 轴线位置 15 尺量每边不少于2处 2 表面平整度 5 2 m靠尺和塞尺不少于3处 3 高程 ±20 测 量 4 模板的侧向弯曲 l/1500(l为跨度) 拉线尺量 5 两模板内侧宽度 +10 -5 尺量不少于3处 6 相邻两板表面高低差 2 尺 量 6.混凝土: ①混凝土的现浇施工技术要求请参照已下发的涵洞施工交底中相关要求,此处不再细列。 ②混凝土结构表面应密实平整、颜色均匀,不得有蜂窝、孔洞、疏松、麻面和缺棱掉角等缺陷。 附属工程的允许偏差和检验方法 序 号 项 目 允许偏差 检 验 方 法 1 轴线位置 20 mm 每边尺量不少于2处 2 表面平整度 8 mm 2 m靠尺、塞尺测量不少于3处 3 出入口流水面高程 ±20 mm 测量不少于4处 4 垂直度 1/1000 吊线尺量 5 截面尺寸 +20,0 mm 尺量不少于3处 检验数量:施工单位每座涵全部检查。 涵洞出入口铺砌尺寸示意图 工艺流程: 涵洞出入口铺砌施工工艺流程图如下图所示: 编制人 审核人 批准人 接受单位 接受交底人
展开阅读全文

开通  VIP会员、SVIP会员  优惠大
下载10份以上建议开通VIP会员
下载20份以上建议开通SVIP会员


开通VIP      成为共赢上传

当前位置:首页 > 品牌综合 > 技术交底/工艺/施工标准

移动网页_全站_页脚广告1

关于我们      便捷服务       自信AI       AI导航        抽奖活动

©2010-2025 宁波自信网络信息技术有限公司  版权所有

客服电话:0574-28810668  投诉电话:18658249818

gongan.png浙公网安备33021202000488号   

icp.png浙ICP备2021020529号-1  |  浙B2-20240490  

关注我们 :微信公众号    抖音    微博    LOFTER 

客服