收藏 分销(赏)

0102北京SOHO现代城地下室底板施工方案.doc

上传人:自**** 文档编号:11640578 上传时间:2025-08-02 格式:DOC 页数:38 大小:314KB 下载积分:8 金币
下载 相关 举报
0102北京SOHO现代城地下室底板施工方案.doc_第1页
第1页 / 共38页
0102北京SOHO现代城地下室底板施工方案.doc_第2页
第2页 / 共38页


点击查看更多>>
资源描述
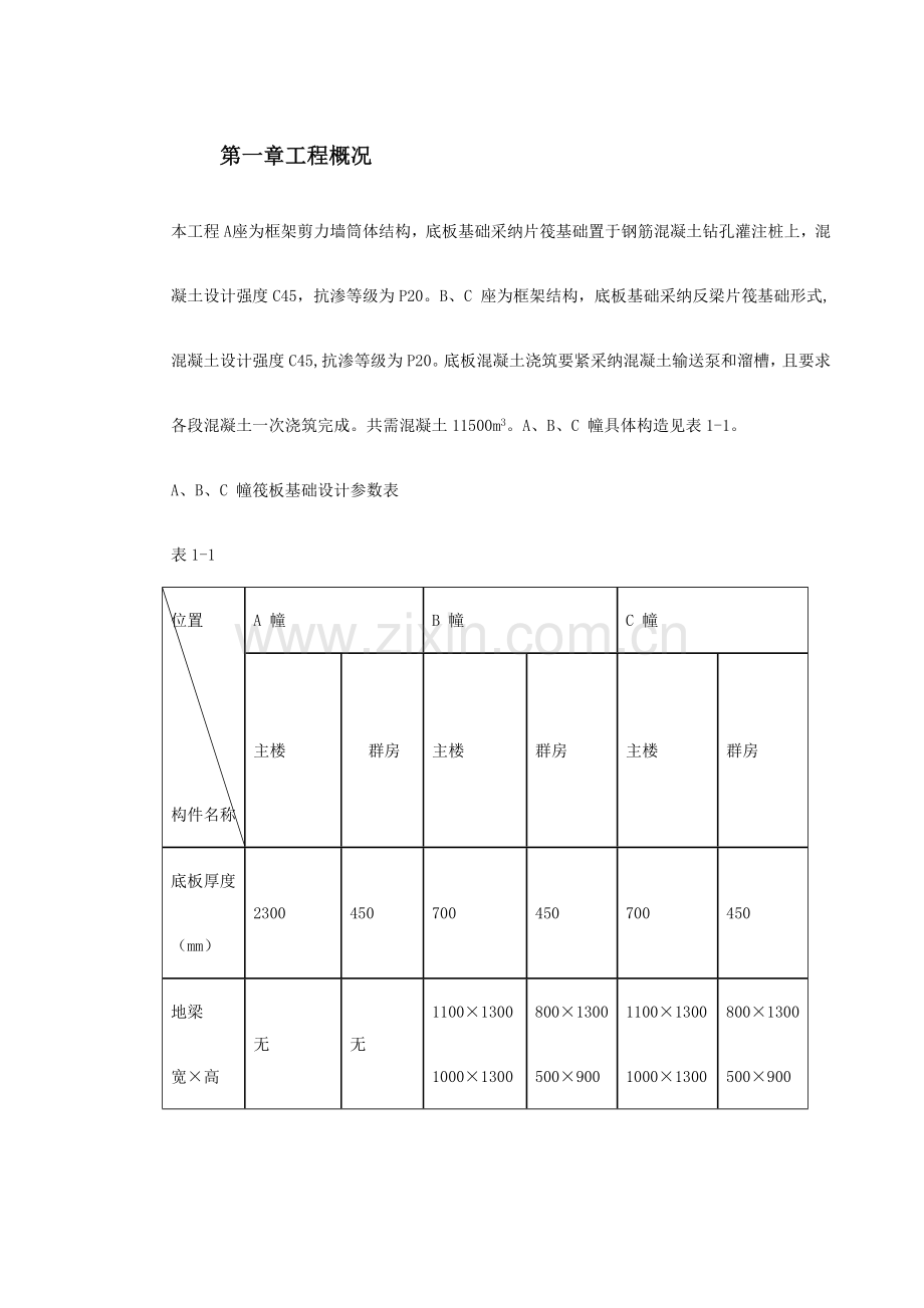
0102北京SOHO现代城地下室底板施工方案 第二章 底板施工部署 3 第三章 要紧施工方法和技术措施 6 第五章 质量保证具体措施 34 第七章 文明施工措施 39 第八章 基础底板所需材料统计表 40 第一章 工程概况 本工程A 座为框架剪力墙筒体结构,底板基础采纳片筏基础置于钢筋混凝土钻孔灌注桩上,混凝土设计强度C45,抗渗等级为P20。B、C 座为框架结构,底板基础采纳反梁片筏基础形式,混凝土设计强度C45,抗渗等级为P20。底板混凝土浇筑要紧采纳混凝土输送泵和溜槽,且要求各段混凝土一次浇筑完成。共需混凝土11500m3。A、B、C 幢具体构造见表1-1。 A、B、C 幢筏板基础设计参数表 表1-1 位置 构件名称 A 幢 B 幢 C 幢 主楼 群房 主楼 群房 主楼 群房 底板厚度 (mm) 2300 450 700 450 700 450 地梁 宽×高 (mm) 无 无 1100×1300 1000×1300 800×1300 500×900 1100×1300 1000×1300 800×1300 500×900 A 幢基础底板由“后浇带”分为三部分,后浇带宽1.0m,长44m。B、C 幢基础底板由“后浇带”分为两部分,后浇带宽1.0m,长66m。底板混凝土浇筑要紧采纳混凝土输送泵和溜槽,且要求各段混凝土一次连续浇筑完成。底板下为PVC 防水层,由于底板平面形状复杂,超厚、钢筋密、坑井多,且现场场地狭窄,可利用面积小,给施工增加了难度。 第二章 底板施工部署 (一)现场平面布置 在筏基底板施工时在场地布置三台(1 号、3 号、4 号)塔吊,以解决底板施工部分材料的运输。 由于现场场地狭窄,底板钢筋加工拟采纳场内与场外相结合。场内钢筋在坑内垫层上加工,其余钢筋加工在场外工厂场地进行,并采纳分区域、分部位进行绑扎分类,按现场需用由专车运入现场,满足工程需要。 (二)劳动力及设备组织本工程平面面积较大,工程量较大,需各种劳动力数量较多。在垫层与底板施工时期,针对底板厚度大、一次浇筑量大、交通困难、现场场地狭窄等特点,并结合底板抗裂缝的施工设计将底板钢筋与混凝土采取分三段的施工的方法,另外依照现场工程具体情形,在满足技术要求条件下,对施工段可做适当调整,以利于底板加快施工速度。因此在人力、物力上要和谐好各方面的关系。底板施工劳动力及设备需求见表2-1、表2-2。 底板施工劳动力投入表表2-1 序号 工种 人 数 备注 1 钢筋工 900 视桩头处理速度而定 2 架子工 300 3 木 工 450 4 混凝土工 150 5 抹灰工 150 6 配合工人 90 底板施工前期投入机械设备表 表2-2 序号 机械名称 型号 单位 数量 备注 1 混凝土输送泵 60/h 台 3 一台备用 2 汽车泵 辆 1 3 混凝土运输车 6 辆 40-60 视交通情形定 4 振捣棒 ∅70 根 30 15 根备用 5 振捣棒 ∅50 根 20 15 根备用 6 振捣棒 ∅30 根 20 密筋节点处 7 溜槽 个 1-2 8 塔吊 台 3 9 钢筋切断机 台 6 10 钢筋弯曲机 台 6 11 钢筋除锈机 台 3 12 直螺纹连接机械 台 25 13 闪光对焊机 台 3 14 运输车辆 台 9 (三)施工流水段的划分 由于底板中设有后浇带,A 幢基础底板被后浇带分为三部分,后浇带宽1.0m,长44m;B、C 幢基础底板被后浇带分为三部分,后浇带宽1.0m,长66m。依照底板后浇带位置的设置及现场施工条件,区、分段进行。施工顺序:C 幢—A 幢—B 幢。 第三章 要紧施工方法和技术措施 (一)底板钢筋工程 1. 钢筋绑扎的施工预备 (1)技术预备 1)配筋人员应充分领会设计要求,严格执行国家标准和施工规范进行底板钢筋的放样配筋。在钢筋绑扎之前,技术人员、配筋员要对分包治理人员和工人进行技术规范交底和关键部位交底。 2)测量放线人员依照图纸,放出轴线、墙、柱、电梯井及水箱位置,用红油漆做明显标志,并报项目经理部进行检查复验。 3)钢筋进场同时提交钢筋材质证明,并严格按规范和规定标准及时进行复试,合格后方可使用。 4)做好钢筋接头连接和试验工作。 (2)材料预备 钢筋由现场和场外结合进行加工,工地配专职材料员到现场负责清料,按部位按种类捆扎。因现场场地狭小,场外加工钢筋应随用随进,进场后赶忙由塔吊运到基坑内,以减少二次搬运量。 (3) 为减少接头数量和使接头位置具有规律性,钢筋用L=12m 长定尺钢筋。 2. 底板钢筋的连接方法 (1)底板钢筋对接要紧采纳直螺纹和闪光对焊连接,区域交接处局部采纳冷挤压连接。 (2)钢筋工程量见表3-1。钢筋工程量表 表3-1 项 目 区域 钢筋量(t) 接头(个) 底板 A 幢 750 12000 B 幢 641 10000 C 幢 650 10000 (3)整个底板共用钢筋量约为2041t,主筋直径为Ф32、Ф25、Ф22。A 幢主楼2.3m厚筏板基础上下各2 层钢筋网片,裙房0.45m 厚筏板基础上下各1 层钢筋;B、C 幢主楼0.7m厚筏板基础上下各1 层钢筋网片,裙房0.45m厚筏板基础上下各1 层钢筋。在整个底板钢筋施工中,要注意钢筋的接头位置、下料长度等咨询题。由于本工程底板钢筋施工全部采纳机械连接(直螺纹)的施工方法,故必须配备足够的连接设备。直螺纹设备配置25~30 套。另外在预留上层柱子、外墙、剪力墙等竖向钢筋时,钢筋应套丝,为以后进行直螺纹施工做预备,在套丝的钢筋上采纳塑料帽进行爱护。 3. 钢筋绑扎程序 测量定位放线(标明上层柱、墙和不同断面位置)→摆放垫块→铺电梯井、集水井坑短向钢筋→铺电梯井、集水井坑长向钢筋→铺电梯井、集水井坑构造钢筋→铺底板底层一层横向筋→铺底板底层一层纵向筋→铺底板底层二层横向筋→铺底板底层二层纵向筋→搭设钢管架子及上铁支撑→铺底板上层一层横向筋→铺底板上层一层纵向筋→铺底板上层二层横向筋→铺底板上层二层纵向筋→拆除架子、调 整钢筋位置→绑扎拉结筋、加强筋、墙体插筋、柱子插筋→清理→自检→验收。 4. 钢筋爱护层施工方法 厚度为2.3m 和0.7m 的底板,钢筋下皮爱护层分不为70mm 和35mm ,上皮爱护层35mm 。2.3m 厚底板由于工程桩钢筋锚入底板700mm ,由于底板较厚,采纳50 角钢竖向按纵横间距2m 布置并焊斜撑对上层钢筋网片进行支撑。0.7m 厚底板上皮钢筋利用Φ25 钢筋做成马镫铁进行支撑。钢筋支撑纵横2m 间距布置。另外采取斜拉撑 等措施加固钢筋马镫铁,防止钢筋网片滑移倾覆。柱子的钢筋绑扎前应绘制钢筋放样图,并进行详细的技术交底。 5. 钢筋工程的质量操纵 (1)若发觉钢筋锈蚀和沾有油污现象,必须清理洁净。 (2)底板钢筋中的避雷网焊接要符合规范要求,并做好隐藏验收。 (3)钢筋绑扎和连接头位置必须符合施工规范和质量验收标准,并做好隐藏验收。 (4)钢筋在运输和储备时,不得有损害,并应按批分不堆放整齐,幸免锈蚀或油污;进入施工现场的钢筋每捆重量不得大于现场塔吊的最大幅度起重量。 (5) 底板钢筋爱护层为70mm 和35mm,用7cm×7cm×7cm 和7cm×7cm×3.5cm 的C45、P20 混凝土制作垫块,混凝土垫块要保证有足够的支撑强度,按1m 左右的梅花状间距平均布置。 (6)混凝土浇筑时搭设泵管架子要独立搭设,幸免与底板钢筋进行硬连接。 (7)上层柱插筋要插入底板基础大于40d,并用箍筋把柱子主筋焊接固定,并与底板钢筋焊接,以固定柱子插筋,防止浇筑混凝土发生位置偏差。 (二)模板工程 1. 概况。 本工程主楼基础A 幢底板厚2.3m,B 幢底板厚0.7m,裙房部分底板厚0.45m。依照设计要求,地下室底板、外墙做卷材防水。2.3m、0.45m 厚底板外侧采纳砌爱护砖墙作为模板。 A 幢北侧2.3m 厚底板外墙设有300mm 高的导墙,外砌砖墙总高度为2.6m;裙房部分底板厚0.45m,设有300mm 高的导墙,外砌砖墙总高度为0.75m。B、C 幢底板厚0.45m,设有300 高的导墙,外砌砖墙总高度为0.75m。砖墙支撑采纳Ф48 钢管,支撑于护坡桩上,保证砖胎模刚度。A 幢北侧砖墙距护坡桩较近(≤400mm),直截了当采纳砖墙支撑。 2. 导墙模板安装及支撑。 依照设计要求,2.3m 厚底板外墙设置300mm 高的导墙,0.45m 厚底板保证外墙顶面高出底板结构300mm ,有高差的部位有后浇带分开即可。导墙的模板采取钢筋支托的方式解决,钢筋支托与底板钢筋焊接,砖胎模具体施工方法详见图3-1、图3-2。工程。 图3-1砖胎模大样图 图3-2砖胎模大样图 3.反梁模板安装及支撑 反梁采纳木模反,竖向背楞采纳48脚手钢管,间距1000mm。 横向背楞采纳55cm×10cm木方,间距600mm。反梁侧模之间采纳Φ14的对拉螺栓竖向间距600mm,水平间距1000mm,底板反梁支模示意图见图3-3。 图3-3底板反梁模板大样图 4. 钢板止水带的安装设计。 考虑到本工程常年静止水位大致处于导墙上口的水平缝位置,依照设计要求基础底板导墙上口的水平施工缝设有钢板止水带,钢板止水带宽300mm,1/2埋入导墙混凝土内。钢板止水带厚δ =3mm,每节长L=5~6m,在基础底板导墙和外墙施工缝处通长设置,每节钢板止水带之间采纳对接焊接,注意焊缝厚度及平密平均。另外由于外墙导墙高度不一样,造成钢板止水带不在同一平面上,在高低相接处,钢板止水带也不能断开。 5. 本工程后浇带模板采纳双层钢板网支设。底板后浇带具体详见图3-4。 3-4底板后浇带做法示意图 6. 模板进场后,表面刷脱模剂,加强对模板的爱护,提高周转次数。表面刷脱模剂涂刷应平均,以防止脱模时混凝土粘结模板。 7. 在混凝土施工前在模板上弹线或在上皮钢筋焊有标志杆以保证混凝土的高度,在拆模后派专人清理模板,并对模板进行修复。清理修复后的模板要保证堆放平坦,幸免整体变形。 8. 在电梯井、集水井坑和底板高低跨相接处模板支设见图3-5和图3-6 。 9.立面模板的支撑预埋 立面模板预埋支撑采纳20V形钢筋焊接于底板钢筋上,具体位置见图3-7. 图3-7地下室墙、柱模板支撑预埋钢筋平面示意图 10、模板安装质量操纵 (1)模板拼装的平坦度,按规范要求严格操纵2M范畴内的偏差 小于5MM,两板表面高低差操纵在2MM以内,以防阻碍后序的防水工程。 (2)模板与钢筋之间的垫块要放置牢固,用绑丝把垫块与钢筋绑在一起。 (3)模板之间的缝隙要严密,防备漏浆致使外墙面显现蜂窝麻面,给防水施工带来困难和隐患。 (4)模板的支撑要牢固,基础的厚度较大,在开始浇筑混凝土对模板的侧压力也较大,支撑在护坡桩上,增加支座承载力,不承诺直截了当支于软土上。 (5)专门注意钢板止水带的安装质量、安装位置、接缝的焊接质量。钢板止水带的固定要牢固,注意浇筑导墙混凝土时用人工上料,以免混凝土冲击钢板止水带,振捣导墙混凝土时,应专门注意导墙底板的接槎处的密实性。 (三)底板混凝土工程 1. 本工程混凝土的厚度为2.3m、0.7m 和0.45m, A 幢底板混凝土量为4672.3;B 幢底板混凝土量为3345.6;C 幢底板混凝土量为3450.7, 混凝土总量为11500, 属于大体积混凝土,设计强度等级为C45、P20 抗渗混凝土。 按设计对强度和抗渗的要求,确定的混凝土配合比为 1:0.37:1.54:2.11 ,其中水泥380kg/,水180kg/m3,砂720kg/,石1030kg/ ,UEA-M 外加剂42kg/,粉煤灰掺合料100kg/。底板混凝土浇筑采纳混凝土输送泵和溜槽相结合进行,为保证大体积的施工质量,应分段连续浇筑施工,且要求各段混凝土一次连续浇筑完成,以达到自防水抗渗要求。 2. 混凝土的运输及供应 混凝土浇筑要紧采取混凝土输送泵和溜槽相结合,以满足混凝土的垂直运输和水平运输的要求。混凝土的供应全部采纳商品混凝土。 3. 由于底板混凝土浇筑分为三段进行。每段浇筑混凝土量:A 段为4672m3,B 段为3345m3,C 段为3350m3。底板各段均布置混凝土输送泵(在局部有条件处搭设溜槽)来浇筑混凝土。混凝土输送泵泵管采取一次接长到最远处,边浇边拆的方式。 混凝土施工明细表 表3-2 施工部位 混凝土方量() 浇筑工具 连续时刻(h) 罐车数量 备注 A 4672 混凝土输送泵、溜槽 48 60 B 3345 混凝土输送泵 36 50 C 3350 混凝土输送泵 36 50 4. 混凝土输送泵就位时,泵车的四角用木料支垫,保持平稳,利用90°弯头沿护坡桩边垂直进入基坑,在坑边搭设钢管架。泵管固定在架子上,水平每隔2m 用支架承固定,支架与管道加木垫块缓冲物,以减少振动。另外在用混凝土输送泵浇筑时,易发生泵管堵塞现象,阻碍混凝土的浇筑速度,现场设专人进行修理,疏通泵管。 5. 浇筑前的检查和预备工作 (1)为防止大体积混凝土在凝聚过程中因水泥水化热造成内外温差过大而发生裂缝,应选用水化热较低的水泥。 (2) 在施工中,为了便于泵送,粗骨料选用5~25mm 级配的碎卵石。混凝土坍落度操纵在16~18mm 。 (3)对模板及其支架、钢筋、爱护层、预埋件和预留孔洞进行检查,保证模板内的杂物和钢筋上的油渍已清理洁净,缝隙和孔洞已堵严。做好模板检查、钢筋评定和隐藏验收资料,符合要求方可浇筑混凝土。 (4) 经泵送水检查,确认混凝土泵和输送管中无异物,泵送混凝土前要先用适当的水泥砂浆或水泥浆润湿输送管内壁。 (5)在浇筑混凝土时应依照实际情形搭设溜槽。溜槽搭设要注意其安全性、稳固性,经项目技术部、安全部门验收合格后方可使用。利用溜槽能够加快混凝土的浇筑速度。 6. 底板混凝土的浇筑 (1)每段混凝土采纳斜面分层连续浇筑的方法,分层推进。浇筑时沿宽度方向后退浇筑,为不形成施工冷缝,考虑尽量4h 内浇筑完一推进层。 (2)底板混凝土的浇筑方式采纳踏步式的斜面分层浇筑,循环推进,每层浇筑厚度操纵在500mm 以内,一次浇筑到顶的浇筑方法。浇筑时,要在下一层混凝土初凝之前浇捣上一层混凝土,不使上下层之间产生施工缝,以保持良好接槎,提高混凝土的密实度。依照基础结构后浇带形式将基础划分区段,A 幢、B 幢、C 幢的底板分段分区一次浇筑完成。各幢浇筑时分设两台混凝土输送泵,在局部有条件处搭设溜槽,并在现场备一台汽车泵,灵活调动,确保各段连续浇筑,防止显现施工冷缝。混凝土浇筑与振捣见图3-8。 图3-8 混凝土浇筑与振捣示意 (3)底板混凝土为C45,P20自防水混凝土。为了使混凝土不显现任何施工缝,因此混凝土的初凝时刻定为12h。 (4)当表面泌水消去后,用木抹子压一道,减少混凝土沉陷时显现沿钢筋的表面裂纹。 (5)混凝土的养护。 本工程采纳蓄水养护法进行养护,操纵混凝土内外温差在25℃以内。在混凝土初凝前用木抹搓面两遍后赶忙覆盖一层塑料布,将混凝土表面盖严,用砖砌成浅水池,然后放入30cm左右深的水(特指2.3m厚地板),0.45m、0.70m厚底板蓄水20~50mm深。反梁处覆盖塑料布及一层阻燃草帘,蓄水进行养护。混凝土的养护要求专人负责,养护时刻7d左右。 所需保温材料厚度验算(2.3m厚底板): 混凝土的绝热升温运算 Tτ=Th(1-e-mτ) 式中 Tτ——在τ龄期混凝土绝热温升,℃; Th——混凝土的最终绝热温升,℃; m——随水泥品种,比表面及浇筑温度而异,查表得0.384; τ——混凝土的龄期(d),取3d; e——常数为2.718。 Th=WQ/(c×ρ) Q——每公斤水泥水化热量kJ/kg,取 461kJ/kg; W——每立方米混凝土中水泥用量,约380kg; C——混凝土的比热,运算时取0.97kJ/kg.k; ρ——混凝土的密度,取2400kg/。 ∴Th=380×461/(0.97×2400) =75.25℃ ∴Tτ=75.25×0.684℃ =51.47℃ 混凝土内部实际最高温度运算 Tmax=Tj+Tτ×ξ Tj——混凝土浇筑温度,℃; Tτ——τ龄期时混凝土绝热温升; ξ——不同的浇筑块厚度,不同龄期时的降温系数。 当混凝土浇筑厚度为2.3m 时,ξ=0.68,由此可得: Tmax=21.2+51.47×0.68 =56.20℃ 混凝土表面温度运算: Tq——龄期τ时,大气的平均温度; H——混凝土运算厚度H=h+2h′; h——混凝土实际厚数为2300mm ; h′——混凝土的虚厚度 h′= λ——混凝土的导热系数,取2.33W/m·k; K——运算折减系数,取0.666; β——模板及保温层的传热系数(W/m2 ·k) δi——保温材料的厚度;λi——各种保温材料的导热系数(W/m·k)查表得水的导数 0.58; βq——空气层传热系数,取23W/m2 ·k; ΔT(τ)——龄期τ时混凝土内最高温度与外界温度之差。 ΔT(τ)=Tmax-Tq β=1.795(W/m2 ·k) =0.666×2.33/1.795 =0.866m H=2.3+2×0.866 =4.032m ΔT(τ)=56.20-28 =28.20℃ Tb(τ)=28+4/4.0322×0.866×(4.03-0.866) ×28.20 =47.03℃ 混凝土中心最高温度与表面温度之差为: Tmax-Tb(τ)=9.17℃<25℃ 表面温度与大气温度之差为: Tb(τ) - Tq=19.03℃<25℃ 故采取蓄水深度为30cm 的蓄水养护法能够保证混凝土底板的质量。 (6)混凝土养护温度监测。 1)为了进一步摸清大体积混凝土水化热的多少,不同深度处温度场升降的变化规律,在2.3m 厚、0.7m 厚底板混凝土内不同部位埋设测温管,测温管上口高出混凝土表面10cm,测温管用镀锌薄钢板卷制而成,下端封闭,在养护时期注意对测温管的爱护。 2)测温点的布置。 在测温区内温度测点呈平面布置,测点位置及间距依照块体温度场的分布及温控要求确定,测点间距6~8m。2.3m、0.7m 厚底板在深度方向布置3 个点,即混凝土表面温度至混凝土外表以内50mm 处的温度,混凝土中心温度至混凝土块体正中温度,混凝土底面温度至混凝土底表面以上50mm 处的温度。深度方向每个测点布三个测温管,平面呈三角排列,间距500mm 。沿外墙布置的测温点距离外墙2m, 临近后浇带及施工缝的测温点距离后浇带及施工缝4m。 3)测温要求。 由于在养护开始时期,混凝土温升比较快,因此在前5d,对混凝土每2h 测温一次,以后对混凝土每4h 测温一次。混凝土内外温差、沉降梯度及环境温度每昼夜许多于2 次。由于酒精温度计容易受外界气候阻碍,因此当测温时,当温度计从埋管中抽出时,应迅速读出温度值,以免造成误差,并认真填写温度记录表。 混凝土内外温度要按要求测温,操纵内外温差。做好测温运算,如发觉温差过大,及时增减蓄水深度,操纵大体积混凝土中心温度与表面温度之差小于25℃。 4)在养护时期,注意对保温材料的爱护,以免受到损坏。当发觉损坏时,应赶忙进行更换。 5) 底板混凝土养护完成后,将测温孔用1:1 稀释水泥砂浆注灌。 7. 在底板混凝土浇筑完成后,并在养护条件下,填写底板混凝土施工实录。 8. 由于2 号、4 号塔吊基础坐于底板上,应注意此处预埋铁件的施工,具体详见《塔吊施工方案》。 9. 底板混凝土的试验 在底板混凝土施工时期,配合比相同混凝土连续浇筑1000m3 时,每200m3 为取样单位,每取样单位取五组试块,其中三组为7d、28d、60d 强度试块,另两组为同条件试块;抗渗以每500m3 混凝土为取样单位,每取样单位取一组试块,每组6 块。 10. 底板防水 依照设计要求,底板做卷材防水。具体做法详见《地下室防水施工方案》。 11. 混凝土的质量操纵措施 (1)同一强度等级、同一配合比的混凝土在进场前要将配合比呈交给项目经理部,经质量负责人、建设单位和监理工程师审批后方可浇筑。 (2) 进场的预拌混凝土要随附预拌混凝土配合比通知单,开盘鉴定、原材料合格证等有关资料。 (3)坍落度、和易性等混凝土施工性能的检验以到达现场入模前为准。在性能达不到要求时,以退场处理,严禁现场加水。(若混 凝土出场4h 后没能够浇筑则退回厂家)。 (4)外加剂和外掺料经试验室检验确定,并经建设单位、监理单位认可。 (5)同一强度等级、不同品种水泥的混凝土严禁混合浇筑,必须依后浇带自然分成区域分不浇筑。 (6) 在混凝土振捣时,振捣棒要快插慢拔,梅花点布置振动点。为使上下层混凝土结合成整体,振捣器应插入下层混凝土内50mm 。同一处振捣时刻不宜过长,严格按照规范施工,杜绝显现漏振和过振现象。在振捣时,振捣棒不要碰到钢筋。 (7)在混凝土浇筑时应在钢筋骨架上铺跳板,操作人员在跳板上施工。在混凝土初凝前由抹灰工抹平混凝土面,随抹随拆除跳板。 (8)在混凝土浇筑前由木工认真观看模板、支架、钢筋预埋件和预留孔洞是否符合设计要求,当发觉有变形时及时修正处理。 (9)大体积混凝土施工要严格填写混凝土入模记录、养护温度记录和裂缝检查记录。 (10)大体积混凝土的表面水泥浆较厚,在浇筑后要进行处理。当混凝土浇筑到设计标高时用长刮尺刮平,在初凝前用木抹子打磨压实,以闭合收水裂缝。 (11) 在电梯井坑、集水井坑和底板高低跨相接处模板安装应注意在进行混凝土浇筑时从模板两侧对称部位同时下料,振捣时振捣棒斜插入模板下口先振捣,由于模板底部开口,混凝土内气泡能泛出,故摸板下口部位的混凝土能保证振实。在浇筑坑底部混凝土2~3h 后,待底部混凝土接近初凝时,再进行其他部分混凝土的浇筑。 第四章 大体积混凝土的裂缝操纵 由于基础底板属于大体积混凝土施工,混凝土的裂缝操纵是底板施工成败的关键所在,因此需要在各个方面采取措施。 大体积混凝土产生裂缝的缘故是专门复杂的,而且往往是各种因素的综合,为防止混凝土产生裂缝,结合大体积混凝土裂缝的“抗放结合”理论,应着重操纵混凝土内外温差、延缓降温速度、减少混凝土的收缩等方面一系列技术措施。 (一)从设计方面采取技术措施 1. 利用混凝土后期强度。本工程与设计协商,在确保混凝土后期强度可靠增长的条件下,采纳60d 龄期的混凝土强度代替28d 龄期强度操纵温升速度,推移温升峰值显现时刻。 2. 设置后浇带。本工程通过设置后浇带及施工缝来操纵由于混凝土温差和收缩引起的裂缝进展,并达到不设永久性伸缩缝的目的。 3. 由于钢筋的弹性模量是混凝土弹性模量的7~15 倍,因此当混凝土内应力达到抗拉强度而开始裂缝时(专门是断面变化处),现在钢筋的应力专门小,不能起到利用钢筋来防止混凝土裂缝显现的目的。因此,跟设计协商,在底板断面变化处,应加设分布钢筋,对提高混凝土的抗裂成效较好。分布钢筋为∅6@150,沿断面变化布置。 4. 在底板垫层上做一层PVC 卷材防水,起到滑动层作用,如此能够减少地基对基础的阻力系数,从而大大削减温度应力,为防止大体积混凝土裂缝起到专门好的作用。 (二)从理论运算操纵裂缝 由于底板分为三段进行混凝土的浇筑,取最大的一块进行操纵裂缝运算,取A 段进行验算。由于底板采取保温养护,要求混凝土内外温差不大于25°C,且在养护时期混凝土中心温度一样在浇筑后3~4d 内为最高,因此取混凝土浇筑后3d 来验算底板大体积混凝土裂缝。 混凝土最大水化热绝对温升 依照运算公式,其中W=380kg⁄m3 ,Q=461KJ⁄kg,C=0.97KJ⁄kg· °C, R=2400kg⁄m3。 Tmax=WQ/CR =380×461/0.97×2400 =75.25°C 2. 混凝土入模温度 本工程要求混凝土入模温度为Ti=15°C。 3. 混凝土3d 时内部最高温度 T3= Tmax +Ti =75.25×0.684+15 =66.47°C 4. 混凝土表面温度 通过温度场进行运算知: Ti=Tq+4hˊ(H-hˊ)∆T(τ)/H2 =28+4×0.866×(4.03-0.866)×28.20/4.0232 =47.03°C 5. 混凝土的弹性模量 E(t)=E0(1-e-0.09t ) 混凝土的收缩变形值:ε(t)= ε(0)×(1-e–0.01t) × M1×M2×… ×M10 M1~M10 为各种非标准条件的修正系数。 式中 M4=1.3, M6=1.1, M7=0.54, M8=1.43, M10=0.76。 M1、M2、M3、M5、M9 均为1 则ε=3.24×10-4×(1-e–0.03)×1.023=0.098×10–4 混凝土3d 收缩当量温差为Ty=(–0.19×10-4)/ (1.0×10–5)=–1°C 混凝土3d 的弹性模量为: E3=3.25×104×(1-2.718–0.27)=0.71×104N/mm2 混凝土的最大综合温差为: ∆T=-15-47.03-1+0=-63.03°C 则混凝土3d 时降温收缩应力为:其中1.20 为混凝土3d 时抗拉强度。 σ=0.51×0.2×0.77×104×10-5×63.03/0.85 =0.58N/m<1.20N/m ∴ K=1.20/0.58 =2.06>1.15 其中1.15 为混凝土抗裂安全指数。因此,基础底板在养护期间可不能显现收缩裂缝。 (三)从原材料方面采取技术措施 1. 水泥选用水化热较低的水泥,且厂家必须提供水泥出厂合格证。 2. 外加剂:在预拌混凝土中掺入UEA-M 膨胀剂,实现混凝土结构的自防水,操纵温差裂缝。在混凝土中掺入适量的缓凝型减水剂,可减小新拌混凝土的泌水率,延缓混凝土的凝聚和降低温升的目的。在不增加拌合用水量的条件下增大混凝土的坍落度,增加流淌性,从 而获得良好的可泵性。 3. 掺加料:混凝土中掺入一定数量的粉煤灰,由于粉煤灰呈球状起润滑作用,不仅能代替部分水泥,还能改善混凝土的工作性和可泵性,降低混凝土中的水泥水化热量。掺加粉煤灰要严格执行北京市《混凝土中掺用粉煤灰的技术规程》(DBJ 01-10-93) 4. 粗、细骨料:本工程混凝土中尽可能用5~25mm 级配的碎卵石,如此能够减少用水量,混凝土的收缩和泌水可随之减少,且砂、石含泥量应分不小于3%和1%。 (四)从施工方面采取技术措施 1. 由于底板混凝土量大,配备足够的混凝土搅拌车、混凝土输送泵和溜槽,确保底板各施工段能一次连续浇筑完毕。 2. 每次浇筑混凝土时应由多家混凝土搅拌站提供混凝土,须统一配合比、水泥强度等级、外加剂及掺合料。 3. 由于大体积混凝土施工中采取泵送施工,通讯联络对合理组织施工,灵活调度,确保工程质量尤为重要,因此现场设临时指挥调度小组,加强车辆调度、平稳,尽量减少预拌混凝土的运输时刻及等待时刻,保证混凝土输送车的调度衔接、喂料准确,及时顺利完成底板大体积混凝土施工。 4. 利用混凝土输送泵、溜槽、塔吊以加快混凝土浇筑速度,不使混凝土产生冷缝。 5. 做好混凝土振捣过程中的泌水处理,在两侧模板底部和上部留出预留孔,排除混凝土表面的泌水,如此能够提高混凝土的质量,以减少混凝土表面裂缝。 6. 在混凝土浇捣至标高时,要专门安排抹灰工用长刮尺刮平余外浮浆,初凝前用木抹子打平,对操纵混凝土表面裂缝的显现专门重要。 (五)从养护上采取措施 保温养护是大体积混凝土施工的关键环节。保温养护的目的要紧是降低大体积混凝土浇筑时里外温差值以降低混凝土块体的自约束应力,其次是降低大体积混凝土浇筑块体的降温速度,充分利用混凝土的抗拉强度,以提高混凝土块体承担外约束应力时的抗裂能力,达到防止或操纵温度裂缝的目的。 1. 在浇筑4h 内覆盖。在养护期间,依照要求进行底板混凝土温度测量,并填写好测温记录表。 2. 在混凝土浇筑后要依照实际的测温数据来进行浇筑后混凝土裂缝操纵运算。 第五章 质量保证具体措施 (一)质量检查程序严格执行“一案三工序”。 一道工序做完 班组长自检 专检 下道工序 不合格 合格 合格 (二)地下室底板施工质量操纵点底板施工的好坏是后序工作成败的关键,专门是在底板中质量操纵点的施工尤为重要。因此在底板施工时期确定以下为施工质量操纵点: 1. 底板轴线、墙、柱、电梯井和集水坑位置放线。 2. 底板钢筋的机械连接。 3. 底板模板的安装与支撑。 4. 底板大体积混凝土裂缝的操纵。 5. 混凝土的测温顺养护,其中底板大体积混凝土裂缝为关键质量操纵点。 (三)质量保证措施 1. 在进行底板施工前,应先由测量队对所有测量放线进行交核检查,专门是检查阻碍工程质量的关键部位(如电梯井、异样墙柱、断面变化处等),而且测量人员要定期检查平面操纵网和高程操纵网,以减少误差,并用红油漆进行标识,并报项目经理部、技术部、质量部检查合格后,再报监理审核合格后方可进行下道工序施工。 2. 在钢筋绑扎施工前,由技术人员进行详细的技术交底,包括钢筋型号、间距、搭接长度、锚固长度、爱护层厚度和机械连接的位置等,并检查分段施工的钢筋大样图和配筋单。 3. 由技术部、物资部、质检站对进场原材料的出厂证明、材质证明进行收集检查,并进行交检。 4. 在搅拌站由专人检查、计量、外加剂掺量工作。外加剂的掺量一定要按拟配好的混凝土掺量进行配制。粉状外加剂应保持干燥状态,防止受潮结块。 5. 在钢筋模板施工前弹好各种尺寸线,严格操纵位置、确保准确无误。 6. 在底板混凝土浇筑前,必须填写混凝土浇筑申请单,必须有各方人员签字,否则不能进行混凝土的浇筑。 7. 提早做好各种混凝土的预配工作,由于底板混凝土强度等级高,抗渗等级大,混凝土量大,且有可能不是同一家搅拌站的混凝土,因此一定要做好混凝土的抗压、抗渗试验,以达到混凝土施工要求。 8. 由于混凝土掺入粉煤灰,混凝土早期强度比较低,因此要加强早期养护,提高抗拉强度。混凝土浇筑完毕后,表面及时覆盖,以防寒流突击,适当延长养护时刻。 9. 严格执行“三按”“三检”和“一控”。其中: “三按”:严格按图纸、按工艺、按规范标准施工。 “三检”:自检、互检、交接检。 “一控”:自控正确率,一次验收合格率。 10. 现场生产的质量进行三分析活动,即要分析:质量咨询题的危害性,分析质量咨询题的缘故,分析质量咨询题应采取具体的措施,以达到防患于未然消灭质量咨询题的显现。 11. 工种及专门操作人员必须通过培训,持证上岗。 12. 进行全面质量治理,严格按照IS09002 质量标准组织施工。 13. 底板施工时期的各质量操纵点,专门是关键质量操纵点,要有专人负责进行施工,并填写好各种施工记录表格。 第六章 安全保证具体措施 (一)加强安全教育,增强法制观念 1. 技术工要进行三级安全教育,统一命题、统一考试、考试合格后方能上岗。 2. 做好专门工种的培训工作,坚持持证上岗,未持证人员坚决不能上岗工作。 3. 坚持周一的安全例会制度,坚持经常性的安全活动制度并做记录。 4. 在安排施工任务时,必须进行专项有针对性的全面安全交底,履行签字。 5. 认真执行安全操作规程,严禁违章指挥,违章作业,违反劳动纪律。 6. 项目经理部把安全生产当作头等大事,认真组织学习,贯彻执行国家有关劳动爱护和安全生产和各项政策、法令。 (二)安全生产的具体措施 1. 施工现场入口处及现场所有危险作业区域要挂安全生产宣传画、标语、安全危险标牌,提醒工人注意安全。 2. 在基础底板施工前需进行各工种的安全交底,交底内容要有针对性,不可泛泛而谈,针对重点咨询题提出重点可靠的防护措施。并明确责任人是谁。 3. 任何人进入现场区域必须戴好安全帽,不准穿拖鞋,高跟鞋或赤脚,从事高空作业,要系好安全带。 4. 专门工种必须持证上岗,严禁非正式专门工种代替专门工种作业,电气焊操作前必须办理当天的用火证并配有看火人员。 5. 加强现场临电治理,经常检查配电设备的安全可靠性,如有损坏,及时更换,除电工之外的任何工种不准私自接改电线,需用时应申请电工完成接线工作。 6. 现场围护栏杆,要严密稳固,电缆线不承诺直截了当敷设在栏杆上。夜间施工时基坑边缘要有明显的标志和有足够的照明。 7. 混凝土操作人员处于湿作业环境中,振捣操作时要戴好绝缘手套,穿好胶鞋。 8. 各种小型电动工具,必须由专人进行操作使用保管。 9. 现场照明灯具的架设高度要符合有关安全规程的要求,不低于2.5m,夜间施工必须有足够的照明设施。 10. 现场各种易燃材料要分区专库存放,现场各种消防器材齐备,性能良好。 11. 加强安全教育,落实安全责任,严格实行安全奖罚制度。 12. 溜槽操作平台要有安全措施,搭设完毕后,要经检验,验收合格后方可使用。 第七章 文明施工措施 1. 施工现场设置明显的标牌。标牌要标明工程项目名称,建设单位、施工单位、设计单位、项目经理和开竣工日期。 2. 合理进行施工现场的平面布置,并利用运算机进行治理。按照施工总平面布置图堆放各类材料,不得侵占场内道路及安全防护设施。实行打算进料,随用随到。 3. 施工现场厕所、施工道路要有专人负责清扫。 4. 实行逐级防火责任制,成立义务消防队,组织经常性的业务学习和消防演习,现场要配备足够的各种消防器材。 5. 合理安排作业时刻,在夜间振捣混凝土时,尽可能幸免发生扰民情形显现。 6. 现场治理人员要佩戴统一的出入证(身份卡)。 7. 各项施工任务,做到工完场清。 8. 运输散装材料,车厢要封闭,幸免洒落;混凝土罐车撤离现场前,派人用水将下料斗及车身冲洗洁净。 9. 夜间灯光集中照耀,幸免灯光扰民。 第八章 基础底板所需材料统计表 依照现场条件和施工进度要求,基础底板需用的材料较多,因此要和谐组织好各方面的关系。把基础底板顺利按时地完成,基础底板所需材料见表8-1。 基础底板施工材料统计表 表8-1 序号 材料名称 规格 单位 数量 备注 1 钢筋 t 2000 2 模板  1500 3 钢管 Φ48 t 150 4 木方 10×10  100 5 混凝土 C45 P20  12000 6 钢板止水带 300 宽 m 3000
展开阅读全文

开通  VIP会员、SVIP会员  优惠大
下载10份以上建议开通VIP会员
下载20份以上建议开通SVIP会员


开通VIP      成为共赢上传

当前位置:首页 > 品牌综合 > 施工方案/组织设计

移动网页_全站_页脚广告1

关于我们      便捷服务       自信AI       AI导航        抽奖活动

©2010-2026 宁波自信网络信息技术有限公司  版权所有

客服电话:0574-28810668  投诉电话:18658249818

gongan.png浙公网安备33021202000488号   

icp.png浙ICP备2021020529号-1  |  浙B2-20240490  

关注我们 :微信公众号    抖音    微博    LOFTER 

客服