收藏 分销(赏)

供方信用评级表(地产).docx

上传人:仙人****88 文档编号:11232408 上传时间:2025-07-09 格式:DOCX 页数:5 大小:18.68KB 下载积分:10 金币
下载 相关 举报
供方信用评级表(地产).docx_第1页
第1页 / 共5页
供方信用评级表(地产).docx_第2页
第2页 / 共5页


点击查看更多>>
资源描述
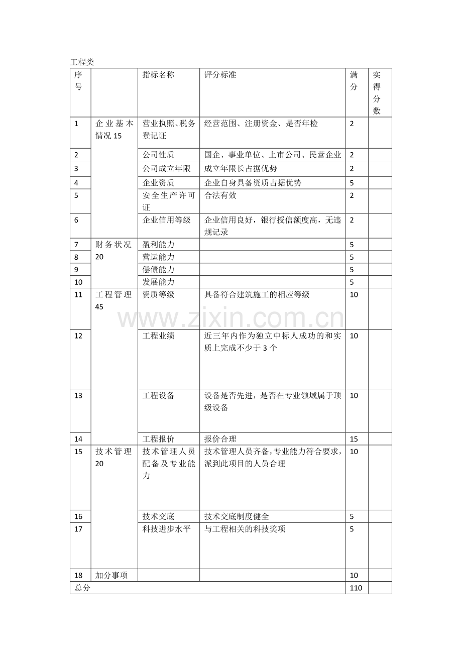
供方名称: 分包(服务/供应)范围: 供方级别:一类 □ 供方分类:施工总承包商 □ 二类 □ 专业承包商 □ 地方类 □ 材料供应商 □ 集中采购 □ 设备供应商 □ 咨询/服务商 □ 其他 □ 信用等级表示方法 等级 计分标准 说明     一等 AAA 90-100 资信状况良好。企业素质很好,财务实力强,信用风险小。在服务或产品的价格或质量等方面具有明显优势,没有不良信用记录。 AA 80-89 资信状况优良。企业素质好,财务实力强,信用风险小。在服务或产品的价格或质量等方面具有优势,没有不良信用记录。 A 70-79 资信状况较好。企业素质较好,财务实力较强。信用风险较小,在服务或产品的价格或质量等方面具有一定的优势,没有不良信用记录, 二等 BBB 60-69 资信状况一般。企业素质一般,财务实力一般。服务或产品的价格或质量等方面一般,没有不良信用记录。 BB 50-59 资信状况不够好。企业素质较弱,财务实力较弱。经营状况不够稳定、有不良记录,有明显的信用风险。 B 40-49 资信状况较差。企业素质较差,财务实力、经营状况较弱,信用风险大。 三等 CCC 30-39 资信状况很差。 CC 20-29 资信状况非常差。 C 10-19 没有信用。 四等 D 10以下 考察评分不符合要求。 工程类 序号   指标名称 评分标准 满分 实得分数 1 企业基本情况15 营业执照、税务登记证 经营范围、注册资金、是否年检 2   2 公司性质 国企、事业单位、上市公司、民营企业 2   3 公司成立年限 成立年限长占据优势 2   4 企业资质 企业自身具备资质占据优势 5   5 安全生产许可证 合法有效 2   6 企业信用等级 企业信用良好,银行授信额度高,无违规记录 2   7 财务状况20 盈利能力   5   8 营运能力   5   9 偿债能力   5   10 发展能力   5   11 工程管理45 资质等级 具备符合建筑施工的相应等级 10   12 工程业绩 近三年内作为独立中标人成功的和实质上完成不少于3个 10   13 工程设备 设备是否先进,是否在专业领域属于顶级设备 10   14 工程报价 报价合理 15   15 技术管理20 技术管理人员配备及专业能力 技术管理人员齐备,专业能力符合要求,派到此项目的人员合理 10   16 技术交底 技术交底制度健全 5   17 科技进步水平 与工程相关的科技奖项 5   18 加分事项     10   总分 110   材料设备 序号   指标名称 评分标准 满分 实得分数 1 企业基本情况15 营业执照、税务登记正 经营范围、注册资金、是否年检 2   2 公司性质 国企、事业单位、上市公司、民营企业 2   3 公司成立年限 成立年限长占据优势 2   4 企业资质 企业运营具备的资质 5   5 安全生产许可证 合法有效 2   6 企业信用等级 企业信用良好,银行授信额度高,无违规记录 2   7 财务状况20 盈利能力   5   8 营运能力   5   9 偿债能力   5   10 发展能力   5   11 产品及品质45 到货及时率 越高越好 10   12 产品合格率 越高越好 10   13 产品报价 报价合理 10   14 供货能力 供货及时 10   15 服务质量 服务态度好 5   16 技术管理20 自主开发能力 自主研发能力较强,核心竞争力显著 5   17 技术资源 具有研发某领域的资源配备 5   18 科技进步水平 研发新产品获得的相关奖项、专利 5   19 技术人员配备 技术管理人员齐备,专业能力符合要求 5   20 加分事项     10   总分 110   设计咨询类 序号   指标名称 评分标准 满分 实得分数 1 企业基本情况15 营业执照、税务登记正 经营范围、注册资金、是否年检 2   2 公司性质 国企、事业单位、上市公司、民营企业 2   3 公司成立年限 成立年限长占据优势 2   4 企业资质 相关资质证明 5   5 企业信用等级 企业信用良好,银行授信额度高,无违规记录 4   6 财务状况20 盈利能力   5   7 营运能力   5   8 偿债能力   5   9 发展能力   5   10 服务45 设计质量 图纸质量 10   11 计划进度 成果提交及时性 5   12 成本控制 设计优化建议 5   13 付款进度 付款条款的灵活性 5   14 过程服务 沟通、反馈及时、配合到位 5   15 业绩 近三年内作为独立中标人成功的和实质上完成不少于3个 5   16 报价 报价合理 10   17 技术管理20 人员配备 技术管理人员齐备,专业能力符合要求,派到此项目的人员合理 10   18 技术水平 与项目相关的技术奖项或咨询类取得的成果 10   19 加分事项     10   总分 110   财务指标分析 项目 指标分析 一、盈利能力   三年平均利润率(%)   三年平均总资产报酬率(%) 该指标越高,表明企业投入产出的水平越好,企业的资产运营越有效 三年平均净资产收益率(%) 该指标越高,说明投资带来的收益越高;净资产收益率越低,说明企业所有者权益的获利能力越弱 二、营运能力   总资产年周转率(次) 一般情况下,该数值越高,表明企业总资产周转速度越快。销售能力越强,资产利用效率越高 流动资产年周转率(次) 一般情况下,该指标越高,表明企业流动资产周转速度越快,利用越好 不良资产比率(%) 一般情况下,本指标越高,表明企业沉积下来、不能正常参加经营运转的资金越多,资金利用率越差。该指标越小越好,0是最优水平 三、偿债能力   资产负债率(%) 资产负债率在60%—70%,比较合理、稳健 速动比率(%) 低于1的速动比率通常被认为是短期偿债能力偏低 或有资产比率(%)   四、发展能力   当年营业额(万元)   三年平均营业额增长率(%)   当年利润额(万元)   三年平均利润增长(%)   三年平均资本积累率(%) 该指标如为负值,表明企业资本受到侵蚀,所有者利益受到损害,应予充分重视 企业信用等级认证,并不局限于建筑企业,适用于整个商业流通领域。
展开阅读全文

开通  VIP会员、SVIP会员  优惠大
下载10份以上建议开通VIP会员
下载20份以上建议开通SVIP会员


开通VIP      成为共赢上传

当前位置:首页 > 环境建筑 > 房地产

移动网页_全站_页脚广告1

关于我们      便捷服务       自信AI       AI导航        抽奖活动

©2010-2025 宁波自信网络信息技术有限公司  版权所有

客服电话:0574-28810668  投诉电话:18658249818

gongan.png浙公网安备33021202000488号   

icp.png浙ICP备2021020529号-1  |  浙B2-20240490  

关注我们 :微信公众号    抖音    微博    LOFTER 

客服