收藏 分销(赏)

Buck电源中绝缘栅场效应管的驱动方法.docx

上传人:仙人****88 文档编号:11225700 上传时间:2025-07-08 格式:DOCX 页数:4 大小:113.27KB 下载积分:10 金币
下载 相关 举报
Buck电源中绝缘栅场效应管的驱动方法.docx_第1页
第1页 / 共4页
Buck电源中绝缘栅场效应管的驱动方法.docx_第2页
第2页 / 共4页


点击查看更多>>
资源描述
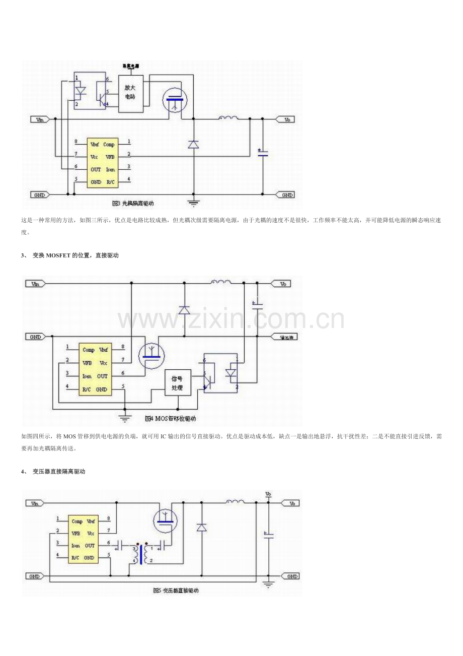
Buck电源中绝缘栅场效应管的驱动方法 作者:王华彪 魏金玲 常辉 陈亚宁 一、 引言 图一所示的单管降压电源,拓扑很简单,但由于MOSFET的源极电位不固定,驱动不是很容易。本文就斩波电源的不同驱动方式,分别就其电路的复杂性、驱动脉冲质量、价格成本以及工作频率的适应性等方面进行了分析和比较。 二、各种驱动电路分析 1、 电平转换直接驱动 当主电路的供电电压不太高时,可插入图二所示的电平转换驱动电路。这种方法的优点是成本较低,缺点一是当输入电压Vin较高时不易处理好;二是电平移动驱动部分需要电荷泵供电,因此电路比较繁复。 2、 光电耦合器隔离驱动 这是一种常用的方法,如图三所示,优点是电路比较成熟,但光耦次级需要隔离电源,由于光耦的速度不是很快,工作频率不能太高,并可能降低电源的瞬态响应速度。 3、 变换MOSFET的位置,直接驱动 如图四所示,将MOS管移到供电电源的负端,就可用IC输出的信号直接驱动。优点是驱动成本低,缺点一是输出地悬浮,抗干扰性差;二是不能直接引进反馈,需要再加光耦隔离传送。 4、 变压器直接隔离驱动 图5所示这种直接驱动方法的突出优点是成本最低,但由于变压器只能传递交流信号,因此输出的正负脉冲幅值随占空比而变,只适用于占空比在0.5左右、而且变化不大的情况。同时由于变压器的负载是MOS管的输入电容,驱动脉冲的前后沿一般不会很理想。 5、 有源变压器驱动 用变压器传送信号,次级另加隔离电源和放大电路,如图6所示。因为变压器只传送信号,因此响应比较快,工作频率可以很高,次级有源,可以输出比较陡峭的脉冲信号。缺点是要有一路隔离的电源供给。 6、 采用新型隔离驱动组件直接驱动 图7示出的是采用KD103(原CMB3)型驱动模块的斩波电路,该驱动组件是北京落木源公司开发出的单管隔离驱动器。该款驱动器使用变压器隔离,采用分时技术,在输入信号的上升和下降沿传递PWM的信号,在平顶阶段传递能量,因而能够输出陡峭的驱动脉冲。这种驱动方法的优点是使用方便(在MOSFET功率不大时,只要如图7连接就可以了),驱动脉冲质量好,工作频率高,体积较小,输入电压最高可达1000V,价格也比较便宜。缺点是工作频率低时要求的变压器体积比较大,同时成本稍高些,但考虑到简化了设计、并降低了装配成本,总成本可能还要低些。 三、结语 下表总结了上面的分析,可以看出,在大多数情况下,采用KD103(原CMB3)专用斩波隔离驱动器是较佳的选择。   电平移位驱动 光耦隔离驱动 MOS管移位驱动 变压器直接驱动 有源变压器驱动 TX-KD模块驱动 最高工作频率 比较高 不高,受限于光耦 高 比较高 高 高 最低工作频率 可以很低 可以很低 可以很低 不能很低 不能很低 不能很低 脉冲延时 小 较大 基本无延时 中等 很小 很小 驱动设计量 大 中等 小,但反馈设计量加大 小 中等 小 装配工作量 大 中等 中等 小 中等 小 驱动部分成本 低 中等 低 最低 中等 中等 占空比变化范围 大 大 大 小 比较大 大 高压工作 较高不易 高 不宜较高 高 高 高    
展开阅读全文

开通  VIP会员、SVIP会员  优惠大
下载10份以上建议开通VIP会员
下载20份以上建议开通SVIP会员


开通VIP      成为共赢上传

当前位置:首页 > 包罗万象 > 大杂烩

移动网页_全站_页脚广告1

关于我们      便捷服务       自信AI       AI导航        抽奖活动

©2010-2025 宁波自信网络信息技术有限公司  版权所有

客服电话:0574-28810668  投诉电话:18658249818

gongan.png浙公网安备33021202000488号   

icp.png浙ICP备2021020529号-1  |  浙B2-20240490  

关注我们 :微信公众号    抖音    微博    LOFTER 

客服