收藏 分销(赏)

一建喷锚暗挖法施工技术讲义模板.doc

上传人:人****来 文档编号:11201145 上传时间:2025-07-05 格式:DOC 页数:14 大小:573KB 下载积分:8 金币
下载 相关 举报
一建喷锚暗挖法施工技术讲义模板.doc_第1页
第1页 / 共14页
一建喷锚暗挖法施工技术讲义模板.doc_第2页
第2页 / 共14页


点击查看更多>>
资源描述
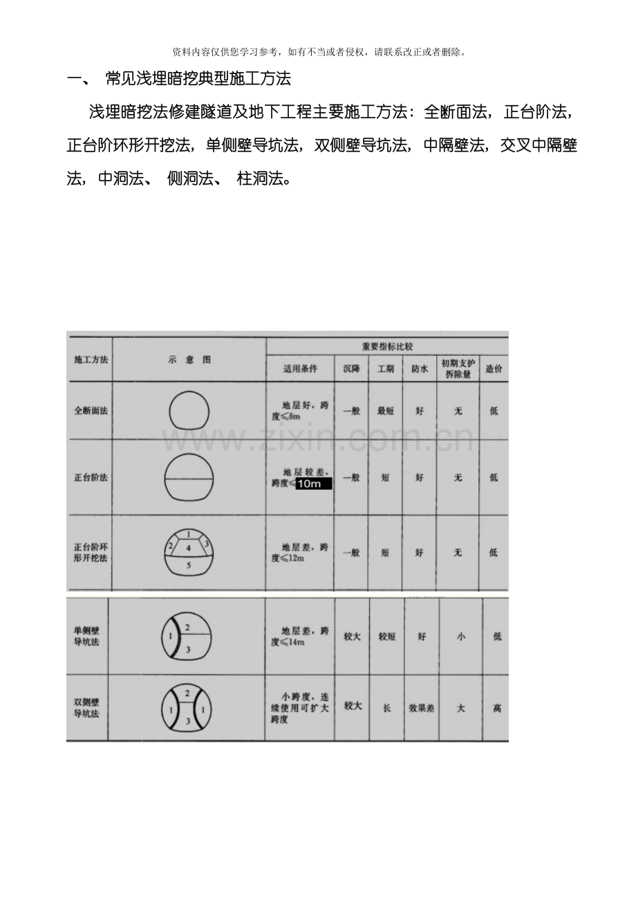
资料内容仅供您学习参考,如有不当或者侵权,请联系改正或者删除。 喷锚暗挖法施工技术 喷锚暗挖施工技术要求 喷锚暗挖法施工主要包括新奥法、 浅埋暗挖法等。 浅埋暗挖法的十八字方针”管超前, 严注浆, 短开挖, 强支护, 早封闭, 勤量测”。 管超前: 拱部土体自稳能力差, 自立时间短, 土体凌空后极易坍塌, 采用超前支护的各种手段主要提高增强土体稳定性, 控制下沉, 防止围岩松弛和坍塌。 严注浆: 导管超前支护后, 立即进行压注水泥浆或其它化学浆液, 填充围岩空隙, 浆液渗透在土体中, 有效增强土体抗压抗剪切强度, 使隧道周围形成一个具有一定强度的壳体, 以增强围岩的自稳能力, 确保开挖过程中的安全。 短进尺: 土体暴露时间越长, 进尺越大, 土体坍塌的危险就越大, 因此一定要严格限制进尺的长度。在施工中可采取预留核心土, 目的除减少开挖时间外, 预留的土体还能够平衡掌子面的土体, 防止滑塌。 强支护: 在松散地层中施工, 大量土体的重力会直接作用于初期支护结构上, 初期 支护必须具有较大的强度和刚度, 以控制初期结构的变形, 保证结构的稳定。 早封闭: 在台阶法施工中, 如上台阶未封闭成环, 变形速度较快, 为有效控制围岩松弛, 必须及时采用临时仰拱或使支护体系成环。 勤量测: 结构的受力最终都表现为变形。按照规定频率对规定部位进行监测, 掌握施工动态, 调整施工参数并设置各部位的变形警戒值, 是浅埋暗挖法施工成败的关键。 一、 常见浅埋暗挖典型施工方法 浅埋暗挖法修建隧道及地下工程主要施工方法: 全断面法, 正台阶法, 正台阶环形开挖法, 单侧壁导坑法, 双侧壁导坑法, 中隔壁法, 交叉中隔壁法, 中洞法、 侧洞法、 柱洞法。 环形开挖留核心土) 法: ≤12m; 适用于一般土质或易坍塌的软弱围岩中。 环形开挖进尺0.5~1.0m, 不宜过长。台阶长度一般控制在1D内。作业流程: 开挖环形拱部→架立钢支撑→喷混凝土→开挖核心土和下台阶→初次衬砌封闭成环→二次衬砌。 迅速及时建造拱部初次支护, 核心土增强了开挖面的稳定性; 开挖多次扰动围岩, 封闭成环的时间要长; 常要结合辅助措施预加固。 单侧壁倒坑法: ≤14m; 导坑≯0.5倍洞宽。 单侧壁导坑法每步开挖的宽度较小, 而且封闭型的导坑初次支护承载能力大, 因此, 单侧壁导坑法适用于断面跨度大、 地表沉陷难于控制的软弱松散围岩中。 双侧壁导坑法: 小跨度连续成大跨度; 防水差, 沉降大。 又称眼镜工法。当隧道跨度很大、 地表沉陷要求严格、 围岩条件特别差、 单侧壁导坑法难以控制围岩变形时, 可采用双侧壁导坑法。 初期支护各自封闭, 施工中间变形几乎不发展。拆除临空部分的初次支护; 施作内层衬砌。 双侧壁导坑法施工安全, 但速度较慢, 成本较高。中隔壁法: CD≤18m, 防水好, 沉降较大; 主要适用于地层较差和不稳定岩体, 且地面沉降要求严格的地下工程施工。 加仰拱即为交叉中隔壁法: CRD<20m。防水好, 沉降较小。 CD法和CRD工法在大跨度隧道应用普遍, 严格遵守正台阶法的施工要点。 中洞法、 侧洞法、 柱洞法及洞桩法的核心思想是变大截面为中小断面, 提高安全度。 喷锚加固支护施工技术 一、 喷锚暗挖与初期支护 配合开挖及时支护, 浅埋暗挖一般采用复合式衬砌支护形式, 即初期支护和二次衬砌。初期支护采用喷锚支护, 包括钢筋网喷射混凝土、 锚杆-钢筋网喷射混凝土、 钢拱架-钢筋网喷射混凝土等支护结构形式。 二、 暗挖隧道内加固技术 喷射( 早强, 严禁选用具有碱活性集料) 混凝土紧跟开挖面, 分段、 分片、 分层, 由下而上进行。 使用前做凝结时间试验, 初凝≯5min, 终凝≯10min。 钢筋网材料宜采用Q235钢, 钢筋直径宜为6~12mm, 网格尺寸宜采用150~300mm, 搭接长度应符合规范。 钢架宜选用钢筋、 型钢、 钢轨等制成, 格栅钢架的主筋直径不宜小于18mm。 钢架应与喷射混凝土形成一体, 钢架与围岩间的间隙必须用喷射混凝土充填密实, 钢架应全部被喷射混凝土覆盖, 保护层厚度不得小于40mm。 喷射混凝土前检查开挖断面, 设置层厚标志。埋管引导疏干基面渗水点。 宜采用湿喷方式, 厚度5-10cm。 钢架应在开挖或喷射混凝土后及时架设。超前锚杆、 小导管支护与钢拱架配合使用, 长度3-3.5m, 大于循环进尺2倍。 隧道内锚杆注浆加固, 钻孔不宜平行于岩层层面, 宜沿隧道周边径向钻孔。锚孔必须安装垫板, 与喷混凝土面密贴。 先喷射混凝土→钻孔安设锚杆, 锚杆露出岩面长不大于喷射 混凝土的厚度。 三、 隧道外超前加固技术 ( 一) 降低地下水位法 1.是富水地层渗透性好的首选方案。 2.含水松散破碎带地层宜采用降低水位法, 不宜采用集中宣泄排水的方法。 3.城市地下工程中采用降低地下水位法时, 最重要的决策因素是确保降水引起的沉降不会对已存在构筑物或拟建构筑物的结构安全构成危害。 4.地面降水或隧道内辅助降水。 5.当采用降水方案不能满足要求时, 应在开挖前进行帷幕注浆, 加固地层等堵水处理。 ( 二) 地表锚杆( 管) 1.地面锚杆( 管) 是一种地表预加固地层的措施, 适用于浅埋暗挖、 洞口地段和岩体松软破碎地段。 2.地面锚杆按矩形或梅花形布置。先钻孔→吹净钻孔→用灌浆管灌浆→垂直插入锚杆杆体→孔口将杆体固定。地面锚杆预支护, 是由普通水泥砂浆和全粘结型锚杆构成地表预加固地层。 3.锚杆类型应根据地质条件、 使用要求及锚固特性进行选择, 可选用中空注浆锚杆、 树脂锚杆、 自钻式锚杆、 砂浆锚杆和摩擦型锚杆。 ( 三) 冻结法固结地层 富水少盐低流速, 采用冻结法。 开挖断面周围钻孔敷管安装冻结器, 经过人工制冷将天然岩土变成冻土。冻结法特点: 冻结加固地层强度高, 封水效果好, 整体固结性好, 无污染。 主要缺点: 成本较高, 技术难。 衬砌及防水施工要求 一、 防水结构施工原则 《地下工程防水技术规范》 ( GB 50108) 规定: 地下工程防水的设计和施工应遵循”防、 排、 截、 堵相结合, 刚柔相济, 因地制宜, 综合治理”的原则。 《地铁设计规范》( GB 50157) 规定: 地下铁道隧道工程的防水设计, 应根据工程地质、 水文地质、 地震烈度、 结构特点、 施工方法和使用要求等因素进行, 并应遵循”以防为主, 刚柔结合, 多道防线, 因地制宜, 综合治理”的原则, 采取与其相适应的防水措施。 喷锚暗挖法施工隧道一般采用复合式衬砌设计, 由初期支护、 防水层和二次衬砌组成。结构自防水为根本, 附加防水层组成防水体系, 以变形缝、 施工缝、 后浇带、 穿墙洞、 预埋件、 桩头等接缝部位混凝土及防水层施工为防水控制的重点。 二、 施工方案选择 1.施工期间的防水措施主要是排和堵。 2.衬砌背后可采用注浆或喷涂防水层等方法止水。 三、 复合式衬砌防水施工 1.复合式衬砌防水层施工应优先选用射钉铺设。 四、 二次衬砌施工 1.采用补偿收缩混凝土, 具有良好抗裂性能, 主体结构防水混 凝土不但防水, 还和钢筋一起受力。 2.组合钢模板体系和模板台车两种模板体系。 3.混凝土采用泵送模注, 两侧边墙插入振捣, 底部附着振捣。 小导管注浆加固技术 在软弱、 破碎地层中凿孔后易塌孔, 且施作超前锚杆比较困难或者结构断面较大时, 应采取超前小导管支护。超前小导管支护必须配合钢拱架使用。小导管前方有注浆孔。有导洞可在导洞内对隧道周边进行径向注浆加固。 二、 注浆要点 直径3~5cm, 长3~5m, 环向布置间距30-50cm, 外插角5-15°。纵向搭接≮1m。 水泥浆和水泥砂浆适用于卵石地层。主要成分为P.O42.5级及以上的硅酸盐水泥。 砂层用劈裂注浆法, 黏土层中宜采用劈裂或电动硅化注浆 砂层用劈裂注浆法, 黏土层中宜采用劈裂或电动硅化注浆法, 淤泥质软土层中采用高压喷射注浆法。 注浆材料应具备: 良好的可注性, 固结后有一定的强度、 抗渗、 稳定、 耐久和收缩小, 无毒、 工艺简单、 方便、 安全等性能。 注浆材料的选用、 配比的确定, 应根据工程条件, 经试验确定。 三、 施工控制要点 ( 一) 控制加固范围 1.严控小导管的长度、 开孔率、 安设角度和方向。 2.小导管的尾部封堵。 ( 二) 保证效果 1.配比准确。 2.注浆时间和注浆压力由试验确定, 严孔注浆压力。 3.注浆期间监测地面隆起、 地下水污染等, 特别是采取必要措施防止浆液溢出地面或超出注浆范围。 管棚的施工要求 一般在下列场合采用管棚超前支护: 1、 穿越铁路; 2、 穿越地下和地面结构物; 3、 修建大断面地下工程; 4、 隧道洞口段; 5、 经过断层破碎带等特殊地层。 6、 特殊地段, 如大跨度地铁车站、 重要文物保护区、 河底、 海底。 管棚由钢管和钢拱架组成。 管棚钢管直径70~180mm, 壁厚4~8mm无缝钢管。按设计加工和开孔, 管内灌注水泥( 砂) 浆。 对于特殊地段, 可采用较大直径的管棚, 如北京5号线下穿崇文门车站的直径600mm的管棚。 钢管长度具体情况而定, 间距2~2.5倍管径。纵向两组管棚搭接长度应>3m。铁路和公路正下方施工时, 要采用刚度大的大中直径钢管连续布设。 布设形状有帽形、 方形、 一字形及拱形等。 测放孔位→钻机就位 →水平钻孔→压入钢管→钢管内或管周土体隔孔注浆→ 封口→支护下开挖。 每隔5m( 2~6m) 对正在钻进的钻孔及插入的钢管及其趋势进行孔弯曲测定检查。 【例题1】 采用喷锚暗挖法施工多层多跨结构隧道时, 宜采用的施工方法为(   ) 。 A.全断面法 B.正台阶法 C.单侧壁导坑法 D.柱洞法 【例题1】 采用喷锚暗挖法施工多层多跨结构隧道时, 宜采用的施工方法为(   ) 。 A.全断面法 B.正台阶法 C.单侧壁导坑法 D.柱洞法 【答案】D 【例题2】 下列喷锚暗挖法掘进方式中, 结构防水效果差的是( ) 。 A.正台阶法 B.侧洞法 C.中隔壁法 D.单侧壁导坑法 【例题2】 下列喷锚暗挖法掘进方式中, 结构防水效果差的是( ) 。 A.正台阶法 B.侧洞法 C.中隔壁法 D.单侧壁导坑法 【答案】B 【例题3】 喷射混凝土应采用( )混凝土, 严禁选用具有碱活性集料。 A.早强 B.高强 C.低温 D.负温 【例题3】 喷射混凝土应采用( )混凝土, 严禁选用具有碱活性集料。 A.早强 B.高强 C.低温 D.负温 【答案】A 【例题5】 下列喷锚暗挖开挖方式中, 防水效果较差的是( ) 。 A.全断面法 B.环形开挖预留核心土法 C.交叉中隔壁( CRD) 法 D.双侧壁导坑法 【答案】D 【例题6】 暗挖隧道内常见的支护与加固措施有( ) 。 A. 管棚超前支护 B. 超前锚杆或超前小导管支护 C. 设置临时仰拱 D. 冻结法固结地层 E. 小导管周边注浆或围岩深孔注浆 【例题6】 暗挖隧道内常见的支护与加固措施有( ) 。 A. 管棚超前支护 B. 超前锚杆或超前小导管支护 C. 设置临时仰拱 D. 冻结法固结地层 E. 小导管周边注浆或围岩深孔注浆 【答案】BCE 【解析】暗挖隧道内常见的技术措施: ( 1) 超前锚杆或超前小导管支护; ( 2) 小导管周边注浆或围岩深孔注浆; ( 3) 设置临时仰拱。 【例题7】 二 关于小导管注浆的说法, 错误的是( ) 。 A.在软弱、 破碎地层中凿孔后易塌孔时, 必须采取超前小导 管支护 B.超前小导管必须配合钢拱架使用 C.在条件允许时, 能够在地面进行超前注浆加固 D.在有导洞时, 可在导洞内对隧道周边进行径向注浆加固 【例题7】 二 关于小导管注浆的说法, 错误的是( ) 。 A.在软弱、 破碎地层中凿孔后易塌孔时, 必须采取超前小导 管支护 B.超前小导管必须配合钢拱架使用 C.在条件允许时, 能够在地面进行超前注浆加固 D.在有导洞时, 可在导洞内对隧道周边进行径向注浆加固 【答案】A 【例题8】 二 关于小导管注浆说法错误的是( ) 。 A.超前小导管支护必须配合钢拱架使用 B.钢管长度8~30m不等 C.钢管应沿拱的环向向外设置外插角 D.两排小导管在纵向应有一定搭接长度 【例题8】 二 关于小导管注浆说法错误的是( ) A.超前小导管支护必须配合钢拱架使用 B.钢管长度8~30m不等 C.钢管应沿拱的环向向外设置外插角 D.两排小导管在纵向应有一定搭接长度 【答案】B
展开阅读全文

开通  VIP会员、SVIP会员  优惠大
下载10份以上建议开通VIP会员
下载20份以上建议开通SVIP会员


开通VIP      成为共赢上传

当前位置:首页 > 环境建筑 > 施工管理/施工技术

移动网页_全站_页脚广告1

关于我们      便捷服务       自信AI       AI导航        抽奖活动

©2010-2026 宁波自信网络信息技术有限公司  版权所有

客服电话:0574-28810668  投诉电话:18658249818

gongan.png浙公网安备33021202000488号   

icp.png浙ICP备2021020529号-1  |  浙B2-20240490  

关注我们 :微信公众号    抖音    微博    LOFTER 

客服