收藏 分销(赏)

现代企业仓储管理制度.doc

上传人:精**** 文档编号:11160621 上传时间:2025-07-03 格式:DOC 页数:15 大小:121KB 下载积分:8 金币
下载 相关 举报
现代企业仓储管理制度.doc_第1页
第1页 / 共15页
现代企业仓储管理制度.doc_第2页
第2页 / 共15页


点击查看更多>>
资源描述
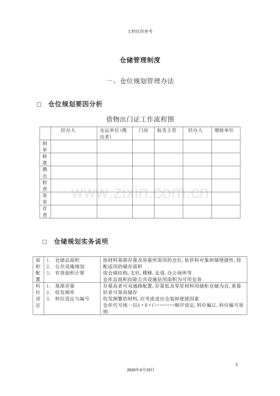
现代企业仓储管理制度 15 2020年4月19日 文档仅供参考 仓储管理制度 一、仓位规划管理办法 □ 仓位规划要因分析 借物出门证工作流程图 经办人 仓运单位(携出者) 门房 权责主管 经办人 增核单位 制单 核准 携出 检查 签章 存查 □ 仓储规划实务说明 面积配置 1. 仓储总面积 2. 公共设施规划 3. 有效面积计算 按材料基准存量及容量所需用的仓位,依供料对象卸储便捷性,投配适用的储存面积 依仓储结构,支柱,楼梯,走道,办公场所等 仓库总面积扣除公共设施估用面积为可用仓容 科位设定 1. 基准存量 2. 收发频率 3. 料位设定与编号 存量高者可双通路配置,存量低及零星材料用储柜仓储为宜,重量轻者可架高储存 收发频繁的材料,应考虑进出仓装卸便捷因素 仓库代号统一以A·B·C…………顺序设定,料位编订,料位编号原则: 堆叠方式 1. 包装类别 2. 材料特性 3. 供料方式 4. 栈储工具 依53加仑铁桶装,5加仑铁桶装,纸桶装,纸盒装、支装分设堆叠栈底数与栈高层次 对耐压性差的材料宜设定层况以及承受的重量 依供料工具,堆高机,油压拖机车或手拉车设定堆叠方式 依包装类别、材料特性、供料方式选定木栈板,铁架或储柜等 料品标示 1. 材料编号 2. 单位堆叠量 3. 储存说明 依请购单填证材料编号,品名、规格、数量,入厂日期,并以月份颜色加以区分标示 标示每一位置的最大容量 合格(绿色)特殊(黄色)退货(红色) □ 机械工业股份有限公司材料编号办法 (一) 目的: 将本公司所使用的原料、物料,按其性质各归其类并予以编号,以利于料帐的登载及材料的电脑处理作业。 (二) 范围:本材料编号的内容包括原料及物料,以下二种不包括在内: 1. 计入资产需逐年摊提的项目。 2. 作为费用科目处理的项目,如办公用品、清洁工具等。 (三) 分类方法:按用途及材质混合分类法分为14类 第一类 钢料类 第二类 铁料类 第三类 铝料类 第四类 其它金属材料类 第五类 五金材料类 第六类 机器配件类 第七类 建材类 第八类 电器材料类 第九类 塑胶材料类 第十类 门窗配件类 第十一类 工具类 第十二类 化工材料类 第十三类 焊料类 第十四类 杂项材料类 (四) 编号方法: 1. 本公司材料编号采用数字法,每项材料以4段9位数字代表。 第一段 一~二位数表示物料的类别(大分类)。 第二段 三~四位数表示物料的名称(中分类)。 第三段 五~八位数表示物料的规格(小分类)。 第四段 一位数表示电脑的检查号码。 2. 检查号码: 系按固定公式计算出一数值,以供查验该项材料编号是否书写错误。公式如下(用2.5m/m厚3′×6′长宽的铁板为例): (1) 将八位数字按12121212的次序个别乘之。 (2) 将积算的个位数相加。 (3) 将积算的十位数亦加入个位数的和内。 (4) 将所求得的和的个位数被10减之,所得之数即为检查号码。 (1) 0 / (2) 积算个位数相加0+4+0+2+2+0+3+2=13 (3) 积算十位数加入个位数之和内13+1+1=15 (4) 将和之个位数以10减之10-5=5 (五) 单位:本公司的材料不论对外订购的单位如何,对内记录一律采用以下标准: 1. 计数:如支、张、个、条、罐一律定为”EA”。复数单位如双、套、付、组等一律定为”ST”。 2. 计量:长度以”M”(公尺)或”FT”(英尺)或”Y”(码)计算。 重量以”KG”(公斤)计算。 容量以”LK”或”L”计算。 (同一材料项目所使用的单位均订于本公司材料编号簿内,不得任意使用。) 六、材料编号薄格式如下: 七、本办法经经理级会议修正经过,并呈总经理批准后实施。 编号 材料编号 中文名称 英文名称 规格 单位 备注 中文 英文 □ 机械工业股份有限公司原物料成品固定资产请购收发调控外借使用表格规定 一、 为了便于会计记帐及实施电脑作业,要公司有关原物料成品固定资产的请购,收发调发外借使用表格,格式、内容、使用方法、流程,均按本规定实施。 二、兹将各种表格、使用方法、流程分别说明如次页: 三、本规定经经理级会议修正经过,呈总经理核准后实施,修改时亦同。 请风单 A、 本单使用说明 1. 本单系办理物料或物品请购时使用 2. 要单一式四联由请购单位制表 第一联:请购单位制表 第二联:送会计部门(当月清耗的物品,此联代到料通知单) 第三联:仓储部门 第四联:采购部门 3. 规格必须详细填明并写明编号 4. 途应填用于何种产品如属修理用料应填明”修理用”实或注明”另件换新” B、 要单流程 1. 第一联:请购单位制单后存查 2. 第二联:请购单位制单→采购部门询价采购→仓储部门检验点收→送会计单位存查 3. 第三联:请购单位制单→采购部门询价采购→仓储部门检验点收后存查 4. 第四联:请购单位制单→采购部门询价采购后存查 请购单工作流程图 请购单位 会计 仓储部门 采购部门 制单 采购询价 检验 点收 存查 外购单 A、 本单的使用说明 1. 本单系申请向国外采购物料或物品时使用 2. 本单一式共分白、黄、蓝三联,由请购单位制单 (1) 第一联:核准后退回请购单位 (2) 第二联:核准后送物料单位(仓库)存查 (3) 第三联:外购单位凭以购料,确定后仓库验收记卡,再转会计单位 (4) 第四联:外购单位自存 3. 本单请购名称、规格、数量、单位用途均需填写清楚 4. 本单—料—单 B、 本单流程 1. 第一联:请购单位制单→经权责主管核准→请购单位存查 2. 第二联:请购单位制单→经权责主管核准→物料(仓库)单位存查 3. 第三联:请购单位制单→经权责主管核准→外购单位购料→仓库验收记卡→会计组核计后存查 4. 第四联:请购单位制单→经权责主管核准→外购单位自存、 外购单工作流程图 请购单位 权责主管审查 外购单位 仓库 会计 制表 核准 购料 验收记卡 核计 存查 发(领)料单 A、 本单使用说明 1. 本单系发(领)物料及内部调拨时使用(多项领料单用于同一订货单号,开一张全数领完) 2. 本单一式四联,由领料单位填写 (1) 第一联:记材料帐 (2) 第二联:电脑打卡 (3) 第三联:成本计算 (4) 第四联:物管单位存查 3. 本单—料—单 4. 在办理领料之前,应先送计料部门签认,方可准予发料 5. 如有额外领料,请在备注栏说明原因 B、 本单流程 1. 第一联:领料单位制单→物料单位发料→领料单位存查 2. 第二联:领料单位制单→物料单位发料→送电脑打卡后存查 3. 第三联:领料单位制单→物料单位发料→送成本计算后存查 4. 第四联:领料单位制单→物料单位发料后存查 发(领)料单工作流程图 请购单位 权责主管审查 外购单位 仓库 会计 制表 核准 购料 验收记卡 核计 存查 收料单 A、本单使用说明 1. 本单为物料收取凭证 2. 本单一式三联,由收料单位制表 (1) 第一联:记材料帐 (2) 第二联:送电脑打卡 (3) 第三联:会计 3. 本单每份可填写材料五项,但需按原材料的编号顺序填写 4. 本单类号栏,请参原收料单左方类号栏部分的代号填写 B、本单流程 1. 第一联:收料单位制单→品管单位检验→收料单位点收后存查 2. 第一联:收料单位制单→品管单位制单→收料单位点收→送资料中心 3. 第三联:收料单位制单→品管单位检验→收料单位点收→送会计组核计 收料单工作流程图 收料单位 品管单位 资料中心 会计单位 制单 检验 点收 电脑处理 存查 退料单 A、 本单使用说明 1. 本单为余料或废料时,由退料单位填写 2. 本单一式四联 (1) 第一联:退料单位存查 (2) 第二联:送电脑打卡 (3) 第三联:成本计算及记材料帐 (4) 第四联:收料单位存查 3. 本单可六料共用一单,但需按材料编号的顺序填写 4. 本单退料数量实线后二格,系小数位置,请注意填写 B、 本单流程 1. 第一联:退料单位制单→接收单位点收→退料单位存查 2. 第二联:退料单位制单→接收单位点收→送资料中心 3. 第三联:退料单位制单→接收单位点收→会计单位 4. 第四联:退料单位制单→接收单位点收后存查 退料单工程流图 退料单位 接收单位 资料中心 会计单位 制单 点收 电脑处理 核计 存查 成品入库单 A、 本单使用说明 1. 本单系生产单位成品办理入库时使用 2. 本单一式四联,由生产单位制单 (1) 第一联:记成品帐 (2) 第二联:电脑打卡 (3) 第三联:成本课 (4) 第四联:生管单位存查 3. 成品办理入库之先,应需办理检验合格手续 4. 本单可同时填写六种产品但品名、订货单号、成品编号、件数、重量、务须填写清楚 B、 本单流程 1. 第一联:生产单位制单→品管检验→生管点收→会计单位记成品帐 2. 第二联:生产单位制单→品管检验→生管点收→资料中心 3. 第三联:生产单位制单→品管检验→生管点收→成本计算后存查 4. 第四联:生产单位制单→品管检验→生管点收→生管自存 成品入库单工作流程图 生产单单位 品管部门 资料中心 成本课 生管单位 会计单位 制单 检验 点收 电脑处理 核记成品计帐 存查 发货单 A、 本单的使用说明 1. 本单系发货单位发货时使用 2. 本单一式六联,由生管单位制单 (1) 第一联:记成品帐 (2) 第二联:电脑打卡 (3) 第三联:记应收帐款 (4) 第四联:门房→生管→营业→财务 (5) 第五联:借货回单凭收帐款 (6) 第六联:收货人存查 3. 本单五式可填产品八种,但单内各项内容务须详实填写 4. 本单如属哲发货,可免填统一发票号码,但应备注与客户合约号码 B、 本单流程 1. 第一联:发货单位制单后存查→送会计记成品帐(另拷贝一份发货单位存查) 2. 第二联:发货单位制单→送资料中心 3. 第三联:发货单位制单→送会计记应收帐款帐 4. 第四联:发货单位制单→门房→生管→营业→财务存查 5. 第五联:发货单位制单→产品送交后凭单收款(另拷贝一份为请运费凭单) 6. 第六联:发货单位制单→制货人存查
展开阅读全文

开通  VIP会员、SVIP会员  优惠大
下载10份以上建议开通VIP会员
下载20份以上建议开通SVIP会员


开通VIP      成为共赢上传

当前位置:首页 > 应用文书 > 规章制度

移动网页_全站_页脚广告1

关于我们      便捷服务       自信AI       AI导航        抽奖活动

©2010-2026 宁波自信网络信息技术有限公司  版权所有

客服电话:0574-28810668  投诉电话:18658249818

gongan.png浙公网安备33021202000488号   

icp.png浙ICP备2021020529号-1  |  浙B2-20240490  

关注我们 :微信公众号    抖音    微博    LOFTER 

客服