收藏 分销(赏)

临近既有线石方爆破施工方案.doc

上传人:仙人****88 文档编号:11065797 上传时间:2025-06-30 格式:DOC 页数:19 大小:2.54MB 下载积分:10 金币
下载 相关 举报
临近既有线石方爆破施工方案.doc_第1页
第1页 / 共19页
临近既有线石方爆破施工方案.doc_第2页
第2页 / 共19页


点击查看更多>>
资源描述
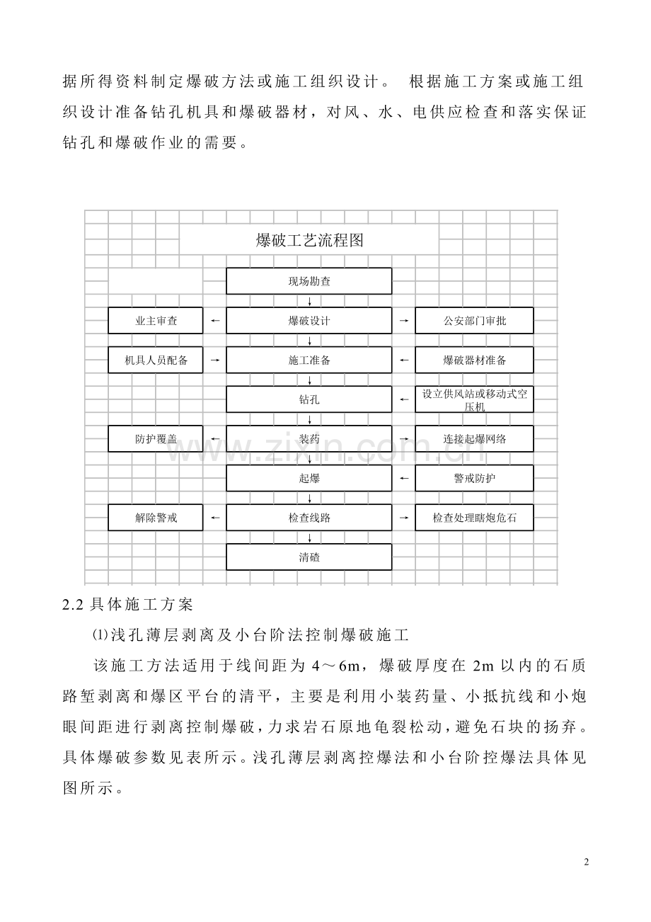
临近既有线石方爆破施工方案 一、 工程概况 本标段区间路基有2.0万方的控爆石方,共3段450m,分别为DKxx+900~DKxx+100(C级)、DKxx+600~+700(C级)、DKxx+450~+600(C级)、拟采用直立式排架进行防护。根据各处路堑的不同地质情况和距离既有线的远近,按照“密打眼、短进尺、弱爆破、强覆盖”的原则,制定相应施工方案。 二、施工方案和措施 本标段石方控爆施工,根据控爆等级和防护要求的不同,相应采取浅孔薄层剥离和小台阶法、预留隔墙纵向拉槽法及全断面纵向拉槽法等多种方法进行施工。其中DKxx+900~DKxx+100段控爆石方,其控爆等级和防护要求高,该段穿越既有线地段,当两线距离4~6m时采用浅孔薄层剥离和小台阶法开挖相结合的方式进行施工,两线距离在12~50m时,采用预留隔墙纵向拉槽法施工;DKxx+600~ +700(C级)段控爆石方,采用浅孔薄层剥离和小台阶法开挖相结合的方式进行施工;DKxx+450~+600(C级)该段两线距离在12~50m之间,控爆等级和防护要求相对较低,采用全断面纵向拉槽法进行施工。爆破工艺流程图见下图。 2.1. 施工准备 根据设计图纸和现场勘探确定爆破里程,爆破点的地形、地貌,以及爆破工程数量,并勘测出爆破点的纵断面图和具有代表性的横断面图,对爆破点的土层、地质和岩体情况要仔细探明。对爆破点周边环境如电力线、通讯线、管道、民房、道路、果林、农业资源以及其他设备进行详细勘查,可以以照片、录像或与当事人签定爆破前房屋、设备状态鉴定书,以便在爆破后进行对比参照,防止产生纠纷。并根据所得资料制定爆破方法或施工组织设计。 根据施工方案或施工组织设计准备钻孔机具和爆破器材,对风、水、电供应检查和落实保证钻孔和爆破作业的需要。 2.2具体施工方案 ⑴浅孔薄层剥离及小台阶法控制爆破施工 该施工方法适用于线间距为4~6m,爆破厚度在2m以内的石质路堑剥离和爆区平台的清平,主要是利用小装药量、小抵抗线和小炮眼间距进行剥离控制爆破,力求岩石原地龟裂松动,避免石块的扬弃。具体爆破参数见表所示。浅孔薄层剥离控爆法和小台阶控爆法具体见图所示。 浅孔薄层剥离控制爆破参数表 爆破方法 爆 破 参 数 位置 w a b L K Kb Ky 薄层剥离法 H≥6m 0.3 0.5 单排 1.2 0.15 0.10 H<6m 0.4 0.6 单排 1.5 0.15 0.10 小台阶法控制爆破参数表 爆破方法 爆 破 参 数 位置 w a b L K Kb Ky 小台阶法 H≥6m 0.4 0.6 0.4 1.2 0.15 0.10 0.40 H<6m 0.5 0.7 0.5 1.2 0.15 0.10 0.40 注:H—爆破位置与轨面标高之差,m。 w—最小抵抗线,m。 a—炮孔间距,m。 b—炮孔排距,m。 L—炮孔深度,m。 K—单位用药量,kg/m3。 Kb—最靠近线路的炮孔单位用药量,kg/m3。 小台阶法施工示意图 ⑵预留隔墙纵向拉槽法控制爆破施工 预留隔墙纵向拉槽法控制爆破施工即在石方开挖区和既有线之间预留1.5~2m宽的纵向保护隔墙,先采用控制爆破技术开挖隔墙与设计边坡间的石方(同拉槽爆破),隔墙高度达到2~3m时,再将保护间墙爆除(采用龟裂爆破),如此自上而下逐层形成台阶的控制爆破的方法。隔墙随台阶的推进及时予以爆除,该施工方法适用于线间距为6~12m,爆破厚度大于4m的石质路堑开挖。具体爆破参数如表所示。预留隔墙纵向拉槽法控制爆破法具体见图。 隔墙纵向拉槽法 控制爆破参数表 爆破方法 爆 破 参 数 位置 w a b L K Kb Ky 预留隔墙纵向拉槽法 H≥6m 0.4 0.6 0.4 1.2 0.20 0.40 H<6m 0.5 0.7 0.5 1.2 0.25 0.40 纵向隔墙的龟裂爆破 H≥6m 0.3 0.5 0.3 1.2 0.15 0.10 H<6m 0.4 0.6 0.4 1.5 0.15 0.10 隔墙拉槽施工 ⑶全路堑纵向拉槽法控制爆破施工 全路堑纵向拉槽法控制爆破施工适用于双绕地段与既有线线间距大于12m的石质路堑开挖施工,边坡采用预裂爆破,路堑部分根据开挖深度不同采用分层开挖,横向布孔,深孔松动爆破施工。 ⑷钻爆作业 钻孔作业平台修建 I、平台修建一般原则: a、 根据设计台阶由上而下修建,上层平台爆破为下层平台创造条件; b、开挖数量少,辅助工作少,便于和施工便道连接; c、有足够宽度,钻机能方便移动保证按设计钻孔角度和方向钻孔; d、 保证钻孔安全。 II、平台技术标准 a、平台宽度:自行式钻机6~8米; 三 角 式0.5~2米; b、平整度:在困难条件下不大于0.5米; 平台开挖允许有突石块,高低不平用土填平或垫木块保证钻机前后高差不得大于0.2米。 钻孔作业 I、 布孔和对位 a、 布孔由专门技术人员根据现场布设桩位,并将孔位、钻孔深度、角度和方向进行书面交底。 b、 对位按先难后易、先边后中、先前后后的顺序避免钻孔挤坏;对位要求必须按桩位,钻孔困难地段对孔误差不超过0.2米,钻孔对正位置保证准确,保证钻机作业平稳。 II、钻进作业 a、钻机司机要掌握操作要领,熟悉土层、岩层性质; b、钻孔基本要求:孔口要完整、孔壁要光滑、保证顺利排碴; c、 基本钻孔方法:软岩慢打、硬岩快打;黄泥土质钻孔易产生粘孔现象,可采用贯泥加水拌合适中放入孔中,慢速旋转钻具。 III、 炮孔检查 a、 孔位是否符合设计要求; b、 孔深够不够,浅孔用炮棍检查,深孔用重锤测尺检查。发现有卡孔时,浅孔可用炮棍清理,深孔用重锤反复冲击障碍物清理炮孔,无效时可用钻机清孔或重新打孔。超深的孔应回填到位,浅孔应用风、水吹到设计孔深,吹不到设计孔深的应用钻机加深或重新钻孔,对倾斜孔还应检查倾斜度是否符合设计要求; c、 对水孔应将孔内积水排净,排不净时,必须用抗水炸药。 d、 发现有不合设计要求者,应采取补孔、重新设计装药结构等办法进行补救。 制作起爆药包 起爆药包是用来引爆感度较低的其他炸药或爆破剂的一个具有雷管感度的炸药单元,其必须: I、 由有雷管感度的炸药构成; II、 装有起爆雷管。起爆药包要求在施工附近的安全地点加工,避免运输装了雷管的起爆药包的危险性,雷管应当正确地安设在药包之中,聚能穴朝向起爆药包。 III、 能很好地起爆低感度炸药,要求有足够的起爆威力,有足够的直径和长度,对铵油炸药一般要求起爆药包直径应接近炮孔直径,长度应大于炮孔直径,最好不小于直径的2倍。起爆药包的位置要放在炮孔底部,这样即使在装药过程中产生中断,也能保证底部装药全部起爆,起爆药包不要硬塞进炮孔或扔进炮孔内,以免雷管位置变动影响起爆。 装药 I、 装药原则 严格计算装药量,对于钻孔松动控制爆破,在环境复杂的条件下,要求不产生飞石现象,每个炮孔的装药量应按接近内部作用药包计算,达到爆破的岩石松动而不飞散、开裂而不滑塌。严格按设计装药,严禁多装药。 II、 装药方法 a、炮棍装药:炮棍一般用木棍、竹竿或塑料制作,不许用铁棍,直径比炮孔小10~20毫米,以便给出孔线(电线、导火索、导爆索)留有空隙。在装药过程中要获得良好的装填质量,一次只能压装一个药卷,若一次装多个药卷,装药空隙就会大,装药质量变差,不允许直接捣固起爆药包。 b、炮锤装药:炮锤用木筒或竹筒、铜筒灌铅制成,筒上有钩或环以便栓住绳子,绳上有刻度以便于量孔深,监测药卷是否装到位置。这种炮锤用来装大中孔药卷,每个药卷都应用炮锤压; 堵塞 当炮孔有水时,必须把水清除干净,才能进行回填堵塞,否则成为饱和土起不到堵塞作用极容易出现“冲炮”,产生的飞石过远。炮孔回填堵塞必须有足够的长度,为了抑制飞石的出现,最好堵塞长度L大于等于W(B)“实际抵抗线(排距)”,但L长度不得小于0.7W(B),回填堵塞介质应是含有一定水分的土(严禁采用石块堵塞),含水量多少是以手攥成团、手握松散为标准。回填堵塞时要边回填、边用炮棍捣固,绝不能把土回填到炮孔口处再捣固降低回填堵塞质量 起爆网路 起爆网路设计:为了确保路堑边坡的稳定和附近民房、设备等的安全,放炮时必须考虑爆破振动的影响,切忌“万炮齐鸣”。“万炮齐鸣”有三害:一是爆破的破碎度不好,二是爆破振动大,三是飞石多、距离远。因此,在多个炮孔一次起爆时、要做到各个炮孔或每组炮孔起爆都要有一定的时间间隔,其间隔时间应使各炮孔爆破振动不叠加。根据以往经验,在爆破振动安全允许的条件下,每个药包或每组药包进行微差起爆时,应以跳段安排起爆顺序,它比顺段更能控制飞石。 起爆网路的施工:严格按设计网路安装。关键爆破必须进行起爆网路试爆,试验场地选择安全平坦的地方。检查网路的起爆性能,避免出现盲爆。 爆破 I、既有线爆破必须征得铁路运营的同意,并办理要点、销点手续,并派驻站值班员。同时派专业人员在爆破现场防护。 II、严格按技术交底要求,进行起炮网络施工。关键爆破必须进行起炮网络试爆,试爆场地选在安全平坦的地方,以检查网络的起爆性能。 III、用非电毫秒雷管起爆,严禁用火雷管起爆。有无线电波干扰地段严禁用电雷管起爆。 IV、爆破指挥人员要在确认周围的安全警戒工作完成后方可发出起爆命令,并严格执行预报、警戒和解除三种统一信号,由爆破指挥人员统一发出,防护、警戒人员按规定信号执行任务,不得擅离职守。 V、要指定专人核对装炮、点炮、响炮数量,或检查电爆网路、敷设起炮主线。起炮后确认炮数响完,并由爆破作业人员检查结束后,方可发出解除信号,撤除防护人员。如不能确认炮数响完,须待最后一炮响过15分钟后进行检查,确认安全,方可解除警戒。如发生瞎炮要设立防护标志,禁止在其附近作业,未经处理不得拆除防护标志。 ⑸爆破事故处理措施 盲炮处理 发现有盲炮或怀疑有盲炮,应立即报告并及时派有经验的当班爆破员处理;处理盲炮时无关人员不准在场,在危险区边界设警戒并严禁进行其他作业;禁止拉出或掏出起爆药包;电力起爆发生盲炮时,须立即切断电源,及时将爆破网路短路;盲炮处理后,应仔细检查爆堆,将残余的爆破器材收集起来并采取相应的预防措施;盲炮应在当班处理,当班未处理完的应将盲炮情况在现场交接清楚由下一班继续处理。 处理浅眼爆破的盲炮方法 I、 检查炮孔的起爆线路完好时,可重新起爆; II、打平行眼装药爆破。平行眼距盲炮孔口不得小于0.3米,对于浅眼药壶法,平行眼距盲炮药壶边缘不得小于0.5米,为确定平行炮眼的方向允许从盲炮孔口起取出长度不超过20厘米的填塞物; III、 用木制、竹制或其它不发生火星的材料制成的工具,轻轻地将炮眼内大部分填塞物掏出,用聚能药包诱爆。7.1.1.4 在安全距离外用远距离操纵的风水喷管吹出盲炮填塞物及炸药,但必须采取措施回收雷管。 处理深孔爆破的盲炮方法 I、爆破网路未受到破坏,且最小抵抗线无变化者,可重新联系起爆;最小抵抗线有变化者,应验算安全距离,并加大警戒范围后,在联线起爆; II、在距离盲炮孔口不小于10倍炮孔直径处另打平行孔装药起爆。爆破参数,由爆破工作领导人确定; III、所用炸药为非抗水硝铵类炸药,且孔壁完好者、可取出部分填塞物,向孔内灌水,使之失效,然后作进一步处理; 三、既有线施工防护措施 既有线扩堑石方开挖薄层剥离法、小台阶法、预留隔墙纵向拉槽法爆破施工采用钢管排架防护和爆体覆盖方法相结合的防护措施。 沿既有线边坡每隔0.8~1m垂直架立φ50,壁厚5mm,长6m的钢管(立杆)。水平方向每隔1~1.2m布设φ50,壁厚5mm,长6m的钢管(大横杆)。 立杆与立杆之间用套管联接,在套管两端的立杆上用扣件固定套管。立杆与大横杆之间用直角扣件联接,并将φ25mm长2~2.5m的砂浆锚杆固定于岩壁上,网格节点旁布置一根,锚杆孔梅花型布设,间距1.6~2m,锚杆与钢管通过锚杆钩联接,在锚杆上用铁丝绑一根短杆,短杆两端分别紧靠坡面与立杆。 钢管架设到既有坡顶线之上2~3m,并用φ16mm的钢丝绳穿过钢管拉到路堑顶20m以外的地锚上,在排架顶布置坡面撑杆并顶在坡面上,用铁丝与地锚相接。每4~5根立杆设置一剪刀撑(采用φ50,壁厚5mm,长4~9m钢管),与地面夹角为50°~65°,剪刀撑应沿架高连续布置。剪刀撑的斜杆两端用旋转扣件与排架的立杆或大横杆扣紧,在斜杆上增加2~4个扣结点或增加2~4根结杆。排架与岩面应保留一定的空间,一般两者之间的距离大于20cm即可。 在立杆必要的地方设置长2~4m的φ48钢管,壁厚3.5mm(小横杆)。在坡底用φ10的钢筋布置3m高的30cm×30cm 的钢筋网且紧密布设竹夹板(或铁丝网+草帘),或固定在钢管上,坡底锚杆上紧密布置一层断面为20cm×20cm左右的方木,并用稻草等背材铺在方木上,密实填塞0.5m左右。 爆区坡顶线上下分别布设2~3m、4~6m高的30cm×30cm钢筋网+铁丝网+草帘,并用8#铁线与φ50,壁厚5mm,长6m钢管绑牢。爆区附近既有坡面2~4层的锚杆上紧密布置一层断面为20cm×20cm左右的方木,并用稻草等背材铺在方木上且密实填塞坡面与排架间的全部空间,并随爆区的移动而变动。 为确保爆破安全,根据工程特点,采取多循环、小规模、小孔距的浅孔松动控制爆破方案,其特点是“设浅眼、密打眼、少装药、强覆盖、间隔微差”,逐排逐层地爆破剥离。对不同的爆破部位,先取不同的爆破参数(w、a、b、l、k)和装药结构,将爆破结构、爆破破碎分为裂、松、散三个标准,对不同位置的炮孔的爆破参数应按其爆破破碎标准试爆调整。尽量做到“宁裂勿散、宁松勿散、宁散勿飞”。 爆破施工作业时各工点设两名专职防护员,并随时与车站保持联络,利用行车天窗时间爆破,发现问题及时汇报处理。 四、既有线石方控制爆破施工安全及防护措施 爆破施工前,对施工生产中的各项操作实行岗前培训、持证上岗,每次爆破前对工人进行安全教育,把主观因素引起的危险控制在最低。此外,在爆破工程中客观产生的爆破飞石、爆破震动、爆破冲击波、爆破噪音、有毒气体五大公害,我们应采取适当的防护措施来控制。 (一)、爆破组织机构及规章制度 1、组织机构: 组 长:xxx(13xxxxxxxxx) 副组长:xxx(13xxxxxxxxx) xxx(13xxxxxxxxx)xxx(13xxxxxxxxx) xxx(13xxxxxxxxx) 安全负责:xxx(13xxxxxxxxx) 技术负责:xxx(13xxxxxxxxx) xxx(13xxxxxxxxx)xxx(13xxxxxxxxx) xxx(13xxxxxxxxx)xxx(13xxxxxxxxx) 应急物资负责:xxxx(13xxxxxxxxx) 应急协调:xxx(13xxxxxxxxx) 防护员:xxx、xxx、xxx、xxx 驻站联络员:xxx、xxx 施工作业人员:80人 2、规章制度 ①、制定具体的施工方案和施工方法,明确安全负责人和各种安全防护措施,并对施工人员进行培训,使安全生产、行车安全真正落实到人。 ②、清点放炮制 必须按调度命令进行施爆,杜绝不清点施爆,追尾施爆,以确保行车安全。 ③、岗位责任制 成立钻眼组、爆破组、防护组、危石清理组。防护人员、驻站联络员、电话员、爆破员均按照各自的职责监守工作岗位。 ④、火工品管理制 严格实行火工品领料、退料制度。火工品库房由正式员工看守,坚决杜绝帐物不符和火工品的丢失。 ⑤、签订施工安全责任状制 所有参加施工的人员签订“施工安全责任状”。 ⑥、签订协议制 在控爆开工前除联合调查外,与车务、工务、电务等有关单位签订安全协议书。 (二)、安全措施 1、开工前的准备 ①、对驻站联络员、工地防护员、工地电话员、爆破员、通讯工 选派正式职工并进行培训,考试合格后方可上岗。 ②、除安装电话外,另配6台对讲机,以做到通讯畅通。 ③、配齐行车信号及防护用品。 ④、对爆破地段的通讯、信号、电力设施在施爆前进行迁移。 ⑤、与xxx签定安全协议。 ⑥、检查爆破点200米范围内的线路周边情况,查看有没有危险石,路堑是否存在坍塌的可能性。发现危险情况及时处理。 ⑦、检查周围离爆破点200米范围半径内的房屋(墙、玻璃等)的完好状态,并做好记录。 2、施工过程的安全措施 (1)既有线上施工必须贯彻执行铁道部现行《xx技术管理规程》、《xx工务安全规则》、《xx线路维修规则》、《xx工程施工安全技术规程》和既有线上施工安全的有关规定。 (2)既有线上施工必须根据铁路机车车辆限界和建筑接近限界,制定施工临时行车限界。施工临时行车限界限不得小于机车车辆限界每边各加150mm(曲线上按规定加宽)。施工中搭设脚手架、堆放工程材料或机具设备等,严禁侵入临时行车限界。 (3)施工单位应与设备管理单位和行车组织单位分别签订施工安全协议,明确双方的安全责任和义务,及时协调施工与运营的关系,解决行车与施工中的安全问题。 (4)既有线技改施工,涉及到设备管理部门的施工项目,设备管理部门应协助施工单位核查既有设备。施工前双方应对地下管、线、电缆设施的位置等予以确认,划定防护范围,经设备管理部门同意后方可施工。 (5)既有线施工中,施工单位和设备管理单位应经常监视与保持线路、桥涵、隧道、房屋、通信、信号等建筑物和设备处于完好状态,发现异常必须立即停工处理。施工地段既有线设备发生损坏时,施工单位应及时组织抢修,设备管理单位应配合,尽快恢复正常使用。 (6)既有线施工项目开工前应申报审批,未经审批严禁施工。 (7)既有线在封锁区间或限速运行条件下施工时,应按运输部门的规定,办理封锁区间或限速的申请。 (8)既有线封锁施工前的准备作业必须按施工放行列车条件的要求进行,其他施工不得影响列车运行。 (9)封锁施工达到放行列车条件时,应按规定办理销点手续。 (10)既有线施工完毕,必须及时验收交接,未经验收合格的工程严禁开通使用。 (11)既有线上施工应按《铁路技术管理规程》和《铁路工务安全规则》设置施工安全防护,并应符合下列规定: a、施工单位应派驻站联络员与车站进行联系,驻站联络员车站应及时准确将施工命令及时运行情况通知工地防护员及施工负责人; b、驻站联络员向工地防护员发出预报、确报或变更通知时必须进行复诵; c、当发出停工命令时,施工人员应立即撤除妨碍行车的一切障碍,按规定整修好线路,迅速下道避让; d、防护人员应由指定的、经培训考试合格的员工担任。 (12)施工单位必须根据工程数量、施工环境、爆破规模制定爆破方案和安全防护措施、封锁时间等,报运输部门审批。爆破前需有爆破段具体的施工组织设计,其中爆破参数必须是已经过试爆修订过的。当施工既有线附近的控爆作业时,应与工务、电力、通信、信号、车站等单位取得联系,签定安全协议,施工中严格按照“要点”“销点”的程序进行。 (13)爆破前应设好施工防护,驻站联络员在每次爆破前2h应向车站提出“申请施工爆破表”。 (14)驻站联络员在接到现场准备就绪的报告后,向车站值班员提出请求爆破时间。当接到封锁命令后,双方进行签认,必须按调度命令进行施爆,严禁不请点施爆、追尾施爆。 (15)施工负责人接到驻站联络员的封锁命令后,立即指令现场防护员进行线路封锁并在施工区间按双线区间路基安全防护要求设置安全防护(如下图)。 (16)现场施工负责人接到封锁命令后立即通知爆破点200m以外警戒,并对既有线的钢轨、轨枕进行防护(详见防护图),同时复测起爆线路的畅通。 (17)炮响后爆破人员应按规定对炮区进行全面检查,发现问题及时处理。 (18)爆破前线路应设防护,爆破后应迅速清理轨道上及建筑限界以内的土、石、抢通线路。道床上的泥碴不得超过轨面:道心内侧轮缘槽宽度不应小于100mm,深度不应小于60mm,留在线路上的泥碴在每班下班前必须清除干净。 (19)采用控制爆破,其炮眼的距离、深度、装药量、一次爆破量,应在开爆前计算确定。 (20)运行繁忙的既有线不宜使用导火索起爆。电气化铁路严禁电雷管起爆。 (21)严禁在列车通过前先将炸药装好等待起爆。 (22)受爆破影响的既有设备,必须在开工前迁移或做好防护,并对爆破后弃碴有可能覆盖线路的地段妥加保护。 (23)所有参与爆破作业人员都必须经过培训,考试合格并持有合格证。 (24)爆破用品使用前根据规定要求进行质量检验,每炮使用的引线长度,应根据燃烧速度决定,燃烧速度应分批进行试验,引线与雷管的联接应根据当时所需数量在加工房或指定地点进行,联结时必须使用雷管钳,严禁用牙咬。 (25)雷管必须经过检查试爆。 (26)起爆药包必须在装药时制作,严禁事先作好放在一边,制作时,严禁直接用雷管插入起爆药包,必须用与雷管直径相同的木条或竹钎先在药包一端插一个深为1.5倍雷管长度的小孔,然后放入接好引线的雷管,封闭孔口。 (27)药包量必须经过计算,线孔小炮必须采用松动爆破,不得采用抛掷爆破,采用裸体爆破必须经爆破总指挥的许可,严禁任意施放。 (28)装药工作必须由总指挥指定有爆破操作合格证的爆破式执行,装炮区内,严禁吸烟点火,非装炮人员在装炮开始前,必须撤出装炮地点,装炮完毕必须检查并记录装炮个数,地点,以便起爆后核对有无瞎炮,并进行处理。 (29)进行爆破器材加工和爆破作业的人员,严禁穿磨擦产生静电的化纤衣服。 (30)严禁使用金属器皿装药,装起爆药包时必须用木,竹棍轻轻送入,不得冲击,不得挤压导火索,严寒地区严禁使用胶质炸药。 (31)爆破材料的领取,应由装炮负责人按一次需要填写领药凭证到库提取,炸药和雷管严禁由一人同时搬运,搬炸药与拿雷管的人员同行时,两人之间的距离不得小于50m,爆破材料应直接送达工地,存放在指定地点随用随取,领到爆破器材后,应直接送到爆破地点,严禁乱丢乱放,放炮后的剩余材料应经专人检查核对后及时交送到库。严禁随地存放或带回宿舍。 (32)起爆工作应在值班干部监督和统一指挥下进行,行动一致,并与领队密切联系,不应在夜间爆破,如必需在夜间爆破时,应采取可靠安全措施。 (33)在起爆前,警戒区四周必须派设警戒人员,警戒人员必须手持红旗和喊话筒(或口笛)以便显示标志和传达信号。 (34)若无盲炮,以最后一响算起,经5min后才准进入爆破地点检查,若不能确认有无盲炮应经15min后才能允许进入爆区检查。 (35)瞎眼应由原装药人当场处理,如遇特殊情况,经施工负责人(爆破总指挥)准许后,可在下次放炮或休息时处理,瞎炮地点应设明显标志,其周围5m内,严禁人员机械通过,残眼应作瞎炮处理。 (36)应急措施。 a、现场配齐安全抢险物资(挖掘机1台、自卸汽车5台、应急备用小车1辆,并备有液压起道机、钢轨、道渣物资),以备急用。随时与附近工区保持联系,并配50人的抢险小组,以便于处理险情。 b、施工过程中施工区段两侧设防护人员,监控施工全过程,以应对突发事件。当事故危急行车安全时,可拦停列车。 c、万一出现事故,不管责任归属,应当立即与相关部门取得联系(分述如下),所有应急人力、物力必须无条件的服从总体安排,全力以赴投入事故处理,不得拖延或相互推脱。事故处理完毕,按照程序及时进行事故原因调查和做出事故报告。 d、影响行车安全事故应急处理。事故出现首先反馈到现场指挥,现场指挥通知驻站联络员与车站运转沟通,确定影响的程度并根据影响程度请求应急协助。同时现场应急人员应立即投入抢修,恢复行车,把事故影响降低到最低限度。应急联系部门:车站技术科。 e、路基和线路设备损坏影响行车。及时与工务段现场配合人员和工务段路桥科取得联系,及时组织人员配合抢修。联系人:xxx,电话: f、通信设备损坏事故。 联系部门: ; 联 系 人:xxxx,联系电话: xxxx:联系电话: g、信号设备损坏事故。 联系部门: 联 系 人:xxx,联系电话: xxx,联系电话: h、房屋损坏事故:由地亩拆迁人员负责。 联 系 人: ,联系电话: 19
展开阅读全文

开通  VIP会员、SVIP会员  优惠大
下载10份以上建议开通VIP会员
下载20份以上建议开通SVIP会员


开通VIP      成为共赢上传

当前位置:首页 > 品牌综合 > 施工方案/组织设计

移动网页_全站_页脚广告1

关于我们      便捷服务       自信AI       AI导航        抽奖活动

©2010-2025 宁波自信网络信息技术有限公司  版权所有

客服电话:0574-28810668  投诉电话:18658249818

gongan.png浙公网安备33021202000488号   

icp.png浙ICP备2021020529号-1  |  浙B2-20240490  

关注我们 :微信公众号    抖音    微博    LOFTER 

客服