收藏 分销(赏)

钢芯铝绞线、架空绝缘线载流量表.doc

上传人:a199****6536 文档编号:10974061 上传时间:2025-06-24 格式:DOC 页数:35 大小:497KB 下载积分:12 金币
下载 相关 举报
钢芯铝绞线、架空绝缘线载流量表.doc_第1页
第1页 / 共35页
钢芯铝绞线、架空绝缘线载流量表.doc_第2页
第2页 / 共35页


点击查看更多>>
资源描述
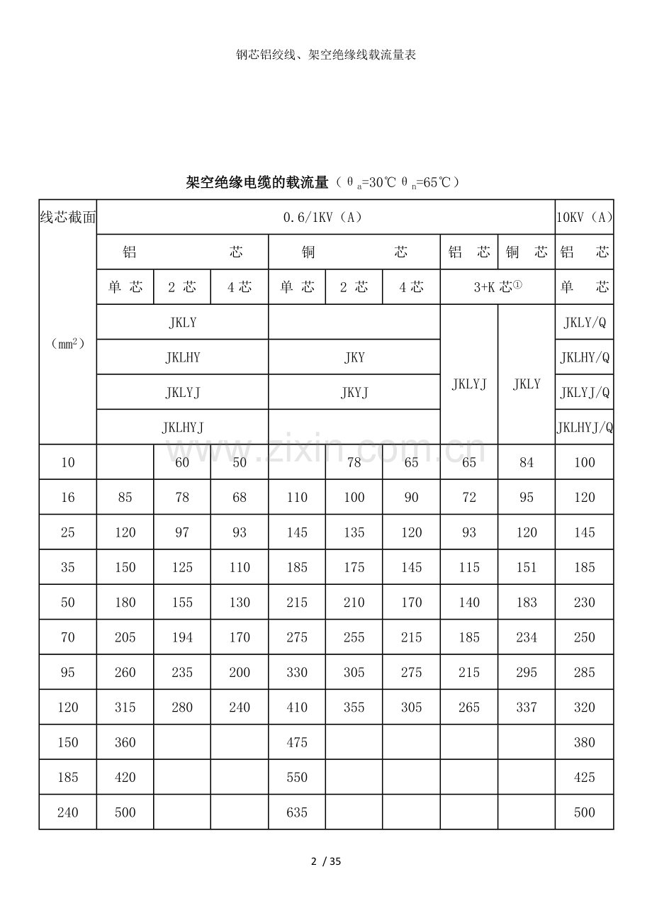
钢芯铝绞线、架空绝缘线载流量表 LGJ钢芯铝绞线持续载流量 标称截面(mm 2) 载流量(A) 导体工作温度(°C) 70 80 90 10 66 78 87 16 85 100 115 25 110 130 150 35 135 160 180 50 160 190 220 70 195 230 265 95 230 270 300 120 260 300 335 150 325 395 455 185 370 460 530 240 440 545 635 架空绝缘电缆的载流量(θa=30℃θn=65℃) 线芯截面 (mm2) 0.6/1KV(A) 10KV(A) 铝       芯 铜      芯 铝 芯 铜 芯 铝  芯 单 芯 2 芯 4芯 单 芯 2 芯 4芯 3+K芯① 单  芯 JKLY JKLYJ JKLY JKLY/Q JKLHY JKY JKLHY/Q JKLYJ JKYJ JKLYJ/Q JKLHYJ JKLHYJ/Q 10 60 50 78 65 65 84 100 16 85 78 68 110 100 90 72 95 120 25 120 97 93 145 135 120 93 120 145 35 150 125 110 185 175 145 115 151 185 50 180 155 130 215 210 170 140 183 230 70 205 194 170 275 255 215 185 234 250 95 260 235 200 330 305 275 215 295 285 120 315 280 240 410 355 305 265 337 320 150 360 475 380 185 420 550 425 240 500 635 500 300 565    注   JKLY型电缆载流量系计算数据供参考,其余数据摘自四川电缆厂资料。    ①   K为第4芯,截面可从10—120mm2任选,表中载流量数据系与相线等截面。 35 / 35
展开阅读全文

开通  VIP会员、SVIP会员  优惠大
下载10份以上建议开通VIP会员
下载20份以上建议开通SVIP会员


开通VIP      成为共赢上传

当前位置:首页 > 包罗万象 > 大杂烩

移动网页_全站_页脚广告1

关于我们      便捷服务       自信AI       AI导航        抽奖活动

©2010-2026 宁波自信网络信息技术有限公司  版权所有

客服电话:0574-28810668  投诉电话:18658249818

gongan.png浙公网安备33021202000488号   

icp.png浙ICP备2021020529号-1  |  浙B2-20240490  

关注我们 :微信公众号    抖音    微博    LOFTER 

客服