收藏 分销(赏)

年产1500吨棉纱项目可行性研究报告.doc

上传人:w****g 文档编号:10953174 上传时间:2025-06-23 格式:DOC 页数:26 大小:1.77MB 下载积分:10 金币
下载 相关 举报
年产1500吨棉纱项目可行性研究报告.doc_第1页
第1页 / 共26页
年产1500吨棉纱项目可行性研究报告.doc_第2页
第2页 / 共26页


点击查看更多>>
资源描述
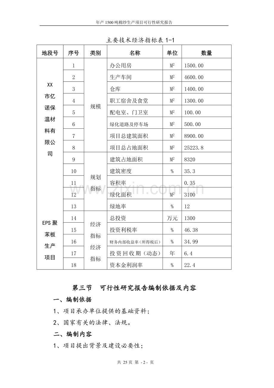
年产1500吨棉纱生产项目可行性研究报告 第一章 总论 第一节 项目名称及承办单位 一、项目名称 1500吨/年棉纱生产项目 二、项目承办单位 项目承办单位:XX市XX纺织有限责任公司 法定代表人: 三、项目建设地点 四、可行性研究报告编制单位 五、项目承办单位简介 XX市XX纺织有限责任公司是XX市纺织行业的新兴企业,专业从事气流纺纱的生产和销售,具有丰富的经营、生产、技术、工艺及文化等经验。公司产品质量稳定、健康环保、深受广大消费者好评。公司规划在未来五年内成为山东省驰名商标、山东名牌企业。 第二节 项目概要及主要技术经济指标 一、项目概要 XX市XX纺织有限责任公司1500吨/年棉纱生产项目由XX市XX纺织有限责任公司投资开发建设。本项目位于XX市河口区滨孤路以北,河埕路以西,项目总投资1300万元,规划总占地面积25223.8平方米,总建筑面积8900.00平方米。其中:办公用房建筑面积1500.00平方米,生产车间建筑面积4600.00平方米,仓库建筑面积1400.00平方米,职工宿舍及食堂1300.00平方米,配电室、门卫房建筑面积100.00平方米,另建有绿化道路及停车场1200.00平方米。所需建设资金全部通过自筹方式解决。本项目的建设计划一年内完成。 二、主要技术经济指标(如表1-1所示) 主要技术经济指标表1-1 地段号 序号 类别 名称 单位 数量 XX 市亿 诺保 温材 料有 限公 司 EPS聚 苯板 生产 项目 1 规模 办公用房 M2 1500.00 2 生产车间 M2 4600.00 3 仓库 M2 1400.00 4 职工宿舍及食堂 M2 1300.00 5 配电室、门卫室 M2 100.00 6 绿化道路及停车场 M2 500.00 7 项目总建筑面积 M2 8900.00 8 项目总占地面积 M2 25223.8 9 规划 指标 建筑占地面积 M2 8320 10 建筑密度 % 35.3 11 容积率 0.35 12 绿化面积 M2 3100 13 绿地率 % 12 14 经济 指标 经济 指标 总投资 万元 1300 15 投资利税率 % 46.38 16 财务内部收益率(所得税后) % 34.99 17 投资回收期(动态) 年 6.4 18 资本金利润率 % 22.4 第三节 可行性研究报告编制依据及内容 一、编制依据 1、项目承办单位提供的基础资料; 2、国家有关的法律、法规。 二、编制内容 1、项目提出背景及建设必要性; 2、市场预测; 3、产品方案与生产规模; 4、工艺技术、设备、工程建设方案; 5、原材料供应; 6、建厂条件和厂址选择; 7、土地利用规划; 8、组织管理与劳动定员; 9、环境保护与节能; 10、劳动保护与消防措施; 11、项目实施计划; 12、投资估算与资金筹措; 13、财务评价。 第四节 项目提出的背景及建设的必要性 进入二十世纪以来,在我国加入WTO约有利时机下,我国纺织工业取得了高速稳定的发展,2002年我国棉纺织工业生产的棉及棉混纺纱、布同比增长了11.84%和11.03%。中央适时提出我国中西部大开发战略,为西部新疆的经济注入了新的活力,国家深化 棉花流通体制的改革,实行“一放二分三加强”,积极推进棉花企业产业化经营,打破地区、行业、部门界限,以市场为导向,通过改组、联合、兼并等形式,鼓励建设棉花生产、收购、加工、贸易一体化的企业集团。 棉纺织工业是加入世贸组织后能充分发挥我国比较优势、尽快提高综合竞争力的产业之一,其在纺织工业中的基础性地位将进一步加强。依照目前的发展状况,预计2009年纺织工业总产量将由2008年的10195亿元提高到12500亿元左右,年均增长7%---8%,其中棉纺织工业占到1左右;纺织纤维加工总量将达到1700万吨左右,其中棉纺织品达到1000万吨以上;纺织品服装出口创汇将达到750亿美元左右,其中棉织品将占35%--400%;主要产品纱的产量预计为950万吨。 综上所述,我国棉纺织市场将面临国内生产能力迅速扩大的重大压力,其竞争将会更加激烈。 第五节 可行性研究简要结论 本项目拟建年产1500吨棉纱的工艺生产线。 一、项目选址 本项目拟在XX市河口区滨孤路以北,河埕路以西实施。 二、生产规模 本项目拟建设的生产规模为年产1500吨棉纱工艺生产线。 三、项目实施进度 项目建设期计划为一年,自2008年10月至2009年4月底。 四、投资估算 经估算,本项目总投资估算为1300万元。 五、资金筹措 项目总投资1300万元,全部由项目承办单位提供项目资本金。 第六节 问题及建议 一、本项目的核心设备是年产1500吨棉纱工艺设备,该设备的运转状况直接影响到产品质量是否达到标准要求。建议尽早对国内该工艺设备进行调研。 二、建议该项目建成后,加强市场的开发和营销工作,提高营销人员的素质,确保市场占有率。 第二章 市场预测 一、国际市场 据统计,2007年国家从巴基斯坦、印度等国家进口纯棉纱61.38万吨,且多是精梳纱。目前进口精梳砂量占国内精梳纱生产量的25%,因此从市场发展趋势分析,扩大气流纱产能仍有很大空间。目前国内生产的精梳砂有16%是出口,主要是日本、韩国、中国香港等地,多数转口后又到国内工厂使用,其中40%的产品是精梳股线用以制作高档针织与机织面料。国内销售的精梳产品50%以上销往广东、青岛、大连、无锡、宁波。股线需求量约占总量的60%以上,其次是18.5—14..STEX[325----405]占精梳砂总量的60%以上其次是11.7----9.7TEX[505—605]约占总量的15%以上,主要用作高档针织T恤和色织衬衣面料,中支的289---22.5TEX[205---265]精梳砂约占总量的10%,主要是欧美、日本市场的针织T恤衫,7.3TEX[805]以上精梳砂是精梳砂精梳高档特色产品,需要用100%长绒棉生产才能保证成纱强力等指标,目前生产所占比例还较少,随着产品档次的不断提升,生产比例将会进一步提高。 二、国内市场的需求 据中国纺织工业协会的报告,我国2008年纺织工业整体经济运行情况大好与2007年,实现利润同比增长60.58%。 1、2008年棉混纺纱、布累计生产1050万吨和455亿米同比增长11.84%和11.03%,增长原因是(1)、国内外市场需求增长,其中中国内销量纱占了95.44%,布占88%。(2)、产品质量提高。对市场的适应能力增强,适应了国内外市场针织用纱和牛仔布用纱的发展趋势。(3)、棉花价格与国际市场接轨,增长了成本的竞争优势。 2、2008年我国棉纺织品及服装的进口贸易有较大增长,其中棉及混纱棉纺、布进出口贸易额75.58亿美元,贸易顺差15.85亿美元。其中纯棉纱出口量增幅14.98%,出口金额同比幅长17.74%。纯棉纱的出口量为38.84万吨,进口61.38万吨,净进口22.54万吨,与2007年相比棉纱净进口增长73.4%。广东省进口的棉纱金额占全国进口金额的91%。 由此可见,中国的产业政策和市场需求将使棉纺织市场前景广阔。 第三章 工艺技术、设备、工程建设方案 第一节 气流纺的工艺技术方案 气流纺的典型生产工艺流程。整个机组包括以下四部分:清棉、梳棉、并条和气流纺。 1、清棉:将原棉或各种短纤维加工成纱需经过一系列纺纱过程,开清棉工序是纺纱工艺过程的第一道工序。本工序的开清联合机完成下列任务: ①开松   将棉包中压紧的块状纤维开松成小棉块或小棉束。 ②除杂   去除原棉中50%~60%的杂质。 ③混和   将各种原料按配棉比例充分混和。 ④成卷   制成一定重量、一定长度且均匀的棉卷,供下道工序使用。当采用清梳联时,则输出棉流到梳棉工序各台梳棉机的储棉箱中。 2、梳棉:在整个纺纱过程中,梳棉是最重要的工序之一,梳棉工序往往被称作纺纱厂的“心脏”。梳棉工序的主要任务是: ① 梳理,将开清棉工序制成的棉卷或棉层中的棉束、棉块进行细致的梳理,使其大部分分离为单纤维状态; ② 除杂,开清棉工序只能去除原料中60%左右的杂质和疵点,所以,梳棉工序必须继续清除棉卷或棉层中残留的杂质和疵点,特别是细小的杂质和疵点; ③ 混和与均匀,开清棉工序对原棉仅具有初步的混和作用,而梳棉工序可使单纤维之间充分温和。 ④ 成长,为了便于下道工序继续加工,需制成符合一定规格和质量要求的均匀棉条,并有规律地圈放在棉条筒内。 3、并条:由于梳棉机制出的生条长片段线密度不匀率较大(约4%左右);纤维伸直度率,完全伸直的纤维只占25%左右,大部分纤维呈弯钩或卷曲状态;生条中还有一些纤维相互缠连。生条若直接用于纺纱,必须影响成纱质量。至于精梳维条,虽然纤维的伸直度较好,但是条干均匀度较差。因此它们都必须经过并机的进一步加工,将多根纤维条并合和牵伸成一根纤维条,以达到以下目的: ① 降低纤维条的长片段不匀率; ② 改善纤维的伸直平行度及分离度; 共 25页 第 - 26 - 页 二、建筑与结构设计 建筑造型注重细部处理,立面造型高低错落有致,虚实变化有序。 总体建筑造型端庄、大方、线条流畅、明朗、色彩和谐统一,所有建筑造型要素均与使用功能相结合,体现了新时代的建筑风格,烘托出浓郁的商业气氛。考虑与整体的自然环境相协调,同时也体现自身个性的一面,提高了整个厂区的形象档次。 三、供电 1、设计依据 1.《建筑电气设计技术规程》 2.《工业建筑电气设计手册》 3.《国家办公设计标准》 4.《山东省办公建筑设计标准》 2、本项目所需电源 由XX市河口区供电站负责提供,配套建设变配电设施后,能够满足项目需求。 1. 厂区用电由变电站及供变电专线接入,系统装置用电最大负荷为80KW,新建装置设备用电电压为380V和220V,电缆装置外部从架空管线支架引进,经厂区变电后采用单母线分段制。 2.线路布置。为了美化环境,本系统装置的供电采用低压配电屏放射式供电。 四、电讯 厂区设置外线电话5部,手机多部,具备传真等基本通讯设施即可,以满足生产和对外联系的需要。 五、工程建设规模 本项目项目总投资1300万元,规划总占地面积25223.8平方米,总建筑面积8900.00平方米。其中:办公用房建筑面积1500.00平方米,生产车间建筑面积4600.00平方米,仓库建筑面积1400.00平方米,职工宿舍及食堂1300.00平方米,配电室、门卫房建筑面积100.00平方米,另建有绿化道路及停车场1200.00平方米。 主要建、构筑物工程一览表 序号 名称 结构 层数 面积M2 备注 1 办公楼用房 砖混 1 1500.00 2 生产车间 彩钢 1 4600.00 3 仓库 砖混 1 1400.00 4 职工宿舍及食堂 砖混 1 1300.00 5 配电室、门卫房 砖混 1 100.00 小计 8900.00 第五章 建厂条件和厂址选择 一、厂址地理位置 XX市XX纺织有限责任公司1500吨/年棉纱生产项目,工厂厂区将建设在XX市河口区滨孤路以北,河埕路以西区内。河口区属黄河三角洲中心城市XX市市辖区,土地面积2600平方公里,辖四个农业乡镇,两个油区镇,一个办事处,178个行政村,23万人。河口区临河濒海,三面环水,东、北两面为大海环绕,南临黄河。具有宛延绵长的黄金海岸线,属我省拥有海岸线最长的县区之一,人均占有海岸线居全省之首。河口建区16年来,全区建起了完善的引、蓄、灌、排配套的水利工程体系,区内通车里程1235 公里,高速公路贯通南北,国家一类开放口岸XX港规模初具;拥有独立的电网系统;全区程控交换机容量达到2.5万门。区属企业、乡镇企业、个体私营经济发展迅猛,形成了以石油、石油化工、盐业、建筑建材、树脂化工、木器制造、水产加工、电子、纺织、交通运输为主体的多元化产业体系,拥有38大类1800多种工业品,年产值以30%的幅度递增。河口区始终把软环境建设作为招商引资的生命线来抓,按照“优惠、规范、高效、安全”的标准和创建高素质的人才环境、高效的服务环境、稳定的政策环境、公正的法制环境、舒适的生活环境的要求,努力为外商创造优良的投资环境。“一站式”服务大厅实行“一门受理、联合审批、一口收费、限时办结”的工作方式。郑重承诺:“只要你真诚来投资,一切手续交给我们来办”。外来投资者投诉中心全力保护企业的合法权益。禁止一切对外来投资企业乱检查、乱收费、乱罚款行为。是一块充满生机和活力的热土,是中国21世纪投资兴业的热点。 二、建厂条件 项目所在地XX市河口区滨孤路以北,河埕路以西,气候属与北半球温带季风气候。主要气象、地质资料如下: 1、气象条件 (1)气温 年平均气温: 13℃ 最高年平均气温: 13.6℃ 最低年气温: 11.9℃ 七月平均气温: 25.9℃ 一月平均气温:-3℃ 绝对最高气温: 42.8℃ 绝对最低气温: -25.1℃ (2)降雨量 年平均降雨量: 569.5mm 年最大降雨量: 1201mm 年最小降雨量: 298mm 日最大降雨量: 119.3mm (3)风向风速 主导风向: 东南风(SE),频率为8.9% 次主导风向: 西北风,频率为8.4% 年平均风速: 2.6m/s (4)最大冻土深度:470mm (5)工程地质状况 厂区位于山东省XX市河口区滨孤路以北,河埕路以西区内,区域地质属于第四纪地层及石炭纪,自上而下地层依次为杂填土、粉质粘土、中风化石灰岩,石灰岩层地场内均有分布且质地坚硬。 (6)地震 依据《中国地震动参数区分图(2002)》及《建筑抗震设计规范》(GB50011-2001),胜坨镇抗震设烈度为6度,设计基本地震加速度值为0.05g。 新建装置位于胜坨镇一类工业园区,根据场地周围有关工程勘察报告资料,该地域地层为第四系及奥陶系地层,地质构造分诉如下: 第一层 杂填土:厚度0.85~1.0m,杂黄~褐色,以粘性土为主。 第二层粉质粘土:厚度0.85~1.0m,褐黄色~红褐色,fak=160kpa. 第三层 粘土:厚度0.40~1.6m,棕红色,fak=180kpa. 第四层 泥灰岩:灰白色~肉红色,局部强风化,fak=200kpa. 厂区内的装置中无高大建筑及对地层形成重压的设备,以上地质状况基本可以满足生产装置布置的要求。 (7)水文 厂址周围空气清新,不靠近居民区,无自然环境保护区,相邻工厂区安全距离基本满足消防规范要求。环境优势明显,没有其他影响产品质量的污染源。 2、交通运输条件 河口区的交通运输条件优越。附近有黄河公路大桥及黄河浮桥变黄河天堑为通途,交通十分便利。由海港向北可直达东北三省;境内公路四通八达,东港高速、滨孤路、辛河路等干线公路横穿全境,与济青高速公路、建设中的环渤海高速公路相连,综合运输网络配套,水、电、讯设施完善,投资软环境优良,具备一流的开发和建设环境。 三、厂址选择 XX市XX纺织有限责任公司1500吨/年棉纱生产项目占地面积为25223.8㎡,厂区南面是连接河口与孤岛的主干道,东面和北面均尚留有可供扩张的空间(待开发的空地),厂区地理位置优越,交通运输方便,区位优势明显,有利于原材料及产品的运输。 第六章 节能 本项目拟采取以下节能措施: 1、所有设备、电器等选用符合国家规定要求的节能型设备、新型高效电器。 2、厂区、路灯具采用集中控制,以节约用电。 3、公共厕所采取节水措施,选用节水型卫生洁具,以节约用水。 4、采用新型节能的墙体材料,使用轻质、高强、保温性能好的节能新材料和保温门窗、复合墙体,加强屋面保温。 除上述措施外,厂区管理机构应加强管理,完善各种规章制度,按期对各类设备、管道、器具等进行检修,减少跑、冒、滴、漏现象,以减少不必要的浪费。 第七章 土地利用规划 1、本项目占地25223.8㎡。本项目拟建在XX市河口区滨孤路以北,河埕路以西,当地气候条件适宜,水、电、汽供应充足,交通运输方便,因此本项目的建设条件具备。 2、本项目位于XX市河口区,项目总占地面积25223.8平方米,占地类型为工业用地。 3、项目总投资1300万元,规划总占地面积25223.8平方米,总建筑面积8900.00平方米。其中:办公用房建筑面积1500.00平方米,生产车间建筑面积4600.00平方米,仓库建筑面积1400.00平方米,职工宿舍及食堂1300.00平方米,配电室、门卫房建筑面积100.00平方米,另建有绿化道路及停车场1200.00平方米。建筑占地面积8900.00平方米,建筑密度为35.3%,容积率为0.35,绿化率为12%。这些经济指标均满足XX市河口区控制性规划的要求,节约利用土地。 第八章 组织管理与劳动定员 一、工厂体制及组织结构 本公司为有限责任公司,实行由总经理领导下的项目经理负责制。 本项目工程将根据生产工艺流程,设置8个操作岗位,配备相应的操作技工,在设备维护上设立由生产部统一协调指挥的维修队伍为生产工艺正常运行保驾护航。 二、 生产班制及定员 本项目工程采用连续化生产,操作岗位人员按四班三运转配备,分析岗、维修人员按常白班配备,夜班值班管理人员按常白班配备,工厂总定员为40人。 三、人员来源 本项目所需定员40人,其中管理人员和技术人员为6人,财务人员4人,销售人员8人,现场操作人员22人。 人员来源: 1、选聘有管理经验和懂技术的专业人员; 2、招收和聘用大中专毕业生; 3、招收高中毕业生、技校生做现场操作人员。 四、员工培训 对于所选聘的操作工人,进厂前进行上岗技术培训及厂规、厂纪教育,经考试合格后择优上岗,关键技术人员进行专项培训,以保证产品质量和生产正常运行。 第九章 环境保护 本项目工程选址为XX市河口区滨孤路以北,河埕路以西区内,水、电、汽配备设施齐全,有干道从厂区南侧通过,给本公司的产品和原料的运输提供了十分便利的条件。工厂远离人口居民区,不会对居民的生活环境造成不良影响。 一、主要污染工序: (一)设计依据 大气污染物综合排放标准(GB16297-1996) (二)废气 本项目属于机械物理加工过程,无锅炉等类似设备,不会产生废气,确保符合《工业企业卫生设计标准》(TJ36-79)及《工业场所有害因素职业接触限制》(GB22-2002)中车间内标准的要求。 (三)生活污水 生活污水(折合为连续约为1.7 t/h)经化粪池截污后排入工厂生活污水管网,经污水处理场统一处理后由排水沟排出厂外。厂区内必须确保排污和地表水排水管路畅通,以确保厂区不会出现厂区内积水、内涝及洪水淹没的危险。 (四)环境噪声 该项目高噪声源设备主要来自于传动系统、吸风系统等。对污染源设备采用吸声降噪处理后,一般能降低噪声15-20dB(A),可采用的方法包括设置隔声装置并加减震垫、消音器等,并用吊顶、空间吸声体等。 项目运行后,在高噪声设备源强的降噪措施正常运转情况下,各厂界监测点噪声昼间小于65dB(A),夜间小于55 dB(A),均符合《工业企业厂界噪声标准》(GB12348-90)中III类标准。 (五)固体废弃物 本项目生产过程中无废渣排出,只有少量生活垃圾送市政垃圾堆放点统一处理。 (六)其他污染物 产品非常环保,不含三苯、游离甲醛等有害物质。 第十章 劳动保护与消防措施 第一节 劳动保护 一、劳动保护 每月对职工按时发放手套,防尘口罩等劳动保护用品;每年发放一套工作服、胶鞋等防护品;在高温作业现场配备隔热手套;工厂内设有浴室,保证职工下班后能够进行淋浴。 二、设备安全 所有转动设备,必须安装安全罩或其他防缠绕措施;电气设备和输电线路,确保绝缘合格,必要时加防护设施,以防触电事故发生。做好防雷、防静电工作,工艺装置区、储罐区及管线应有防雷、防静电措施且应完善、到位。 三、安全措施 1、凡易造成伤害事故的运动部件均应封闭或屏蔽,或采取其他避免操作人员接触的防护措施。      2、以操作人员所站立平面为基准,凡高度在2m以内的各种传动装置必须设置防护装置。      3、为避免挤压伤害,直线运动部件之间或直线运动部件与静止部件之间的距离必须符合GB 12265的4.2条的规定。      4、设备必须对可能因超负荷发生损坏的部件设置超负荷保险装置。      5、高速旋转的运动部件应进行必要的静平衡或动平衡试验。      6、有惯性冲撞的运动部件必须采取可靠的缓冲措施,防止因惯性而造成伤害事故。        7、设备的工作位置应安全可靠,并应保证操作人员的头、手、臂、腿、脚有合乎心理和生理要求的足够的活动空间。      8、设备的工作面高度应符合人机工程学的要求。       a. 坐姿工作面高度应在700--850mm之间;       b. 立姿或立-坐姿的工作面高度应在800--1000mm之间。         9、设备的工作位置应保证操作人员的安全,平台和通道必须防滑,必要时设置踏板和栏杆,平台和栏杆必须符合GB 4053.4、GB 4053.3的规定。      10、设备应设有安全电压的局部照明装置。      11、设备如存在下列情况,必须配置紧急停车装置。       a. 当发生危险时,不能迅速通过控制开关来停止设备运行终止危险的;       b. 不能通过一个总开关,迅速中断若干个能造成危险的运动单元;       c. 由于切断某个单元可能出现其他危险;       d. 在控制台不能看到所控制的全部。 12、对于重心偏移的设备和大型部件应标志重心位置或吊装位置,保证设备安装的安全。 13、设备的加油和日常检查不得进入危险区内。 若需要在危险区内进行的,必须采取可靠的防护措施。需要进入检修的部位应有适合人体测量尺寸要求的开口。 四、安全管理 1、公司主要负责人、安全管理人员必须参加安全生产知识的月度培训,并经考核合格。工厂设置相应的安全管理机构,配备专职安全管理人员。 2、建立安全生产责任制和各项安全管理制度,制定各岗位安全操作规程。 3、进一步改进与完善工艺路线,确保生产工艺本质安全。 4、对新进厂职工必须进行上岗前三级培训,经考核合格后方可上岗,除此之外,还必须对本厂的职工进行不定期培训,培训内容主要包括职责、安全注意事项、安全与防护等。 5、特种作业人员,必须经专业培训,考试合格,在取得特种作业合格证后,方可上岗操作。 6、制定安全管理制度,严格按照有关标准、规定、规范对原料及产品进行运输、储存和使用。 7、生产操作过程中应注意劳动保护,严格操作规程。工厂应配备必要的防毒、防烫、防尘等劳动保护用品。 第二节 消 防 一、设计依据 《机械加工生产企业设计防火规范》 《建筑灭火器配置设计规范》 《关于印发<建筑防火设计专篇要点的通知>》 《关于在工程建设中进一步加强消防工作的通知》 二、设计方案 1)建筑防火 本工程火灾危险类别为乙类,建筑物耐火等级按一级进行设计。建筑物之间按规定要求设置防火通道及防火间距,并充分考虑防火急速措施,按规定要求布置安全疏散通道等。根据建筑物具体方位,应形成环形、便利的消防通道。以保证消防车畅通无阻。 2)室外消防系统 厂区设消防水池,按规定设消防给水管。室外消防栓沿道路铺设,每个消防栓用水量按15升/秒计算。室外消防给水管网沿车间作环形布置,与厂区消防给水管连接。室外消防栓不超过120米。保护半径不大于150米。 3)室内消防系统 ① 保证同层有两支水枪的充实水柱(即水枪射流中密实的、有足够力量扑灭火灾的那段水柱)同时到达室内任何部位。水枪的充实水柱长度不小于7m。 ②消火栓立管应独立设置,不能与生活给水立管合用。 ③消火栓给水立管直径不小于50mm。 ④ 消火栓应设在明显的、易于取用的位置,枪口距安装地面处的高度为1.1m,消火栓开口应朝下或与墙面垂直。 在建筑、电气、工艺、供水等方面都按消防规范的要求进行设计,并对职工进行培训,预防为主,健全制度。 4)防雷及电气安全 配电系统设计及电器设备选型严格执行《工厂电力设计技术规定》和其他有关规定。工作接地、保护接地、防雷接地、及防静电接地装置,其他接地电阻值应符合《工业与民用电力装置的接地设计规范》的要求。 为保护人身安全,所有电器设备正常不带电的金属外壳均需可靠接零。 5)设备安全防护所有生产及辅助设备,凡外露的转动部分,均设置牢靠的安全防护网罩及明显的安全标志。 6)进行经常性的安全教育,实行持证上岗制度,杜绝违章作业。 三、消防措施和设施方案建议 1、建立健全安全生产责任员制度 1)贯彻执行国家及公司安全生产的方针、法律、法规、政策和制度,由公司分管安全领导负责企业的安全管理、监督工作。 2)监督安全教育和培训的组织落实情况。 3)监督检查公司职业安全卫生管理制度和安全技术规程、安全技术措施计划的执行情况。 4)组织安全大检查。对查出的隐患制定防范措施,检查监督隐患整改工作的完成情况。 5)参加新建、扩建、改建及大修、技措工程的“三同时”监督验收。 6)搞好企业职业安全卫生和劳动保护工作,不断改善劳动条件。指导基层安全工作,加强安全基础建设,定期召开安全工作会议。 第十一章 项目实施进度安排 本项目拟建年产1500吨棉纱的生产线,拟定建设期一年,具体安排如表所示: 项目实施阶段表 序号 实施阶段 完成时间 1 完成可行性研究 2008年8月 2 完成项目方案 2008年9月 4 设备采购与制作 2009年4月 5 土建与设备安装 2009年7月 6 试车投产 2009年7月 第十二章 投资估算与资金筹措 一、编制说明 本估算根据项目构成中各专业提供的条件编制。 (1)建筑工程费根据山东建筑工程综合定额编制。 (2)设备购置费按项目单位考察选定的设备价格计算,设备安装费按需安装设备的15%计算。 (3)工程建设其它费用按照项目前期需要的费用计算。 (4)预备费。根据项目特点,由于设备已由供货意向、车间及配套设施已考虑涨价因素,所以基本预备费按照工程费用和工程建设其它费用的4%计算,涨价预备费不计。 二、投资估算依据 1、国家发展改革委与建设部《建设项目经济评价方法与参数》(第三版); 2、山东建筑工程综合定额; 3、设备价格,根据现行市场价估算; 4、当前建筑材料市场价格。 三、总投资估算 项目总投资1300万元。详见项目总投资估算表附表一、设备购置及安装费用表附表二。 四、资金来源与筹措 项目总投资为1300万元,全部由项目承办单位提供项目资本金。 五、资金使用和管理 该项目资金实行一次性投入方式。建设期一年,2009年七月正式投入生产。 第十三章 财务评价 一、财务评价依据 1、项目计算期为11年,其中建设期为一年,效益正常发挥期10年。 2、增值税的计算方法:主要原材料增值税税率为17%,自来水13%,产品销售税率为17%。 3、城市建设维护税:5% 4、教育费附加、地方教育附加:教育费附加3%、地方教育附加1%。 5、所得税:所得税税率按照2008年新税率25%计算。 6、财务基准收益率:根据建设项目经济评价方法与参数(第三版)的规定,取8%。 二、总成本费用估算 1、原材料及燃料动力和产品价格按现在不含税市场价格计算。 2、工资及福利:工资按1.5万元/人·年,福利费为工资额的14%。 3、固定资产折旧按平均年限法,残值率为3%,折旧年限为10年;修理费按固定资产投资的10%计算;销售费用按销售收入的5%;制造费用为固定资产投资的1%;管理费用为工资及福利的50%。 三、销售收入和销售税金及附加估算 (一)销售收入估算参数 1、销售产品的价格按照市场平均不含税价格计算。 2、销售数量根据生产能力计算。第一年达到生产能力的50%,从第二年开始达到100%生产能力。 (二)销售收入估算 棉纱每吨平均不含税价格为人民币1.4万元,达产年产量为1500吨,年实现销售收入2100万元。 (三)销售税金及附加 1、应缴增值税根据销项税额与进项税额的差计算。 2、城市建设维护税:根据应交增值税的5%计算。 3、教育费附加、地方教育附加:教育费附加根据应交增值税的3%计算、地方教育附加根据应交增值税的1%计算。 (四)利润总额及分配 所得税税率为25%,税后利润提取10%盈余公积金,剩余利润可用于分配利润。损益表见附表八。 四、盈利能力分析及敏感性分析 从财务现金流量表中可以看出,财务内部收益率所得税前为42.95%,所得税后为34.99%;财务净现值(I=8%)所得税前为2564.27万元,所得税后为2124.37万元。财务内部收益率大于行业基准收益率(8%),所以盈利能力满足行业最低要求,财务净现值大于零,该项目站在财务的角度上是完全能够接受的。 静态投资回收期所得税前为4.98年,所得税后为5.68年(含项目建设在内),动态投资回收期所得税后6.4年,回收期较短,能够及时收回投资。 投资利润率=(年均利润总额/总投资额)×100% =(3201.9÷11÷1300)×100%=22.4% 以生产能力利用率表示的盈亏平衡点(BEP),其计算公式为: 年固定成本 盈亏平衡点=------------------------------÷设计达产规模 单位产品销售价格-单位可变成本 26318540 = ----------------- ÷ 1500吨 14000-10810.87 = 50.17% 说明: 1、单位产品销售价格按照达产第二年总收入与生产数量的比值计算(21000000/1500=14000元)。 2、单位可变成本根据第二年可变成本与生产数量的比值计算(16216300/1500=10810.87元)。 通过以上公式计算,每年只要生产能力达到总生产规模的50.17%,就能实现财务盈亏平衡。 五、财务评价结论 根据项目各项经济指标分析,该项目达产后,年销售收入2100万元,投资利润率22.4%,静态税后投资回收期5.68年,动态投资回收期6.4年,财务内部收益率42.95%。上述分析结果表明,该项目有较好的经济效益。 第十三章 附图、附表、附件 一、附图 1、工艺流程图 二、附表 1、附表1 《总投资估算表》 2、附表2 《产品销售收入和销售税金及附加估算表》 3、附表3 《总成本费用估算表》 4、附表4 《外购原材料及燃料动力费用估算表》 5、附表5 《固定资产折旧估算表》 6、附表6 《项目投资现金流量表(全部投资)》
展开阅读全文

开通  VIP会员、SVIP会员  优惠大
下载10份以上建议开通VIP会员
下载20份以上建议开通SVIP会员


开通VIP      成为共赢上传

当前位置:首页 > 研究报告 > 其他

移动网页_全站_页脚广告1

关于我们      便捷服务       自信AI       AI导航        抽奖活动

©2010-2026 宁波自信网络信息技术有限公司  版权所有

客服电话:0574-28810668  投诉电话:18658249818

gongan.png浙公网安备33021202000488号   

icp.png浙ICP备2021020529号-1  |  浙B2-20240490  

关注我们 :微信公众号    抖音    微博    LOFTER 

客服