收藏 分销(赏)

检修班组日常工作检查表.doc

上传人:快乐****生活 文档编号:10682500 上传时间:2025-06-08 格式:DOC 页数:9 大小:182.54KB 下载积分:6 金币
下载 相关 举报
检修班组日常工作检查表.doc_第1页
第1页 / 共9页
检修班组日常工作检查表.doc_第2页
第2页 / 共9页


点击查看更多>>
资源描述
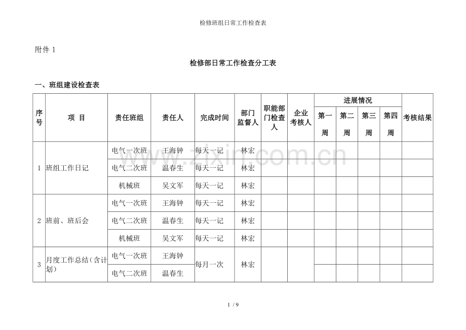
检修班组日常工作检查表 附件1 检修部日常工作检查分工表 一、班组建设检查表 序号 项 目 责任班组 责任人 完成时间 部门 监督人 职能部门检查人 企业 考核人 进展情况 考核结果 第一周 第二周 第三周 第四周 1 班组工作日记 电气一次班 王海钟 每天一记 林宏 电气二次班 温春生 每天一记 林宏 机械班 吴文军 每天一记 林宏 2 班前、班后会 电气一次班 王海钟 每天一记 林宏 电气二次班 温春生 每天一记 林宏 机械班 吴文军 每天一记 林宏 3 月度工作总结(含计划) 电气一次班 王海钟 每月一次 林宏 电气二次班 温春生 机械班 吴文军 4 班务会 电气一次班 王海钟 每月一次(班务会在部务会后2个工作日内召开,下同) 林宏 电气二次班 温春生 机械班 吴文军 5 班委会 电气一次班 王海钟 每月一次(班务会在部务会后2个工作日内召开,下同) 林宏 电气二次班 温春生 机械班 吴文军 6 政治学习 电气一次班 王海钟 每月一次(结合班务会举行,下同) 林宏 电气二次班 温春生 机械班 吴文军 7 班组民主生活会 电气一次班 王海钟 每半年一次(结合6月、12月班务会召开,下同) 林宏 电气二次班 温春生 机械班 吴文军 8 班务公开 电气一次班 王海钟 每月一次 林宏 电气二次班 温春生 林宏 机械班 吴文军 林宏 10 现场考问、技术问答 电气一次班 吴益民 每月一次 林宏 电气二次班 余进忠 林宏 机械班 吴文军 林宏 12 技术培训 电气一次班 吴益民 每月一次 林宏 电气二次班 余进忠 林宏 机械班 吴文军 林宏 13 安全日活动 电气一次班 李伟 每周五 林秋荣 电气二次班 简智远 林秋荣 机械班 阮志明 林秋荣 14 班组“两措”项目完成情况表 电气一次班 李伟 每月一次 李健全 电气二次班 简智远 李健全 机械班 阮志明 李健全 15 员工违章记录 电气一次班 李伟 每月一次 林秋荣 电气二次班 简智远 林秋荣 机械班 阮志明 林秋荣 18 经济责任制考核记录 电气一次班 王海钟 每月一次 林宏 电气二次班 温春生 林宏 机械班 吴文军 林宏 二、台帐记录检查表 序号 项目 名称 事项 填报人 完成时间 部门 监督人 职能部门检查人 企业 考核人 进展情况 考核结果 第一周 第二周 第三周 第四周 1 运行管理 检修维护 维修检修 工作负责人、值长 维修当值 李健全 端子箱维护登记 电气二次人员 按制度执行 继电 保护 继保工作记录 工作负责人 继保工作 李健全 3 设备 管理 设备 台帐 生产技术管理系统中设备管理之“设备台帐”模块 设备负责人 变更后投运前 李健全 设备 缺陷 生产技术管理系统中设备管理之“设备缺陷”模块 A岗值班人员 发现时登记、处理时记录、消除后验收或延期审批 李健全 设备 检修 生产技术管理系统中设备管理之“设备检修”模块 检修工作负责人 机组大修后20天内,其它检修7天内 李健全 李健全 设备 异动 设备异动申请单、设备异动竣工通知单 设备负责人 实施前、投运前 李健全 设备 评级 生产技术管理系统中设备管理之“设备评级”模块 设备负责人 季初3日 李健全 渗漏 管理 渗漏点汇报登记 设备负责人 发现当日 李健全 密封点统计 庄荣椿 每月月底 李健全 月度渗漏点自查 庄荣椿 每月月底 李健全 渗漏点统计表 庄荣椿 每月月底 李健全 5 安全工器具管理 使用前检查表 检修部 班组安全员(项目、工作票负责人) 安全工器具使用前 林秋荣 安全工器具管理 安全工器具月度检查表 检修部 张丽虾 每月一次 林秋荣 安全工器具定期试验 检修部 王海钟 半年或一年一次 林秋荣 安全工器具借用登记 检修部 张丽虾 借用后 林秋荣 三、消防设施检查表 序号 项目 名 称 责任部门 责任人 部门 监督人 职能部门 检查人 企业 考核人 进展情况 考核结果 第一周 第二周 第三周 第四周 1 防火重点部位日巡查记录 绝缘油库 检修部 张秋淑 林秋荣 油处理室 检修部 张秋淑 柴油发电机房 检修部 李伟 2 消防器材月度检查记录 检修工器具库 检修部 张丽虾 林秋荣 3 火灾自动报警装置检查试验 季度试验检查 检修部 温春生 李健全 年度检查试验 温春生 李健全 四、党群工作检查表 序号 项 目 责任部门 及班组 责任人 完成时间 部门监督人 职能部门 检查人 企业考核人 进展情况 考核结果 第一周 第二周 第三周 第四周 1 政治学习(部务会、司务会) 检修部本部 党支部书记 每月一次 党支部委员 2 党支部组织党员学习 各党支部 党支部书记 每月一次 党支部委员 3 党支部委员召开会议 4 党支部党员召开大会 每季一次 党支部委员 5 党支部书记上党课 6 党支部召开民主生活会 每年一次 党支部委员 7 中心组学习记录 党委 各中心组成员 每月一次 林宏 8 党风廉政建设工作半年、全年自查 各部门 中层及厂领导 每半年一次 林宏 9 厂(部)务公开 各职能部门 职能部门人员 每天 林宏 10 党员责任区结对挂钩工作检查 各党支部 党支部书记 25日前检查,28日前上报 党支部委员 11 党员月度考核 各党支部 党支部书记 次月绩效考核后2个工作日内 党支部委员 17 党费收缴 各党支部 各党支部书记 每季度 党支部委员 18 党员信息管理系统 各党支部 各党支部书记 每季度 党支部委员 五、安全管理检查表 序号 项 目 责任部门 或班组 责任人 完成时间 部门 监督人 职能部门 检查人 企业 考核人 进展情况 考核结果 第一周 第二周 第三周 第四周 1 月度“两票”执行情况报表 检修部 林秋荣 每月3日前 曾成富 2 安全检查、安全活动总结 检修部 林秋荣 活动结束后2个工作日内 曾成富 3 部门“安措”执行情况月度报表 检修部 林秋荣 每月3日前 李健全 4 部门“安措”执行情况季度报表 检修部 林秋荣 次季第一个月3日前 李健全 5 部门“安措”执行情况年度总结 检修部 林秋荣 次年第一个月5日前 李健全 6 部门“反措”执行情况月度报表 检修部 项目负责人 每月3日前 李健全 7 部门“反措”执行情况季度报表 检修部 项目负责人 次季第一个月3日前 李健全 8 部门“反措”执行情况年度总结 检修部 项目负责人 次年第一个月5日前 李健全 9 应急预案演练方案 检修部 林秋荣 演练前7天 李健全 10 应急预案演练总结 检修部 林秋荣 演习结束后3日内 李健全 11 上级事故通报对照自查整改反馈表 检修部 林秋荣 每月5日前 李健全 12 漏电保护器月度试验报告 检修部 王海钟 每月5日前 林秋荣 13 漏电保护器年度动作特性检验报告 检修部 王海钟 每年8月 林秋荣 14 绝缘油库、透平油库接地电阻测试 检修部 王海钟 每年3月底前 林秋荣 15 部门月度违章查处情况统计表 检修部 林秋荣 每月5日前 曾成富 16 “本质安全人”年度自评表 检修部 林秋荣 每年12月25日前 曾成富 17 Ⅲ、Ⅳ类缺陷延期处理预控措施 检修部 李健全 延期后2天内 曾成富 20 车辆日、周、月检查 检修部 车辆兼职驾驶员、车辆管理员 每日、每周一、每月底 曾成富 9 / 9
展开阅读全文

开通  VIP会员、SVIP会员  优惠大
下载10份以上建议开通VIP会员
下载20份以上建议开通SVIP会员


开通VIP      成为共赢上传

当前位置:首页 > 应用文书 > 办公表格

移动网页_全站_页脚广告1

关于我们      便捷服务       自信AI       AI导航        抽奖活动

©2010-2025 宁波自信网络信息技术有限公司  版权所有

客服电话:0574-28810668  投诉电话:18658249818

gongan.png浙公网安备33021202000488号   

icp.png浙ICP备2021020529号-1  |  浙B2-20240490  

关注我们 :微信公众号    抖音    微博    LOFTER 

客服