收藏 分销(赏)

第十节在建项目主要工程情况表编制.doc

上传人:綻放 文档编号:10681236 上传时间:2025-06-08 格式:DOC 页数:1 大小:74KB 下载积分:9 金币
下载 相关 举报
第十节在建项目主要工程情况表编制.doc_第1页
第1页 / 共1页
本文档共1页,全文阅读请下载到手机保存,查看更方便
资源描述
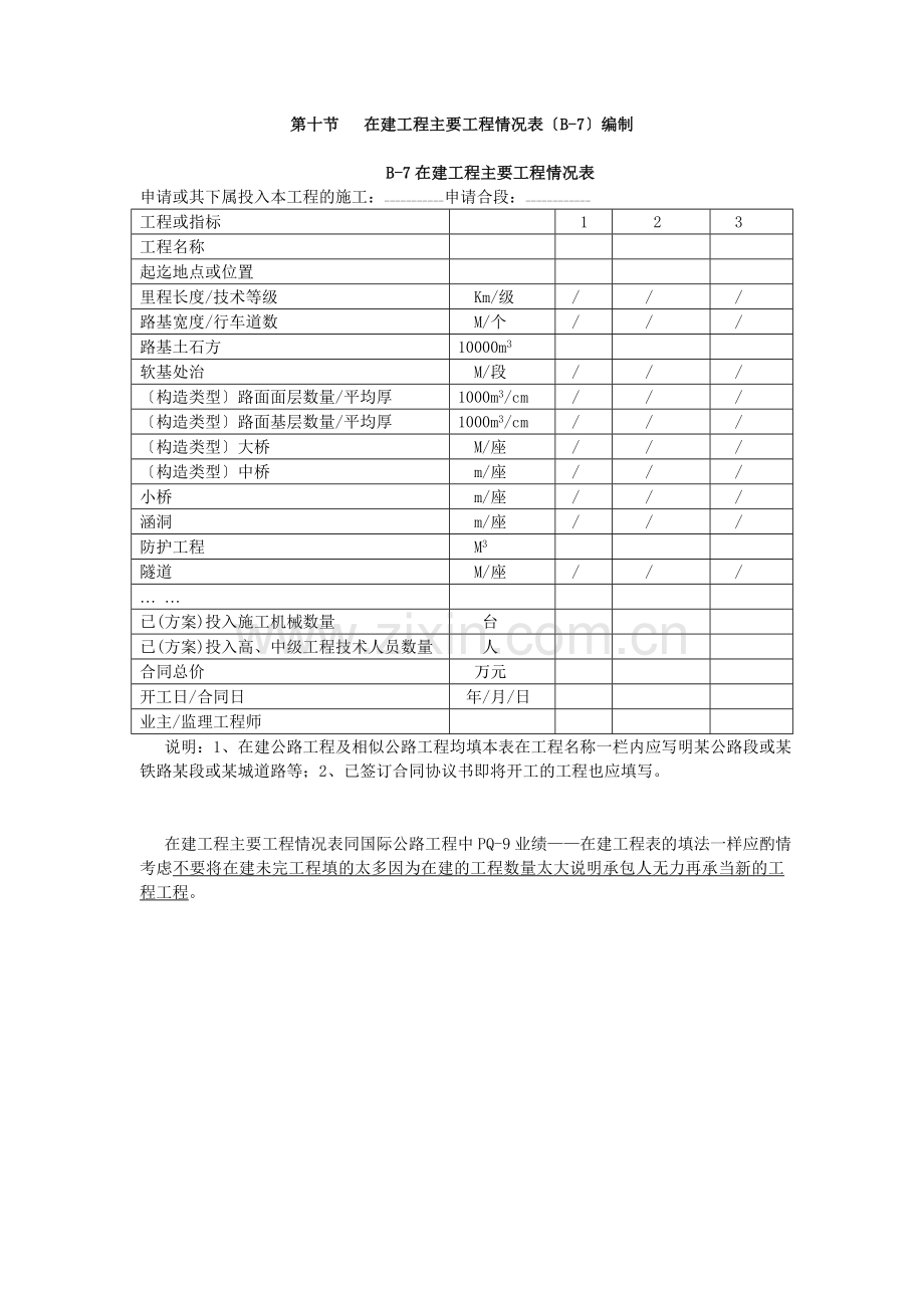
第十节 在建工程主要工程情况表〔B-7〕编制 B-7在建工程主要工程情况表 申请或其下属投入本工程的施工:-----------申请合段:------------ 工程或指标 1 2 3 工程名称 起迄地点或位置 里程长度/技术等级 Km/级 / / / 路基宽度/行车道数 M/个 / / / 路基土石方 10000m3 软基处治 M/段 / / / 〔构造类型〕路面面层数量/平均厚 1000m3/cm / / / 〔构造类型〕路面基层数量/平均厚 1000m3/cm / / / 〔构造类型〕大桥 M/座 / / / 〔构造类型〕中桥 m/座 / / / 小桥 m/座 / / / 涵洞 m/座 / / / 防护工程 M3 隧道 M/座 / / / … … 已(方案)投入施工机械数量 台 已(方案)投入高、中级工程技术人员数量 人 合同总价 万元 开工日/合同日 年/月/日 业主/监理工程师 说明:1、在建公路工程及相似公路工程均填本表在工程名称一栏内应写明某公路段或某铁路某段或某城道路等;2、已签订合同协议书即将开工的工程也应填写。 在建工程主要工程情况表同国际公路工程中PQ-9业绩——在建工程表的填法一样应酌情考虑不要将在建未完工程填的太多因为在建的工程数量太大说明承包人无力再承当新的工程工程。
展开阅读全文

开通  VIP会员、SVIP会员  优惠大
下载10份以上建议开通VIP会员
下载20份以上建议开通SVIP会员


开通VIP      成为共赢上传

当前位置:首页 > 环境建筑 > 其他

移动网页_全站_页脚广告1

关于我们      便捷服务       自信AI       AI导航        抽奖活动

©2010-2025 宁波自信网络信息技术有限公司  版权所有

客服电话:0574-28810668  投诉电话:18658249818

gongan.png浙公网安备33021202000488号   

icp.png浙ICP备2021020529号-1  |  浙B2-20240490  

关注我们 :微信公众号    抖音    微博    LOFTER 

客服