收藏 分销(赏)

道路分项工程质量验收记录统表.doc

上传人:人****来 文档编号:10601940 上传时间:2025-06-04 格式:DOC 页数:8 大小:165.50KB 下载积分:6 金币
下载 相关 举报
道路分项工程质量验收记录统表.doc_第1页
第1页 / 共8页
道路分项工程质量验收记录统表.doc_第2页
第2页 / 共8页


点击查看更多>>
资源描述
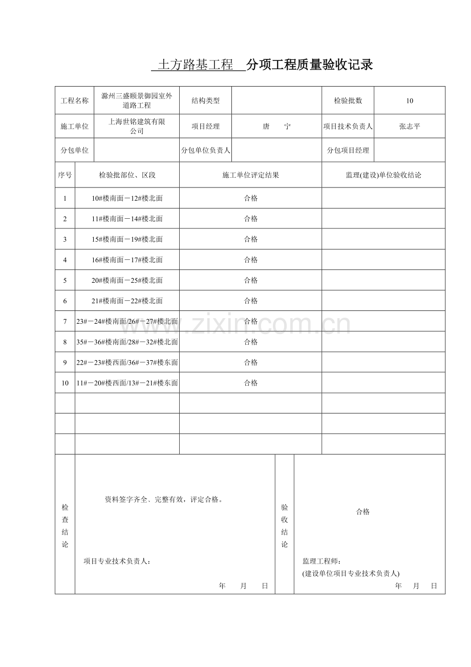
土方路基工程 分项工程质量验收记录 工程名称 滁州三盛颐景御园室外 道路工程 结构类型 检验批数 10 施工单位 上海世铭建筑有限 公司 项目经理 唐 宁 项目技术负责人 张志平 分包单位 分包单位负责人 分包项目经理 序号 检验批部位、区段 施工单位评定结果 监理(建设)单位验收结论 1 10#楼南面-12#楼北面 合格 2 11#楼南面-14#楼北面 合格 3 15#楼南面-19#楼北面 合格 4 16#楼南面-17#楼北面 合格 5 20#楼南面-25#楼北面 合格 6 21#楼南面-22#楼北面 合格 7 23#-24#楼南面/26#-27#楼北面 合格 8 35#-36#楼南面/28#-32#楼北面 合格 9 22#-23#楼西面/36#-37#楼东面 合格 10 11#-20#楼西面/13#-21#楼东面 合格 检 查 结 论 资料签字齐全﹑完整有效,评定合格。 项目专业技术负责人: 年 月 日 验 收 结 论 合格 监理工程师: (建设单位项目专业技术负责人) 年 月 日 砂垫层处理软土路基 分项工程质量验收记录 工程名称 滁州三盛颐景御园室外 道路工程 结构类型 检验批数 10 施工单位 上海世铭建筑有限 公司 项目经理 唐 宁 项目技术负责人 张志平 分包单位 分包单位负责人 分包项目经理 序号 检验批部位、区段 施工单位评定结果 监理(建设)单位验收结论 1 10#楼南面-12#楼北面 合格 2 11#楼南面-14#楼北面 合格 3 15#楼南面-19#楼北面 合格 4 16#楼南面-17#楼北面 合格 5 20#楼南面-25#楼北面 合格 6 21#楼南面-22#楼北面 合格 7 23#-24#楼南面/26#-27#楼北面 合格 8 35#-36#楼南面/28#-32#楼北面 合格 9 22#-23#楼西面/36#-37#楼东面 合格 10 11#-20#楼西面/13#-21#楼东面 合格 检 查 结 论 资料签字齐全﹑完整有效,评定合格。 项目专业技术负责人: 年 月 日 验 收 结 论 合格 监理工程师: (建设单位项目专业技术负责人) 年 月 日 级配碎石基层施工 分项工程质量验收记录 工程名称 滁州三盛颐景御园室外 道路工程 结构类型 检验批数 10 施工单位 上海世铭建筑有限 公司 项目经理 唐 宁 项目技术负责人 张志平 分包单位 分包单位负责人 分包项目经理 序号 检验批部位、区段 施工单位评定结果 监理(建设)单位验收结论 1 10#楼南面-12#楼北面 合格 2 11#楼南面-14#楼北面 合格 3 15#楼南面-19#楼北面 合格 4 16#楼南面-17#楼北面 合格 5 20#楼南面-25#楼北面 合格 6 21#楼南面-22#楼北面 合格 7 23#-24#楼南面/26#-27#楼北面 合格 8 35#-36#楼南面/28#-32#楼北面 合格 9 22#-23#楼西面/36#-37#楼东面 合格 10 11#-20#楼西面/13#-21#楼东面 合格 检 查 结 论 资料签字齐全﹑完整有效,评定合格。 项目专业技术负责人: 年 月 日 验 收 结 论 合格 监理工程师: (建设单位项目专业技术负责人) 年 月 日 水泥稳定土类基层施工 分项工程质量验收记录 工程名称 滁州三盛颐景御园室外 道路工程 结构类型 检验批数 10 施工单位 上海世铭建筑有限 公司 项目经理 唐 宁 项目技术负责人 张志平 分包单位 分包单位负责人 分包项目经理 序号 检验批部位、区段 施工单位评定结果 监理(建设)单位验收结论 1 10#楼南面-12#楼北面 合格 2 11#楼南面-14#楼北面 合格 3 15#楼南面-19#楼北面 合格 4 16#楼南面-17#楼北面 合格 5 20#楼南面-25#楼北面 合格 6 21#楼南面-22#楼北面 合格 7 23#-24#楼南面/26#-27#楼北面 合格 8 35#-36#楼南面/28#-32#楼北面 合格 9 22#-23#楼西面/36#-37#楼东面 合格 10 11#-20#楼西面/13#-21#楼东面 合格 检 查 结 论 资料签字齐全﹑完整有效,评定合格。 项目专业技术负责人: 年 月 日 验 收 结 论 合格 监理工程师: (建设单位项目专业技术负责人) 年 月 日 水泥混凝土面层原材料 分项工程质量验收记录 工程名称 滁州三盛颐景御园室外 道路工程 结构类型 检验批数 10 施工单位 上海世铭建筑有限 公司 项目经理 唐 宁 项目技术负责人 张志平 分包单位 分包单位负责人 分包项目经理 序号 检验批部位、区段 施工单位评定结果 监理(建设)单位验收结论 1 10#楼南面-12#楼北面 合格 2 11#楼南面-14#楼北面 合格 3 15#楼南面-19#楼北面 合格 4 16#楼南面-17#楼北面 合格 5 20#楼南面-25#楼北面 合格 6 21#楼南面-22#楼北面 合格 7 23#-24#楼南面/26#-27#楼北面 合格 8 35#-36#楼南面/28#-32#楼北面 合格 9 22#-23#楼西面/36#-37#楼东面 合格 10 11#-20#楼西面/13#-21#楼东面 合格 检 查 结 论 资料签字齐全﹑完整有效,评定合格。 项目专业技术负责人: 年 月 日 验 收 结 论 合格 监理工程师: (建设单位项目专业技术负责人) 年 月 日 混凝土面层 分项工程质量验收记录 工程名称 滁州三盛颐景御园室外 道路工程 结构类型 检验批数 10 施工单位 上海世铭建筑有限 公司 项目经理 唐 宁 项目技术负责人 张志平 分包单位 分包单位负责人 分包项目经理 序号 检验批部位、区段 施工单位评定结果 监理(建设)单位验收结论 1 10#楼南面-12#楼北面 合格 2 11#楼南面-14#楼北面 合格 3 15#楼南面-19#楼北面 合格 4 16#楼南面-17#楼北面 合格 5 20#楼南面-25#楼北面 合格 6 21#楼南面-22#楼北面 合格 7 23#-24#楼南面/26#-27#楼北面 合格 8 35#-36#楼南面/28#-32#楼北面 合格 9 22#-23#楼西面/36#-37#楼东面 合格 10 11#-20#楼西面/13#-21#楼东面 合格 检 查 结 论 资料签字齐全﹑完整有效,评定合格。 项目专业技术负责人: 年 月 日 验 收 结 论 合格 监理工程师: (建设单位项目专业技术负责人) 年 月 日 沥青混合料面层封层 分项工程质量验收记录 工程名称 滁州三盛颐景御园室外 道路工程 结构类型 检验批数 10 施工单位 上海世铭建筑有限 公司 项目经理 唐 宁 项目技术负责人 张志平 分包单位 分包单位负责人 分包项目经理 序号 检验批部位、区段 施工单位评定结果 监理(建设)单位验收结论 1 10#楼南面-12#楼北面 合格 2 11#楼南面-14#楼北面 合格 3 15#楼南面-19#楼北面 合格 4 16#楼南面-17#楼北面 合格 5 20#楼南面-25#楼北面 合格 6 21#楼南面-22#楼北面 合格 7 23#-24#楼南面/26#-27#楼北面 合格 8 35#-36#楼南面/28#-32#楼北面 合格 9 22#-23#楼西面/36#-37#楼东面 合格 10 11#-20#楼西面/13#-21#楼东面 合格 检 查 结 论 资料签字齐全﹑完整有效,评定合格。 项目专业技术负责人: 年 月 日 验 收 结 论 合格 监理工程师: (建设单位项目专业技术负责人) 年 月 日 热拌沥青混合料面层 分项工程质量验收记录 工程名称 滁州三盛颐景御园室外 道路工程 结构类型 检验批数 10 施工单位 上海世铭建筑有限 公司 项目经理 唐 宁 项目技术负责人 张志平 分包单位 分包单位负责人 分包项目经理 序号 检验批部位、区段 施工单位评定结果 监理(建设)单位验收结论 1 10#楼南面-12#楼北面 合格 2 11#楼南面-14#楼北面 合格 3 15#楼南面-19#楼北面 合格 4 16#楼南面-17#楼北面 合格 5 20#楼南面-25#楼北面 合格 6 21#楼南面-22#楼北面 合格 7 23#-24#楼南面/26#-27#楼北面 合格 8 35#-36#楼南面/28#-32#楼北面 合格 9 22#-23#楼西面/36#-37#楼东面 合格 10 11#-20#楼西面/13#-21#楼东面 合格 检 查 结 论 资料签字齐全﹑完整有效,评定合格。 项目专业技术负责人: 年 月 日 验 收 结 论 合格 监理工程师: (建设单位项目专业技术负责人) 年 月 日
展开阅读全文

开通  VIP会员、SVIP会员  优惠大
下载10份以上建议开通VIP会员
下载20份以上建议开通SVIP会员


开通VIP      成为共赢上传

当前位置:首页 > 包罗万象 > 大杂烩

移动网页_全站_页脚广告1

关于我们      便捷服务       自信AI       AI导航        抽奖活动

©2010-2026 宁波自信网络信息技术有限公司  版权所有

客服电话:0574-28810668  投诉电话:18658249818

gongan.png浙公网安备33021202000488号   

icp.png浙ICP备2021020529号-1  |  浙B2-20240490  

关注我们 :微信公众号    抖音    微博    LOFTER 

客服