收藏 分销(赏)

务类考核无形资产管理考核.docx

上传人:精*** 文档编号:10179613 上传时间:2025-04-25 格式:DOCX 页数:3 大小:16.49KB 下载积分:5 金币
下载 相关 举报
务类考核无形资产管理考核.docx_第1页
第1页 / 共3页
务类考核无形资产管理考核.docx_第2页
第2页 / 共3页


点击查看更多>>
资源描述
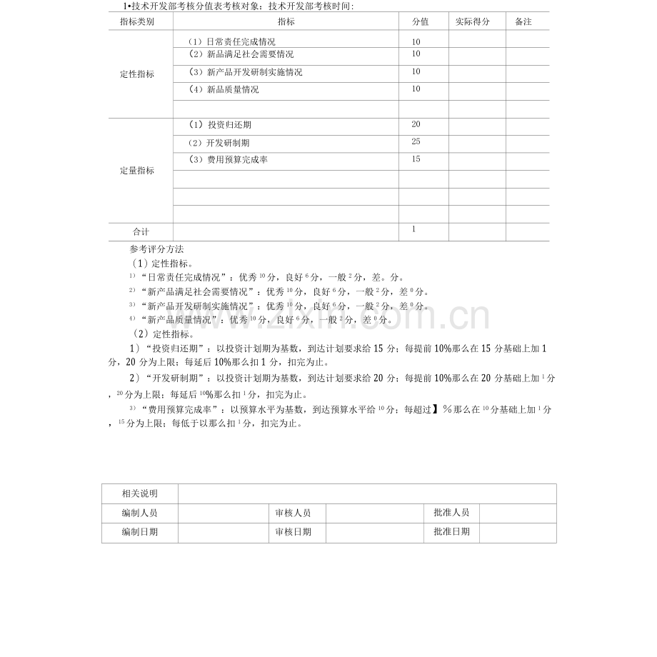
务类考核无形资产管理考核/考核指标 名称财务类考核/无形资产管理考核/考核指标 编码 版本 页次 1/2 修改状态 无形资产管理考核指标是与责任相对应的,具体指标如下: 1. 技术开发部考核指标 定性指标 (1) 日常责任完成情况0 (2) 新产品满足社会需要情况。 (3) 新产品开发研制实施情况。 (4) 新产品质量情况。 定量指标 (1) 投资归还期。 (2) 开发研制期。 (3) 费用预算完成率。 2. 营销中心考核指标 定性指标 (1) 日常责任完成情况。 (2) 侵犯商标权的处理情况。 (3) 商标注册情况。 3. 行政部考核指标 定性指标 (1) 日常责任完成情况。 (2) 土地使用权形成、转让、出售及对外投资过程中的工作情况。 (3) 土地使用证书的保管情况。 定量指标 土地使用权增值率 相关说明 编制人员 审核人员 批准人员 编制日期 审核日期 批准日期 (续)4.财务部考核指标' 名称 财务类考核/无形资产管理考核/考核指标 编码 版本 贞次 2/2 修改状态 定性指标 (1) 日常责任完成情况。 (2) 对无形资产形成过程的控制情况。 (3) 转让、出售,或投资收益的管理情况。 (4) 无形资产核算情况。 定量指标 无形资产收益回笼率 附:定量指标的计算 费用预算完成率=实际发生费用预算费用X1%土地使用权增值率=(评估确认价值原投资总额)+原投资总额X1% 无形资产收益回笼率=无形资产收益回笼总额+无形资产收益总额X1%财务类考核/无形资产管理考核/考核方法 相关说明 编制人员 审核人员 批准人员 编制日期 审核日期 批准日期 顶不小 汁务类考核/无形资产 管理考核/考核方法 编码 版本 页次 1/4 修改状态 1•技术开发部考核分值表考核对象:技术开发部考核时间: 指标类别 指标 分值 实际得分 备注 定性指标 (1)日常责任完成情况 10 (2)新品满足社会需要情况 10 (3)新产品开发研制实施情况 10 (4)新品质量情况 10 定量指标 (1)投资归还期 20 (2)开发研制期 25 (3)费用预算完成率 15 合计 1 参考评分方法 (1)定性指标。 1)“日常责任完成情况”:优秀10分,良好6分,一般2分,差。分。 2)“新产品满足社会需要情况”:优秀10分,良好6分,一般2分,差0分。 3)“新产品开发研制实施情况”:优秀10分,良好6分,一般2分,差0分。 4)“新产品质量情况”:优秀10分,良好6分,一般2分,差0分。 (2)定性指标。 1)“投资归还期”:以投资计划期为基数,到达计划要求给15分;每提前10%那么在15分基础上加1分,20分为上限;每延后10%那么扣1分,扣完为止。 2)“开发研制期”:以投资计划期为基数,到达计划要求给20分;每提前10%那么在20分基础上加1分,20分为上限;每延后10%那么扣1分,扣完为止。 3)“费用预算完成率”:以预算水平为基数,到达预算水平给10分;每超过】%那么在10分基础上加1分,15分为上限;每低于以那么扣1分,扣完为止。 相关说明 编制人员 审核人员 批准人员 编制日期 审核日期 批准日期
展开阅读全文

开通  VIP会员、SVIP会员  优惠大
下载10份以上建议开通VIP会员
下载20份以上建议开通SVIP会员


开通VIP      成为共赢上传

当前位置:首页 > 包罗万象 > 大杂烩

移动网页_全站_页脚广告1

关于我们      便捷服务       自信AI       AI导航        抽奖活动

©2010-2025 宁波自信网络信息技术有限公司  版权所有

客服电话:0574-28810668  投诉电话:18658249818

gongan.png浙公网安备33021202000488号   

icp.png浙ICP备2021020529号-1  |  浙B2-20240490  

关注我们 :微信公众号    抖音    微博    LOFTER 

客服