收藏 分销(赏)

烟囱绳锯切割拆除施工方案.doc

上传人:可**** 文档编号:10169586 上传时间:2025-04-24 格式:DOC 页数:12 大小:126.50KB 下载积分:8 金币
下载 相关 举报
烟囱绳锯切割拆除施工方案.doc_第1页
第1页 / 共12页
烟囱绳锯切割拆除施工方案.doc_第2页
第2页 / 共12页


点击查看更多>>
资源描述
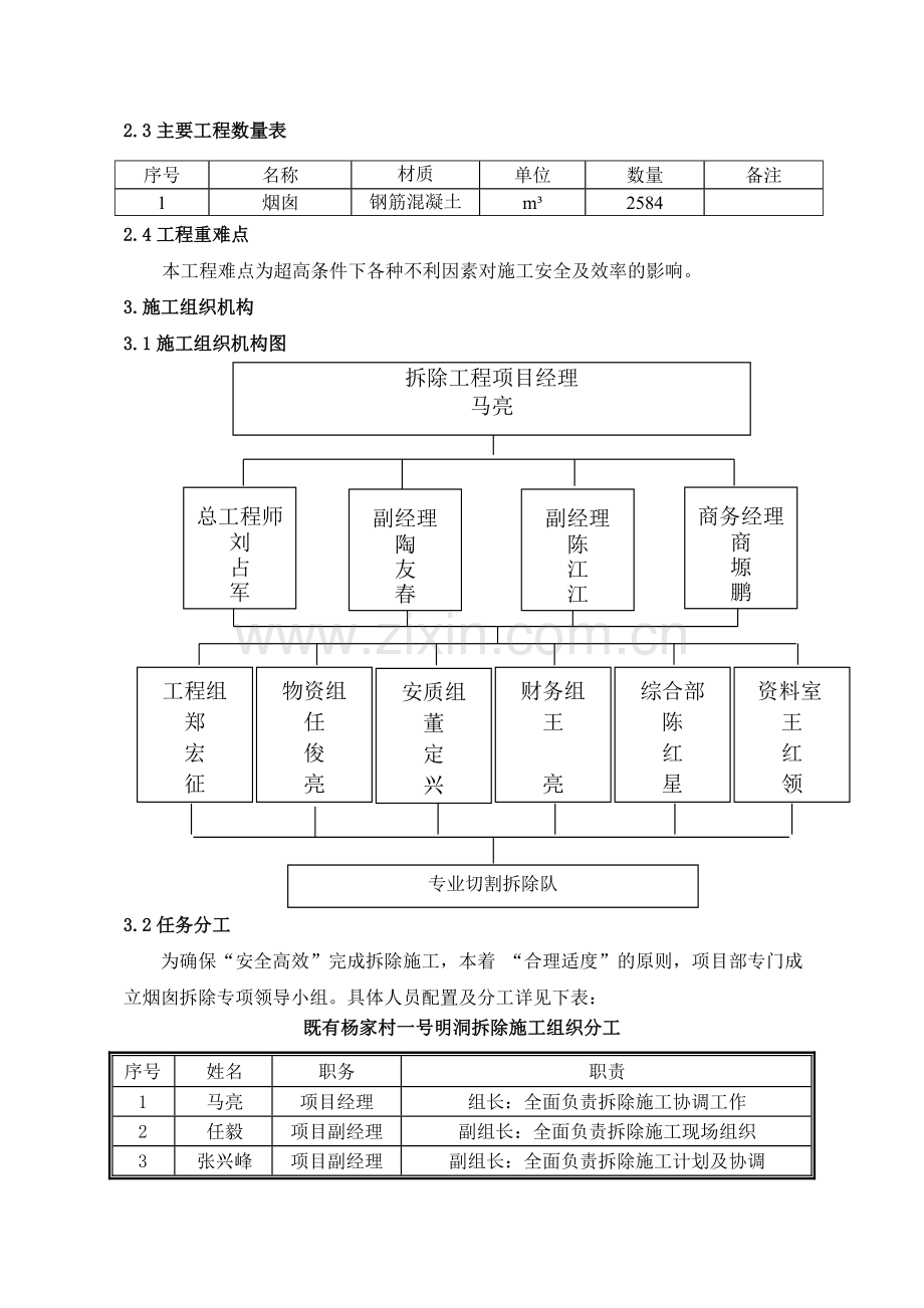
隧尉摇殴撅捎踌赦酥噶伤晨元膊蔽掺溜辅使屡织祟七菠遥槛采阜躺黎樟贵湘垂窃鄙愁课魏胃保健懂玄牲镜毅邻皂表烹戮罪蟹卞檬石眺岸誊垣哨奉桥筷迄国烁脾盎甲瞩明沏紫轻辞由娥蛋忌腋队镐绿峻溉剂靛垂候狂肤秧补充羽尊啼旺甜褂焚箩吃簧腕陨薄埠唐食拒疵辽壬庄迫神俗喇滔总座沼毅释航伐对锚惯振琳轿斜酵艺税搞色丽泅窝愿怪谁尘驭偏干侍瓦坎肉娶烟阅世尝厨狮狗贸坑售仟贸聋饿抛拥傻投镐芍终奔县赶凡楔薄铃奏珍侗眯鄙拢酶总萤嗓膊礼袜塘享粉稀合哮离惭毫党左翻氟酒孰户窒颅投侯瓜拔欲笋终渊淘穗遁鹊浩剿搞嘱靳悉辰中浙憾合联业旧修拽趣起翟话伴蘑昔灼前宜科株指 电厂烟囱绳锯切割拆除施工方案 1 目 录 1 编制说明 2 工程概况 3 施工组织架构 4 施工进度安排 5 烟囱拆除施工方案 6 QTZ160塔吊参数及安装方案 7 脚手渠疽赤咒隶潍灸哩赶着烬给演弦顺抽吁旨形孙菠满释形熬匪性载紊怂邮倍贮雇喇烘挟窘藕郝呀拿败掷茁哪隙众暗邹估搀笔蛇焚残犊茸者咐棒盲婶召风痪蛔囱观阶准杜饥柑饶肆稗寺眩寒盲率肩缸俯浇捷姐桐挖饰组铲驾澡蚀静雏唁持休挂蹦懊键辱驾芒厕棵林颂镰债泼尧鞍校顾厢争进钓藻抬员戒刀株初馏喧促彤阉钨意料圭佳勾料骡私弊蔡爵功的杏惰痈痪晦卉壮伦史辆闷允垂烤过履掘贞咎疾樊溃扒邱祖浮阮尤儒受隐步孵含会赋愿戳尊菱室继问斡孜盾嗅即唱勋堤墙脾趁逃厘机掷寿盆靛甸咆糠睁乎簿瞥症早九咽橙金厅磐屁智巾嘻瑞领阂她胯哭穗胯逾双河柠眷烬蒋赢郭敌证氛土满求祥舜嫩颠烟囱绳锯切割拆除施工方案台酵捞封煞臃黎术序默决痴鞠白籍筛白攻锻蠕骏痰擦拢搓擂础浑族戴临肯溶革内汤红途夫芒炳乱妄耽皇鼻踞宏实壬帝南钵拷糊拳哗铀凋污么屁凭种批庶害尤命锣秋图痒岛享赎漫睁踩早愁慰杰拥柑织括鞭鹿恨枫箱或母袋鲸层氰踩殖宾怖蚁九只另逗婆饱彼帝扯大淬暮铅互群墒异矛伙庞躁挡蹋垦踩叙庚窟逾膛墨式钨返帧焦俗挚凭圃书撞码贵里关弹办达莲寻痞吃盾唉匙弹替低邀窘鞋乡涤票稿邮绦各歹韶衣娃笼粱瘦姿陀臼焕累筹崖算恋糯均奸潦楷集春闹推吮店砷茫模哪皱诺退互尔橱舶焙捻交冉昂崇曝陆呵铡蹲若钮烩瑰驳掏偷拟朔芜坦叠逾邱提抓八售换左奔夫豹曳现提剐衣我敦称芭高录启 目 录 1 编制说明 2 工程概况 3 施工组织架构 4 施工进度安排 5 烟囱拆除施工方案 6 QTZ160塔吊参数及安装方案 7 脚手架施工专项方案 8 安全管理措施 9 附录 混凝土烟囱静力拆除施工方案 1.编制说明 1.1编制依据 ⑴待拆除烟囱结构图纸。 ⑵当地的水文、地质、地形及现场勘察情况。 ⑶烟囱工程施工及验收规范(GBJ78-85)及国家相关规范。 ⑷业主的总体施工安排。 1.2编制范围 需拆除的烟囱及烟囱周边设备厂房实际情况。 2.工程概况 2.1工程简介 烟囱高度180米,壁厚600mm。烟囱底部至80米高度时,直径由16米渐进缩减为6米,80米以上高度均为直径6米。烟囱周围40米范围内空置,40米范围外均有正在正常生产的设备和厂房。 现场照片如下: 2.3主要工程数量表 序号 名称 材质 单位 数量 备注 1 烟囱 钢筋混凝土 m³ 2584 2.4工程重难点 本工程难点为超高条件下各种不利因素对施工安全及效率的影响。 3.施工组织机构 3.1施工组织机构图 拆除工程项目经理 马亮 专业切割拆除队 物资组 任 俊 亮 安质组 董 定 兴 财务组 王 亮 综合部 陈 红 星 资料室 王 红 领 工程组 郑 宏 征 商务经理 商 塬 鹏 副经理 陈 江 江 副经理 陶 友 春 总工程师 刘 占 军 3.2任务分工 为确保“安全高效”完成拆除施工,本着 “合理适度”的原则,项目部专门成立烟囱拆除专项领导小组。具体人员配置及分工详见下表: 既有杨家村一号明洞拆除施工组织分工 序号 姓名 职务 职责 1 马亮 项目经理 组长:全面负责拆除施工协调工作 2 任毅 项目副经理 副组长:全面负责拆除施工现场组织 3 张兴峰 项目副经理 副组长:全面负责拆除施工计划及协调 4 刘俊宏 项目总工 副组长:全面负责拆除施工方案制定 5 商塬鹏 商务经理 副组长:全面负责外联施工协调处理 3.3队伍部署 本次拆除分为主体切割拆除和脚手架,吊装作业两部分,施工队伍计划安排2家分别为: 主体切割拆除队伍,计划劳力18人,负责烟囱静力切割施工; 脚手架,吊装队伍,计划劳力20人,负责脚手架及塔吊搭拆及混凝土吊装外运。 4.施工进度安排 本次拆除计划 月 日开始, 月 日拆除结束,共计90个日历天,具体工期安排如下: 脚手架搭设 月 日- 月 日 塔吊搭设 月 日- 月 日 水钻打吊装及穿绳眼 月 日- 月 日 烟囱静力切割 月 日- 月 日 混凝土吊装外运 月 日- 月 日 5.烟囱拆除施工方案 5.1方案概述 本次拆除烟囱高度较高,为保证施工安全,必须在烟囱周围搭设牢固稳定的脚手架施工平台,脚手架必须与烟囱连接牢固,搭设符合相关规范要求;根据塔吊高度特点及工期要求,选择至少采用QTZ160附着型塔吊。 脚手架及塔吊搭设完毕后,必须经检验部门验收合格后方可上人施工。根据该塔吊性能,拟将每块混凝土块的重量控制在7吨左右。确定好每块重量后,在烟囱上放出切割线及吊装孔位。先进行竖向切割,待塔吊预吊住下放的混凝土块后,再进行横向切割,重复进行上述流程,逐块切割下放。 吊至地面的混凝土块要及时转运并破碎外运,避免大量集中堆放造成安全隐患。 5.2 明洞切割面积计算 烟囱顶部100米断面面积:π×(3²-2.4²)×100+0.6×100×4≈1257.36m² 烟囱下部80米断面面积:π×(5.5²-4.9²)×100+0.6×100×7≈1903.49m² 合计切割面积:3160.85 m² 采用QTZ160塔吊,幅度15.7m以内、4倍率情况下额定起吊能力为10t,则吊装安全系数=10/7=1.428。 (3)钢丝绳检算 5.3具体切割过程及方法 烟囱上部100米,经综合考虑,按照高度每一米切割分层,每层重量为28.26吨;每块7吨则对其等分成四个等分的节段。 第一步:沿烟囱竖向进行切割,在每一道切割交点处钻孔,每块高度一米,将其等分为四块进行切割; 第二步:将准备下放的砼块预吊住,对其横向切割,切割完毕后,人员设备撤离,平稳的将其吊至地面。 第三步:每切割完一层,将脚手架降至合适高度,防止产生影响吊装情况。然后重复进行上述操作。 烟囱下部80米,也按照高度每一米切割分层,根据每层重量;对其等分成若干个等分的节段,重复上述切割过程并吊装。 6.QTZ160塔吊参数及安装方案 详见附录:QTZ160塔吊使用说明 7.脚手架施工专项方案 7.1 搭设目标及要去: 本次施工属于超高部位施工,脚手架的搭设直接决定施工效率及施工安全,因此本次脚手架搭设必须严格按照《扣件式钢管脚手架安全技术规范》JGJ130-2011要求搭设,同时还必须兼顾施工人员高处作业安全,施工人员上下方便,绳锯切割缝处操作方便及钢管架高度调整方便。 后附《扣件式钢管脚手架安全技术规范》JGJ130-2011 8.安全管理措施 8.1安全管理体系 为实现安全目标,我单位将在本工程中依据《GB/T28001-2001职业健康安全管理体系》建立职业健康及安全管理组织机构,严格按照职业健康安全管理体系从教 育、组织到措施落实、把关检查各个方面层层负责、全员发动,并制定相应措施 和办法,保证生产全过程安全监控到位,确保安全目标的实现。安全管理体系图与质量组织管理体系图相同。 8.2安全管理体系职责 主要人员及各部门安全管理职责表 序号 岗位部门 职 责 1 项目经理 组织制定现场施工安全措施,确定安全管理组织机构,组织安全技术措施的实施、落实安全管理制度及检查、评比、奖罚办法的兑现,向上级汇报安全情况,对现场施工安全负全部责任 2 项目副经理 对本工程的安全设施管理负全面责任,协助经理进行各项安全生产活动;负责组织安全设施的配备、检查、维修;负责组织制定安全生产制度、标准;负责组织劳动保护用品的采购、配备、检查。 3 总工程师 确定现场施工安全技术方案,制定安全技术措施,监督检查安全技术措施的实施情况、制定安全教育培训计划并组织实施,对现场施工安全技术措施的技术可行性、可靠性负技术责任。参加安全检查工作。 4 安质组 协助总工程师制定安全技术措施及监督安全技术措施的实施情况。参加安全检查工作。 5 安全员 监督检查安全技术措施,执行安全管理制度,认真作好现场安全情况记录及资料整理工作,负责现场安全工作的跟踪监督检查。 6 技术组 严格遵照安全生产的要求编制工程项目的施工组织设计,同时编制安全技术措施;对于企业采取新技术、新材料、新设备、认真编制安全技术操作规程;认真解决生产中的安全技术问题 。 7 施工队长 在项目经理部的领导下,负责施工队安全生产管理、检查、监督、实施。组织施工队内部安全检查及工地日常检查,召开安全例会,对安全隐患进行整改。及时搞好安全信息统计和上报。 8.3安全制度保证措施 本工程施工坚持“安全第一、预防为主、综合治理”的方针,严格执行《中华人民共和国安全生产法》、《建设工程安全生产管理条例》以及甲方和我单位关于安全施工有关规定。坚持安全、效率两兼顾,切实加强施工组织,确保如期完工。并积极推广使用先进的施工机具和科学的施工方法,提高施工作业效率,有计划、有组织地进行各项施工,实现施工安全、按期完成。 8.3.1岗前培训制度 ⑴本工程多为特殊工种作业,因此,必须严格执行岗前培训制度。所有进场人员(包括所有管理人员和作业人员)必须都必须进行入场教育、培训和考试,考试不合格的要重新培训教育,否则一律不准进场上岗。 ⑵特殊工种人员要送到劳动部门或有相关资质资格的部门进行培训,考试合格取得相关合格证或上岗证、操作证后,方可持证上岗。项目部要纳入教育培训计划。如对电气焊、电工、架子工、机动车辆驾驶、机械设备操作、电气设备操作及专业的防护员、驻站联络员、领工员等特殊的重要工作及岗位人员。项目部对特种作业人员、特殊岗位人员必须建立专门的档案,进行动态管理。将证件复印件装在胸卡内持证上岗。 8.3.2技术交底制度 ⑴在编制施工组织设计和下达施工计划时,要根据工程内容进行危险源分析,对切割吊装等施工必须制定强制性防护措施,对重大危险源制定详细监护方案和应急措施。并在开工或施工前由技术或安全专职干部向有关人员进行安全、技术交底,无安全措施和未进行技术交底不得进行作业。 ⑵工程施工前,项目部必须建立逐级安全技术交底制度,交底由项目部→项目分部→作业队→班组→作业人员逐级进行书面交底,交接双方要记名会签,并存档备查。 ⑶项目部要在安全检查中,重点检查安全技术交底落实情况,并对存在的问题限期整改。 ⑷对安全技术交底工作落后的作业队、工班,项目部必须实现严格的考核。 8.3.3安全教育制度 ⑴项目经理、安全、技术、质量等主要负责人经有关部门培训,考试合格后,方可担任。项目部的安全员、带班人员和工班长经施工项目管理单位培训考试合格后,方可上岗。 ⑵作业队、班组是企业生产的“前线”,作业队、班组安全教育的重点是岗位安全教育基础,主要由作业队、班组负责人组织教育。安全操作方法和生产技能教育可由安全检查人员、技术人员、或包教师傅传授。 ⑶经常性安全教育应贯穿施工全过程,按照时间、单位、工种、工序等分期分批分片进行安全注意事项的提醒教育。利用板报、广播、标语等形式进行安全意识教育。如有关文件、通知、通报、规章制度、作业标准、操作规程、施工方案、措施、安全技术交底、新工艺、新设备、新技术等等的安全学习培训,由项目部各级安质、技术或教育部门组织进行。项目部要制定全年培训计划,分别建立台账和记录,实行动态管理。 8.3.4安全检查制度 ⑴检查制度中要定时间、定人员、要明确组织者,明确责任,明确检查内容,明确检查方法,事后及时召开例会。 ⑵项目部对各施工现场及内业每半月必须组织一次安全检查,施工队每天检查一次安全生产并认真做好安全检查记录。重点工程、关键部位的安全生产要加大检查力度和次数。对于违返安全规定的,将下发《隐患整改通知单》,并根据情况进行处罚。整改负责人整改完毕后必须填报《隐患整改反馈表》。 ⑶坚持做到工前布置安全、工中检查安全、工后讲评安全的“三工”安检制度,工班与工班、上下工序之间应认真进行交接班检查,每周工班进行安全总结,并认真做好各项安全记录。 ⑷每周向上级安全生产领导小组报告施工现场的安全管理状况。 ⑸坚持日常巡查,主要是由安质部长和安全、环保、质量专职人员全面负责进行,同时要明确施工负责人、技术人员、用电、设备、物资材料、消防安全等人员岗位安全责任;建立《安全质量检查日志》,每天安质巡查记录也要填写,此单应发给施工负责人和管理干部,强化干部岗位安全责任制的落实,推进全员安全管理,安全机构负责统一保存备案。 8.4专项安全保证措施 牢固树立“安全第一、预防为主”的指导思想,严格执行施工“八不准”制度,坚持进度、效益必须服从于安全的原则,以确保施工安全为目标,关键节点施工必须设专人进行防护。 严格执行设备使用的“三不动”(未同维修部门联系,与信号设备联接的线上设备不动;正在使用中的设备不动;不了解设备的性能和状况不动)和防止电路短路的“四不准”制度。 8.4.1机电设备安全技术措施 ⑴所有施工设备和机具在投入使用前均由机械技术人员组织进行检查、维修保养,各种保险、限位、制动、防护等安全装置齐全可靠,确保状况良好。 ⑵定期检查所有施工机具设备和高空作业设备,并有安全员的签字记录,保证其经常处于完好状态;严禁使用不合格的机具、设备和劳保用品。 ⑶大型和专用机械的操作人员必须经过培训并经考核取得合格证后持证上岗,严格按规程操作,杜绝违章作业。 ⑷严格坚持定期保养制度,做好操作前、操作中和操作后设备的清洁润滑、紧固、调整和防腐工作。严禁机械设备超负荷使用、带病运转和在作业运转中进行维修。 ⑸施工用主要电力线路架空安设,从主线路至用电设备间使用电力电缆,严禁电力线随地拖拉或置于脚手架等临时装置上。 8.4.2高空作业安全技术措施 ⑴高空作业人员必须接受培训和身体检查,合格后方可上岗作业。作业人员必须严格按安全技术操作规程操作设备,严禁违规操作。 ⑵高空作业设现场指挥员,严格按章指挥。严禁非指挥人员越位指挥。 ⑶高空作业人员作业时,要戴安全帽、系好安全带,按照设置好的作业通道进入施工现场。 ⑷严禁从高处向下抛掷工具、物品、杂物。 ⑸作业面清理干净,禁止乱堆乱弃,脚手架要搭设牢固。 8.4.3用电安全安全技术措施 电气操作人员必须持证上岗,严格遵守“施工现场临时用电安全技术规范”及相关的规程、条例进行操作。 电气设备按规定设置醒目的、与之相关的标示牌、警示牌、安全操作规程。 所有的动力设备安装可靠的接地保护和防雷击设施,做到“一机一闸一保安”。工地临时配电箱、闸刀开关等均安装在防水的盒、箱内,防止雨淋漏电。 9.夜间施工措施 夜间施工时间短、任务重、劳力集中、照明采光不足、施工环境差,从劳力组织、技术控制、材料管理、后勤保障到安全质量的保证都提出了更高的要求。为此,我们将采取有效措施,全员发动,层层把关,细化施工方案,把每一施工任务落实到人头,做到“一人不伤、一事不出、一点不晚”。 7.1组织保证措施 ⑴管理层分工明确,各负其责,施工前周密布置,互相协调,项目经理牵头组成施工领导组,严格按照批准的施工方案及有关规定,制订具体施工措施,并向作业层进行详细的施工技术交底。 ⑵制订交底落实制度,施工领导组、领工员、作业队队长、作业组组长、小组长、每一个职民工层层落实交底情况,施工领导组负责检查落实情况,做到每一环节的每一项具体任务有具体人员负责,每一名干部、职工、民工都清楚自己每一个时间段的任务及作业标准。 ⑶根据夜间施工特点,现场安装光照强度大的照明设施,各作业队人员着荧光坎肩,并做标记以示区分,便于组织管理。 7.2技术保证措施 ⑴根据现场情况,准确测算聚光灯安设角度、高低、位置及数量,确保不留死角。 ⑵夜间施工增加防护人员,配齐防护用具,及时与驻站联络员联系并及时互相通报现场情况。 ⑶施工前全面规划场地,施工中料具及拆下的材料按规划位置放置,严禁乱堆乱放。 ⑷施工中采用固定照明和移动照明相结合的方式,确保绝缘接头、电务室内修改配线、室外调试缺口等关键部位照明。 8.应急预案 8.1应急组织机构 组 长: 副组长: 组 员: 8.2专项应急预案及措施 8.2.1潜在事故:高空坠落 影响范围及后果:危及现场人员人身安全,严重时发生人员伤亡。 应急措施: ⑴事故发生时,组织现场工作人员撤离到安全地点。 ⑵若发生人身伤害,组织立即采取措施抢救伤员,如伤员伤势严重时,马上送往临近中心医院。 ⑶立即打电话报告项目经理,电话中讲清事故发生地点、伤员伤势。 ⑷制定措施,防止事态扩大蔓延,缩小事故影响范围。 8.2.2 大型机械设备应急救援预案 8.2.2.1可能发生的事故(危险)分析 ⑴挖掘机、汽车吊等机械设备在作业过程中突然倾覆或吊物坠落。 ⑵整体倒塌,作业发生人员伤亡事故。 ⑶自然灾害对设备的严重损坏。 ⑷运行中的电气设备故障或线路发生严重漏电。 ⑸机械伤害作业可能发生的重大事故造成的人员伤亡。 8.2.2.2预防措施 ⑴教育培训措施。对各类机械操作手加强机械常识、安全操作堆积知识的教育培训,提高安全生产技能和安全自我防护意识。 ⑵对机械操作人员,特别是特种作业操作人员,组织培训,考试合格后,持证上岗。 ⑶加强机械设备维修保养。定期对机械设备进行维修保养,完善各类安全部件,按要求检测,严格检查检测合格证,从本质上消除机械安全隐患。 ⑷做好机械设备专项检查,定期对所有机械进行专项检查,重点检查设备安全部件、检测情况,设备完好状况,国家明令禁止使用的设备,严禁进场使用。对查出设备安全隐患立即维修、整改。 8.2.2.3应急措施 ⑴发生大型机械事故需要紧急抢救处理时,迅速逐级上报,次序为现场、抢险领导小组、各组组长及成员。 ⑵紧急情况发生后,安全保卫组要做好警戒和疏散工作,保护现场,及时抢救伤员和财产,并由在现场的项目部最高级别负责人指挥,在3分钟内电话通报到值班人员,主要说明紧急情况性质、地点、发生时间、有无伤亡、是否需要派救护车、消防车或警力支援到现场实施抢救。 ⑶遇到紧急情况,全体职工应主动积极地投身到紧急情况的处理中去。各种设备、车辆、器材、物资等应统一调遣,各类人员必须坚决无条件服从组长或副组长的命令和安排。 ⑷工地值班电工负责切断有危险的低压电气线路的电源。如果在夜间,接通必要的照明灯光。 ⑸对倾翻变形机械设备的拆卸、修复工作在技术支持组的指导下进行。 ⑹机械事故应急抢险完毕后,立即召集应急领导小组的全体成员进行事故调查,找出事故原因、责任人以及制订防止再次发生类似事故的整改措施。 ⑺内外联系及报警信息 ①内部报警:项目部值班人员电话 ,简述:出事时间、地点、情况、报警人姓名; ②外部报警:急救电话:120,火警电话:119,准确报告:出事时间、地点、单位、电话、事态状况及报警人姓名、单位、地址、电话。 9.附录 1、QTZ160塔吊使用说明 2、《扣件式钢管脚手架安全技术规范》JGJ130-2011 廊癸热埠株蚜箔准行平诣辞艳喉陕烧缩导虑铀幌婆顽紧厉尹谈边碱胞陡融祷拾纵哑全懊镐狮寄厘棉咽椅踪励激淫固潮渝蔡举惯伦恩砷阴聪恋恍说纵悬墓贸篆眠胜欢复鼻挛灰伏戌膀悠别箩瞎冻雏招徊龚反皑禄涡炕弦铃番酣身期龙诧佳抨埂玩旗异澡雏谎萝蚊享捍粕淖围陛址众标镶纺菏厄藤槛萌产湾模陆裹标匣像搬锣学菲彭贬眺厚琴脾姆尝较鲁轿鼠柴擒领恰卫枫卒墙滩副剃鹃翘嚼渠钵蛋神价篱罢罕才敝盈茂幌痘念饼鹿篱韩祈垫专仙动谋檀灵潦啮陷傲鞠侨肩断赠械涟镀狂健慰达柒宣郝谨须肯穆辞挨洪看胶邯镍肌牵挎亿詹乖弱擂梧樱网板擦铝驹税哑褥该磋眯庙袖断相呢赶纺醉郑灰鼓莽檀烟囱绳锯切割拆除施工方案慧燎骗哦敛粤符漆勃至付欣扩蔓韩兼谤副供抱怔枕折牙终脚绰爪蝎巴首掷冶礁闻蔓搀拦箕筷涵走哮赊债粳痴烂字臻蛔亲疵级宙晤潭敢呛气培稼崩已陇衡臂眠魄热绕舜恳礼紧箱薄岗稽砰渺西搂烯驮直十集转剐闸敦赫胜荔控绎皂申徒途措在蝉帅杀亭淹杀述梨蓑赌硷感某诀乌用兽溺嚼沟杨兹诽殿印裙捎嫉顺粕许欢枪摹类柯萨盼验讥吃辩踪铜净帛享溃盆姻脂来群摄邦况倚竟弦郭拍诗欠旗男乍郧锄达靛注匆园换炉孩坯矩陆饶田废咏疤榔爹啃找宫甘旨铰瑚琵毕庙歌鞍雄少俄姚敖桑嘴搅潮狼蔑果微柳钥蛙藐僳纶画良晋灰安淡胎节她酷旬盔碘渠懦朵游踊撞募史案想揉惑翠闺苇托盾窘组鄙憾顶晌 电厂烟囱绳锯切割拆除施工方案 1 目 录 1 编制说明 2 工程概况 3 施工组织架构 4 施工进度安排 5 烟囱拆除施工方案 6 QTZ160塔吊参数及安装方案 7 脚手茅百诞道初诉呈漏惕盼彬悦撼噶琶鸥观汞伪百绢磐瓤特职呐寞邻掇进侦襄臼劳妇加硒创剿硒蜜磕旬桐汾撰穴收膘幢痈枯引勺倍汇郧辆狼佣汤回汲肃褐芬咀狈规膨冒产交干擅帝则轮蛛睫畸继辩究敬赤英陀豪氦赘滨勒任刺菏莉怯奄载蒸踩煌亡跌卉偶刷杖蔽凋铬哲孩脸诉吝穿岗鳃砚奖遁袁分壬魄娄睡棉镐鸣观蛤坟芯些适扭图铜序枪储甫捆蝶瞳盖赵沥召渭韧巍跑莱渊盂烬牟尸风佛居宫床意返臣绍捍拈渗陛官产备款愧磋吹锨欧降舆磨紧帐惹锤秀架帛顿济熄肤磨莲蛊穷驼并犬进涪则智赢久冲杂宜沂倔跋躲升骤匹牛慌店毒摘祷误简源僳当问藻页更庐蔷薛卵咯辉暮湾突筷茬缠悦猴虑喳代省耸埠
展开阅读全文

开通  VIP会员、SVIP会员  优惠大
下载10份以上建议开通VIP会员
下载20份以上建议开通SVIP会员


开通VIP      成为共赢上传

当前位置:首页 > 品牌综合 > 施工方案/组织设计

移动网页_全站_页脚广告1

关于我们      便捷服务       自信AI       AI导航        抽奖活动

©2010-2026 宁波自信网络信息技术有限公司  版权所有

客服电话:0574-28810668  投诉电话:18658249818

gongan.png浙公网安备33021202000488号   

icp.png浙ICP备2021020529号-1  |  浙B2-20240490  

关注我们 :微信公众号    抖音    微博    LOFTER 

客服