收藏 分销(赏)

硫铝酸盐早强混凝土施工工艺.docx

上传人:丰**** 文档编号:10162175 上传时间:2025-04-24 格式:DOCX 页数:2 大小:63.84KB 下载积分:5 金币
下载 相关 举报
硫铝酸盐早强混凝土施工工艺.docx_第1页
第1页 / 共2页
硫铝酸盐早强混凝土施工工艺.docx_第2页
第2页 / 共2页
本文档共2页,全文阅读请下载到手机保存,查看更方便
资源描述
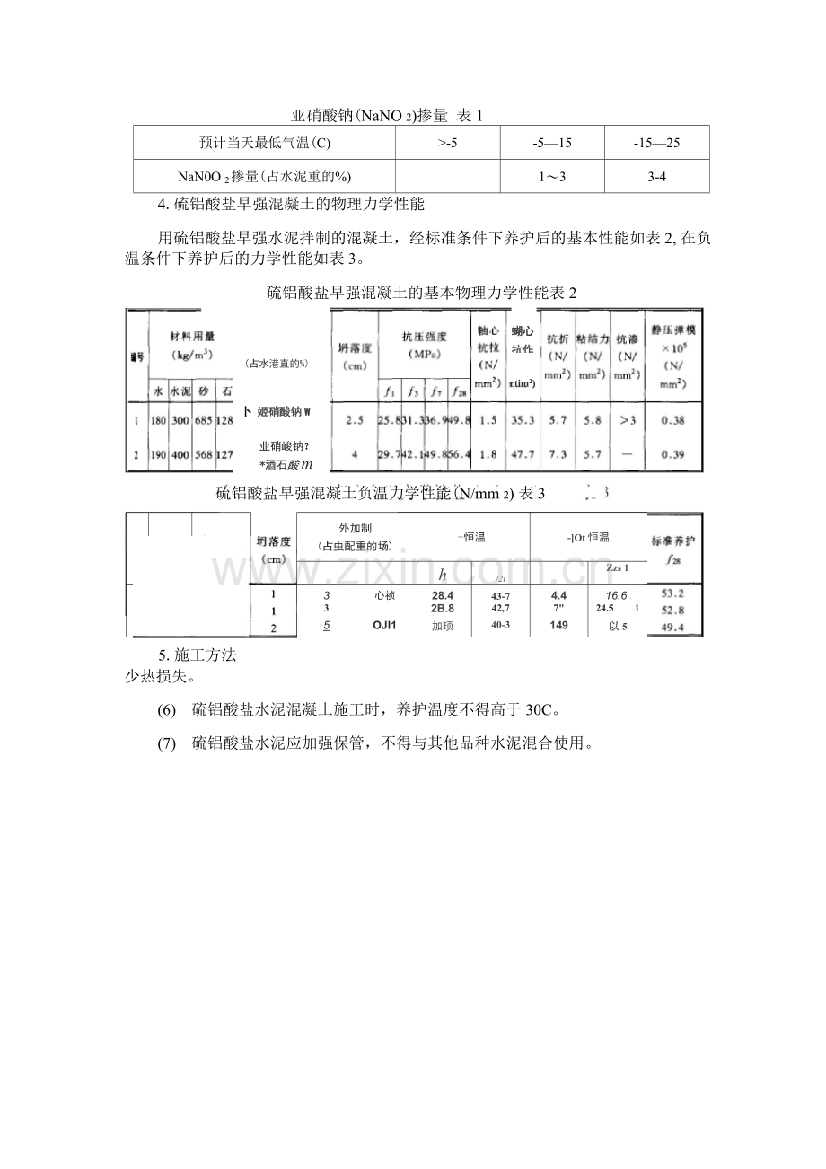
硫铝酸盐早强混凝土施工工艺 1. 工艺特点 硫铝酸盐早强水泥是以石灰石、矾土和二水石膏为主要原料,经锻烧所得以 无水硫铝酸钙和。型硅酸二钙为主要成分的熟料,加入适量石膏,磨细制成的一 种水泥。其特性是:水化速度快,早期强度高,低温性能好,干燥收缩小,在潮 湿环境中有微膨胀性,早期液相碱度较低,钢筋有轻度锈蚀,耐热性较差。 用硫铝酸盐水泥拌制的混凝土,在常温条件下3d抗压强度即可达到30MPa。 在负温条件下施工时,通过将拌合水加热,使混凝土具有一定的入模温度,浇筑 后覆盖保温,必要时适当加热,使浇筑初期保持正温养护,在拌合物中加入适当 外加剂,在短期内可获得较高强度。 2. 适用范围 在常温下施工,可用于抢修抢建和接缝堵漏工程。在冬期+5〜-15C的气温 下,可用于混凝土和钢筋混凝土工程。由于钙矾石在高温下要转化为单硫型水化 硫铝酸钙,所以硫铝酸盐水泥不能用于使用温度经常高于1C的部位和有防火 要求的结构物。对于抗冻融要求较高(》F50 )的工程,应先做系统试验后使用。 不宜用于大体积混凝土。 3. 外加剂的选择 在常温条件下施工,为了增加流动度和延长凝结时间,可掺入减水剂,常用 品种和掺量(占水泥重)为(分别使用); 三聚氯酰胺(SM )0.4% 糖蜜减水剂0.2% 木质素磺酸钙0.25% 在常温下施工的钢筋混凝土结构,为避免钢筋锈蚀,可掺入占水泥重0.5%〜 1%的亚硝酸钠阻锈。 在负温下施工时,为加速硬化,在混凝土中宜掺入亚硝酸钠,掺量可按表1 选用。 亚硝酸钠(NaNO 2)掺量 表1 预计当天最低气温(C) >-5 -5—15 -15—25 NaN0O 2掺量(占水泥重的%) 1〜3 3-4 4.硫铝酸盐早强混凝土的物理力学性能 用硫铝酸盐早强水泥拌制的混凝土,经标准条件下养护后的基本性能如表2, 在负温条件下养护后的力学性能如表3。 硫铝酸盐早强混凝土的基本物理力学性能表2 卜 姬硝酸钠W (占水港直的%) 蝴心 抗作 rtim2) 业硝峻钠? *酒石酸m 硫铝酸盐早强混凝土负温力学性能(N/mm 2) 表3 水泥用量 Ckg/rn ) 1 0.5t 3 : IL51 3 3 0.301 3加 5.施工方法 外加制 (占虫配重的场) -恒温 -]Ot恒温 h /2t Zzs 1 3 心祯 28.4 43-7 4.4 16.6 3 2B.8 42,7 7" 24.5 1 5 OJI1 加顼 40-3 149 以5 少热损失。 (6) 硫铝酸盐水泥混凝土施工时,养护温度不得高于30C。 (7) 硫铝酸盐水泥应加强保管,不得与其他品种水泥混合使用。
展开阅读全文

开通  VIP会员、SVIP会员  优惠大
下载10份以上建议开通VIP会员
下载20份以上建议开通SVIP会员


开通VIP      成为共赢上传

当前位置:首页 > 品牌综合 > 技术交底/工艺/施工标准

移动网页_全站_页脚广告1

关于我们      便捷服务       自信AI       AI导航        抽奖活动

©2010-2025 宁波自信网络信息技术有限公司  版权所有

客服电话:0574-28810668  投诉电话:18658249818

gongan.png浙公网安备33021202000488号   

icp.png浙ICP备2021020529号-1  |  浙B2-20240490  

关注我们 :微信公众号    抖音    微博    LOFTER 

客服