收藏 分销(赏)

预制阳台、雨罩、通道板安装分项工程质量管理.docx

上传人:人****来 文档编号:10153504 上传时间:2025-04-23 格式:DOCX 页数:4 大小:22.21KB 下载积分:5 金币
下载 相关 举报
预制阳台、雨罩、通道板安装分项工程质量管理.docx_第1页
第1页 / 共4页
预制阳台、雨罩、通道板安装分项工程质量管理.docx_第2页
第2页 / 共4页


点击查看更多>>
资源描述
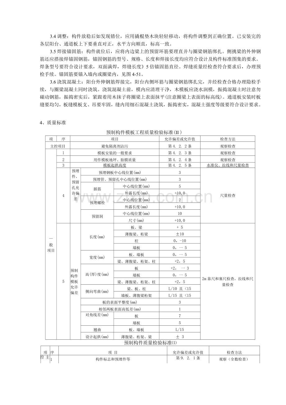
预制阳台、雨罩、通道板安装工程质量管理 1、依据标准 《建筑工程施工质量验收统一标准》GB503-21 《钢筋混凝土结构工程施工质量验收规范》GB50204-22 《高层建筑混凝土技术规程》JGJ3 -22 《普通混凝土配合比设计规程》JGJ55 - 2011 《砌筑砂浆配合比设计规程》JGJ98 - 2010 《普通混凝土用砂质量标准及检验方法》JGJ52 - 92 《普通混凝土用碎石和卵石质量标准及检验方法》JGJ53 - 92 《混凝土外加剂应用技术规范》GBJ119 -88 2、施工准备 2.1材料及主要机具: 构件:钢筋混凝土预制阳台、雨罩、通道板的型号、质量应符合要求。并应有构件出厂合格证。 水泥:325号以上硅酸盐水泥、普通硅酸盐水泥和矿渣硅酸盐水泥。应有出厂证明。 砂、石:中砂或粗砂,粒径0.5〜3.2cm的石子。 混凝土外加剂:早强剂、减水剂等应符合有关标准的规定。掺量由试验室确定。 焊条:焊I级钢用E4303焊条,焊II级钢用E53或E4303焊条,应有出厂证明。 锚固有钢筋:规格、品种、尺寸等符合构件图集要求。 火烧丝:20号火烧丝。 支撑用料:1mm x 1mm木立柱或工具式钢管支柱,50mm x 1mm木拉杆,50mm厚木垫板,木楔及钉子等。 主要机具:撬棍、吊钩、吊索具、卡环、钢楔等。 2.2作业条件: 安装前应在构件和墙上弹出构件外挑尺寸控制线及两侧边线,校核标高。 凿出并调直阳台边梁内及走道板内的预埋环筋。 检查阳台及走道板两侧挑梁外伸锚固钢筋的直径及外露长度是否符合设计要求,并将甩筋理直。 将安装阳台、雨罩、通道板的砖墙或混凝土墙的上按标高用水泥砂浆找平。 阳台、雨罩、通道板的临时支撑应有足够的强度和稳定性。立柱要加剪刀撑,用水平拉杆与门窗洞的墙体拉接牢固。安装前应对临时支撑顶部进行抄平,底部楔子应用钉子与垫板钉牢。吊装上层阳台或走道板时,下面至少保留三层木支撑。 大模板墙体混凝土强度达到4MPa以上。 所有构件上的预埋件预先剔出露明,并将预埋件表面残留砂浆等物清理干净。 3、操作工艺 3.1工艺流程: 坐浆T吊装T调整T焊接T浇筑混凝土。 3.2坐浆:安装构件前将墙身上的找平层清扫干净,并浇水灰比为0.5的素水泥浆一层,随即安装,以保证构件与墙体之间不留缝隙。 3.3吊装:构件起吊时务使每个吊钩同时受力,吊绳与平面的夹角应不小于45。。当构件吊至比楼板上平面稍高时暂停,就位时使构件先对准墙上边线,然后根据外挑尺寸控制线,确定压墙距离轻轻放稳(如设计无要求时,压入墙内不少于10cm),挑出部分放在临时支撑上。 3.4调整:构件放稳后如发现错位,应用撬棍垫木块轻轻移动,将构件调整到正确位置。已安装完的各层阳台、通道板上下要垂直对正,水平方向顺直,标高一致。 3.5焊接锚固筋:构件就位后,应将内边梁上的预留环筋要理直并与圈梁钢筋绑扎。侧挑梁的外伸钢筋还应搭接焊锚固钢筋,锚固钢筋的型号、规格、长度和焊接长度均应符合设计及构件标准图集的要求。焊条型号要符合设计要求,双面满焊,焊缝长度》5倍锚固筋直径。焊缝质量经检查符合要求后,办理预检手续。锚固筋要锚入墙内或圈梁内,见图4-51。 3.6浇筑混凝土:阳台外伸钢筋焊接完,阳台内侧环筋与圈梁钢筋绑扎完,并经检查合格办理隐检手续,与圈梁混凝土同时浇筑。浇筑混凝土前,模内应清理干净,木模板应浇水润模,振捣混凝土时注意勿碰动钢筋,振捣密实后,紧跟着用木抹子将圈梁上表面抹平(注意圈梁上表面的标高线)。通道板安装时板缝要均匀,板缝模板支、吊要牢固,缝内用细石混凝土浇筑,振捣密实,混凝土强度等级要符合设计要求。 4、质量标准 预制构件模板工程质量检验标准(II ) 项 序 项目 允许偏差或允许值 检查方法 主控项目 避免隔离剂沾污 第4. 2. 2条 观察检查 — 般 项目 l 模板安装的一般要求 第4. 2. 3条 观察检查 2 用作模板地坪、胎膜质量 第4. 2. 4条 观察检查 3 模板起拱高度 第4. 2. 5条 水准仪、拉线和尺量检查 4 预埋件、预留孔允许偏差 预埋钢板中心线位置(mm) 3 尺量检查 预埋管、预留孔中心线位置(mm) 3 插筋 中心线位置(mm) 5 外露长度(mm) +10,0 预埋螺栓 中心线位置(mm) 2 外露长度(mm) +10,0 预留洞 中心线位置(mm) 10 尺寸(mm) +10,0 5 预制构件模板 允许偏差 长度(mm) 板、梁 + 5 2m靠尺和塞尺检查,拉线和尺量检查 薄腹梁、桁梁 ±10 柱 0,-10 墙板 0,一 5 宽度(mm) 板、墙板 0,一 5 梁、薄腹梁、桁架、柱 +2,5 高(厚)度(mm) 板 +2, 一 3 墙板 0,一 5 梁、薄腹梁、桁架、柱 +2,5 侧向弯曲(mm) 梁、板、柱 L/10 且 <15 墙板、薄腹梁桁架 L/15 且 <15 板的表面平整度(mm) 3 相邻两板表面高低差(mm) 1 对角线差(mm) 板 7 墙板 5 翘曲 板、墙板 L/15 设计起拱(mm) 薄腹梁、桁架、梁 ± 3 预制构件质量检验标准⑴ 项 序 项 目 允许偏差或允许值 检查方法 主控项目 1 构件标志和预埋件等 第9. 2. 1条 观察(全数检查) 2 外观质量严重缺陷处理 第9. 2. 2条 观察和检查技术处理方案 (全数检查) 3 过大尺寸偏差处理 第9. 2. 3条 量测和检查技术处理方案 (全数检查) — 般项 目 1 外观质量一般缺陷处理 第9. 2. 4条 观察和检查技术处理方案 (全数检查) 2 长度(mm) 板'梁 +10, 5 尺量检查 柱 +5, -10 墙板 + 5 薄腹梁沛架 +15, -10 3 宽度,高(厚)(mm) 板\梁\柱\墙板\薄腹梁'桁架 + 5 尺量一端及中部,取较大着 4 侧向弯曲(mm) 梁、柱、板 L/ 75 0 且 <20 拉线、尺量最大测向弯曲处 墙板、薄腹梁、桁架 L/ 10 且<20 5 预埋件 中心线位置(mm) 10 尺量检查 螺栓位置(mm) 5 螺栓外露长度(mm) +10, 5 6 预留孔 中心线位置(mm) 5 尺量检查 7 预留洞 中心线位置(mm) 15 尺量检查 8 主筋保护层厚度(mm) 板 +5, 一 3 尺量或厚度测定仪 梁\柱\墙板\薄腹梁'桁架 +10, 5 9 对角线差(mm) 板、墙板 10 尺量两个对角线 10 表面平整度(mm) 板、墙板、柱、梁 5 2m靠尺及塞尺检查 11 预应力构件预留孔道位度(mm) 梁储板\薄腹梁\桁架 3 尺量检查 12 翘曲(mm) 板 U750 调平尺在两端测量 墙板 L/10 装配式结构施工质量检验标准(II) 项 序 项 目 允许偏差或允许值 检查方法 主控项目 1 预制构件进场检查 第9. 4. 1条 检查构件合格证(按批检查) 2 预制构件的连接 第9. 4. 2条 观察,检查施工记录(全数检查) 3 接头和拼缝的混凝土强度 第9. 4. 3条 检查施工记录及试件强度试验报告 (全数检查) 一 般 项目 l 预制构件支承位置和方法 第9. 4. 4条 观察(全数检查) 2 安装控制标志 第9. 4. 5条 观察、尺量检查(全数检查) 3 预制构件吊装 第9. 4. 6条 观察(全数检查) 4 临时固定措施和位置校正 第9. 4. 7条 观察、尺量检查(全数检查 5 接头和拼缝的质量要求 第9. 4. 8条 观察、尺量检查(全数检查 5、成品保护 5.1构件重叠码放时应加垫木,为使吊环不被压坏,垫木厚度应不小于90mm,且上下层垫木位置应垂直对正。堆放场地应平整夯实。每堆构件码放不要超过10块。 5.2剔凿预埋钢筋和预埋铁件时,不得损坏构件。 5.3运输和安装过程中,不得任意断伤构件外露钢筋。 5.4安装构件时,不得碰坏砖墙或混凝土墙。 6、应注意的质量问题 6.1安装不平:临时支撑顶部和水泥砂浆找平层必须在一个水平面上。 6.2位置不准确:安装时必须按控制线及标高就位,若有偏差应及时调整。 6.3支座不实:应注意找平层的平整,安装时应浇水泥素浆,安装完仍有孔隙,应用干硬性砂浆塞实。 6.4锚固筋长度及搭接焊不符合要求:原因是任意弯断阳台外露钢筋,造成锚固长度不够。锚固筋采用搭接焊时,宜采用双面焊缝,但有时改为单面焊时,造成钢筋锚固长度或焊接长度不够。 6.5锚固筋未伸进墙内或圈梁内:由于构件安装时位置不准确,使锚固筋与混凝土墙体位置错开,吊装时应按位置线就位。 6.6阳台、通道板上下不垂直:主要原因是安装时没有按位置线就位。 6.7阳台、通道板下缝渗水:由于未认真做防水处理。安装完之后应随时将外边缝3cm宽的垫浆剔掉,按设计要求做防水处理。通道板之间缝隙必须用细石混凝土浇筑密实。 7、质量记录 7.1构件合格证。 7.2钢筋出厂证明或检验报告。 7.3钢筋机械性能试验报告。 7.4焊接接头拉伸试验报告。 7.5水泥出厂合格证及试验报告。 7.6砂石试验报告。 7.7焊条合格证。 7.8钢筋隐检记录,构件安装预检记录。
展开阅读全文

开通  VIP会员、SVIP会员  优惠大
下载10份以上建议开通VIP会员
下载20份以上建议开通SVIP会员


开通VIP      成为共赢上传

当前位置:首页 > 包罗万象 > 大杂烩

移动网页_全站_页脚广告1

关于我们      便捷服务       自信AI       AI导航        抽奖活动

©2010-2025 宁波自信网络信息技术有限公司  版权所有

客服电话:0574-28810668  投诉电话:18658249818

gongan.png浙公网安备33021202000488号   

icp.png浙ICP备2021020529号-1  |  浙B2-20240490  

关注我们 :微信公众号    抖音    微博    LOFTER 

客服