收藏 分销(赏)

原料检验科新员工培训方案.docx

上传人:鼓*** 文档编号:10146565 上传时间:2025-04-23 格式:DOCX 页数:9 大小:32.39KB 下载积分:8 金币
下载 相关 举报
原料检验科新员工培训方案.docx_第1页
第1页 / 共9页
原料检验科新员工培训方案.docx_第2页
第2页 / 共9页


点击查看更多>>
资源描述
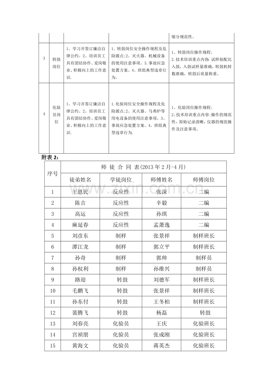
原料检验科新员工培训方案 一、培训目的 为使新员工意识、能力和经验能够满足岗位要求,保证检化验工作的顺利开展,特制订本培训方案。 二、培训方式 1。集中培训:从廉政思想教育、安全、技能三个方面分岗位对新员工进行集中培训,详见附表1. 2.一对一培训:通过签订师徒合同,师傅一对一带徒弟,在思想、安全、技能等方面对徒弟进行细致的培训,详见附表2。 3。现场培训:技术员不定期到现场对上白班新员工进行培训、答疑、监督。 三、培训效果考核 培训效果分三个阶段: 1。第一阶段(2月份):能够在师傅的指导下,完成实验; 2.第二阶段(3月份):能够独立完成实验; 3。第三阶段(4月份):能够独立、熟练、标准的完成实验; 通过理论和实际操作两方面对培训效果进行考核.详见附表3。 四、奖励 分阶段每月初对上月实习学生进行考核并排名,前三名新工的师傅给予奖励,第一名奖励300元,第二名奖励200元,第三名奖励100元. 附表1: 序号 岗位 应知应会内容 思想教育方面 安全方面 技能方面 1 焦炭反应性岗位 1.学习并签订廉洁自律公约。2。培训员工具有团结协作、爱岗敬业、积极向上的工作意识。 1.焦炭反应性岗位安全操作规程及危险源点;2。灭火器、气体钢瓶的使用注意事项。3。事故应急处置方案。4。班组典型违章行为。 1。焦炭反应性岗位操作规程;2.技术培训重点:试样的修整,试样入炉,设备气密性的检查,实验过程的控制与检查. 2 制样岗位 1。学习并签订廉洁自律公约。2。培训员工具有团结协作、爱岗敬业、积极向上的工作意识. 1.制样岗位安全操作规程及危险源点;2.灭火器、机械设备的使用注意事项。3。事故应急处置方案。4.班组典型违章行为。 1.制样岗位操作培训; 2。水分检验技术培训重点:试样量称量准确且试样要平铺在托盘中,烘箱的温度,烘样时间.3.制样技术培训重点:试样破碎、混匀缩分规范性。 3 转鼓岗位 1。学习并签订廉洁自律公约。2。培训员工具有团结协作、爱岗敬业、积极向上的工作意识. 1。转鼓岗位安全操作规程及危险源点;2。灭火器、机械设备的使用注意事项。3.事故应急处置方案。4。班组典型违章行为。 1。转鼓岗位操作规程; 2.技术培训重点内容:试样按配比入鼓,入鼓试样量准确,转鼓机转数准确,转鼓后质量称重。 4 化验员岗位 1。学习并签订廉洁自律公约。2。培训员工具有团结协作、爱岗敬业、积极向上的工作意识. 1.化验岗位安全操作规程及危险源点;2。灭火器、马弗炉等用电设备的使用注意事项。3。事故应急处置方案。4。班组典型违章行为. 1、化验岗位操作规程; 2、技术培训重点内容:操作的规范性,原始记录清晰,仪器的规范操作及注意事项。 附表2: 序号 师 徒 合 同 表(2013年2月-4月) 徒弟姓名 学徒岗位 师傅姓名 师傅岗位 1 王恩民 反应性 张深 二编 2 陈吉 反应性 辛毅 二编 3 高运 反应性 孙琪 二编 4 麻延春 反应性 孟萧逸 二编 5 刘彦东 制样 张景祥 制样班长 6 潭江龙 制样 郭立平 制样班长 7 孙奇 制样 郭帅 制样员 8 孙权利 制样 孙维兴 制样员 9 路迎 转鼓 刘德军 制样班长 10 毛鹏飞 转鼓 张景祥 制样班长 11 孙东付 转鼓 王冬柏 制样班长 12 裴腾飞 转鼓 杨磊 转鼓 13 刘春亮 化验员 王庆 化验班长 14 宫祯朋 化验员 张成刚 化验班长 15 黄海文 化验员 蒋英杰 化验班长 16 李东海 化验员 刘卫东 化验班长 17 崔磊 化验员 李洪文 化验员 18 李文龙 化验员 于赟 化验员 19 常健 化验员 古睿 化验员 20 赵昌明 合金化验 崔健 合金化验 附表3: 3.1各项培训内容所占比重 考评重点 占比 实际操作 60分 理论方面 安全培训10分 40分 思想教育10分 技能培训10分 设备培训10分 3.2各阶段理论培训试题及答案 新员工培训试题及答案(第一阶段) 姓名 岗位 成绩 本试卷共分四个部分,满分40分. 一、安全培训考评(每空2分,共10分) 1. 当发现有煤气泄漏事故后,撤离时一定要注意观察室外的风向,向(逆风)方向撤离。 2. 用灭火器灭火时,应对着火点的( 火源根部 )喷射进行灭火。 3. 在使用高温设备时,必须配戴(防护手套),取放样品时要使用专用工具。 4。在对触电人员进行施救时,一定要先关掉漏电设备的(配电箱电源),以确保设备完全断电。 5。 公司急救站电话是( )。 二、思想教育培训考评(每空2分,共10分) 6。 在检验工作中,决不出现吃、拿、(卡、要)现象。 7. 决不收受(客户)的礼品、礼金和各种有价证券及试用、借用客户(财物)。 8. 决不参加客户宴请和其他(娱乐活动)。 9. 决不人为制造(假样)。 10。 发现有作弊行为(无论是外部还是内部)及时(举报)。 三、技能培训考评(每空2分,共10分) 11. 测定煤的全水分时,所用干燥箱温度为( 105~110℃ ). 12。 试样混匀缩分过程中,至少要转移堆锥( 3 )次 13. 焦炭反应性试样的粒度要求在(23mm)和25mm之间。 14。 测定矿粉中氧化亚铁时,试样应称取(0.5000)g。 15。 测定活性石灰快的活性度时,所用盐酸标准溶液的浓度为(4mol/L). 四、设备培训考评(每空2分,共10分) 16. 使用破碎机时,应先(启动破碎机),再向破碎机中装料。 17。 使用电子天平时,应先清扫天平,然后调节(天平水平)。 18. 进行融片操作时,融片机的摇摆时间为(6.0)min。 19. 进行压片操作时,压片机的保压为时间( 15 )S。 20。 测定焦炭灰分时,马弗炉的温度为(815±10)℃。 新员工培训试题及答案(第二阶段) 姓名 岗位 成绩 本试卷共分四个部分,满分40分。 一、安全培训考评(每空2分,共10分) 1。 设备着火时,首先要立即切断火灾事故设备的(总电源),阻止事故扩大. 2。 化学药品火灾绝对不能用( 水 )进行扑救。 3。 在使用仪器设备时,严禁用(湿手)进行操作或把试剂撒到仪器设备上。 4. 发现化学药品泄漏,首先要判断出泄漏药品的(性质),有针对性的采取措施. 5. 发生煤气泄漏时,国家标准的警戒值是(160ppm). 二、思想教育培训考评(每条2分,共10分) 写出5条廉洁自律公约内容 1。决不人为制造假样。2。决不内外勾结,以次充好。3.决不徇私舞弊。4.决不私自编造或更改检化验数据。5.决不私改标准、作业规程或不按标准规程执行。6。决不推卸责任。7.决不无理取闹、消极怠工。8.决不马虎大意造成失误。9。做事公平、不偏不倚、以理服人。10。决不出现吃、拿、卡、要现象。11。决不收受客户的礼品、礼金和各种有价证券及试用、借用客户财物。12.决不参加客户宴请和其他娱乐活动。13.发现有作弊行为(无论是外部还是内部)及时举报。14.决不违反公司规章制度参与其他违法乱纪活动。 三、技能培训考评(每空2分,共10分) 11。 测定矿粉的全水分时,所用干燥箱温度为( 140~150℃ )。 12。 焦炭热反应性试验中,通二氧化碳反应时间为( 2 )h. 13. 焦炭转鼓出鼓后称量试样总质量应在(50±0。3)kg范围内,否则试验作废。 14. 进行融片操作时,称取四硼酸锂的质量为(6.0000)g。 15. 测定辅料中二氧化硅时,碱融时所用的试剂为(过氧化钠)。 四、设备培训考评(每空2分,共10分) 16. 进行焦炭转鼓测定时,转数应为( 100转 )。 17。 测定焦炭灰分时,马弗炉的温度为( 815±10 )℃。 18。 测定焦炭反应性时,当料层中心温度达到(1100)℃时,切断氮气,改通二氧化碳。 19。 S4型X射线荧光光谱仪测量程序的英文单词为( loader )。 20.使用红外碳硫仪测定矿粉中硫元素时,所加入的助熔剂是(纯铁)和纯钨。 新员工培训试题及答案(第三阶段) 姓名 岗位 成绩 本试卷共分四个部分,满分40分。 一、安全培训考评(每空2分,共10分) 1。 焦炭热反应实验中,取放反应器时,应佩戴(棉手套). 2。 气体钢瓶安装时,扳手要(适当)用力,在保证瓶嘴无泄漏的情况下,必须保留一定的紧固余量。 3。 转鼓试验开始前,须检查仪器状态,将( 摇把 )取下,方可开始试验。 4。化学试剂的加热必须在(通风橱内)进行。 5.电气火灾要确保关掉(设备电源)后才能进行施救。 二、思想教育培训考评(共10分) 写出学习廉洁自律公约的体会 三、技能培训考评(每空2分,共10分) 11。 测定焦炭的全水分时,所用干燥箱温度为( 170~180℃ ). 12。 焦炭反应性指标以(损失的焦炭质量)占反应前试样总质量的百分数表示. 13。 铁矿石全铁含量的测定,称取试样质量是0。4000g或(0。5585)g。 14. 辅料中氧化钙含量测定,所使用的EDTA 标准溶液的浓度是( 0。20mol/L )。 15. 测定煤的灰分时,灼烧时间为(1)h,检查性灼烧时间为15min。 四、设备培训考评(每空2分,共10分) 16. 使用分光光度计时,调整波长后,必须( 调零 ). 17。 如果自动量热仪位置被挪动,则必须重新进行( 热容量标定 ),方可使用。 18. 使用红外碳硫仪时,必须先开仪器电源开关,再打开(高频)开关。 19.使用压片机压片时,片的表面应(光洁、无杂质)。 20.当S4型X射线荧光光谱仪Alarm灯常亮时,表明仪器出现(故障)。 3。3实际操作培训 3。3。1化验员岗位实际操作考核评分表 考核项目 考核内容 考核要求 配分 评分标准 扣分 得分 准备工作 玻璃仪器 1.洗涤:洗涤次数与洁净程度 4 未用自来水冲洗扣0。5分,洗涤不净扣0。5分. 2.涂凡士林:操作正确,凡士林涂抹适量 4 未擦干活塞扣0。5分, 凡士林用量不合适扣0。5分,涂抹不均匀扣0。5分. 3.滴定管检漏:方法正确得当 4 未将活塞旋转180度检查扣1分 4.装溶液、赶气泡:用药液洗涤滴定管操作正确,管端无气泡 4 洗涤不正确扣0。5分, 活塞或管端有气泡扣1分 样 品检 验 1。称 样 用电子天平称取试样,天平操作正确,称样动作连贯、称量结果准确 4 每处不符合扣1分 2。样品处理 按规程要求进行还原,还原剂不能加入过量,其他试剂加入顺序恰当 4 还原剂加入过量扣2分, 其它试剂顺序加入不当每处扣1分。 3.滴定操作 试剂用量正确,标准溶液加入的速度控制适中,摇荡均匀自然 4 试剂用量不正确扣1分,标准溶液加入的速度控制不适中扣1分,摇荡不均匀自然扣1分. 4。终点观察 能在滴定到达终点时,准确观察到紫红色的出现 4 观察不到颜色变化扣2分 安全生产 安全操作 遵守原料化验安全技术操作规程及安全注意事项 10 违反一条扣1分 工作定额 单个样品全部操作限时完成 全部操作过程应在30分钟内完成 8 每超过1分钟扣2分 数据准确性 结果计算 1.确定有效数字 2。结果准确性 10 结果一般超差(1倍至2倍误差之间)扣2分,严重超差(2倍误差至3倍误差之间)扣5分.数据离群(3倍误差以上)扣10分。 3.3。2制样岗位实际操作考核评分表 考核项目 考核内容 考核要求 配分 评分标准 扣分 得分 制样准备工作 1.核对物料信息,正确填写试样袋。 1.试样袋的填写信息与收到物料一致。 5 每处不符合扣1分 2。检查设备。 2.设备是否正常。 5 每处不符合扣1分 制样过程 1。试样预先干燥过程。 1.将试样混匀、缩分出规定质量。 2.放入干燥箱中预先干燥。 10 每处不符合扣2分 2。制样过称。 1。破碎:是否开机前检测机器、用待破碎样品清洗机器。 2.混匀:是否用堆锥法混匀,混匀次数是否够三次. 3。缩分:是否用四分法缩分,缩分后剩余的试样量是否够用. 4.筛分:是否用规定的标准筛进行筛分. 20 每处不符合扣2分 安全生产 安全操作 遵守原料制样安全技术操作规程及安全注意事项。 10 每处不符合扣2分 工作定额 全部操作限时完成 全部操作过程应在20分钟内完成(不包括预干燥时间) 10 每超过1分钟扣2分 3。3.3转鼓岗位实际操作考核评分表 考核项目 考核内容 考核要求 配分 评分标准 扣分 得分 转鼓准备工作 1.核对物料信息,正确填写台账。 1.台账记录的填写信息与收到物料一致. 5 每处不符合扣1分 2。检查设备。 2。设备是否正常。 5 每处不符合扣1分 转鼓过程 1。试样预先干燥过程。 1.将试样混匀、筛分出规定质量。 2。放入干燥箱中预先干燥. 10 每处不符合扣2分 2。转鼓过程. 1. 筛分:是否将干燥后的试样用Ф60mm的圆孔筛再次进行筛分; 2。称量:是否取筛上试样50kg(称准至0.1kg)入鼓. 3。出鼓后称量试样总质量应在50±0.3kg范围内。 4.鼓后试样筛分及计算是否准确。 20 每处不符合扣2分 安全生产 安全操作 遵守转鼓岗位安全技术操作规程及安全注意事项。 10 每处不符合扣2分 工作定额 全部操作限时完成 全部操作过程应在60分钟内完成(不包括预干燥时间) 10 每超过1分钟扣2分 3。3。4焦炭反应性岗位实际操作考核评分表 考核项目 考核内容 考核要求 配分 评分标准 扣分 得分 准备工作 1。核对物料信息,正确填写台账。 1.台账记录的填写信息与收到物料一致。 5 每处不符合扣1分 2.检查设备。 2.设备是否正常。 5 每处不符合扣1分 试验过程 1.试样修整. 1。试样外形修整是否合格. 2。泡焦是否挑选弃去。 3.转鼓后试样是否筛分。 10 每处不符合扣2分 2.试验过称。 1.入反应器:高铝球高度是否合格,反应器是否加垫。 2.气密性:试验前是否检查气密性及气瓶压力。 3。反应过程:是否观察气体流量,及外排气情况. 4。称量计算:是否按规定进行转鼓、称量和计算. 20 每处不符合扣2分 安全生产 安全操作 遵守原料制样安全技术操作规程及安全注意事项。 10 每处不符合扣2分 工作定额 全部操作限时完成 全部操作过程应在6小时内完成(不包括预干燥时间) 10 每超过1分钟扣2分 直到今年,她学习书法已有十年,于2001年进入xx小学,并于同年开始学习软笔书法,此间多次获得各级书法大赛金、银奖,书画考级十级,书法作品多次被送往全国各地,日本及波兰进行展览。
展开阅读全文

开通  VIP会员、SVIP会员  优惠大
下载10份以上建议开通VIP会员
下载20份以上建议开通SVIP会员


开通VIP      成为共赢上传

当前位置:首页 > 教育专区 > 职业教育

移动网页_全站_页脚广告1

关于我们      便捷服务       自信AI       AI导航        抽奖活动

©2010-2026 宁波自信网络信息技术有限公司  版权所有

客服电话:0574-28810668  投诉电话:18658249818

gongan.png浙公网安备33021202000488号   

icp.png浙ICP备2021020529号-1  |  浙B2-20240490  

关注我们 :微信公众号    抖音    微博    LOFTER 

客服