收藏 分销(赏)

城市桥梁工程施工质量检查评分表.doc

上传人:鼓*** 文档编号:10137701 上传时间:2025-04-23 格式:DOC 页数:33 大小:460.04KB 下载积分:8 金币
下载 相关 举报
城市桥梁工程施工质量检查评分表.doc_第1页
第1页 / 共33页
城市桥梁工程施工质量检查评分表.doc_第2页
第2页 / 共33页


点击查看更多>>
资源描述
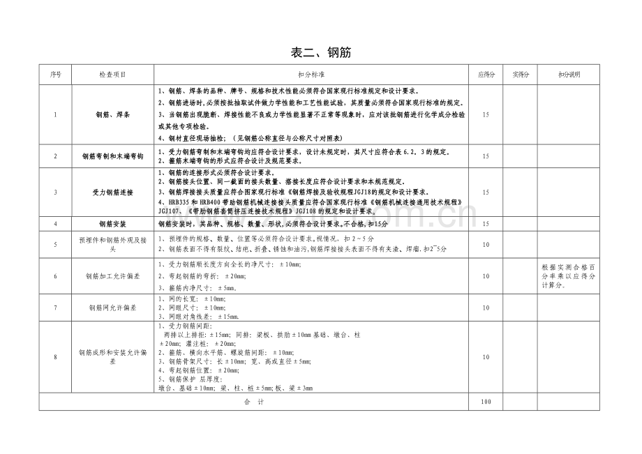
表一、模板、支架和拱架 序号 检查项目 扣分标准 应得分 实得分 扣分说明 1 模板、支架和拱架制作及安装 模板、支架与拱架制作及安装应符合施工设计图(施工方案)的规定,且稳固牢靠,接缝严密,立柱基础有足够的支撑面和排水、防冻融措施. 25 2 模板制作 模板制作允许偏差: 1、木模板: 1)模板的长度和宽度±5mm; 2)平板模板表面最大的局部不平(刨光模板)3mm; 3)平板模板表面最大的局部不平(不刨光模板)5mm; 2、钢模板: 1)模板的长度和宽度0,-1mm; 2)肋高±5mm; 3)板面局部不平1。0mm; 25 根据实测合格百分率乘以应得分计算,若低于80%,则计零分,以下均同 3 模板、支架和拱架安装 模板、支架和拱架安装允许偏差应符合表 5.4.3 的规定。 1、表面平整:清水模板3mm;混水模板5mm;钢模板3mm 2、垂直度:1)墙、柱:H/1000,且不大于6mm;2)墩、台:H/500,且不大于20mm; 3)塔柱:H/3000,且不大于30mm 3、模内尺寸:1)基础:±10mm;2)墩、台:+5,—8mm;3)梁、板、墙、柱、桩、拱+3,-6 mm; 4、轴线错位:1)基础15 mm;2)墩、台、墙10 mm;3)梁、柱、拱、塔柱8 mm; 4)悬浇各梁段8 mm;5)横隔墙5 mm 5、支承面高程:+2,—5 mm 6、悬浇各梁段底面高程:+10,0 mm 7、预埋件:1)支座板、锚垫板、连接板等:位置5mm,平面高差2mm; 2)螺栓、锚筋等:位置3mm,外露长度±5mm; 8、梁底模板拱度:+5,-2mm; 25 4 预埋件 固定在模板上的预埋件、预留孔内模不得遗漏,且应安装牢固。 25 合 计 100 注:本评分表参照《CJJ2—2008城市桥梁工程施工与质量验收规范》编制。 表二、钢筋 序号 检查项目 扣分标准 应得分 实得分 扣分说明 1 钢筋、焊条 1、钢筋、焊条的品种、牌号、规格和技术性能必须符合国家现行标准规定和设计要求。 2、钢筋进场时,必须按批抽取试件做力学性能和工艺性能试验,其质量必须符合国家现行标准的规定。 3、当钢筋出现脆断、焊接性能不良或力学性能显著不正常等现象时,应对该批钢筋进行化学成分检验或其他专项检验。 4、钢材直径现场抽检;(见钢筋公称直径与公称尺寸对照表) 15 2 钢筋弯制和末端弯钩 1、受力钢筋弯制和末端弯钩均应符合设计要求,设计未规定时,其尺寸应符合表6.2。3的规定。 2、箍筋末端弯钩的形式应符合设计及规范要求。 15 3 受力钢筋连接 1、钢筋的连接形式必须符合设计要求。 2、钢筋接头位置、同一截面的接头数量、搭接长度应符合设计要求和本规范规定。 3、钢筋焊接接头质量应符合图家现行标准《钢筋焊接及验收规程JGJ18的规定和设计要求。 4、HRB335和HRB400带助钢筋机械连接接头质量应符合国家现行标准《钢筋机械连接通用技术规程》JGJ107、《带肋钢筋套筒挤压连接技术规程》JGJ108的规定和设计要求。 15 4 钢筋安装 钢筋安装时,其品种、规格、数量、形状,必须符合设计要求。不合格,扣15分 15 5 预埋件和钢筋外观及接头 1、预埋件的规格、数量、位置等必须符合设计要求。视情况,扣2~5分 2、钢筋表面不得有裂纹、结疤、折叠、锈蚀和油污,钢筋焊接接头表面不得有夹渣、焊瘤.扣2~5分 10 6 钢筋加工允许偏差 1、受力钢筋顺长度方向全长的净尺寸:±10mm; 2、弯起钢筋的弯折:±20mm; 3、箍筋内净尺寸:±5mm。 10 根据实测合格百分率乘以应得分计算分。 7 钢筋网允许偏差 1、网的长宽:±10mm; 2、网眼尺寸:±10mm; 3、网眼对角线差:±15mm. 10 8 钢筋成形和安装允许偏差 1、受力钢筋间距: 两排以上排拒:±15mm;同排:梁板、拱肋±10mm基础、墩台、柱 ±20mm;灌注桩:±20mm; 2、箍筋、横向水平筋、螺旋筋间距:±10mm; 3、钢筋骨架尺寸:长±10mm;宽、高或直径±5mm; 4、弯起钢筋位置:±20mm; 5、钢筋保护 层厚度: 墩台、基础±10mm;梁、柱、桩±5mm;板、梁±3mm 10 合 计 100 表三、混凝土 序号 检查项目 扣分标准 应得分 实得分 扣分说明 1 混凝土和砂浆施工质量保证条件 1、混凝土现场搅拌时无计量设施,扣10分;场地未硬化,扣5分; 2、砂浆搅拌未采用强制式搅拌机,扣10分;无计量设施,扣10分;当有需要时未设置淋灰池,缺1项次扣5分; 3、试件未按要求进行硬标识、同养试块未在代表部位存放、未采用保护笼或保护笼不符合要求,每项次扣3分; 20 2 水泥进场 水泥进场除全数检验合格证和出场试验报告外,应对其强度、细 度、安定性和凝固时间抽样复验。 10 3 混凝土外加剂 混凝土外加剂除全数检查合格证和出厂检验报告外,应对其减水率、凝结时间差、抗压强度比抽样检验。 10 4 碱含量 当使用具有潜在碱活性骨料时,混凝土中总碱含量应符合本规范第7。1。2条的规定和设计要求. 10 5 混凝土强度等级 混凝土强度等级应按现行国家标准《混凝土强度检验评定标准》GBJ107的规定检验评定,其结果必须符合设计要求。用于检查凝土强度的试件,应在混凝土浇筑地点随机抽取。取样与试件留置应符合相关规定。 10 抗冻混凝土 抗冻混凝土应进行抗冻性能试验,抗渗混凝土应进行抗渗性能试验,试验方法应符合现行国家标准《普通混凝土长期性能和耐久性能试验方法》GBJ82的规定。 10 6 矿物掺和料 混凝土掺用的矿物掺和料除全数检验合格证和出厂检验报告外, 应对其细度、含水率,抗压强度比等项目抽样检验。 5 7 细骨料 对细骨料,应抽样检验其颗粒级配、细度模数、含泥量及规定要 求的检验项,并应符合《普通混凝土用砂、石质量及检验方法标准》JGJ52的规定。 5 8 粗骨料 对粗骨料,应抽样检验其颗粒级配,压碎值指标、针片状颗粒含量及规定要求的检验项,并应符合《普通混凝土用砂、石质量及检验方法标准》JGJ52的规定。 5 9 混凝土用水 当拌制混凝土用水采用非饮用水源时,应进行水质检测,并应符合国家现行标准《泥凝土用水标准》JGJ63的规定。 5 10 坍落度 混凝土拌台物的坍落度应符合设计配合比要求。 5 11 混凝土原材料 混凝土原材料每盘称量允许偏差应规定: 1、水泥和干燥状态的掺合料:工地±2%,工厂或搅拌站±1%; 2、粗、细骨料:工地±3%,工厂或搅拌站±2%; 3、水、外加剂:工地±2%,工厂或搅拌站±1%。 5 根据实测合格百分率乘以应得分计算,若低于80%,则计零分 合 计 100 表四、预应力混凝土 序号 检查项目 扣分标准 应得分 实得分 扣分说明 1 混凝土和砂浆施工质量保证条件 1、混凝土现场搅拌时无计量设施,扣10分;场地未硬化,扣5分; 2、砂浆搅拌未采用强制式搅拌机,扣10分;无计量设施,扣10分;当有需要时未设置淋灰池,缺1项次扣5分; 3、试件未按要求进行硬标识、同养试块未在代表部位存放、未采用保护笼或保护笼不符合要求,每项次扣3分; 20 2 预应力筋进场检验 预应力筋进场时,应对其质量证明文件、包装、标志和规格进行检验。 10 3 预应力筋用锚具、夹具和连接器 预应力筋锚具,夹具和连接器应符合国家现行标准《预应力筋锚具、夹具和连接器》GB/T14370和《预应力锚具、夹具和连接器应用技术规程》JGJ85的规定。进场时,应对其质量证明文件、型号,规格等进行检验. 10 4 预应力筋安装 预应力筋的品种、规格、数量必须符合设计要求。 10 5 预应力筋张拉和放张 预应力筋张拉和放张时。混凝土强度必须符合设计规定;设计无规定时为设计强度的75%。 10 6 预应力筋张拉允许偏差 1、钢丝、钢绞线先张法允许偏差: 1)镦头钢丝同束长度相对差: 束长>20m时L/5000,且不大于5mm;束长6~20m时L/3000,且不大于4mm;束长<20m时2mm 2)张拉应力值:符合设计要求;3)张拉伸长率:±6%;4)断丝数:不超过总数的1% 2、钢筋先张法允许偏差: 1)接头在同一平面内的轴线偏位:2mm,且不大于1/10直径;2)中心偏位:4%短边,且不大于5mm;3)张拉应力值:符合设计要求;4)张拉伸长率:±6% 3、钢筋后张法允许偏差: 1)管道坐标:梁长方向30mm;梁高方向10mm;2)管道间距:同排10mm;上下排10mm;3)张拉伸长值:符合设计要求;4)张拉伸长率:±6%;5)断丝滑丝数:刚束不超过总数的1%. 10 根据实测合格百分率乘以应得分计算,若低于80%,则计零分,以下均同 7 孔道压浆的水泥浆强度 孔道压浆的水泥浆强度必须符合设计规定,压浆时排气孔、排水孔应有水泥浓浆溢出。 5 8 锚具的封闭保护 埋设在结构内的锚具,压浆后应及时浇筑封锚混凝土,封锚混凝土的强 度等级应符合设计要求,不宜低于结构混凝土强度等级的 80%,且不得低于30MPa。 10 9 预应力筋 1、预应力筋使用前应进行外观质量检查,不得有弯折,表面不得有裂纹、毛刺、机械损伤,氧化铁锈、油污等。视情况,扣2~5分 2、预应力筋用锚具、夹具和连接器使用前应进行外观质量检查,表面不得有裂纹、机械损伤、锈蚀、油污等。视情况,扣2~5分 3、预应力筋的锚固应在张拉控制应力处于稳定状态下进行,锚固阶段张拉端预应力筋的内缩量,不得大于设计规定视情况,视情况,扣2~5分 10 10 金属螺旋管 预应力混凝土用金属螺旋管使用前应按国家现行标准《顶应力混凝土用金属螺旋管》JG/T 3013的规定进行检验。视情况,扣2~5分 5 合 计 100 表五、砌体 序号 检查项目 扣分标准 应得分 实得分 扣分说明 1 砂浆施工质量保证条件 1、砂浆搅拌未采用强制式搅拌机,扣10分;场地未硬化,扣5分;无计量设施,扣10分;当有需要时未设置淋灰池,缺1项次扣5分; 2、未采用计量设施或有计量设施却形同虚设,扣5分。 3、未按规范要求留置试块,每次扣5分; 20 2 石材、混凝土砌块 石材的技术性能和混凝土砌块的强度等级应符合设计要求。 10 3 砌筑砂浆 1、砂、水泥、水和外加荆的质量检验应符合本规范第7.13 节的有关规定。 2、砂浆的强度等级必须符合设计要求。 3、砂浆的饱满度应达到80%以上。 10 即表三 4 砌体 砌体必须分层砌筑,灰缝均匀,缝宽符合要求,咬槎紧密,严禁通缝。 5 5 预埋件等 预埋件,泄水孔、滤层、防水设施、沉降缝等应符合设计规定。 5 6 砌体砌缝宽度、位置 1、表面砌缝宽度:浆砌片石≤40mm;浆砌块石≤30mm;浆砌料石15~20mm。视情况,扣4~8分 2、三块石料相接处的空隙:≤70mm;视情况,扣4~8分 3、两层间竖向错缝:≥80mm;视情况,扣4~8分 10 7 勾缝 勾缝应坚固,无脱落。交接处应平顺,宽度,深度应均匀,灰缝颜色应一致,砌体表面应洁净。 5 8 砌体表面质量 1、表面平整度观感差,扣1-3分; 2、砂浆局部不饱满,扣2分; 3、砂浆局部不均匀,扣1分; 4、个别地方有通缝,每处扣3分; 10 9 砌体位置的允许偏差及检验 1、门窗洞口高度宽(±10mm); 2、外墙上下窗口偏移(20mm); 3、水平灰缝平直度(10mm) 4、墙面垂直度(每层5mm) 5、墙面平整度(每层8mm) 10 10 填充墙顶砌砖质量 1、梁板与顶砖交界有缝,扣2分; 2、梁板直接与顶砖接触、无浆,扣2分; 3、顶砖排列无序、斜度不一,扣1分。 4、顶砖砌筑时间未按规范规定时间砌筑(间隔14天),扣3—5分. 10 11 纵横墙砌筑质量 1、拉结筋长度、数量不够,间距过大扣2分; 2、纵横墙咬槎不规范,每一处扣2分; 3、构造柱、圈梁不符合规范要求,扣3—5分; 5 合 计 100 表六、基础 序号 检查项目 扣分标准 应得分 实得分 扣分说明 1 基础施工 基础施工涉及的模板与支架,钢筋、混凝土、预应力混凝土,砌体质量检验应符合本规范第5。4,6。5,7.13、8.5、9。6节的规定。 15 即表一、表二、表三、表四、表五 2 扩大基础 1、基坑开挖允许偏差应符合规定: 1)基底高程:土方0,—20mm;石方+50,—200mm 2)轴线偏移:50mm 3)基坑尺寸:不小于设计规定 2、地基检验应符合下列要求: 1)地基承裁力应按本规范第 10.1。7条规定进行检验,确认符合设计要求。 2)地基处理应符合专项处理方案要求,处理后的地基必须满足设计要求。 3、回填土方应符合下列要求: 1)当年筑路和管线上填土的压实度标准应符合要求: 1。填土上当年筑路符合国家标准《城镇道路工程施工与质量验收规范》CJJ1的有关规定。 2。管线填上符合相差管线施工标准的规定。 2)除当年筑路和管线上回填土方以外,填方压实度不应小于87%(轻型击实)。视情况,扣4~8分 3)填料应符合设计要求,不得含有影响填筑质量的杂物。基坑填筑应分层同填、分层夯实。视情况,扣4~8分 4、现浇混凝土基础的质量检验应符合本规范第10.7.1条规定,且应符合下列要求: 1)现浇混凝土基础允许偏差应符合要求; 1.断面尺寸:长、宽±20mm 2。顶面高程:±10mm 3。基础厚度:+10,0mm 4.轴线偏移:15mm 2)基础表面不得有孔洞、露筋。 5、砌体基础的质量检验应符合本规范第 10.7.1 条规定,砌体基础允许偏差应符合要求。 1)顶面高程:±25mm 2)基础厚度:片石+30,0mm,料石、砌块+15,0mm 3)轴线偏位:15mm 15 根据实测合格百分率乘以应得分计算,若低于80%,则计零分,以下均同 3 沉入桩 1、预制桩质量检验应符合本规范第 10。7。1条规定,且应符合下列要求: 1)桩表面不得出现孔洞、露筋和受力裂缝.不合格,扣15分 2)钢筋混凝土和预应力混凝土桩的预制允许偏差规定。 1.实心桩:横截面边长±5mm;长度±50mm;桩尖对中轴线的倾斜10mm; 桩轴线的弯曲矢高≤0。1%桩长,且不大于20mm;桩顶平面对桩纵轴的倾斜≤1%桩径(边长),且不大于3mm;接桩的接头平面与庄轴平面垂直度0.5% 2。空心桩:内径不小于设计;壁厚0,—3mm;桩轴线的弯曲矢高0。2% 3)柱身表面无蜂窝、麻面和超过 0。15mm 的收缩裂缝。小于 0.15mm 的横向裂缝长度,方桩不得大于边长或短边长的 1/3,管桩或多边形桩不得大于直 径或对角线的 1/3;小于 0.15mm 的纵向裂缝长度,方桩不得大于边长或短边 长的 1。5 倍,管桩或多边形桩不得大于直径或对角线的 1.5 倍。 2、钢管桩制作质量检验应符合下列要求: 1)钢材品种、规格及其技术性能应符合设计要求和相关标准规定。不合格,扣15分 2)制作焊按质量应符合设计要求和相关标准规定。不合格,扣15分 3)钢管柱制作允许偏差应符合规定. 1.外经:±5mm 2.长度:+10,0mm 3。桩轴线的弯曲矢高:≤1%桩长,且不大于20mm 4.端部平面度:2mm 5.端部平面与桩身中心线的倾斜:≤1%桩径,且不大于3mm 3、沉桩质量检验应符合下列要求: 1)沉入桩的入土深度、最终贯入度或停打标准应符合设计要求。不合格,扣15分 2)沉桩允许偏差应符合表规定。 1.桩 位:群装,中间桩≤d/2,且不大于250mm;外缘桩d/4. 排架桩,顺桥方向40mm;垂直桥方向50m. 2。桩间高程:不高于设计高程 3。斜桩倾斜度:±15%tanθ 4.直桩垂直度:1% 3)接桩焊缝外观允许偏差应符合规定。 1.咬边深度(焊缝):0。5mm 2.加强层高度(焊缝):+3mm 3.加强层宽度(焊缝):0 4。钢管桩上下错台:公称直径≥700mm时3mm,公称直径<700mm时2mm 15 4 混凝土灌注桩 1、桩孔达到设计深度后,必须核实地质情况,确认符合设计要求。不合格,扣15分 2、孔径、孔深应符合设计要求。不合格,扣15分 3、混凝上抗压强度应符合设计要求。不合格,扣15分 4、桩身不得出现断桩、缩径。不合格,扣15分 5、钢筋笼制作和安装质量检验应符合本规范第 10。7.1 条规定,且钢筋笼底端高程偏差不得大于±50mm。 6、混凝土灌注桩允许偏差应符合规定。 1)桩位:群桩100mm,排架桩50mm 2)沉渣厚度:摩擦桩符合设计要求,支承桩不大于设计要求 3)垂直度:钻孔桩≤1%桩长,且不大于500mm,挖孔桩≤0。5%桩长,且不大于200mm 15 5 沉井基础 1、沉井制作质量检验应符合本规范第10.7.1 条规定,且应符合下列要求: 1)钢壳沉井的钢材及其焊接质量应符合设计要求和相关标准规定;不合格,扣15分 2)钢壳沉井气筒必须按受压容器的有关规定制造,并经水压(不得低于工作压力的1。5 倍、试验合格后方可投入使用。不合格,扣15分 3)混凝土沉井制作允许偏整应符合规定。 1.沉井尺寸:长、宽±0.5%边长,大于24m时±120mm;半径±0.5%半径,大于12m时±60mm; 2.对角线长度差:1%理论值,且不大于80mm;3。井壁厚度:混凝土+40,—30mm;钢壳和钢筋混凝土±15mm;4。平整度:8mm 4)混凝土沉井壁表面直无孔洞、露筋、蜂窝、麻面和宽度超过 0.15mm 的 收缩裂缝. 2、沉井浮运应符合下列要求: 1)预制浮式沉井在下水、浮运前,应进行水密试验,合格后方可下水。不合格,扣15分 2)钢壳沉井底节应进行水压试验,其余各节应进行水密检查,合格后方可下水.不合格,扣15分 3、沉井下沉应符合下列要求: 1)就地浇筑沉井首节下沉应在井壁混凝土达到设计强度后进行,其上各节达到设计强度的75%后方可下沉。不合格,扣15分 2)就地制作沉井下沉就位允许偏差应符合规定。 1。底面、顶面中心位置:H/50;2。垂直度:H/50;3.平面扭角1°; 3)浮式沉井下沉就位允许偏差应符合规定。 1。底面、顶面中心位置H/50+250mm;2.垂直度H/50;3。平面扭角2° 4)下沉后内壁不得渗漏。 4、清基后基底地质条件检验应符合规定。 1)地基承裁力应按本规范第 10.1.7条规定进行检验,确认符合设计要求。不合格,扣15分 2)地基处理应符合专项处理方案要求,处理后的地基必须满足设计要求。不合格,扣15分 5、封底填充混凝土应符合本规范第10。7.1条规定,且应符合下列要求: 1)沉井在软土中沉至设计高程并清基后,待8h内累计下沉小于 10mm 时,方可封底;视情况,扣4~8分 2)沉井应在封底混凝土强度达到设计要求后方可进行抽水填充。视情况,扣4~8分 15 6 地下连续墙 1、成槽的深度应符合设计要求.不合格,扣15分 2、水下混凝土质量检验应符合本规范第 10。7.1 条规定,且应符合下列要求: 1)墙身不得有夹层,局部凹进.不合格,扣15分 2)接头处理应符合施工设计要求。不合格,扣15分 3)地下连续墙允许偏差应符合表 10.7。6 的规定。 1。轴线位置:30mm; 2.外型尺寸:+30,0 mm; 3。垂直度:5%墙高; 4.顶面高程:+10mm; 5。沉渣厚度:符合设计要求 15 7 现浇混凝土承台 现浇混凝土承台质量检验,应符合本规拖第 10。7.1 条规定,且应符合下列规定: 1、混凝土承台允许偏差应符合表 10.7.7 的规定。视情况,扣2~5分 2、承台表面应无孔洞,露筋、缺棱掉角、蜂窝、麻面和宽度超过 0。15mm的收缩裂缝。视情况,扣2~5分 10 合 计 100 表七、墩台 序号 检查项目 扣分标准 应得分 实得分 扣分说明 1 墩台施工 墩台施工涉及的模板与支架、钢筋、混凝土、预应力混凝土、砌体质量检验应符合本规范第5。4,6.5、7.13、8.5、9。6 节的规定. 15 即表一~五 2 砌体墩台 墩台砌体质量检验应符合本规范第11。5.1条规定,砌筑墩台允许偏差: 1、墩台尺寸:长:浆砌块石+20,—10mm;浆砌料石、砌块+10,0mm 厚:浆砌块石±10mm;浆砌料石、砌块+10,0mm 2、顶面高程:浆砌块石±15mm;浆砌料石、砌块±10mm 3、轴线偏位:浆砌块石15mm;浆砌料石、砌块10mm 4、墙面垂直度:浆砌块石≤0.5%H,且不大于20mm;浆砌料石、砌块≤0.3%H,且不大于15mm 5、墙面平整度:浆砌块石30mm;浆砌料石、砌块10mm 6、水平缝平直:浆砌料石、砌块10mm 7、墙面坡度:符合设计要求 10 根据实测合格百分率乘以应得分计算,若低于80%,则计零分,以下均同 3 现浇混凝土墩台 现浇混凝土墩台质量检验应符合本规范第 11。5。1 条规定,且应符合下列规定: 1、钢管混凝土柱: 1)钢材品种、规格及其技术性能应符合设计要求和相关标准规定。 2)制作焊按质量应符合设计要求和相关标准规定。 3)钢管柱制作: 1。外径:±5mm;2。长度:+10,0mm;3。桩轴线的弯曲矢高:≤1%桩长,且不大于20mm 4.端部平面度:2mm;5。端部平面与桩身中心线的倾斜:≤1%桩径,且不大于3mm 4)混凝土与钢管应紧密结合,无空隙. 2、现浇混凝土墩台: 1)墩台尺寸:长+15,0mm;厚+10,-8mm;2)顶面高程:±10mm;3)轴线偏移:10mm; 4)墙面垂直度:≤0。25%H,且不大于25mm;5)墙面平整度:8mm;6)节段间错台:5mm; 7)预埋件位置:5mm; 3、现浇混凝土柱: 1)断面尺寸:长宽(直径)±5mm;2)顶面高程:±10mm;3)垂直度:≤0.2%H,且不大于15mm; 4)轴线偏位:8mm;5)平整度:5mm;6)节段间错台:3mm; 4、现浇混凝土挡墙: 1)墙身尺寸:长±5mm,厚±5mm;2)顶面高程:±5mm;3)垂直度:0.15%H,且不大于10mm; 4)轴线偏位:10mm;5)直顺度:10mm;6)平整度:8mm; 5、混凝土表面应无孔洞、露筋、蜂窝、麻面.视情况,扣4~8分 15 4 预制安装混凝土柱 6、预制安装混凝土柱: 1)、柱与基础连接处必须接触严密,焊接牢固,混凝土灌注密实,混凝土强度符合设计要求. 2)、预制混凝土柱制作允许偏差应符合规定。 (1)断面尺寸:长宽(直径)±5mm;(2)高度:±10mm;(3)预应力筋孔道位置:10mm; (4)侧向弯曲:H/750;5)平整度:3mm; 3)、预制柱安装允许偏差应符合规定。 (1)平面位置:10mm;(2)埋入基础深度:不小于设计要求; (3)相邻间距:±10mm;(4)垂直度:≤0.5%H,且不大于20mm; (5)墩、柱顶高程:±10mm;(6)节段间错台:3mm; 4)、混凝土柱表面应无孔洞、露筋、蜂窝、麻面和缺棱掉角现象.视情况,扣4~8分 15 5 现浇混凝土盖粱 1、现浇混凝土盖梁不得出现超过设计规定的受力裂缝。不合格,扣15分 2、现浇混凝土盖梁允许偏差应符合规定。 1)盖梁尺寸:长+20,-10 mm;宽+10,0mm;高±5mm;2)盖梁轴线偏位:8mm; 3)盖梁顶面高程:0,-5mm;4)平整度:5mm;5)支座垫石预留位置:10mm; 6)预埋件位置:高程±2mm,轴线5mm; 3、盖梁表面应无孔洞、露筋,蜂窝,麻面。视情况,扣4~8分 15 6 人行天桥钢墩柱 1、人行天桥钢墩柱的钢材和焊接质量: 1)钢材品种、规格及其技术性能应符合设计要求和相关标准规定。 2)制作焊按质量应符合设计要求和相关标准规定。 3)钢管柱制作允许偏差: 1。外径:±5mm;2.长度:+10,0mm;3。桩轴线的弯曲矢高:≤1%桩长,且不大于20mm; 4.端部平面度:2mm;5。端部平面与桩身中心线的倾斜:≤1%桩径,且不大于3mm; 2、人行天桥钢墩柱制作: 1)柱底面到柱顶支承面的距离:±5mm;2)柱身截面:±3mm; 3)柱身轴线与柱顶支承面垂直度:±5mm;4)柱顶支承面几何尺寸:±3mm; 5)柱身挠曲:≤H/1000,且不大于10mm;6)柱身接口错台:3mm; 3、人行天桥钢墩柱安装: 1)钢柱轴线对行、列定位轴线的偏位:5mm;2)柱基标高:+10,-5mm;3)挠曲矢高:≤H/1000且不大于10mm;4)钢柱轴线的垂直度:H≤10m时10mm,H>10m时≤H/100,且不大于25mm; 15 7 台背填土 台背填土质量检验应符合国家现行标准《城慎道路工程施工与质量验收规范》CJJ1 有关规定,应符合下列规定: 1、台身、挡墙混凝土强度达到设计强度的75%以上时,方可回填土。 2、拱桥台背填土应在承受拱圈水平推力前完成。 3、台背填土的长度,台身顶面处不应小于桥台高度加 2m,底面不应小于2m,;拱桥台背填土长度不应小于台高的 3~4 倍.视情况,扣4~8分 15 合 计 100 表八、支座 序号 检查项目 扣分标准 应得分 实得分 扣分说明 1 支座进场 支座应进行进场检验。 20 2 支座安装前 支座安装前,应检查跨距、支度栓孔位置和制作电视顶面高程、乎整度、坡度、坡向,确认符合设计要求。 20 3 支座与梁底及垫石 支座与梁底及垫石之间必须密贴,间隙不得大于0。3mm。垫层材料和强度应符合设计要求。 20 4 支座锚栓 支座锚栓的埋置深度和外露长度应符合设计要求。支座锚栓应在 其位置调整准确后固结,锚栓与孔之间隙必须填捣密实。不合格,扣15分 15 5 粘结灌浆和润滑材料 支座的粘结灌浆和润滑材料应符合设计要求。 15 6 支座安装 支座安装允许偏差应符合规定: 1、支座高程:±5mm; 2、支座偏位:3mm; 10 根据实测合格百分率乘以应得分计算,若低于80%,则计零分 合 计 100 表九、混凝土梁(板) 序号 检查项目 扣分标准 应得分 实得分 扣分说明 1 混凝土梁(板)施工 1、混凝土梁(板)施工中涉及模板与支架、钢筋、混凝土、预应力混凝土的质量检验应符合本规范表 5.4、6.5、7.13,8.5 节的有关规定. 20 即表一~四 2 支架上浇筑粱(板) 支架上浇筑粱(板)质量检验席符合本规范第 10.7.1 条规定,且应符合下列规定: 1、结构表面不得出现超过设计规定的受力裂缝。 2、整体浇筑钢筋混凝土梁、板允许扁差应符合规定. 1)轴线位置:10mm;2)梁板顶面高程:±10mm; 3)断面尺 寸(mm):高+5,-10;宽±30;顶、底、腹板厚+10,0; 4)长度:+5,-10mm;5)横坡(%):±0.15;6)平整度:8mm; 3、结构表面应无孔洞、露筋、蜂窝,麻面和宽度超过0.15mm的收缩裂缝。视情况,扣4~8分 15 根据实测合格百分率乘以应得分计算,若低于80%,则计零分,以下均同 3 预制安装粱(板) 预制安装粱(板)质量检验应符合本规范第 13.7.1 条规定,且应符合下列规定: 1、结构表面不得出现超过设计规定的受力裂缝。不合格,扣15分 2、安装时结构强度及预应力孔道砂浆强度必须符合设计要求,设计未要求时,必须达到设计强度的75%. 3、预制梁、板允许偏差应符合规定。 1)断面尺寸:宽,梁0,—10mm;板0,—10mm;高,梁±5mm;顶、底、腹板厚±5mm; 2)长度:0,-10mm;3)侧向弯曲:L/1000且不大于10mm; 4)对角线长度差:15mm;5)平整度:8mm; 4、梁、板安装允许偏差应符合规定。 1)平面位置:顺桥纵轴线方向10mm,垂直桥纵轴线方向5mm; 2)焊接横隔梁相对位置:10mm;3)湿接横隔梁相对位置:20mm; 4)伸缩缝宽度:+10,—5mm;5)支座板:每块位置5mm,每块边缘高差1mm; 6)焊缝长度:不小于设计要求每处;7)相邻两构件支点处顶面高差:10mm; 8)块体拼装立缝宽度:+10,—5mm;9)垂直度1。2%; 5、混凝土表面应无孔洞、露筋、蜂窝、麻面和宽度超过 0。15mm 的收缩裂缝。视情况,扣4~8分 15 4 悬臂浇筑预应力混凝土梁 悬臂浇筑预应力混凝土梁质量检验度符合本规范第 13。7。1 条规定,且应符合下列规定: 1、悬臂浇筑必须对称进行,桥墩两侧平衡偏差不得大于设计规定,轴线挠 座必须在设计规定范围内。 2、梁体表面不得出现超过设计规定的受力裂缝。 3、悬臂合龙时,两侧梁体的高差必须在设计允许范围内。 4、悬臂浇筑预应力混凝土梁允许偏差应符合表 13。7.4 的规定. 5、梁体线形平顺,相邻梁段接缝处无明显折弯和错台,梁体表面无孔洞、 露筋、蜂窝、麻面和宽度超过 0.15m 的收缩裂缝。视情况,扣5~10分 20 5 悬臂拼装预应力混凝土梁 悬臂拼装预应力混凝土梁质量检验应符合本规范第 13。7.1 条和第13。7.3 条有关规定,且应符合下列规定: 1、悬臂拼装必须对称进行,桥墩两侧平衡偏差不得大于设计规定,轴线挠 度必须在设计规定范围内。 2、悬臂合龙时,两侧梁体高必须在设计规定允许范围内。 3、预制梁段允许偏差应符合规定。 1)断面尺寸:宽0,—10mm;高±5mm;顶底腹板厚±5mm; 2)长度:±20mm; 3)横隔梁轴线:5mm; 4)侧向弯曲:≤L/1000,且不大于10mm; 5)平整度:8mm; 4、悬臂拼装预应力混凝土梁允许偏差应符合规定。 1)轴线偏移:L≤100m时10mm,L>100m时L/10000; 2)顶面高程:L≤100m时±20mm,L>100m时±L/5000,相邻节段高差10mm; 3)合龙后同跨对称点高程差:L≤100m时20mm,L>100m时L/5000; 5、梁体线形平顺,相邻梁段接缝处无明显折弯和错台,预制梁表面无孔洞, 露筋、蜂窝、麻面和宽度超过0.15mm的收缩裂缝。视情况,扣5~10分 20 6 顶推施工预应力混凝土梁 顶推施工预应力混凝土梁质量检验应符合本规范第 13.7。1条和第 13.7。3 条有关规定,且应符合下列规定: 1、顶制梁段允许偏差应符合本规范规定。 1)断面尺寸:宽0,-10mm;高±5mm;顶底腹板厚±5mm; 2)长度:±20mm; 3)横隔梁轴线:5mm; 4)侧向弯曲:≤L/1000,且不大于10mm; 5)平整度:8mm; 2、顶推施工梁允许偏差应符合规定。 1)轴线方向:10mm; 2)落梁反力:不大于1。1设计反力; 3)支座顶面高程:±5mm; 4)支座高差:相邻纵向支点5mm或设计要求,固墩两侧支点2mm或设计要求; 3、梁体线形平顺,相邻梁段接缝处无明显折弯和错台,顶制梁表面无孔洞、露筋、蜂窝、麻面和宽度超过 0.15mm 的收缩裂缝。视情况,扣2~5分 10 合 计 100 表十、钢梁 序号 检查项目 扣分标准 应得分 实得分 扣分说明 1 钢梁制作 1、钢材、焊接材料、涂装材料应符合国家现行标准规定和设计要求。不合格,扣50分 2、高强度螺栓连接副等紧固件及其连接应符合国家现行标准规定和设计要求。不合格,扣50分 3、高强螺栓的栓接板面(摩擦面)除锈处理后的抗滑移系数应符合设计求.不合格,扣50分 4、焊缝探伤检验应符合设计要求和本规范规定。不合格,扣50分 1)焊接完毕,所有焊缝必须进行外观检查.外观检查合格后,应在24h后按规定进行无损检验,确认合格. 2)采用超声波探伤检验时,其内部质量分级应符合表 14.2。8—1 的 规定。焊缝超声波探伤范围和检验等级应符合表 14.2。8—2 规定。 3)当采用射线探伤检验时,其数量不得少于焊缝总数的 10%,且不得少于 1 条焊缝。探伤范围应为焊缝两端各 250~300mm;当焊缝长度大于1200mm 时,中部应加探 250~300mm;焊缝的射线探伤应符合现行国家标准《金 属熔化焊焊接接头射线照相》GB/T 3323 的规定,射线照相质量等级应为 B 级;焊缝内部质量应为Ⅱ级。 5、涂装检验应符合下列要求:不合格,扣50分 1)涂装前钢材表面不得有焊渣、灰尘、油污、水和毛刺等.钢材表面除 锈等级和粗糙度应符合设计要求。 2)涂装遍数应符合设计要求,每一涂层的最小厚度不应小于设计要求厚度的 90%,涂装干膜总厚度不得小于设计要求厚度。 3)热喷铝涂层应进行附着力检查。 6、焊缝外观质量应符合本规范第 14。2.7 条规定。 7、钢梁制作允许偏差应分别符合表 14.3.1-1~表 14。3.1-3 的规定。 8、焊钉焊接后应进行弯曲试验检查,其焊缝和热影响区不得有肉眼可见的裂纹。视情况,扣12~25分 9、焊钉根部应均匀,焊脚立面的局部未熔合或不足 360°的焊脚应进行修补。视情况,扣12~25分 50 根据实测合格百分率乘以应得分计算,若低于80%,则计零分,以下均同 2 钢梁现场安装 1、高强度螺栓连接副等紧固件及其连接应符合国家现行标准规定和设计 要求。高强螺栓的栓接板面(摩擦面)除锈处理后的抗滑移系数应符合设计要求.其扭矩偏差不得超过±10%。不合格,扣50分 2、焊缝探伤检验应符合设计要求和本规范规定.不合格,扣50分 1)焊接完毕,所有焊缝必须进行外观检查。外观检查合格后,应在24h后按规定进行无损检验,确认合格. 2)采用超声波探伤检验时,其内部质量分级应符合表 14。2。8—1 的 规定。焊缝超声波探伤范围和检验等级应符合表 14。2。8-2 规定。 3)当采用射线探伤检验时,其数量不得少于焊缝总数的 10%,且不得少于 1 条焊缝。探伤范围应为焊缝两端各 250~300mm;当焊缝长度大于1200mm 时,中部应加探 250~300mm;焊缝的射线探伤应符合现行国家标准《金 属熔化焊焊接接头射线照相》GB/T 3323 的规定,射线照相质量等级应为 B 级;焊缝内部质量应为Ⅱ级。 3、钢梁安装允许偏差应符合规定.
展开阅读全文

开通  VIP会员、SVIP会员  优惠大
下载10份以上建议开通VIP会员
下载20份以上建议开通SVIP会员


开通VIP      成为共赢上传

当前位置:首页 > 环境建筑 > 其他

移动网页_全站_页脚广告1

关于我们      便捷服务       自信AI       AI导航        抽奖活动

©2010-2026 宁波自信网络信息技术有限公司  版权所有

客服电话:0574-28810668  投诉电话:18658249818

gongan.png浙公网安备33021202000488号   

icp.png浙ICP备2021020529号-1  |  浙B2-20240490  

关注我们 :微信公众号    抖音    微博    LOFTER 

客服