收藏 分销(赏)

关键技术清单.docx

上传人:丰**** 文档编号:10132662 上传时间:2025-04-22 格式:DOCX 页数:3 大小:17KB 下载积分:5 金币
下载 相关 举报
关键技术清单.docx_第1页
第1页 / 共3页
关键技术清单.docx_第2页
第2页 / 共3页


点击查看更多>>
资源描述
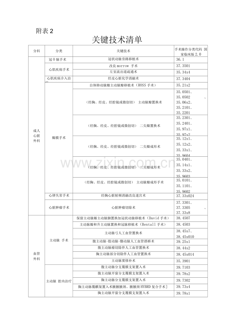
附表2 关键技术清单 分科 分类 关键技术 手术操作分类代码 国家临床版2.0 成人 心脏 外科 冠O脉手术 冠状动脉旁路移植术 36.1 心肌疾病手术 改良morrow 手术 37.3501 左室流出道疏通术 35.34x4 心肌疾病介入治疗 经皮心脏化学消融术 37.3404 瓣膜手术 自体肺动脉瓣主动脉瓣移植术(ROSS手术) 35.21x2 (经胸、经皮、经腔镜或微创切) 主动脉瓣置换术 35.0501、 35.0502、 35.06x2、 35.2101、 35.2201 (经胸、经皮、经腔镜或微创切) 二尖瓣置换术 35.2301、 35.2401、 35.97x1、 35.97x2 (经胸、经皮、经腔镜或微创切) 二尖瓣成形术 35.12x1、 35.12x2、 35.33x1、 35.9604 (经胸、经皮、经腔镜或微创切) 三尖瓣成形术 35.0401、 35.14x1、 35.33x2、 35.9603 (经胸、经皮、经腔镜或微创切) 主动脉瓣成形手术 35.0101、 35.1101、 35.9602 心律失常手术 经胸心脏射频消融改良迷宫术 37.33x024 心脏肿瘤手术 心脏肿瘤切除术 37.3301、 37.3305、 37.33x8 血管 外科 主动脉 手术 保留主动脉瓣主动脉脚置换加冠状动脉移植术(David手术) 38.4507 主动脉瓣和升主动脉置换和冠脉移植术(Bentall手术) 38.4503 主动脉弓人工血管置换术 38.45x7、 38.45x010 腹主动脉-股动脉-骼动脉人工血管搭桥术 39.25x1 腹主动脉瘤切除伴人工血管置换术 38.44x2 胸主动脉部分切除伴人工血管置换术 38.45x014 主动脉窦修补术 35.3901 主动脉 腔内治疗 腹主动脉分支覆膜支架置入术 39.7103 腹主动脉开窗分支覆膜支架置入术 39.78x2 胸主动脉分支覆膜支架置入术 39.7302 胸主动脉覆麒架置入术腋腋腋颈、腋腋颈HYBRD复合手术] 39.73x4 胸主动脉开窗分支覆膜支架置入术 39.78x1 分科 分类 关键技术 手术操作分类代码 国家临床版2.0 周围血管手术 下肢静脉部分切除伴人工血管置换术 38.49x1 下腔静脉取栓术 38.0702 周围血管介 入治疗 经皮下肢动脉球囊扩张成形术 39.54、 39.59、 39.55、 39.5015、 39.5011、 39.50x029、 39.50x030 经皮下肢动脉支架置入术 39.99、 39.9013、 39.94、 39.9011、 39.9015、 39.90x019、 39.90x021、 39.90x025、 39.90x028、 .60x1、 .55x012 烟囱技术周围动脉重建术 39.59x025、 39.59x026、 39.59x027、 39.59x028 39.59x029 小儿 心脏 外科 先天性心脏 病手术 法洛四联症根治术 35.81x1 肺动脉环缩术 38.8501 三尖瓣下移矫治术 35.14x2 经胸房间隔缺损封堵术 35.51x2 经胸室间隔缺损封堵术 35.53x3 完全肺静脉异位引流矫正术 35.8201 心室内隧道修补术 35.93x2 左心室双出矫治术 35.9301 直视下肺动脉瓣成形术 35.1301 体肺动脉侧枝封堵术 39.79x014 经微创切 先天性心脏 病手术 经皮动脉导管未闭封堵术 39.79x8 房间隔缺损封堵术 经皮,经腔镜,经微小切 35.51x2、 35.52x1 室间隔缺损封堵术 经皮,经腔镜,经微小切 35.53x3、 35.55x1 心脏移 植外斗 心脏 移植术 心脏移植术 37.51 分科 分类 关键技术 手术操作分类代码 国家临床版2.0 心血 管内 科冠 心病 专业 冠心病介入 治疗 经皮冠状动脉支架植入术(包括药物涂层支架、非药 物涂层支架、覆膜支架、可吸收支架等) 36.06、36.07 经皮冠状动脉球囊成形术(包括普通球囊、药物涂层 球囊、切割球囊、刻痕球囊等) .66x4、 .66x8 经皮冠状动脉旋磨术 17.5501 经皮冠状动脉内血栓抽吸 17.55x3 经皮冠状动脉内溶栓剂注射 36.04 冠心病诊断 性操作 冠状动脉造影 88.55-88.57 冠状动脉血管内超声 .24x1 冠状动脉光学相干断层扫描检查 38.24 冠状动脉血流储备分数检查 .5902 冠脉微循环阻力指数检查 .59x3 机械辅助 主动脉球囊反搏装置置入术 37.6101 心室辅助装置置入术 37.65、37.66、 37.68 体外膜肺氧合安装术 39.65 心血 管内 科心 律失 常专 业 电生理器械 植入 心脏除颤器导线置入术 37.95x1 经静脉心房和心室电极置换术 37.76 永久起搏器置入/置换术 37.80-37.87 植入型心律转复除颤器置入/置换术 37.94 心脏再同步起搏器置入/置换术 .50、.53 心脏再同步除颤器置入/置换术 .51、.54 经静脉临时起搏器置入术 37.78 心脏起搏器囊袋清创术 37.7901 心脏起搏器囊袋修补术 37.7902 导管消融术 经皮心脏射频消融术 37.3401 经皮心脏冷冻消融术 37.3403 左心耳封堵术 经皮左心耳封堵术 37.90x1
展开阅读全文

开通  VIP会员、SVIP会员  优惠大
下载10份以上建议开通VIP会员
下载20份以上建议开通SVIP会员


开通VIP      成为共赢上传

当前位置:首页 > 包罗万象 > 大杂烩

移动网页_全站_页脚广告1

关于我们      便捷服务       自信AI       AI导航        抽奖活动

©2010-2025 宁波自信网络信息技术有限公司  版权所有

客服电话:0574-28810668  投诉电话:18658249818

gongan.png浙公网安备33021202000488号   

icp.png浙ICP备2021020529号-1  |  浙B2-20240490  

关注我们 :微信公众号    抖音    微博    LOFTER 

客服