收藏 分销(赏)

钢结构喷铝施工方案.docx

上传人:精*** 文档编号:10127674 上传时间:2025-04-22 格式:DOCX 页数:24 大小:79.16KB 下载积分:10 金币
下载 相关 举报
钢结构喷铝施工方案.docx_第1页
第1页 / 共24页
钢结构喷铝施工方案.docx_第2页
第2页 / 共24页


点击查看更多>>
资源描述
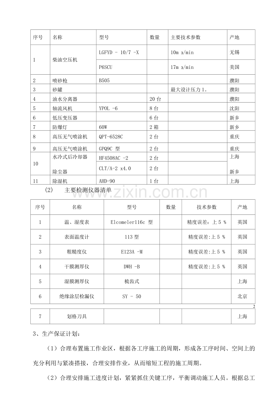
施工组织设计 一、编制说明 根据管道的防腐要求和国家相关标准以及我公司多年施工经验,对管道喷铝施工工艺、质量保证、安全措施等方面作具体的阐述与说明。 此方案将是我公司对此工程施工的依据,亦是接受业主审查监督,并在施工中与其紧密配合的基础资料。我公司施工人员一定严格按照业主要求,国家有关施工规范及此施工方案精心施工、保证质量、优质服务,按期圆满完成施工任务. 二、施工前准备: 1、施工人员组织计划: 设立工程项目部,配备高素质的管理人员、技术人员和技术工人-一具有多年的施工实践经验,并由公司组织岗前培训,达到持证上岗;质检员、操作工均应持有水利部颁发的证件,安全员为专职。 项目经理作为工程总负责人,负责统一指挥,协调调度工作,并以各技术骨干组建进度控制组织系统,对各工序确定目标,确定进度控制工作进度,并及时对影响进度的因素,进行分析、预测,以便提出改进措施和方案。 作好配合及前期准备工作,拟定施工准备计划,专人逐项落实,确保后勤保障工作的优质、高效。 制定合理的奖惩制度,促进施工人员按质按期完成工作计划。 项目部管理组织结构图(见附图) 2、设备仪器配备: 对拟定用于本工程的各类设备、仪器,项目部设专人落实到位,并在使用期间根据各工序施工要求和周期要求合理互动调配,以满足重点工序的施工。同时制定专项设备管理措施,包括使用、维护、维修计划,实施动态分管方式,保障设备正常运转。 (1) 主要涂装设备清单及主要技术参数 序号 名称 型号 数量 主要技术参数 产地 1 柴油空压机 LGFYD - 10/7 -X 10m 3/min 无锡 P6SCU 17m 3/min 美国 2 喷砂枪 B505 濮阳 3 砂罐 最大设计压力1。 濮阳 4 油水分离器 20台 濮阳 5 轴流风机 YPOL -6 8台 沈阳 6 低压变压器 6台 新乡 7 防爆灯 60W 2箱 新乡 8 高压无气喷涂机 QPT-6528C 2台 重庆 9 高压无气喷涂机 GPQ9C 型 2台 重庆 10 水冷式后冷却器 除尘器 HF4508AC -2 2台 上海 新乡 CLT/A-2 x4.0 2台 11 除湿机 AHD-90 1台 上海 (2) 主要检测仪器清单 序号 名称 型号 数量 技术参数 产地 1 温、湿度表 Elcomeler116c 型 精度误差:上5 % 英国 2 表面温度计 113型 精度误差:上5 % 英国 3 粗糙度仪 E123A -M 精度误差:上5 % 英国 4 干膜测厚仪 DWH -B 精度误差:上5 % 英国 5 湿膜测厚仪 梳齿式 上海 6 绝缘涂层检漏仪 SY - 50 北京 2 7 划格刀具 上海 3、生产保证计划: (1)合理布置施工作业区,根据各工序施工的周期,形成各工序时间、空间上的充分利用与紧凑搭接,合理安排作业,从而缩短工程的施工周期。 (2)合理安排施工进度计划,紧紧抓住关键工序,平衡调动施工人员。根据总工期安排,编制合理的月进度计划,对月进度计划分解,制定周计划,以月计划保总工期,以周计划保月计划。关键线路,每天落实,每周两次生产调度会,解决施工中出现的各种问题,协调各工种之间的关系,布置下周的生产计划,使各施工组有条不紊地按总体计划进行。 (3)制定项目部岗位职责,明确各岗位工作内容。 4、技术措施: 工程技术人员编制合理的各工序施工细则,并对工艺进行评定试验并交监理工程师评审。积极指导工人施工,及时解决生产中发生的问题。 技术人员充分熟悉设计图纸、技术文件及相关规范,并编制空白施工记录、质检记录表格,编写施工要点及各工艺操作规程,并向施工人员进行详细的技术交底. 5、材料准备: 涂装材料应性能可靠,防蚀性强,耐候性好,其防护年限满足设计的年限。涂装材料选用厂家应是国内知名度较高、质量可靠的大型制造厂. 所有材料应密封包装,贮存在干燥通风处,根据生产要求,编制进货计划,分批进货。过期、失效、包装不严的涂料不用。 每个包装容器应清楚地标明生产厂名、材料名称、代号、颜色、批号、 3 生产日期。 所用主材应取样复检合格后,报监理工程师审批. 三、涂装工艺: 1、钢构件涂装配套方案表 序号 喷铝程序 名称 施工方法 施工场所 干膜厚度(m ) 1 基材表面处理 机械喷金刚砂进行除锈处理,除尽铁锈、氧化皮等杂物,表面处 理达GB8923规定的Sa3级,表面粗糙度Ra=40-80 m 2 金属防护层 铝丝 火焰喷涂 工地场所 120 2、工艺流程见附图) 3、施工工艺: 3.1表面预处理: 3。1。1净化处理: (1)清除工件表面残留的焊渣、焊瘤飞溅等杂物; (2)脱脂剂擦除基体表面油渍; (3)大面积浮尘用干燥的压缩空气吹扫干净。 喷砂除锈: (1)磨料:采用天然金刚砂,粒径为0。5-2。5mm ,颗粒大小均匀、干燥、无油污等任何污染. (2)环境条件:环境大气的相对湿度必须低于85 %,基体表面温度不低于露点以上3 °C; (3)技术参数: a、压缩空气工作压力为0。5 - 0.7Mpa ; 4 b、喷嘴到基体金属表面距离为1 - 3mm ; c、喷射方向与基体金属表面法线的夹角为15°T0°; d、喷射速度以不重复喷砂,达到清洁度为限; e、喷束重叠以1/4 -1/5为宜; f、操作要领: ① 喷嘴选用耐磨合金或耐磨陶瓷的文丘里型喷嘴,应在其孔径扩大 25 %时予以更换; ② 压缩空气经气体缓冲罐、油水分离器,达到清洁、干燥后才能进入砂罐和喷砂枪; ③ 装砂时,应先关闭砂罐下面的出砂阀门,再关闭进砂罐和喷砂枪的进气阀,然后调节砂罐顶部放空阀,确认砂罐内压力为零后,再打开砂罐上的装砂盖向罐内装砂. ④ 装砂后,先关闭装砂盖,再关闭放空阀,然后打开进气阀,确认喷砂准备工作就绪后,方可打开砂罐下面的出砂三通旋塞; ⑤ 喷砂时,应调节三通处旋塞,控制出砂流量,喷枪不得朝向任何人员;持枪人员与控制砂门人员之间应有简单明了的信号联系;操作人员必须全身防护; ⑥ 喷射完毕,及时清理金属喷砂面砂粒,并用干燥无油的压缩空气吹净表面灰尘.清理后的喷砂表面不得用手触摸,以免造成喷砂面的污染. (3)其它措施: 喷砂前,应用金属薄板或硬木板将非喷砂部位遮蔽保护。 (4)质量评定: 5 a、清洁度:喷砂后,金属基体表面清洁度应达到GB8923 - 88中的相应级别,金属喷涂部位为Sa3级。 b、粗糙度:粗化处理后达到Ra 40 -80 nn o 3。1.3金属喷涂: (1) 铝丝: 所用金属丝应光洁、无锈、无油、无折痕,规格为62nn,纯度不低于99.7%。 (2) 间隔时间: 金属热喷涂施工与基体金属喷砂除锈的间隔时间应尽可能缩短,潮湿环境条件下,应在4h内喷涂完毕;晴天或湿度不大的情况下,最长不应超过12h. (3) 喷涂方法:采用火焰喷涂. (4 )技术参数: a、热喷涂所用压缩空气应清洁、干燥,压力不得小于0°4Mpa ; b、喷涂距离为1 - 2nn; c、喷枪尽可能与基体表面成直角,边缘处也不得小于45°; d、喷枪移动速度,以一次喷涂厚度达到50 - 1 m为宜; e、各喷涂带之间应有1/3的宽度重叠,厚度尽可能均匀; f、喷涂送丝速度为1 - 2nn/s 。 (5) 操作要领: a、各喷涂层之间的喷枪走向应相互垂直,交叉覆盖; b、涂层的表面温度降到70 °以下时,再进行下一层喷涂; c、喷涂开机前,应检查油水分离器的作用是否良好,工作前应把积水放 掉;认真检查喷枪、接头等联接是否正确牢靠; d、喷涂时会产生较多烟尘、较强的噪音、紫外线,作业人员应穿戴好防护用品,检查头盔上的呼吸管是否畅通; e、火焰喷涂要点: ① 使用氧气前,应将氧气瓶的出阀门瞬间开放,以吹出积尘。使用新胶管或较长时间未用的胶管时,应吹除管内积尘; ② 喷枪使用前应做气密性试验; ③ 开喷前,检查减压阀是否正常,并调置适当; ④ 点火前必须将喷枪总阀全开,除去氧气及乙炔气的混合物; ⑤ 点火时,金属丝应伸出喷嘴的空气帽外10mm以上,并必须在金属丝不断输送时方能点火.点火不得在空气不流通的空间内进行,应在此空间外点火,以防意外.点火时,不得使喷嘴对着工件,以防黑烟污染工件表面; ⑥ 点火后,立即进入调整阶段,应仔细检查调整锌丝输送速度及氧气、压缩空气、乙炔气的压力以及喷枪运行声音,直至正常为止; ⑦ 形态复杂的构件喷涂时应按先拐角后平面的顺序进行; ⑧ 喷涂完毕,将喷枪总阀回到全关位置,关闭氧气、压缩空气、乙炔气的各路阀门,拆除各路胶管,按喷枪说明书保养; (6)其它措施: 工件现场焊缝两侧预留1mm,及其它保护面,应用薄铁皮或硬木板压贴保护。 (7)质量检验: a、外观质量检查采用目视法。金属涂层表面应有均匀的外观,不能有起 皮、鼓泡、粗颗粒、裂皮、掉块及其它影响使用的缺陷; b、金属涂层厚度采用无损磁性测厚仪测量,厚度达到2 m。 c、结合性能检查: 金属涂层的结合性能检查用切格试验法进行。试验结果在方格形切样内不能出现金属涂层与基底剥离的现象. 四、质量保证体系 (一)质量保证体系机构图 项目经理 (二)、质检员职责: …〃质量工程师 ①负责质量检验工作;r— ②负责起草、修订本质量检验规程; 、新问 工质量进行 艺 制 督,对不 范标准要 提出限期整改 ⑤ 负责项目部内外质量信息的反馈工作; ⑥ 认真做好质量检测报告。 (三)、质量保证计划: 1〉质量标准和控制: 1.1>质量标准:按有关国颁和部颁施工验收规范及合同文件等 1。2>质量控制:单位工程合格率1 %,整体工程优良率80 %以上。 1。2.1>施工前做工艺过程模拟试验,对质检人员和操作工进行上岗培训,满足施工要求后,再允许正式上岗施工。 1。2。2>技术人员要认真审图,熟练掌握施工标准和规范,及时编制技术文件,并向施工人员进行详细的技术交底,严格按图纸施工,如设计有变更,及时办理相应手续。 1.2。3>工程技术人员要及时做好施工记录和质量检验,对需要甲方监理签字的工序及时办理签字手续。对需要设计、生产及施工单位联合检查的工序,应提前1小时,通知各方;报检合格后,方可进行下道工序的施工。 1.2。4〉质检员必须持水利部颁发的质检证上岗。督促各班组做好自检、互检、交接检及联合检查工作.并对工程质量保持经常性的检查,发现施工中的问题,及时进行质量分析,并采取有效的整改措施。 1.2。5>质检部门每月组织一次综合性质量检查,对正在施工项目和已完工项目进行全面细致的检查,进行质量分析,提出改进措施。 1.2.6>上岗操作人员必须持水利部水工金属结构质检中心颁发的操作工证,佩戴胸卡上岗,向业主提交名单和照片。 1.2。7>操作工要严格按操作规程作业,如有违章,质检员可令其停工。 2〉质量检验: 2.1>检测仪器 表面温度计、干湿度表、温度计、干膜测厚仪、划格刀具、粗糙度仪、粗糙度样块. 2。2〉报检方法: 在施工前编制报检计划表,以书面形式送交总包方和监理单位。每次报检时提前预约,如未能按预约时间到达检测现场,则视为总包方和监理单位检测合格,可进行下道工序。 2。3〉报检内容: 2.3。1〉喷砂报检的内容分两项:①清洁度;②粗糙度;具体检验与评定方法见检验规程。 2.3.2>涂料涂膜的报检内容分三项:①外观;②附着力;③涂膜厚度。具体检验与评定方法见检验规程。 2。3.3>金属涂层的报检内容分三项:①外观;②结合力;③涂层厚度。具体办法和评定办法见检验规程. 2.3。4〉复合涂层的报检内容有二项:①外观;②涂层总厚度。具体办法和评定办法见检验规程。 3>材料管理: 3。1>用于工程的涂装材料,应是经过工程实践证明其综合性能优良的产品。 3.2〉使用的涂料质量,必须符合国家标准或国外相应涂料标准,对无标准的涂料不得选用,不合格或过期涂料严禁使用. 3。3>涂料应配套使用,底、中、面漆宜选用同一厂家的产品,(如该厂家没有配套产品,更换时,应征得总包方和监理部门的同意)。 3。4>对采用金属喷涂的金属材料,其纯度、直径应符合国家有关规范及设计要求。 3。5>采用任何一种材料都应具备下列资料并报总包方和监理工程师审查: a、产品说明书、产品批号、生产日期、合格证及检验资料; io b、涂料工艺参数:包括闪点、比重、固体含量、表干、实干时间、涂覆间隔时间、理论涂覆率、规定温度下的粘度范围、规定稀释剂稀释比例降低的粘度及对各种涂覆方法的适应性等。 c、涂料主要机械性能指标,组成涂料的原料性能指标. d、涂料厂对表面除锈等级、涂装施工环境的要求等。 3。6>开工备料时要分批、定量、准时进料,以确保工程质量与工期. 3。7〉每一批次原材料采取随机抽样的方法,报请业主指定检测部门或国家检测部门(甲、乙方以外的第三方)检测,如不合格,立即退货。 3。8>对购进的材料必须进行逐项验收:说明书、合格证、化验单、生产日期等,全部符合设计要求的方能存入离生活区50米的仓库。 3.9>工程技术部首先填写提料单,报请项目经理批准后到仓库领料。 3。10〉材料入库时要有入库单,作到账物相符,出库时要有出库单及领料单,作到先进料先出库,决不能让过期材料出库。 4〉竣工验收: 4。1〉原始记录的整理:整理施工过程中的原始检验记录,对单位工程质量予以评定。 4.2>交接验收:上述工作结束后,报请甲方并会同监理对工程总体质量进行评定,办理交接验收。 4.3>向总包方提交完整的竣工资料。 (四)、检验规程: 1>温度: 1。1>环境温度:在施工现场悬挂摄氏温度计,每2个小时读取一次读数 11并做好记录. 1.2〉基体表面温度:用表面温度计测量基体表面温度。 2〉相对湿度: 2。1>用温、湿度表测量施工现场的相对湿度,每两个小时读取一次读数,看是否符合施工工艺,采取相应办法或措施,并做好记录。 3>露点: 3.1〉露点的计算参照SL105 - 95《水工金属结构防腐蚀规范》 4〉表面预处理: 4.1〉表面清洁度等级的评定 评定表面清洁度等级时,被检基体金属的表面应与GB8923《涂装前钢材表面锈蚀等级和除锈等级》中相应的照片进行比较评定,其等级划分见SL105 。 4。2〉表面粗糙度等级的评定 评定表面粗糙度时,应按照GB/T13288《涂装前钢材表面粗糙度等级的评定〈比较样块法〉》用标准样块目视比较评定粗糙度等级,或用仪器直接测定表面粗糙度值. 4。2.1〉比较样块法 应根据不同的磨料选择相应的样块进行评定,将样块靠近被检表面的某一测点进行目视比较,必要时可借助不大于7倍的放大镜,以基体金属表面外观最接近的样块所示的粗糙度等级作为评定结果。等级查分及评定方法见SL105. 每2m 2表面至少要有一个评定点,且每一评定点的面积不少于50mm 2. 12 4.2.2>仪器法 用表面粗糙度仪检测粗糙度时,每2m 2表面至少要有一个评定点,取评定长度为40mm,在此长度范围内测五点,取其算术平均值为此评定点的表面粗糙度值。 4.3〉表面预处理的清洁度和粗糙度达到标准后,才允许涂装并做好记录。 5〉涂料涂层质量检验: 5.1〉表面预处理的质量合格后,方能进行涂装. 5。2〉涂装过程中,应用湿膜测厚仪及时测定湿膜厚度,以便把握其干膜厚度。 5。3〉每层涂装时应对前一层进行外观检查,如发现漏涂、流挂、皱纹等缺陷,应及时进行处理.涂装结束后,进行涂膜的外观检查,表面应均匀一致,无流挂、皱纹、鼓泡、裂纹等缺陷。 5.4>涂膜固化干燥后进行干膜厚度的测定.85%以上测点的厚度应达到设计厚度;没达到设计厚度的测点,其最低厚度应不低于设计厚度的85%。 5。4.1〉使用的测厚仪精度应不低于+ 10%。 〉测厚仪的调节 测量前应先在标准样块上对仪器进行调节,以确保其测量精度。然后分别在标准样块和预处理后的无涂层基底上进行置零比较. 〉测量时,每一测点都应取3次读数,其中每次读数的位置相距25-75mm,取3次读数的算术平均值为该点的测定值。对于涂装前表面粗糙度大于1 m的涂膜进行测量时,其测定值应为5次读数的平均值。 5。4.4〉平整表面上每10m 2应不少于3个测点,结构复杂面积较小的表 13面原则上每2m 2取1个测点。必要时可取2个测点,取点应注意分布的均匀性,代表性。 5。5〉对每次测量值均应做好原始记录。 5。6>附着力的检查 当涂膜厚度大于120 M时,在涂层上划二条夹角为60度的切割线,应划透涂层至基底,用布胶带粘牢划部分,然后沿垂直方向快速撕起胶带,涂层应无剥落。当涂膜厚度大于或等于120 m时,可用划格法检查,其方法及判断见GB9286《色漆和清漆划格试验》。本试验宜作带样试验,如在工件上进行检查,应选择非重要部位,测试后立即补涂。 6〉金属喷涂质量检验: 6.1〉金属涂层表面应有均匀的外观,不能有起皮、鼓泡、裂纹、掉块及其他影响使用的缺陷。 6.2>金属层厚度检查 6。2。1〉测厚仪的精度要求及调节见5。4.1和5。4。2. 6.2。2〉金属涂层厚度检查方法:(采取最小局部厚度控制) 6.2.2 1>当有效表面的面积在1m 2以上时,用磁性测厚仪,在一个面积为1dm 2的基准表面上测量10点涂层厚度,取10个值的算术平均值为该基准表面局部厚度,当有效面积在1m 2以下时,在一个面积为1cm的基准面上测量五点涂层厚度,取5个值的算术平均值为该基准表面的局部厚度。 6。2。2.2〉根据工件大小和结构复杂程度的不同,按照分布均匀,具有 代表性的原则来布置基准表面,一般在平整的表面上,10m 2不少于三个基准表面,结构复杂的表面可适当增加基准表面。 14 6.2.2 3>对测量部位及测量值应做好原始记录. 6.3〉金属涂层结合性能检查: 6.3.1>用硬质刀具刃将涂层切割成方形格子。 格子尺寸见下表: 检查的涂层厚度(m) 切割区的近似面积mmxmm 划痕间距mm =2 15 x 15 3 >2 25 x 25 5 6.3。2>切割时刀具的刃与涂层表面约保持90度,切割后,涂层至基体金属表面必须完全切断。 6。3.3>在格子状涂层表面,贴宽度为25mm 的布胶带,用5g负荷的辊子或用手指压紧,然后以手持胶带的一端,按与涂层表面垂直的方向,以迅速而又突然的方式将粘胶带拉开,检查涂层是否被胶带粘起而剥离。 〉涂层的任何部位都未与基体金属剥离为合格,如果胶带上有破断的涂层粘附,但破断部发生在涂层间,而不是涂层与基体的界面上,基底裸露,亦认为合格。 7>金属涂层加涂料的复合层质量检验。 7.1>外观质量检查同5。3。 7.2>涂层总厚度的测量,参照5.4执行。 7。3>所测数据做好原始记录,最好与监理配合测定。 五、安全保证 安全体系控制图 项目经理 15 项目部专职安全副经理 1安全计划 在项目开工之前,安全负责人将组织编制一份项目作业计划,该计划的 条件,安全管 表面处理 监督负责人 信息反馈 监督反馈 项目部安全处职责 1、审查施工安全措施及执行 2、做好七防:防火、防电、 信息反馈 监督反馈 表面处理 监督负责人 编制依据施工特点、现场 3、多层交叉作业、高空作业; 别是业主的有 关法规等。计划的内容包 的施工和阶段的安全技 例,安全保证措施、列举 文件,安全培训计划,安 4、全面安全监督检查、措施 现场专职安全监督员 落实 监督检查 信息反馈 施工班组安全员 括合同规定 术要求、条 必要的程序 全检查,在出现安全事故 情况下的紧急处理、紧急 避险、抢救等的措施。 防雨、防雷、防雹、防晒、 防台风; 理的规定,特 2安全培训 项目所有的员工在上岗之前都进行相应的安全培训,对从事特殊作业的 人员如起重工、电工等必须持证上岗.施工人员只有经过三级安全教育并经逐级考核全部合格后,方可上岗。三级安全教育成绩应填入职工安全教育卡,存档备查. 安全施工贯穿整个劳动过程中,而三级教育仅仅是安全教育的开端。 16施工人员只进行三级教育还不能单独上岗作业,还必须根据岗位特点,对他们再进行生产技能和安全技术培训。对特种作业人员,必须进行专门培训,经考核合格,方可持证上岗操作。 3安全负责人负责培训针对本工程相关的法律、规章制度、地方的政策条例以及本工程项目安全计划和措施. 4现场监督员负责其责任范围内的工作特性的讲解,安全要求,程序或操作指令以及设备的安全使用方法等。 5由班组长培训相关工序的安全特性,规章和操作规程,以及劳动保护用品的使用保管. 6现场的安全管理 6。1定期进行安全检查是现场安全管理的一项重要内容,与安全有关的所有施工活动都包括在检查的范围之内。安全的检查要求: ① 安全负责人每月至少组织一次安全检查活动. ② 每个班组每月至少组织两次安全检查。 ③ 现场安全监督员每天在现场进行一次巡视检查设备的操作有无违反规章及条例的现象,并及时纠正和通报。 ④ 安全检查的内容包括安全条例、规章、计划和程序文件的履行情况,有无事故隐患。检查的方法可采用触、看、听、闻、查等方法。 6.2安全措施 ① 施工现场物料堆放整齐,物品不得随意乱放,设专库存放,专人保管。 ② 作业区危险场所、易燃、易爆场所设明显安全标识和安全警示牌, 并配备足够的灭火器材。 17 ③ 作业线周围设安全护栏,并设禁止穿越传动线等警示标志。 ④ 进入生产场所必须穿戴好劳动保护用品和用具。 ⑤ 对重点要害及关键部位严格执行安全巡检制度,对发现的安全隐患及时进行整改。 7安全责任制度 7.1安全教育 做好新进场职工三级安全教育、转岗工人培训教育、特种作业人员安全培训教育及各种基地劝性安全都教育,如班前会、事故现场会、民工返岗教育等,坚持先培训后上岗的原则,以不断提高职工的自我保护能力。 7.2安全技术措施交底制: 分部分项工程施工前,由施工员对班组进行安全技术措施进行交底,施工员还要按工程主进度定期或不定期向班组进行交叉作业的安全交底.要做到头交底与书面交底相结合。 7。3安全秤巡检 加强安全检查贯彻执行安全标准的重要环节,坚持公司每季度一次,分公司每月一次,项目部每周一次,工地安全员、施工员、各班巡检一次,每级巡检均要记录,各级巡检人员在现场发现问题,应立即下达《整改通知》,认真整改做到三落实措施、时间、执行人),各项整改情况要及时复查,逐级书面反馈,对重要隐患立即处理,直至采取停机停产查封措施。 7。4安全措施挂牌 在工程施工现场需要注意安全的设备及隔离地,找醒目位置悬挂操作规程和安全警示牌,在办公室的正面挂公司的工地消防责任制和安全技术措 18施牌. 六、确保文明施工的技术组织措施 1目标:争创文明施工现场。 2进入现场人员着装统一整齐。严格遵守现场管理制度,服从建设单位、监理单位及现场管理人员的管理,对管理有异议时采取合理方法解决,不得顶撞建设单位和监理单位人员。 3出现问题时,逐级上报,不得越级上报或私下采取不合理方法解决. 4有效利用施工现场场地,严格按照甲方要求指定地点堆放施工材料,材料应按品种、规格分别堆放,堆放整齐有序、禁止乱扔乱放建筑垃圾,要堆放在统一位置。 5禁止在施工现场大吵大闹,打架斗殴,严禁酒后作业,施工现场禁止大小便。 6施工现场设备摆放统一有序,架设电线布局合理,严禁乱扯电线、乱挂电灯. 7每个工序施工完工后及时清理现场垃圾,保证达到工完料净场地清。未经允许不得擅自动用或挪动现场设备。 8为保证工程施工不影响厂内正常工作,施工时要对施工现场进行封闭,同时对施工范围进行围护。 9在施工期间,晚上不得施工,如工期较紧,晚上必须施工时,应尽量减少噪音的污染。 七、确保工期的技术组织措施 1、工期保证措施 19 1。1本工程和主体工程配套并同时进行施工,我方保证不影响工程施工进度。 1.2本工程能否如期竣工,关系到业主的经济和社会效益。我公司将本工程作为首要重点工程之一,采取强有力的组织措施保证工程进度,按期完工。 1.3调集公司骨干管理人员和曾参与同类工程施工的施工队伍参加本工程施工。按照计划和现场进度的要求,合理优化资源配置,采用先进的施工技术、机具、通过科学的管理确保如期竣工,达到项目的进度控制目标。 1.4强化工程计划管理,发挥统筹计划在工程建设各项管理中的“龙头”作用,工程计划是项目控制的依据,是项目管理的方针目标,是组织工程建设施工的依据,各项建设施工管理工作都必须按工程计划的要求组织实施。 1.5加强现场调度管理,统一指挥协调,落实控制工期的组织措施.要求做到统筹兼顾,全面安排,确保重点、兼顾一般.调度是执行计划、组织施工的中心,要科学合理地安排施工生产,抓住重点保证。各参战人员要服从计划安排和调度的统一指挥协调,认真及时地按计划要求组织施工。 1.6进一步加强施工技术和质量管理。技术、质量管理是施工管理的关键,是工程顺利施工的依据和保证,各施工班组要按照工程计划的要求和现场施工进度需要,认真做好各项技术、质量管理工作,优化选择,精心编制施工方案,严格按照施工规范和方案组织施工,做好各工序、各班组之间的中间交接,确保质量,认真制定并落实专业技术保证措施。采用先进的施工技术和完善的质量控制措施,确保工程顺利施工,为达到工期目标创造条件。 1。7确保设备材料供应,设备材料供应是制约工程进度的重要因素, 20应根据工程施工计划进度要求,提前报批材料计划,保证合理的采购周期,满足施工现场需要,认真做好设备材料的接、保、检工作,保证材料到货期和供货质量,使用工程做到连续均衡施工。 1.8抓好安全生产,文明施工,随着工程施工作业面的展开,现场交叉作业多,高空作业较多,必须严格按安全施工管理制度进行施工,杜绝因安全问题引起的施工延误。 1。9充分发挥我公司施工经验丰富、技术力量雄厚的优势,科学组织,严格管理,发扬我公司广大职工敢打硬仗的铁军精神,根据工程进度需要,适当增加资源投入,保证工程进度。在施工中以工程建设大局为重,积极为建设单位分忧解难,有条件要上,没有条件创造条件也要上。 1.10配备足够的施工机械,最大限度地减轻劳动强度,提高工效,加快施工进度. 1。11工程总工期,主要控制点是工程建设的指令性指标,必须采取得力措施确保完成。施工中采取目标分解,单项承包,实行奖罚制度,鼓舞士气。 2、总体进度计划 进度安排:一切均根据贵公司工程进度和贵公司工程管理人员要求有序进行,做到工序不减,质量第一,保证进度.坚持基础处理高标准,涂漆高质量,控制干燥间隔时限:结构层层达标,杜绝质量隐患.凡隐蔽工程,必须经有关质检部门检查认可后,方可进行下步工序。签证、验收手续要齐全。 3、确保工期、进度的措施 3。1、抓好施工准备工作: 我公司一旦中标,项目部各组织机构将立即运转,尽快进入施工现场, 21切实做好一切准备工作,抓紧、抓好、抓细,力争良好开端。 3。2、与主体工程搞好协同,打破常规,见缝插针,全面展开,有组织有顺序地进行各项工作. 3。3、实行质量、进度目标管理责任制。项目部对各施工队,实行任务分解,层层签订责任书,保质量、保进度、优胜劣汰、奖勤罚懒. 3。4、质检、统计、施工主管,尽职尽责,定期不定期对工程质量进度进行检评、督促,发现问题及时解决。 3。5落实经济承包制度,开展劳动竞赛,为确保质量、工期,项目部将严格执行原有经济承包制,奖罚兑现。最大限度调动施人员的积极性,能动性,确保工程优质、高效。 八、环境保护措施 在本项目实施过程中,将把对环境的保护作为一项重要的控制目标,旨在避免或减少由于项目实施而给自然环境造成的不良影响或破坏。 1、环境管理策划 在项目实施前,首先由HSE工程师负责进行环境策划。环境策划就是对施工、试运行期间出现的环境问题加以分析,主要涉及以下几个方面: 1。1确定施工期间可能发生的各种危害及针对危害设置相应的防范措施。 1.2确定该工程在施工期间所采取的废物处理和控制措施. 1.3驻地生活垃圾可能造成的污染。 2、环境管理实施 公司将通过下列措施保证项目环境控制计划被有效的实施: 22 2.1明确相关人员职责和权限。 2。2通过适当方式的培训,使那些可能对环境产生影响的人员在环境意识、能力等方面得到提高,使其达到能胜任所担负的工作. 2.3建立、保持畅通的信息渠道,使得公司内部及公司与业主有关环境因素和环境管理体系信息得到交流。 2。4建立必要的程序文件,确保与环境有关的施工活动在程序规定条件下进行. 2。5对与环境管理体系有关的文件、记录实施控制,确保文件的使用者得到的均是相应文件的有效版本,记录及时、准确、便于检索。 3、不符合项目的纠正 公司将采取一定的措施,保证对项目实施过程中出现的环境控制方面的不符合项,进行及时纠正并防止再发生,环境控制方面的不符合项目可能来自: 3.1对施工现场环境检查的结果报告,不符合事实通知书. 3.2业主或其代表的检查报告,不符合事实通知书。 九、雨季施工措施 该工程施工季节雨水可能比较多,所以我们要做好雨季施工的准备。 雨天进场道路、湿度、温度等对施工影响较大,在业主方工期紧的情况下,我们要作为重点来对待。 1. 加强计划安排雨季施工是全年性施工重要的一项战略性安排。 2. 抓施工准备,包括材料,专用设备、能源、暂设工程等准备工作. 3. 编好技术措施,确定主要技术关键,规定单项工程雨季施工方案编制 23 原则。 4. 制好单项工程施工方案,内容包括:工程进度、施工方法、劳动组织、操作要点、质量要求、试验检测等。 5. 重视技术培训,技术交底工作. 6. 根据雨期施工的特点分轻、缓、急;在施工布置上要根据晴、雨、 内、外、相结合的原则。 7。要将雨季的几天施工准备工作纳入我们的生产计划,考虑定量动力, 安排一定作业时间,搞好雨季期间材料的储备。 8。加强技术管理和安全工作,要认真编制和贯彻雨季施工技术措施和安全措施,定期组织雨施工交底和检查,积极督促做好有关工作,尽量减少雨期带来的损失. 工艺流程 附图: 表面处理|不合格:|合格 涂封闭层 不合格合格涂中向漆 —4^ 不合格合格 涂面漆 不合格合格 24 25
展开阅读全文

开通  VIP会员、SVIP会员  优惠大
下载10份以上建议开通VIP会员
下载20份以上建议开通SVIP会员


开通VIP      成为共赢上传

当前位置:首页 > 品牌综合 > 施工方案/组织设计

移动网页_全站_页脚广告1

关于我们      便捷服务       自信AI       AI导航        抽奖活动

©2010-2026 宁波自信网络信息技术有限公司  版权所有

客服电话:0574-28810668  投诉电话:18658249818

gongan.png浙公网安备33021202000488号   

icp.png浙ICP备2021020529号-1  |  浙B2-20240490  

关注我们 :微信公众号    抖音    微博    LOFTER 

客服