收藏 分销(赏)

质量部样件存放管理规定-样品确认作业流程与管理制度.docx

上传人:精*** 文档编号:10072963 上传时间:2025-04-20 格式:DOCX 页数:3 大小:36.39KB 下载积分:5 金币
下载 相关 举报
质量部样件存放管理规定-样品确认作业流程与管理制度.docx_第1页
第1页 / 共3页
质量部样件存放管理规定-样品确认作业流程与管理制度.docx_第2页
第2页 / 共3页


点击查看更多>>
资源描述
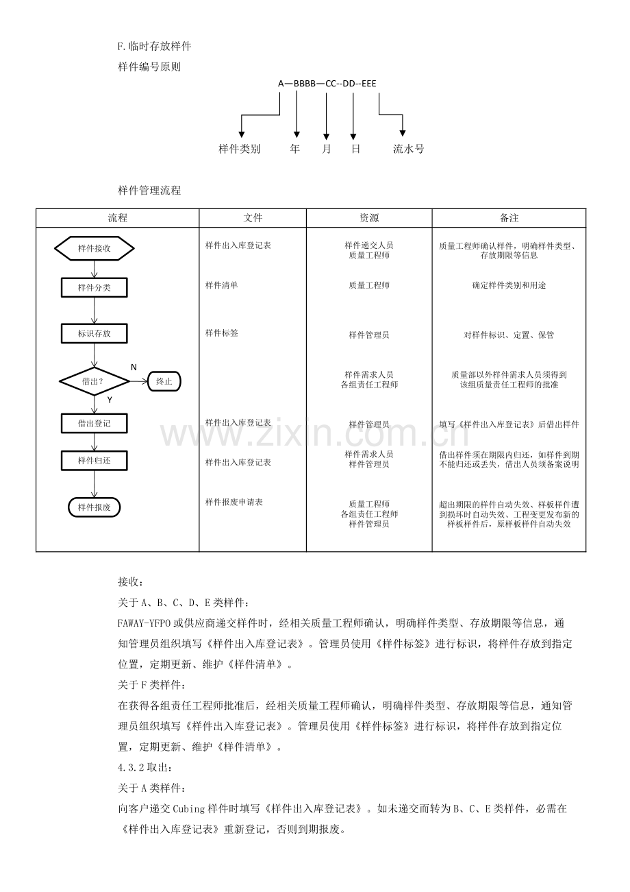
质量部样件存放管理规定 目的 本程序规定了样件从接收、存放、领用到报废的全过程。 范围 本指导书适用于XX汽车外饰质量部样件的管理。 使命 质量工程师负责: 确定样件类别和用途 确认样件状态和存放期限 确认到期必需要报废的样件 管理员负责: 组织《样件出入库登记表》的填写 对样件进行标识、定置、保管 样件存放到期,及时通知存放人员处置 定期更新、维护《样件清单》 样件存放委托人员负责: 填写《样件出入库登记表》 按要求将样件存放到指定位置 及时处置存放到期样件 对必需要报废样件,填写《样件报废申请表》 报废获批报废的样件 各组质量责任工程师负责: 借出样件和《样件报废申请表》的批准 流程 样件分类原则 质量工程师按照以下原则对存放样件进行分类: A.Cubing样件:包括最新状态的FAWAY-YFPO样件、供应商递交的样件等,限3套 B.对照样件:CKD样件,必需储存的FAWAY-YFPO、供应商内部对照样件、批次板等,如: 缺陷样件〔含有某项或某些不可接收的缺陷,作为缺陷展示〕; 极限样件〔产品可接收的最低标准,作为产品生产和接收的依据〕; 内部标准样件〔依据客户认可样件复制的内部使用样件〕; 当前控制状态样件〔如首末件,参照《首件确认管理规范》要求〕;等 C.手工样件 D.工程更改验证样件 E.客户批准/认可/发放样件:客户依据外观、尺寸、装配等要求,批准/认可/发放的用于产品开发和批量生产过程参照的标准样件〔板〕或产品的样件,如移模样件,1分、3分认可样件,AAR样件,标准色板等 F.临时存放样件 样件类别 年 月 日 流水号 样件编号原则 样件管理流程 接收: 关于A、B、C、D、E类样件: FAWAY-YFPO或供应商递交样件时,经相关质量工程师确认,明确样件类型、存放期限等信息,通知管理员组织填写《样件出入库登记表》。管理员使用《样件标签》进行标识,将样件存放到指定位置,定期更新、维护《样件清单》。 关于F类样件: 在获得各组责任工程师批准后,经相关质量工程师确认,明确样件类型、存放期限等信息,通知管理员组织填写《样件出入库登记表》。管理员使用《样件标签》进行标识,将样件存放到指定位置,定期更新、维护《样件清单》。 4.3.2取出: 关于A类样件: 向客户递交Cubing样件时填写《样件出入库登记表》。如未递交而转为B、C、E类样件,必需在《样件出入库登记表》重新登记,否则到期报废。 关于B、C、E类样件: 管理员通知存放委托人员取走到期样件,如必需延期,更新《样件出入库登记表》和样件标识。 关于D类样件: 超过存放期限时,如转为C类样件,必需在《样件出入库登记表》重新登记,否则到期报废。 质量部以外人员须得到该组质量责任工程师的批准,并填写《样件出入库登记表》后方可借出样件。借出样件必需在约定期限内归还质量部,如样件到期不能归还或丢失,借出人员必需提供样件延期/丢失说明并向质量部备案。 超出有效期的样件和样板自动失效、样板样件遭到损坏时自动失效、工程变更公布新的样板样件后,原样板样件自动失效。 关于A、B、C、D、F类样件: 质量工程师确认样件必需要报废后,填写《样件报废申请表》并递交各组责任工程师批准,予以报废。 关于E类样件: 在车型EOP后,质量工程师填写《样件报废申请表》并递交各组责任工程师批准,予以报废。 《样件报废申请表》一式三份,管理员、质量工程师、废品库各一份。
展开阅读全文

开通  VIP会员、SVIP会员  优惠大
下载10份以上建议开通VIP会员
下载20份以上建议开通SVIP会员


开通VIP      成为共赢上传

当前位置:首页 > 应用文书 > 规章制度

移动网页_全站_页脚广告1

关于我们      便捷服务       自信AI       AI导航        抽奖活动

©2010-2025 宁波自信网络信息技术有限公司  版权所有

客服电话:0574-28810668  投诉电话:18658249818

gongan.png浙公网安备33021202000488号   

icp.png浙ICP备2021020529号-1  |  浙B2-20240490  

关注我们 :微信公众号    抖音    微博    LOFTER 

客服