收藏 分销(赏)

施工单位安全管理资料组卷分类表.docx

上传人:人****来 文档编号:10047623 上传时间:2025-04-19 格式:DOCX 页数:8 大小:50.01KB 下载积分:6 金币
下载 相关 举报
施工单位安全管理资料组卷分类表.docx_第1页
第1页 / 共8页
施工单位安全管理资料组卷分类表.docx_第2页
第2页 / 共8页


点击查看更多>>
资源描述
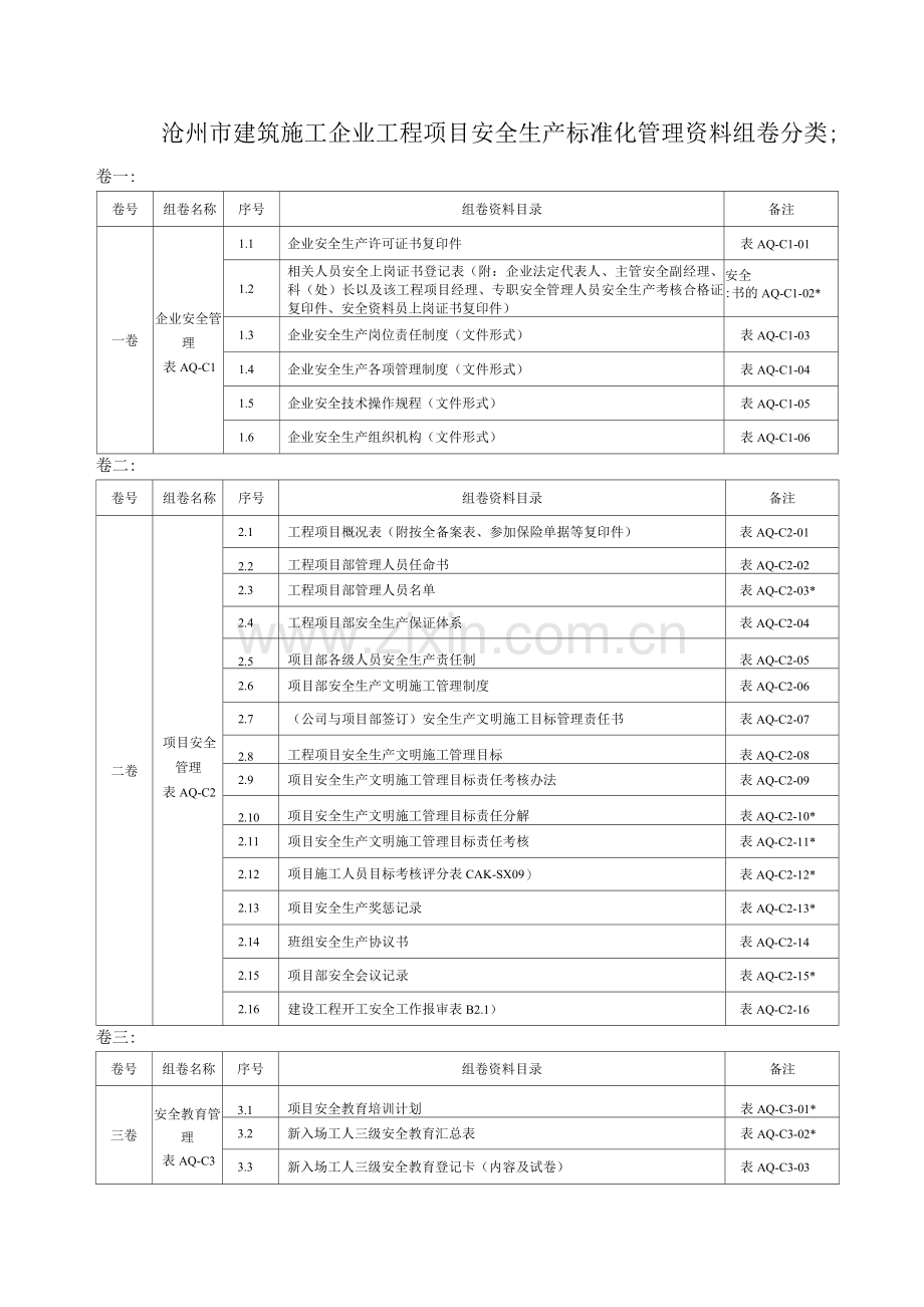
沧州市建筑施工企业工程项目安全生产标准化管理资料组卷分类; 卷一: 卷号 组卷名称 序号 组卷资料目录 备注 一卷 企业安全管理 表AQ-C1 1.1 企业安全生产许可证书复印件 表AQ-C1-01 1.2 相关人员安全上岗证书登记表(附:企业法定代表人、主管安全副经理、科(处)长以及该工程项目经理、专职安全管理人员安全生产考核合格证复印件、安全资料员上岗证书复印件) 安全 :书的AQ-C1-02* 1.3 企业安全生产岗位责任制度(文件形式) 表AQ-C1-03 1.4 企业安全生产各项管理制度(文件形式) 表AQ-C1-04 1.5 企业安全技术操作规程(文件形式) 表AQ-C1-05 1.6 企业安全生产组织机构(文件形式) 表AQ-C1-06 卷二: 卷号 组卷名称 序号 组卷资料目录 备注 二卷 项目安全 管理 表AQ-C2 2.1 工程项目概况表(附按全备案表、参加保险单据等复印件) 表AQ-C2-01 2.2 工程项目部管理人员任命书 表AQ-C2-02 2.3 工程项目部管理人员名单 表AQ-C2-03* 2.4 工程项目部安全生产保证体系 表AQ-C2-04 2.5 项目部各级人员安全生产责任制 表AQ-C2-05 2.6 项目部安全生产文明施工管理制度 表AQ-C2-06 2.7 (公司与项目部签订)安全生产文明施工目标管理责任书 表AQ-C2-07 2.8 工程项目安全生产文明施工管理目标 表AQ-C2-08 2.9 项目安全生产文明施工管理目标责任考核办法 表AQ-C2-09 2.10 项目安全生产文明施工管理目标责任分解 表AQ-C2-10* 2.11 项目安全生产文明施工管理目标责任考核 表AQ-C2-11* 2.12 项目施工人员目标考核评分表CAK-SX09) 表AQ-C2-12* 2.13 项目安全生产奖惩记录 表AQ-C2-13* 2.14 班组安全生产协议书 表AQ-C2-14 2.15 项目部安全会议记录 表AQ-C2-15* 2.16 建设工程开工安全工作报审表B2.1) 表AQ-C2-16 卷三: 卷号 组卷名称 序号 组卷资料目录 备注 三卷 安全教育管理 表AQ-C3 3.1 项目安全教育培训计划 表AQ-C3-01* 3.2 新入场工人三级安全教育汇总表 表AQ-C3-02* 3.3 新入场工人三级安全教育登记卡(内容及试卷) 表AQ-C3-03 卷号 组卷名称 序号 组卷资料目录 备注 三卷 安全教育管理 表AQ-C3 3.4 安全教育记录表(适时教育) 表AQ-C3-04 3.5 安全教育记录表(经常性教育) 表AQ-C3-05 3.6 安全教育记录表(特种作业、机械操作人员教育) 表AQ-C3-06 3.7 特种作业人员持证上岗花名册(附含年检栏的证书复印件) 表AQ-C3-07 3.8 班组安全活动记录表 表AQ-C3-08 续表 卷三: 卷号 组卷名称 序号 组卷资料目录 备注 四卷 危险源 管理 表AQ-C4 4.1 危险源辨识与风险评价表 表AQ-C4-01* 4.2 重大危险源与控制计划清单 表AQ-C4-02* 4.3 重大危险源控制目标和管理方案 表AQ-C4-03* 卷五: 卷号 组卷名称 序号 组卷资料目录 备注 五卷 安全技术 管理 表AQ-C5 5.1 建设工程施工组织设计报审表B2.2) 表AQ-C5-01* 5.2 施工组织设计(审批) 表AQ-C5-02 5.3 施工组织设计会签表 表AQ-C5-03 5.4 施工现场总平面布置图 表AQ-C5-04 5.5 施工现场安全标志平面图 表AQ-C5-05 5.6 施工现场排水网络平面图 表AQ-C5-06 5.7 危险性较大分部分项工程确认报审表12(4) 表AQ-C5-07 5.8 危险性较大分部分项工程汇总表 表AQ-C5-08 5.9 超过一定规模危险性较大分部分项工程专项方案专家论证表 表AQ-C5-09* 5.10 分部、分项安全技术交底清单 表AQ-C5-10 5.11 分部、分项安全技术交底 表AQ-C5-11 卷六: 卷四: 卷号 组卷名称 序号 组卷资料目录 备注 六卷 分包方管理表AQ-C6 6.1 分包单位安全生产条件报审表B3.1) 表AQ-C6-01 6.2 分承包方考察评价表 表AQ-C6-02 6.3 分承包方营业执照、资质证书、安全生产许可证(复印件) 表AQ-C6-03 卷六:续表 卷号 组卷名称 序号 组卷资料目录 备注 六卷 分包方管理表AQ-C6 6.4 分包方施工人员名单 表AQ-C6-04 6.5 分包方特种作业人员持证上岗花名册(附含年检栏的证书复印件) 表AQ-C6-05 6.6 工程施工分包合同 表AQ-C6-06 6.7 分包工程安全生产协议 表AQ-C6-07 6.8 总包方对分包方进场的安全总交底 表AQ-C6-08* 6.9 安全物资工具设施设备移交单 表AQ-C6-09 6.10 对分包方的安全监督检查记录 表AQ-C6-10 卷七: 卷号 组卷名称 序号 组卷资料目录 备注 七卷 安全投入 防护用品 管理 表AQ-C7 7.1 项目部安全生产资金投入计划 表AQ-C7-01* 7.2 安全费用投入清单 表AQ-C7-02* 7.3 安全防护用具进场查验登记表 表AQ-C7-03 7.4 安全防护用品发放记录 表AQ-C7-04 7.5 建设工程安全费用拨付申请表(用于I类项即5.1) 表AQ-C7-05 7.6 安全防护、文明施工措施费用支付申请表(用于II类项(目5)2) 表AQ-C7-06 7.7 安全防护用品产品质量证明文件 表AQ-C7-07 卷八: 卷号 组卷名称 序号 组卷资料目录 备注 八卷 脚手架 工程管理 表AQ-C8 8.1 脚手架施工方案报审表(B2.3) 表AQ-C8-01 8.2 脚手架施工方案(审批) 表AQ-C8-02 8.3 脚手架施工方案会签表 表AQ-C8-03 8.4 脚手架施工安全技术交底 表AQ-C8-04 8.5 落地式脚手架验收表 表AQ-C8-05 8.6 悬挑式脚手架验收表 表AQ-C8-06 8.7 挂脚手架安装验收表 表AQ-C8-07 8.8 吊篮脚手架验收表 表AQ-C8-08 8.9 附着式升降脚手架(整体提升架或爬架)验收表 表AQ-C8-09 8.10 落地式卸料平台验收表 表AQ-C8-10 8.11 悬挑式钢平台验收表 表AQ-C8-11 8.12 脚手架临时局部拆除移动审批表 表AQ-C8-12 8.13 脚手架拆除审批监控记录 表AQ-C8-13 8.14 脚手架用具产品质量证明文件 表AQ-C8-14 卷九: 卷号 组卷名称 序号 组卷资料目录 备注 九卷 三宝四 安全防护 管理 表AQ-C9 9.1 施工现场安全防护方案报审表B2.3) 表AQ-C9-01 9.2 施工现场安全防护方案(审批) 表AQ-C9-02 9.3 施工现场安全防护方案会签表 表AQ-C9-03 9.4 现场防护安全技术交底 表AQ-C9-04 9.5 安全平网架设验收表 表AQ-C9-05 9.6 密目式安全网架设验收表 表AQ-C9-06 9.7 四临边防护验收表 表AQ-C9-07* 9.8 安全防护设施交接验收记录 表AQ-C9-08 9.9 安全防护设施临时局部拆除移动审批表 表AQ-C9-09 9.10 安全防护用具检查维修保养记录 表AQ-C9-10 卷十: 卷号 组卷名称 序号 组卷资料目录 备注 十卷 基坑工程 管理 表AQ-C10 10.1 基坑工程施工方案报审表B2.3) 表AQ-C10-01 10.2 基坑工程施工方案(审批) 表AQ-C10-02 10.3 基坑工程施工方案会签表 表AQ-C10-03 10.4 基坑工程施工安全技术交底 表AQ-C10-04 10.5 基坑支护验收表 表AQ-C10-05 10.6 基坑支护沉降观测记录表 表AQ-C10-06* 10.7 基坑支护水平位移观测记录表 表AQ-C10-07* 10.8 地上、地下管线保护措施验收记录表 表AQ-C10-08 10.9 人工挖孔桩防护检查表 表AQ-C10-09 10.10 特殊部位气体检测记录 表AQ-C10-10 10.11 地上、地下管线保护措施验收报审表((9) 表AQ-C10-11* 10.12 人工挖孔桩防护检查报审表2.10) 表AQ-C10-12* 10.13 特殊部位气体检测报审囊2.11) 表AQ-C10-13* 卷十一: 卷号 组卷名称 序号 组卷资料目录 备注 十一卷 模板工程管理 表AQ-C11 模板工程施工方案报审表B2.3) 表 AQ-C11.1-01 模板工程施工方案(审批) 表 AQ-C11.1-02 模板工程施工方案会签表 表 AQ-C11.1-03 模板施工安全技术交底 表 AQ-C11.1-04 模板工程验收表 表 AQ-C11.1-05 模板拆除申请表(附报告) 表 AQ-C11.1-06 卷号 组卷名称 序号 组卷资料目录 备注 十二卷 施工用电管理 表AQ-C12 12.1 临时用电施工组织设计报审表B2.3) 表AQ-C12-01 12.2 临时用电施工组织设计(审批) 表AQ-C12-02 12.3 临时用电施工组织设计会签表 表AQ-C12-03 12.4 临时用电施工安全技术交底 表AQ-C12-04 12.5 施工现场临时用电验收表 表AQ-C12-05 12.6 电气线路绝缘强度测试记录表 表AQ-C12-06 12.7 接地电阻测试记录表 表AQ-C12-07 12.8 漏电保护器检测记录表 表AQ-C12-08 12.9 安全用电设施交接验收记录 表AQ-C12-09 12.10 电工巡检维修记录 表AQ-C12-10 12.11 临时用电产品质量证明文件 表AQ-C12-11 卷十一: 续表 卷号 组卷名称 序号 组卷资料目录 备注 十一卷 起重吊装 管理 表AQ-C11 起重吊装施工方案报审表B2.3) 表 AQ-C11.2-01 起重吊装施工方案(审批) 表 AQ-C11.2-02 起重吊装施工方案会签表 表 AQ-C11.2-03 起重吊装作业安全技术交底 表 AQ-C11.2-04* 起重吊装作业人员及机械查验表 表 AQ-C11.2-05 起重吊装作业人员及机械查验报审表2.12) 表 AQ-C11.2-06 卷十二: 卷十三: 卷号 组卷名称 序号 组卷资料目录 备注 十三卷 施工机具管理 表AQ-C13 13.1 项目部机械设备台帐 表AQ-C13-01 13.2 进场机械设备验收表 表AQ-C13-02 13.3 施工机具安装验收表 表AQ-C13-03 13.4 施工机具安全使用技术交底 表AQ-C13-04 13.5 施工现场机械设备维护保养记录 表AQ-C13-05 13.6 施工现场机械设备交接班记录 表AQ-C13-06 13.7 主要施工机械设施安全报审表B2.5) 表AQ-C13-07 卷十四: 卷号 组卷名称 序号 组卷资料目录 备注 十四卷 起重机械设备管理表AQ-C14 物料提升机安装拆除施工方案报审表(2.3) 表 AQ-C14.1-01 物料提升机安装拆除施工方案(审批) 表 AQ-C14.1-02 物料提升机安装拆除施工方案会签表 表 AQ-C14.1-03 卷号 组卷名称 序号 组卷资料目录 备注 物料提升机安装拆除安全技术交底 表 AQ-C14.1-04 起重机械 设备管理 起重机械基础处理报告单(物料提升机) 表 AQ-C14.1-05 物料提升机安装拆除过程记录 表 AQ-C14.1-06 表AQ-C14 物料提升机安装验收表(自检报告) 表 AQ-C14.1-07* 物料提升机管理 起重机械定期维护检测记录 表 AQ-C14.1-08 施工现场起重机械安装拆除报审表B2.6) 表 AQ-C14.1-09 施工现场起重机械验收核查表B2.7) 表 AQ-C14.1-10 物料提升机其他相关资料 表 AQ-C14.1-11 塔式起重机安装拆除施工方案报审表(2.3) 表 AQ-C14.2-01 塔式起重机安装拆除施工方案(审批) 表 AQ-C14.2-02 塔式起重机安装拆除施工方案会签表 表 AQ-C14.2-03 塔式起重机安装、拆除安全技术交底 表 AQ-C14.2-04 起重机械基础处理报告单(塔式起重机) 表 AQ-C14.2-05 起重机械 塔式起重机安装拆除过程记录 表 AQ-C14.2-06 设备管理 表AQ-C14 塔式起重机安装验收表(自检报告) 表 AQ-C14.2-07* 塔式起重机顶升检验记录 表 AQ-C14.2-08 十四卷 塔机管理 塔式起重机附着锚固检验记录 表 AQ-C14.2-09 起重机械定期维护检测记录 表 AQ-C14.2-10 施工现场起重机械安装拆除报审表B2.6) 表 AQ-C14.2-11 施工现场起重机械验收核查表B2.7) 表 AQ-C14.2-12 施工现场起重机械顶升附着报审表B2.8) 表 AQ-C14.2-13 塔式起重机其他相关资料 表 AQ-C14.2-14 施工升降机安装、拆除施工方案报审表2(3) 表 AQ-C14.3-01 施工升降机安装、拆除施工方案(审批) 表 AQ-C14.3-02 施工升降机安装、拆除施工方案会签表 表 AQ-C14.3-03 起重机械设备管理表AQ-C14 施工升降机安装拆除安全技术交底 表 AQ-C14.3-04 起重机械基础处理报告单(施工升降机) 表 AQ-C14.3-05 施工升降机安装拆除过程记录 表 AQ-C14.3-06 施工升降 施工升降机安装验收表(自检报告) 表 AQ-C14.3-07* 机管理 起重机械定期维护检测记录 表 AQ-C14.3-08 施工现场起重机械安装拆除报审表B2.6) 表 AQ-C14.3-09 施工现场起重机械验收核查表B2.7) 表 AQ-C14.3-10 施工升降机其他相关资料 表 AQ-C14.3-11 续表 卷十四: 卷十五: 卷号 组卷名称 序号 组卷资料目录 备注 十五卷 安全检查与 改进管理 表AQ-C15 15.1 公司对项目安全检查记录 表AQ-C15-01 15.2 项目部安全检查记录 表AQ-C15-02 15.3 隐患整改通知单 表AQ-C15-03 15.4 建筑施工安全检查评分表 表AQ-C15-04 15.5 项目违章处罚记录(附凭证) 表AQ-C15-05* 15.6 施工安全日志 表AQ-C15-06* 15.7 安全监理整改通知单(4.2) 表AQ-C15-07 15.8 安全整改通知回复单(4.3) 表AQ-C15-08 15.9 建设工程安全监理暂停令B4.5) 表AQ-C15-09 15.10 建设工程复工报审表(4.7) 表AQ-C15-10* 15.11 建设工程复工申请 表AQ-C15-11 卷十六: 卷号 组卷名称 序号 组卷资料目录 备注 十六卷 文明施工消防保卫管理 表AQ-C16 16. 1 文明施工方案报审表H2.3) 表AQ-C16-01 16. 2 文明施工方案(审批) 表AQ-C16-02 16. 3 文明施工方案会签表 表AQ-C16-03 16. 4 项目部施工生活区设施消防设备平面布置图 表AQ-C16-04 16. 5 文明施工技术交底(含临建围挡设施搭设、拆除等方面的安全技术交底) 表AQ-C16-05* 16. 6 围挡设施验收表 表AQ-C16-06* 16. 7 临建设施验收表 表AQ-C16-07* 16. 8 项目部消防保卫卫生管理制度 表AQ-C16-08 16.9 应急药品器材使用登记表 表AQ-C16-09* 16.10 项目部消防重点部位登记表 表AQ-C16-10* 16.11 食堂及炊事人员证件 表AQ-C16-11 16.12 动火许可证 表AQ-C16-12 卷十七: 卷号 组卷名称 序号 组卷资料目录 备注 十七卷 应急救援 事故控制 管理 表AQ-C17 17. 1 工程项目生产安全事故应急预案 表AQ-C17-01 17. 2 工程项目应急救援人员名单 表AQ-C17-02 17. 3 工程项目应急救援器材清单 表AQ-C17-03 17. 4 施工现场应急培训记录 表AQ-C17-04 17. 5 施工现场应急演练记录 表AQ-C17-05 17. 6 职工伤亡事故月报表 表AQ-C17-06 17. 7 施工伤亡事故快报表 表AQ-C17-07 17. 8 事故调查和处理相关资料 表AQ-C17-08 卷十八: 卷号 组卷名称 序号 组卷资料目录 备注 十八卷 其他方面管理 表AQ-C18 18.1 上级、公司(分支机构)下发文件 表AQ-C18-01 18.2 发往项目部安全监理通知 表AQ-C18-02 18.3 发往项目部安全监理工作联系单 表AQ-C18-03 18.4 安全生产有关函件和电话记录 表AQ-C18-04 18.5 安全生产隐患排查记录 表AQ-C18-05 18.6 上级部门检查有关记录 表AQ-C18-06 18.7 其他 .・. .・. 注1: “B2.1”为对应“安全监理资料组卷分类表”中对应表编号,其他同; 注2: 5.10项:此卷存放其他各卷未明确要求存放的安全技术交底内容资料; 注3:备注中“表格识别编号”力*号的为参考用表;“表格识别编号”有关释义参见“附录C”;
展开阅读全文

开通  VIP会员、SVIP会员  优惠大
下载10份以上建议开通VIP会员
下载20份以上建议开通SVIP会员


开通VIP      成为共赢上传

当前位置:首页 > 环境建筑 > 其他

移动网页_全站_页脚广告1

关于我们      便捷服务       自信AI       AI导航        抽奖活动

©2010-2025 宁波自信网络信息技术有限公司  版权所有

客服电话:0574-28810668  投诉电话:18658249818

gongan.png浙公网安备33021202000488号   

icp.png浙ICP备2021020529号-1  |  浙B2-20240490  

关注我们 :微信公众号    抖音    微博    LOFTER 

客服