收藏 分销(赏)

避雷引下线敷设工程检验批施工质量验收记录.doc

上传人:丰**** 文档编号:9994414 上传时间:2025-04-16 格式:DOC 页数:50 大小:1.45MB 下载积分:14 金币
下载 相关 举报
避雷引下线敷设工程检验批施工质量验收记录.doc_第1页
第1页 / 共50页
避雷引下线敷设工程检验批施工质量验收记录.doc_第2页
第2页 / 共50页


点击查看更多>>
资源描述
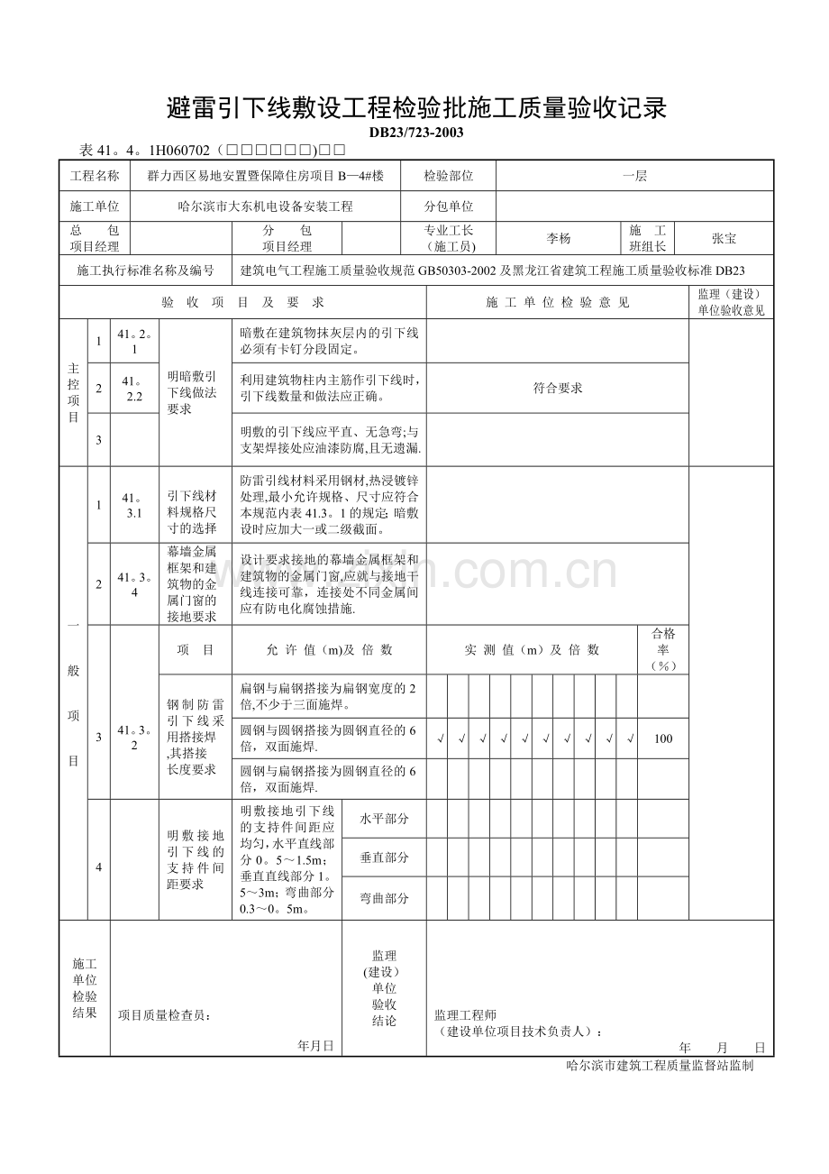
避雷引下线敷设工程检验批施工质量验收记录(DB)全套资料 (全套标准方案,可以直接使用,可编辑 优秀版资料,欢迎下载) 避雷引下线敷设工程检验批施工质量验收记录 DB23/723-2003 表41。4。1H060702(□□□□□□)□□ 工程名称 群力西区易地安置暨保障住房项目B—4#楼 检验部位 一层 施工单位 哈尔滨市大东机电设备安装工程 分包单位 总 包 项目经理 分 包 项目经理 专业工长 (施工员) 李杨 施 工 班组长 张宝 施工执行标准名称及编号 建筑电气工程施工质量验收规范GB50303-2002及黑龙江省建筑工程施工质量验收标准DB23 验 收 项 目 及 要 求 施 工 单 位 检 验 意 见 监理(建设) 单位验收意见 主控项目 1 41。2。1 明暗敷引 下线做法 要求 暗敷在建筑物抹灰层内的引下线必须有卡钉分段固定。 2 41。2.2 利用建筑物柱内主筋作引下线时,引下线数量和做法应正确。 符合要求 3 明敷的引下线应平直、无急弯;与支架焊接处应油漆防腐,且无遗漏. 一 般 项 目 1 41。3.1 引下线材 料规格尺 寸的选择 防雷引线材料采用钢材,热浸镀锌处理,最小允许规格、尺寸应符合本规范内表41.3。1的规定;暗敷设时应加大一或二级截面。 2 41。3。4 幕墙金属 框架和建 筑物的金 属门窗的 接地要求 设计要求接地的幕墙金属框架和建筑物的金属门窗,应就与接地干线连接可靠,连接处不同金属间应有防电化腐蚀措施. 项 目 允 许 值(m)及 倍 数 实 测 值(m)及 倍 数 合格率(%) 3 41。3。2 钢制防雷引下线采用搭接焊 ,其搭接 长度要求 扁钢与扁钢搭接为扁钢宽度的2倍,不少于三面施焊。 圆钢与圆钢搭接为圆钢直径的6倍,双面施焊. √ √ √ √ √ √ √ √ √ √ 100 圆钢与扁钢搭接为圆钢直径的6倍,双面施焊. 4 明敷接地引下线的支持件间距要求 明敷接地引下线的支持件间距应均匀,水平直线部分0。5~1.5m;垂直直线部分1。5~3m;弯曲部分0.3~0。5m。 水平部分 垂直部分 弯曲部分 施工 单位 检验 结果 项目质量检查员: 年月日 监理 (建设) 单位 验收 结论 监理工程师 (建设单位项目技术负责人): 年 月 日 哈尔滨市建筑工程质量监督站监制 避雷引下线敷设工程检验批施工质量验收记录 DB23/723—2003 表41.4。1H060702(□□□□□□)□□ 工程名称 群力西区易地安置暨保障住房项目B—4#楼 检验部位 二层 施工单位 哈尔滨市大东机电设备安装工程 分包单位 总 包 项目经理 分 包 项目经理 专业工长 (施工员) 李杨 施 工 班组长 张宝 施工执行标准名称及编号 建筑电气工程施工质量验收规范GB50303-2002及黑龙江省建筑工程施工质量验收标准DB23 验 收 项 目 及 要 求 施 工 单 位 检 验 意 见 监理(建设) 单位验收意见 主控项目 1 明暗敷引 下线做法 要求 暗敷在建筑物抹灰层内的引下线必须有卡钉分段固定。 2 41.2。2 利用建筑物柱内主筋作引下线时,引下线数量和做法应正确。 符合要求 3 41。2.3 明敷的引下线应平直、无急弯;与支架焊接处应油漆防腐,且无遗漏。 一 般 项 目 1 41。3.1 引下线材 料规格尺 寸的选择 防雷引线材料采用钢材,热浸镀锌处理,最小允许规格、尺寸应符合本规范内表41。3.1的规定;暗敷设时应加大一或二级截面。 2 幕墙金属 框架和建 筑物的金 属门窗的 接地要求 设计要求接地的幕墙金属框架和建筑物的金属门窗,应就与接地干线连接可靠,连接处不同金属间应有防电化腐蚀措施。 项 目 允 许 值(m)及 倍 数 实 测 值(m)及 倍 数 合格率(%) 3 41。3.2 钢制防雷引下线采用搭接焊 ,其搭接 长度要求 扁钢与扁钢搭接为扁钢宽度的2倍,不少于三面施焊。 圆钢与圆钢搭接为圆钢直径的6倍,双面施焊。 √ √ √ √ √ √ √ √ √ √ 100 圆钢与扁钢搭接为圆钢直径的6倍,双面施焊。 4 明敷接地引下线的支持件间距要求 明敷接地引下线的支持件间距应均匀,水平直线部分0。5~1.5m;垂直直线部分1.5~3m;弯曲部分0.3~0.5m。 水平部分 垂直部分 弯曲部分 施工 单位 检验 结果 项目质量检查员: 年 月 日 监理 (建设) 单位 验收 结论 监理工程师 (建设单位项目技术负责人): 年 月 日 哈尔滨市建筑工程质量监督站监制 避雷引下线敷设工程检验批施工质量验收记录 DB23/723—2003 表41.4.1H060702(□□□□□□)□□ 工程名称 群力西区易地安置暨保障住房项目B—4#楼 检验部位 三层 施工单位 哈尔滨市大东机电设备安装工程 分包单位 总 包 项目经理 分 包 项目经理 专业工长 (施工员) 李杨 施 工 班组长 张宝 施工执行标准名称及编号 建筑电气工程施工质量验收规范GB50303—2002及黑龙江省建筑工程施工质量验收标准DB23 验 收 项 目 及 要 求 施 工 单 位 检 验 意 见 监理(建设) 单位验收意见 主控项目 1 41。2.1 明暗敷引 下线做法 要求 暗敷在建筑物抹灰层内的引下线必须有卡钉分段固定。 2 41.2。2 利用建筑物柱内主筋作引下线时,引下线数量和做法应正确。 符合要求 3 明敷的引下线应平直、无急弯;与支架焊接处应油漆防腐,且无遗漏. 一 般 项 目 1 41.3。1 引下线材 料规格尺 寸的选择 防雷引线材料采用钢材,热浸镀锌处理,最小允许规格、尺寸应符合本规范内表41。3。1的规定;暗敷设时应加大一或二级截面。 2 41。3。4 幕墙金属 框架和建 筑物的金 属门窗的 接地要求 设计要求接地的幕墙金属框架和建筑物的金属门窗,应就与接地干线连接可靠,连接处不同金属间应有防电化腐蚀措施。 项 目 允 许 值(m)及 倍 数 实 测 值(m)及 倍 数 合格率(%) 3 钢制防雷引下线采用搭接焊 ,其搭接 长度要求 扁钢与扁钢搭接为扁钢宽度的2倍,不少于三面施焊. 圆钢与圆钢搭接为圆钢直径的6倍,双面施焊。 √ √ √ √ √ √ √ √ √ √ 100 圆钢与扁钢搭接为圆钢直径的6倍,双面施焊。 4 41。3.3 明敷接地引下线的支持件间距要求 明敷接地引下线的支持件间距应均匀,水平直线部分0。5~1.5m;垂直直线部分1。5~3m;弯曲部分0。3~0。5m。 水平部分 垂直部分 弯曲部分 施工 单位 检验 结果 项目质量检查员: 年 月 日 监理 (建设) 单位 验收 结论 监理工程师 (建设单位项目技术负责人): 年 月 日 哈尔滨市建筑工程质量监督站监制 避雷引下线敷设工程检验批施工质量验收记录 DB23/723—2003 表41.4.1H060702(□□□□□□)□□ 工程名称 群力西区易地安置暨保障住房项目B—4#楼 检验部位 六层 施工单位 哈尔滨市大东机电设备安装工程 分包单位 总 包 项目经理 分 包 项目经理 专业工长 (施工员) 李杨 施 工 班组长 张宝 施工执行标准名称及编号 建筑电气工程施工质量验收规范GB50303-2002及黑龙江省建筑工程施工质量验收标准DB23 验 收 项 目 及 要 求 施 工 单 位 检 验 意 见 监理(建设) 单位验收意见 主控项目 1 明暗敷引 下线做法 要求 暗敷在建筑物抹灰层内的引下线必须有卡钉分段固定。 2 41。2。2 利用建筑物柱内主筋作引下线时,引下线数量和做法应正确。 符合要求 3 明敷的引下线应平直、无急弯;与支架焊接处应油漆防腐,且无遗漏. 一 般 项 目 1 引下线材 料规格尺 寸的选择 防雷引线材料采用钢材,热浸镀锌处理,最小允许规格、尺寸应符合本规范内表41.3.1的规定;暗敷设时应加大一或二级截面. 2 幕墙金属 框架和建 筑物的金 属门窗的 接地要求 设计要求接地的幕墙金属框架和建筑物的金属门窗,应就与接地干线连接可靠,连接处不同金属间应有防电化腐蚀措施。 项 目 允 许 值(m)及 倍 数 实 测 值(m)及 倍 数 合格率(%) 3 41。3。2 钢制防雷引下线采用搭接焊 ,其搭接 长度要求 扁钢与扁钢搭接为扁钢宽度的2倍,不少于三面施焊。 圆钢与圆钢搭接为圆钢直径的6倍,双面施焊。 √ √ √ √ √ √ √ √ √ √ 100 圆钢与扁钢搭接为圆钢直径的6倍,双面施焊。 4 41.3。3 明敷接地引下线的支持件间距要求 明敷接地引下线的支持件间距应均匀,水平直线部分0.5~1。5m;垂直直线部分1.5~3m;弯曲部分0。3~0。5m。 水平部分 垂直部分 弯曲部分 施工 单位 检验 结果 项目质量检查员: 年 月 日 监理 (建设) 单位 验收 结论 监理工程师 (建设单位项目技术负责人): 年 月 日 哈尔滨市建筑工程质量监督站监制 避雷引下线敷设工程检验批施工质量验收记录 DB23/723-2003 表41.4。1H060702(□□□□□□)□□ 工程名称 群力西区易地安置暨保障住房项目B—4#楼 检验部位 七层 施工单位 哈尔滨市大东机电设备安装工程 分包单位 总 包 项目经理 分 包 项目经理 专业工长 (施工员) 李杨 施 工 班组长 张宝 施工执行标准名称及编号 建筑电气工程施工质量验收规范GB50303—2002及黑龙江省建筑工程施工质量验收标准DB23 验 收 项 目 及 要 求 施 工 单 位 检 验 意 见 监理(建设) 单位验收意见 主控项目 1 41。2。1 明暗敷引 下线做法 要求 暗敷在建筑物抹灰层内的引下线必须有卡钉分段固定. 2 41。2.2 利用建筑物柱内主筋作引下线时,引下线数量和做法应正确。 符合要求 3 41.2。3 明敷的引下线应平直、无急弯;与支架焊接处应油漆防腐,且无遗漏。 一 般 项 目 1 41.3。1 引下线材 料规格尺 寸的选择 防雷引线材料采用钢材,热浸镀锌处理,最小允许规格、尺寸应符合本规范内表41.3.1的规定;暗敷设时应加大一或二级截面。 2 41。3。4 幕墙金属 框架和建 筑物的金 属门窗的 接地要求 设计要求接地的幕墙金属框架和建筑物的金属门窗,应就与接地干线连接可靠,连接处不同金属间应有防电化腐蚀措施。 项 目 允 许 值(m)及 倍 数 实 测 值(m)及 倍 数 合格率(%) 3 41.3。2 钢制防雷引下线采用搭接焊 ,其搭接 长度要求 扁钢与扁钢搭接为扁钢宽度的2倍,不少于三面施焊。 圆钢与圆钢搭接为圆钢直径的6倍,双面施焊。 √ √ √ √ √ √ √ √ √ √ 100 圆钢与扁钢搭接为圆钢直径的6倍,双面施焊。 4 明敷接地引下线的支持件间距要求 明敷接地引下线的支持件间距应均匀,水平直线部分0.5~1。5m;垂直直线部分1.5~3m;弯曲部分0。3~0.5m。 水平部分 垂直部分 弯曲部分 施工 单位 检验 结果 项目质量检查员: 年 月 日 监理 (建设) 单位 验收 结论 监理工程师 (建设单位项目技术负责人): 年 月 日 哈尔滨市建筑工程质量监督站监制 避雷引下线敷设工程检验批施工质量验收记录 DB23/723—2003 表41.4。1H060702(□□□□□□)□□ 工程名称 群力西区易地安置暨保障住房项目B—4#楼 检验部位 八层 施工单位 哈尔滨市大东机电设备安装工程 分包单位 总 包 项目经理 分 包 项目经理 专业工长 (施工员) 李杨 施 工 班组长 张宝 施工执行标准名称及编号 建筑电气工程施工质量验收规范GB50303-2002及黑龙江省建筑工程施工质量验收标准DB23 验 收 项 目 及 要 求 施 工 单 位 检 验 意 见 监理(建设) 单位验收意见 主控项目 1 41。2。1 明暗敷引 下线做法 要求 暗敷在建筑物抹灰层内的引下线必须有卡钉分段固定. 2 利用建筑物柱内主筋作引下线时,引下线数量和做法应正确。 符合要求 3 41。2。3 明敷的引下线应平直、无急弯;与支架焊接处应油漆防腐,且无遗漏。 一 般 项 目 1 41。3.1 引下线材 料规格尺 寸的选择 防雷引线材料采用钢材,热浸镀锌处理,最小允许规格、尺寸应符合本规范内表41.3。1的规定;暗敷设时应加大一或二级截面. 2 41。3.4 幕墙金属 框架和建 筑物的金 属门窗的 接地要求 设计要求接地的幕墙金属框架和建筑物的金属门窗,应就与接地干线连接可靠,连接处不同金属间应有防电化腐蚀措施。 项 目 允 许 值(m)及 倍 数 实 测 值(m)及 倍 数 合格率(%) 3 钢制防雷引下线采用搭接焊 ,其搭接 长度要求 扁钢与扁钢搭接为扁钢宽度的2倍,不少于三面施焊. 圆钢与圆钢搭接为圆钢直径的6倍,双面施焊。 √ √ √ √ √ √ √ √ √ √ 100 圆钢与扁钢搭接为圆钢直径的6倍,双面施焊。 4 41.3。3 明敷接地引下线的支持件间距要求 明敷接地引下线的支持件间距应均匀,水平直线部分0.5~1。5m;垂直直线部分1。5~3m;弯曲部分0.3~0.5m。 水平部分 垂直部分 弯曲部分 施工 单位 检验 结果 项目质量检查员: 年 月 日 监理 (建设) 单位 验收 结论 监理工程师 (建设单位项目技术负责人): 年 月 日 哈尔滨市建筑工程质量监督站监制 避雷引下线敷设工程检验批施工质量验收记录 DB23/723—2003 表41.4.1H060702(□□□□□□)□□ 工程名称 群力西区易地安置暨保障住房项目B-4#楼 检验部位 九层 施工单位 哈尔滨市大东机电设备安装工程 分包单位 总 包 项目经理 分 包 项目经理 专业工长 (施工员) 李杨 施 工 班组长 张宝 施工执行标准名称及编号 建筑电气工程施工质量验收规范GB50303—2002及黑龙江省建筑工程施工质量验收标准DB23 验 收 项 目 及 要 求 施 工 单 位 检 验 意 见 监理(建设) 单位验收意见 主控项目 1 41.2。1 明暗敷引 下线做法 要求 暗敷在建筑物抹灰层内的引下线必须有卡钉分段固定。 合格 2 41.2。2 利用建筑物柱内主筋作引下线时,引下线数量和做法应正确。 符合要求 3 明敷的引下线应平直、无急弯;与支架焊接处应油漆防腐,且无遗漏。 一 般 项 目 1 引下线材 料规格尺 寸的选择 防雷引线材料采用钢材,热浸镀锌处理,最小允许规格、尺寸应符合本规范内表41.3.1的规定;暗敷设时应加大一或二级截面. 合格 2 幕墙金属 框架和建 筑物的金 属门窗的 接地要求 设计要求接地的幕墙金属框架和建筑物的金属门窗,应就与接地干线连接可靠,连接处不同金属间应有防电化腐蚀措施。 项 目 允 许 值(m)及 倍 数 实 测 值(m)及 倍 数 合格率(%) 3 钢制防雷引下线采用搭接焊 ,其搭接 长度要求 扁钢与扁钢搭接为扁钢宽度的2倍,不少于三面施焊。 圆钢与圆钢搭接为圆钢直径的6倍,双面施焊. √ √ √ √ √ √ √ √ √ √ 100 圆钢与扁钢搭接为圆钢直径的6倍,双面施焊。 4 明敷接地引下线的支持件间距要求 明敷接地引下线的支持件间距应均匀,水平直线部分0.5~1。5m;垂直直线部分1.5~3m;弯曲部分0。3~0。5m。 水平部分 垂直部分 弯曲部分 施工 单位 检验 结果 项目质量检查员: 年 月 日 监理 (建设) 单位 验收 结论 监理工程师 (建设单位项目技术负责人): 年 月 日 哈尔滨市建筑工程质量监督站监制 避雷引下线敷设工程检验批施工质量验收记录 DB23/723-2003 表41。4。1H060702(□□□□□□)□□ 工程名称 群力西区易地安置暨保障住房项目B—4#楼 检验部位 十层 施工单位 哈尔滨市大东机电设备安装工程 分包单位 总 包 项目经理 分 包 项目经理 专业工长 (施工员) 李杨 施 工 班组长 张宝 施工执行标准名称及编号 建筑电气工程施工质量验收规范GB50303-2002及黑龙江省建筑工程施工质量验收标准DB23 验 收 项 目 及 要 求 施 工 单 位 检 验 意 见 监理(建设) 单位验收意见 主控项目 1 明暗敷引 下线做法 要求 暗敷在建筑物抹灰层内的引下线必须有卡钉分段固定。 合格 2 41.2。2 利用建筑物柱内主筋作引下线时,引下线数量和做法应正确。 符合要求 3 41.2。3 明敷的引下线应平直、无急弯;与支架焊接处应油漆防腐,且无遗漏. 一 般 项 目 1 41。3.1 引下线材 料规格尺 寸的选择 防雷引线材料采用钢材,热浸镀锌处理,最小允许规格、尺寸应符合本规范内表41。3.1的规定;暗敷设时应加大一或二级截面。 合格 2 41。3.4 幕墙金属 框架和建 筑物的金 属门窗的 接地要求 设计要求接地的幕墙金属框架和建筑物的金属门窗,应就与接地干线连接可靠,连接处不同金属间应有防电化腐蚀措施。 项 目 允 许 值(m)及 倍 数 实 测 值(m)及 倍 数 合格率(%) 3 钢制防雷引下线采用搭接焊 ,其搭接 长度要求 扁钢与扁钢搭接为扁钢宽度的2倍,不少于三面施焊。 圆钢与圆钢搭接为圆钢直径的6倍,双面施焊。 √ √ √ √ √ √ √ √ √ √ 100 圆钢与扁钢搭接为圆钢直径的6倍,双面施焊. 4 41。3.3 明敷接地引下线的支持件间距要求 明敷接地引下线的支持件间距应均匀,水平直线部分0.5~1.5m;垂直直线部分1。5~3m;弯曲部分0.3~0。5m。 水平部分 垂直部分 弯曲部分 施工 单位 检验 结果 项目质量检查员: 年 月 日 监理 (建设) 单位 验收 结论 监理工程师 (建设单位项目技术负责人): 年 月 日 哈尔滨市建筑工程质量监督站监制 避雷引下线敷设工程检验批施工质量验收记录 DB23/723—2003 表41.4.1H060702(□□□□□□)□□ 工程名称 群力西区易地安置暨保障住房项目B-4#楼 检验部位 十一层 施工单位 哈尔滨市大东机电设备安装工程 分包单位 总 包 项目经理 分 包 项目经理 专业工长 (施工员) 李杨 施 工 班组长 张宝 施工执行标准名称及编号 建筑电气工程施工质量验收规范GB50303-2002及黑龙江省建筑工程施工质量验收标准DB23 验 收 项 目 及 要 求 施 工 单 位 检 验 意 见 监理(建设) 单位验收意见 主控项目 1 明暗敷引 下线做法 要求 暗敷在建筑物抹灰层内的引下线必须有卡钉分段固定。 合格 2 41。2.2 利用建筑物柱内主筋作引下线时,引下线数量和做法应正确. 符合要求 3 41.2。3 明敷的引下线应平直、无急弯;与支架焊接处应油漆防腐,且无遗漏。 一 般 项 目 1 引下线材 料规格尺 寸的选择 防雷引线材料采用钢材,热浸镀锌处理,最小允许规格、尺寸应符合本规范内表41.3.1的规定;暗敷设时应加大一或二级截面。 合格 2 41.3。4 幕墙金属 框架和建 筑物的金 属门窗的 接地要求 设计要求接地的幕墙金属框架和建筑物的金属门窗,应就与接地干线连接可靠,连接处不同金属间应有防电化腐蚀措施。 项 目 允 许 值(m)及 倍 数 实 测 值(m)及 倍 数 合格率(%) 3 41。3.2 钢制防雷引下线采用搭接焊 ,其搭接 长度要求 扁钢与扁钢搭接为扁钢宽度的2倍,不少于三面施焊。 圆钢与圆钢搭接为圆钢直径的6倍,双面施焊。 √ √ √ √ √ √ √ √ √ √ 100 圆钢与扁钢搭接为圆钢直径的6倍,双面施焊。 4 41。3.3 明敷接地引下线的支持件间距要求 明敷接地引下线的支持件间距应均匀,水平直线部分0.5~1.5m;垂直直线部分1.5~3m;弯曲部分0.3~0.5m。 水平部分 垂直部分 弯曲部分 施工 单位 检验 结果 项目质量检查员: 年 月 日 监理 (建设) 单位 验收 结论 监理工程师 (建设单位项目技术负责人): 年 月 日 哈尔滨市建筑工程质量监督站监制 避雷引下线敷设工程检验批施工质量验收记录 DB23/723-2003 表41。4.1H060702(□□□□□□)□□ 工程名称 群力西区易地安置暨保障住房项目B-4#楼 检验部位 十二层 施工单位 哈尔滨市大东机电设备安装工程 分包单位 总 包 项目经理 分 包 项目经理 专业工长 (施工员) 李杨 施 工 班组长 张宝 施工执行标准名称及编号 建筑电气工程施工质量验收规范GB50303—2002及黑龙江省建筑工程施工质量验收标准DB23 验 收 项 目 及 要 求 施 工 单 位 检 验 意 见 监理(建设) 单位验收意见 主控项目 1 41.2。1 明暗敷引 下线做法 要求 暗敷在建筑物抹灰层内的引下线必须有卡钉分段固定. 合格 2 41。2.2 利用建筑物柱内主筋作引下线时,引下线数量和做法应正确。 符合要求 3 41.2。3 明敷的引下线应平直、无急弯;与支架焊接处应油漆防腐,且无遗漏。 一 般 项 目 1 41。3.1 引下线材 料规格尺 寸的选择 防雷引线材料采用钢材,热浸镀锌处理,最小允许规格、尺寸应符合本规范内表41.3.1的规定;暗敷设时应加大一或二级截面。 合格 2 41。3.4 幕墙金属 框架和建 筑物的金 属门窗的 接地要求 设计要求接地的幕墙金属框架和建筑物的金属门窗,应就与接地干线连接可靠,连接处不同金属间应有防电化腐蚀措施. 项 目 允 许 值(m)及 倍 数 实 测 值(m)及 倍 数 合格率(%) 3 钢制防雷引下线采用搭接焊 ,其搭接 长度要求 扁钢与扁钢搭接为扁钢宽度的2倍,不少于三面施焊。 圆钢与圆钢搭接为圆钢直径的6倍,双面施焊。 √ √ √ √ √ √ √ √ √ √ 100 圆钢与扁钢搭接为圆钢直径的6倍,双面施焊。 4 41。3。3 明敷接地引下线的支持件间距要求 明敷接地引下线的支持件间距应均匀,水平直线部分0.5~1.5m;垂直直线部分1。5~3m;弯曲部分0.3~0。5m。 水平部分 垂直部分 弯曲部分 施工 单位 检验 结果 项目质量检查员: 年 月 日 监理 (建设) 单位 验收 结论 监理工程师 (建设单位项目技术负责人): 年 月 日 哈尔滨市建筑工程质量监督站监制 避雷引下线敷设工程检验批施工质量验收记录 DB23/723—2003 表41。4。1H060702(□□□□□□)□□ 工程名称 群力西区易地安置暨保障住房项目B—4#楼 检验部位 十三层 施工单位 哈尔滨市大东机电设备安装工程 分包单位 总 包 项目经理 分 包 项目经理 专业工长 (施工员) 李杨 施 工 班组长 张宝 施工执行标准名称及编号 建筑电气工程施工质量验收规范GB50303—2002及黑龙江省建筑工程施工质量验收标准DB23 验 收 项 目 及 要 求 施 工 单 位 检 验 意 见 监理(建设) 单位验收意见 主控项目 1 41。2。1 明暗敷引 下线做法 要求 暗敷在建筑物抹灰层内的引下线必须有卡钉分段固定。 合格 2 41。2。2 利用建筑物柱内主筋作引下线时,引下线数量和做法应正确。 符合要求 3 41。2。3 明敷的引下线应平直、无急弯;与支架焊接处应油漆防腐,且无遗漏。 一 般 项 目 1 41.3。1 引下线材 料规格尺 寸的选择 防雷引线材料采用钢材,热浸镀锌处理,最小允许规格、尺寸应符合本规范内表41。3.1的规定;暗敷设时应加大一或二级截面。 合格 2 41。3.4 幕墙金属 框架和建 筑物的金 属门窗的 接地要求 设计要求接地的幕墙金属框架和建筑物的金属门窗,应就与接地干线连接可靠,连接处不同金属间应有防电化腐蚀措施。 项 目 允 许 值(m)及 倍 数 实 测 值(m)及 倍 数 合格率(%) 3 41。3.2 钢制防雷引下线采用搭接焊 ,其搭接 长度要求 扁钢与扁钢搭接为扁钢宽度的2倍,不少于三面施焊。 圆钢与圆钢搭接为圆钢直径的6倍,双面施焊。 √ √ √ √ √ √ √ √ √ √ 100 圆钢与扁钢搭接为圆钢直径的6倍,双面施焊。 4 41。3。3 明敷接地引下线的支持件间距要求 明敷接地引下线的支持件间距应均匀,水平直线部分0。5~1.5m;垂直直线部分1.5~3m;弯曲部分0.3~0.5m。 水平部分 垂直部分 弯曲部分 施工 单位 检验 结果 项目质量检查员: 年 月 日 监理 (建设) 单位 验收 结论 监理工程师 (建设单位项目技术负责人): 年 月 日 哈尔滨市建筑工程质量监督站监制 避雷引下线敷设工程检验批施工质量验收记录 DB23/723-2003 表41。4.1H060702(□□□□□□)□□ 工程名称 群力西区易地安置暨保障住房项目B—4#楼 检验部位 十四层 施工单位 哈尔滨市大东机电设备安装工程 分包单位 总 包 项目经理 分 包 项目经理 专业工长 (施工员) 李杨 施 工 班组长 张宝 施工执行标准名称及编号 建筑电气工程施工质量验收规范GB50303-2002及黑龙江省建筑工程施工质量验收标准DB23 验 收 项 目 及 要 求 施 工 单 位 检 验 意 见 监理(建设) 单位验收意见 主控项目 1 明暗敷引 下线做法 要求 暗敷在建筑物抹灰层内的引下线必须有卡钉分段固定. 合格 2 41.2。2 利用建筑物柱内主筋作引下线时,引下线数量和做法应正确。 符合要求 3 41。2.3 明敷的引下线应平直、无急弯;与支架焊接处应油漆防腐,且无遗漏。 一 般 项 目 1 41。3。1 引下线材 料规格尺 寸的选择 防雷引线材料采用钢材,热浸镀锌处理,最小允许规格、尺寸应符合本规范内表41。3。1的规定;暗敷设时应加大一或二级截面。 合格 2 41。3。4 幕墙金属 框架和建 筑物的金 属门窗的 接地要求 设计要求接地的幕墙金属框架和建筑物的金属门窗,应就与接地干线连接可靠,连接处不同金属间应有防电化腐蚀措施. 项 目 允 许 值(m)及 倍 数 实 测 值(m)及 倍 数 合格率(%) 3 41.3。2 钢制防雷引下线采用搭接焊 ,其搭接 长度要求 扁钢与扁钢搭接为扁钢宽度的2倍,不少于三面施焊。 圆钢与圆钢搭接为圆钢直径的6倍,双面施焊。 √ √ √ √ √ √ √ √ √ √ 100 圆钢与扁钢搭接为圆钢直径的6倍,双面施焊。 4 明敷接地引下线的支持件间距要求 明敷接地引下线的支持件间距应均匀,水平直线部分0。5~1.5m;垂直直线部分1。5~3m;弯曲部分0.3~0.5m。 水平部分 垂直部分 弯曲部分 施工 单位 检验 结果 项目质量检查员: 年 月 日 监理 (建设) 单位 验收 结论 监理工程师 (建设单位项目技术负责人): 年 月 日 哈尔滨市建筑工程质量监督站监制 避雷引下线敷设工程检
展开阅读全文

开通  VIP会员、SVIP会员  优惠大
下载10份以上建议开通VIP会员
下载20份以上建议开通SVIP会员


开通VIP      成为共赢上传

当前位置:首页 > 环境建筑 > 其他

移动网页_全站_页脚广告1

关于我们      便捷服务       自信AI       AI导航        抽奖活动

©2010-2025 宁波自信网络信息技术有限公司  版权所有

客服电话:0574-28810668  投诉电话:18658249818

gongan.png浙公网安备33021202000488号   

icp.png浙ICP备2021020529号-1  |  浙B2-20240490  

关注我们 :微信公众号    抖音    微博    LOFTER 

客服