收藏 分销(赏)

电缆桥架安装技术交底.docx

上传人:可**** 文档编号:992843 上传时间:2024-04-10 格式:DOCX 页数:14 大小:350.57KB 下载积分:10 金币
下载 相关 举报
电缆桥架安装技术交底.docx_第1页
第1页 / 共14页
电缆桥架安装技术交底.docx_第2页
第2页 / 共14页


点击查看更多>>
资源描述
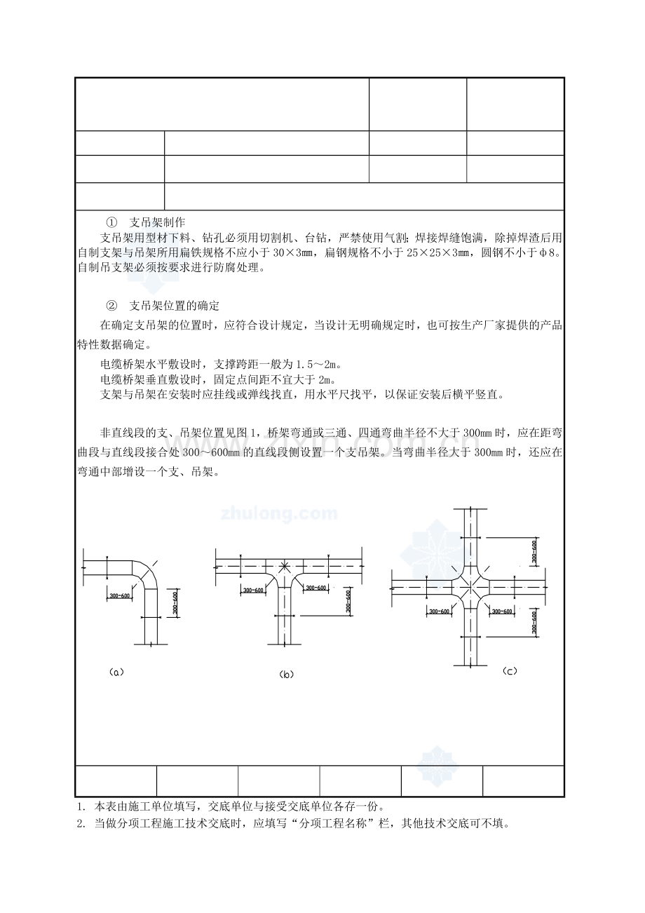
一、施工准备 1、材料准备 电缆桥架及其配件、金属型材、防锈涂料等。 2、机具准备 3、作业条件 1) 配合土建的结构施工,预留孔洞、预埋铁和预埋吊杆、吊架、保护管等全部完成。 2) 桥架安装沿线模板等设施的拆除完毕,场地清理干净,道路畅通。3) 室内电缆桥架的安装应配合管道及空调工程施工进行。 二、施工工艺 1、工艺流程 弹线定位→安装膨胀螺栓→支、吊架安装→桥架安装 2、施工要点 1)、弹线定位 ① 根据图纸确定始端到终端,找好水平或垂直线,用粉线袋沿墙壁、顶棚和模板等处,在线路的中心线进行弹线。 ② 按设计图的要求,分匀档距并用笔标出具体位置。 2)、安装膨胀螺栓 1. 金属膨胀螺栓安装 (1)根据支架承受的荷重,选择相应的膨胀螺栓及钻头;钻孔直径的误差不得超过+0.5㎜~0.3㎜;深度误差不得超过+3㎜;钻孔后应将孔内残存的碎屑清除干净。 (2)打孔的深度应以将套管全部埋入墙内或顶板内,表面平齐为宜。 (3)用木锤或垫上木块后用铁锤将膨胀螺栓敲入洞内,螺栓固定后,其头部偏斜值不应大于2㎜。 3)、支吊架安装 1. 本表由施工单位填写,交底单位与接受交底单位各存一份。 2. 当做分项工程施工技术交底时,应填写“分项工程名称”栏,其他技术交底可不填。 ① 支吊架制作 支吊架用型材下料、钻孔必须用切割机、台钻,严禁使用气割;焊接焊缝饱满,除掉焊渣后用自制支架与吊架所用扁铁规格不应小于30×3㎜,扁钢规格不小于25×25×3㎜,圆钢不小于ф8。自制吊支架必须按要求进行防腐处理。 ② 支吊架位置的确定 在确定支吊架的位置时,应符合设计规定,当设计无明确规定时,也可按生产厂家提供的产品特性数据确定。 电缆桥架水平敷设时,支撑跨距一般为1.5~2m。 电缆桥架垂直敷设时,固定点间距不宜大于2m。 支架与吊架在安装时应挂线或弹线找直,用水平尺找平,以保证安装后横平竖直。 非直线段的支、吊架位置见图1,桥架弯通或三通、四通弯曲半径不大于300mm时,应在距弯曲段与直线段接合处300~600mm的直线段侧设置一个支吊架。当弯曲半径大于300mm时,还应在弯通中部增设一个支、吊架。 1. 本表由施工单位填写,交底单位与接受交底单位各存一份。 2. 当做分项工程施工技术交底时,应填写“分项工程名称”栏,其他技术交底可不填。 图1 桥架非直线段支、吊架位置图 (a)弯通;(b)三通;(c) 四通 ② 门型角钢支架的制作安装 电缆桥架沿墙垂直安装,可使用门型角钢支架固定托盘或梯架,门型角钢支架一种用整根角钢割角煨制焊接制作,如图2所示;另一种是支架横梁和支架腿由角钢组装而成,如图3所示。 图2 角钢焊接支架制作图 b—梯架或托盘宽度;f—两梯架或托盘中间距离(100mm)就 发 图3 角钢组装支架制作图 b—梯架或托盘宽度;f—两梯架或托盘中间距离(100mm);e—角钢宽度 支架角钢的规格应根据托盘、梯架的规格和根数参照安装详图确定。 1. 本表由施工单位填写,交底单位与接受交底单位各存一份。 2. 当做分项工程施工技术交底时,应填写“分项工程名称”栏,其他技术交底可不填。 ③ 桥架吊架安装 当电缆桥架水平悬吊安装时,一般使用双圆钢吊架和角钢、槽钢吊架安装,圆钢吊杆的直径和角钢、槽钢的规格长度,视工程设计或实际需要选用。 托盘用圆钢双吊杆悬吊安装,如图6所示,吊架下部可采用角钢横担支持。 图6 用双杆吊架悬吊托盘桥架 梯架用圆钢双杆吊架悬吊安装,如图7所示。 1. 本表由施工单位填写,交底单位与接受交底单位各存一份。 2. 当做分项工程施工技术交底时,应填写“分项工程名称”栏,其他技术交底可不填。 图7 用双杆吊架悬吊梯架 1. 本表由施工单位填写,交底单位与接受交底单位各存一份。 2. 当做分项工程施工技术交底时,应填写“分项工程名称”栏,其他技术交底可不填。 角钢吊架吊装安装方式如图8所示。 图8 角钢吊架悬吊桥架安装 ④ 电缆桥架支、吊架调整 电缆桥架安装中,对桥架的支、吊架位置误差,应严格控制。电缆桥架支、吊架应安装牢固,横平竖直。托臂及支、吊架的同层横档应在同一水平面上,其高低偏差不应大于5mm,防止纵向偏差过大使安装后的托盘、梯架在支、吊点悬空而不能与支、吊架或托臂直接接触;桥架支、吊架或托臂沿桥架走向左右偏差不应大于10mm,支、吊架或托臂的横向偏差过大可能会使相邻托盘、梯架错位而无法连接或安装后的电缆桥架不直而影响美观。 4)、电缆桥架安装 1. 材质要求 根据设计要求的规格型号、现场勘察记录和施工方案编制材料使用计划,包括各种规格电缆桥架的直线段、弯通、桥架附件及支、吊架等。注意电缆桥架安装所需的各种材料均需使用镀锌材料。 2.电缆桥架的进货检验  (1)桥架产品包装箱内应有装箱清单、产品合格证和出厂检验报告,并按清单清点桥架或附件的规格和数量。  (2)检查桥架板材厚度应满足下列要求:  桥架宽度(㎜) 允许最小厚度(㎜) <200 1.2 200~400 1.5 400~800 2.0  (3)桥架外观检查 测量外形尺寸与标称型号规格是否一致。 热浸镀锌桥架镀层表面应均匀、无毛刺、过烧、挂灰、伤痕、周部未镀锌(直径2㎜以上)等缺陷,螺纹镀层应光滑,螺栓拧入。电镀锌的锌层表面应光滑均匀,无起皮、气泡、花斑、划痕等缺陷。喷涂应平整、光滑、均匀、不起皮、无气泡水泡。桥架焊缝表面均匀,无漏焊、裂纹、夹渣、烧穿、弧坑等缺陷。桥架螺栓孔径在螺杆直径不大于M16时,可比螺杆直径大2㎜。同一组内相邻两孔间距允许偏差±0.7㎜,任意两孔间距允许偏差±1㎜。 相邻两组的端孔间距允许偏差±1.2㎜。 (4)检验工作完成后,将结果如实存档。将收集的产品合格证和出厂检验报告整理后一并存档。 当电缆桥架支、吊架安装调整后,即可进行托盘或梯架的安装。托盘或梯架的安装,应先从始端直线端开始,先把起始端托盘或梯架位置确定好,固定牢固,然后再沿桥架的全长逐段地对托盘或梯架进行布置。 电缆桥架的组装电缆桥架托盘或梯架的直线段和各类弯通端部的侧边上均有螺栓连接孔,当托盘或梯架的直线段与直线段之间以及直线段与弯通段之间需要连接时,在其外侧应使用与其配套的直线连接板(简称直接板)和螺栓进行连接。 电缆桥架水平安装时,其直接板的连接处,不应该置于支撑跨距的1/2处或支撑点上,桥架的连接处应尽量置于支撑跨距的1/4处。 在同一平面上连接两段需要变换高度或宽度的直线段托盘、梯架,可以配置变宽连接板或变高连接板,连接螺栓的螺母应置于托盘或梯架的外侧。 电缆桥架的末端,应使用终端板进行封闭。 钢制电缆桥架的托盘或梯架的直线段长度超过30m,应有伸缩节,在跨越建筑物伸缩缝处也应装设伸缩板,桥架经过建筑物的变形缝(伸缩缝、沉降缝)时,桥架本身应断开,槽内用内连接板搭接,一端需固定。还可以把桥架断开,断开的长度不宜小于100mm。电缆桥架组装好以后,直线段应该在同一直线上,偏差不应大于10mm。 由托盘或梯架需要引出配管时,应使用钢导管,引出位置可以在底板上也可以在侧边上,当托盘或梯架开孔时,应使用开孔器开孔,保证底板或侧边不变形,开孔处应切口整齐,管径吻合。严禁使用电焊割孔或气焊吹孔。钢管与托盘或梯架连接时,应使用管接头固定。如图14所示。 1. 本表由施工单位填写,交底单位与接受交底单位各存一份。 2. 当做分项工程施工技术交底时,应填写“分项工程名称”栏,其他技术交底可不填。 图14 桥架与电线导管连接 (a)与套接紧定式导管连接; (b) 与镀锌钢管连接 电缆桥架的防火封堵电缆桥架在穿过防火墙及防火楼板时,应采取防火隔离措施,防止火灾沿线路延燃。 施工前将要封堵的部位清理干净,阻火包应按顺序依次摆放整齐,阻火包与电缆之间空隙≤1cm2。穿墙洞阻火包摆放厚度≥24cm。 电缆桥架穿越防火墙时如图15施工;电缆桥架穿楼板防火做法如图16所示。 ① 电缆桥架安装时与其它管线间的距离 电缆托盘、梯架与各种管道平行或交叉其最小净距应符合表1所规定:不能满足要求时以综合图的布置为准 电缆桥架与各种管道的最小净距 表1 管道类别 平行净距(m) 交叉净距(m) 一般工艺管道 0.40 0.30 腐蚀及易燃易爆气体管道 0.50 0.50 热力管道 有保温层 0.50 0.30 无保温层 1.00 0.50 1. 本表由施工单位填写,交底单位与接受交底单位各存一份。 2. 当做分项工程施工技术交底时,应填写“分项工程名称”栏,其他技术交底可不填。 图15 电缆桥架穿越防火墙的做法 图16 电缆桥架穿越防火楼板的做法 ② 电缆桥架的接地 电缆桥架装置系统应具有可靠的电气连接并接地。金属电缆支架、电缆导管必须与PE或PEN线连接可靠。在接地孔处,应将丝扣、接触点和接触面上任何不导电涂层和类似的表面清理干净。 防火电缆桥架间连接板的两端跨接编织铜线,接地线最小允许截面积不小于4mm2; 1. 本表由施工单位填写,交底单位与接受交底单位各存一份。 2. 当做分项工程施工技术交底时,应填写“分项工程名称”栏,其他技术交底可不填。 镀锌电缆桥架间连接板的两端不跨接接地线,但连接板两端不少于2个有防松螺帽或防松垫圈的连接固定螺栓。 多层桥架当利用桥架的接地保护干线时,应将每层桥架的端部用16mm2的软铜线并联连接起来,再与总接地干线相通。 ③ 托盘桥架、梯架盖板安装 盖板是与托盘、梯架配套使用的,可防雨、防尘、防晒及控制电缆的屏蔽和高压电缆对外干扰,还可以防止机械损伤。 当桥架内的电缆、电线敷设完毕后即可进行盖板的安装,盖板与托盘或梯架的连接,有的使用锁扣固定,还有的用带钩螺栓在托盘或梯架上固定,具体固定方式根据厂家供货情况安装。 三 质量标准 1、 主控项目 1) 金属电缆桥架及其支架和引入或引出的金属电缆导管必须接地(PE)或接零(PEN)可靠,且必须符合下列规定: 2) 金属电缆桥架及其支架全长应不少于2处与接地(PE)或接零(PEN)干线相连接; 3) 非镀锌电缆桥架间连接板的两端跨接铜芯接地线,接地线最小允许截面积不小于4mm2; 4) 镀锌电缆桥架间连接板的两端不跨接接地线,但连接板两端不少于2个有防松螺帽或防松垫圈的连接固定螺栓。 2、 一般项目 电缆桥架安装应符合下列规定: 1) 直线段钢制电缆桥架长度超过30m设有伸缩节;电缆桥架跨越建筑物变形缝处设置补偿装置; 2) 电缆桥架转弯处的弯曲半径,不小于桥架内电缆最小允许弯曲半径,电缆最小允许弯曲半径见表2; 3) 当设计无要求时,电缆桥架水平安装的支架间距为1.5~2m;垂直安装的支架间距不大于2m; 4) 桥架与支架间螺栓、桥架连接板螺栓固定紧固无遗漏,螺母位于桥架外侧; 1. 本表由施工单位填写,交底单位与接受交底单位各存一份。 2. 当做分项工程施工技术交底时,应填写“分项工程名称”栏,其他技术交底可不填。 四、成品保护 1、不允许将穿过墙壁的桥架与墙上的孔洞一起抹死。 2、当其它专业在已经安装完毕的桥架上施工时,如土建批腻子,管道刷油时,应对桥架进行覆盖,防止污染桥架。 3、桥架盖板应齐全,不得遗漏,并防止损坏和污染线槽。 4、使用梯子时,注意不要碰坏建筑物的墙面及门窗等。 五、安全环保措施 1、电缆桥架安装时,其下方不应有人停留。进入现场应戴好安全帽。 2、高空作业时应系好安全带。 3、使用人字梯必须坚固,距梯角40~60cm处要设拉绳,防止劈开。使用单梯上端要绑牢,下端应有人扶持。 4、使用组合式脚手架时,斜拉杆一定要拧紧,使用带轮子的组合式脚手架时,上部有人施工时应将轮子抱死制动。 4、使用电气设备、电动工具要有可靠的保护接地(接零)措施。打眼时,要戴好防护眼镜,工作地点下方不得站人。 5、剔凿出的垃圾要做到及时清理,堆放在指定地点。 1. 本表由施工单位填写,交底单位与接受交底单位各存一份。 2. 当做分项工程施工技术交底时,应填写“分项工程名称”栏,其他技术交底可不填。 六、环境关键要求 (1) 使用各种机械必须控制噪声污染。 (2) 剔凿墙体必须喷水控制粉尘污染。 (3) 各种废弃物、电缆绝缘皮禁止到处乱扔防止化学污染。 1. 本表由施工单位填写,交底单位与接受交底单位各存一份。 2. 当做分项工程施工技术交底时,应填写“分项工程名称”栏,其他技术交底可不填。
展开阅读全文

开通  VIP会员、SVIP会员  优惠大
下载10份以上建议开通VIP会员
下载20份以上建议开通SVIP会员


开通VIP      成为共赢上传

当前位置:首页 > 品牌综合 > 技术交底/工艺/施工标准

移动网页_全站_页脚广告1

关于我们      便捷服务       自信AI       AI导航        抽奖活动

©2010-2026 宁波自信网络信息技术有限公司  版权所有

客服电话:0574-28810668  投诉电话:18658249818

gongan.png浙公网安备33021202000488号   

icp.png浙ICP备2021020529号-1  |  浙B2-20240490  

关注我们 :微信公众号    抖音    微博    LOFTER 

客服