收藏 分销(赏)

建设工程竣工验收报告四验收表.doc

上传人:精**** 文档编号:9924488 上传时间:2025-04-13 格式:DOC 页数:9 大小:81.54KB 下载积分:6 金币
下载 相关 举报
建设工程竣工验收报告四验收表.doc_第1页
第1页 / 共9页
建设工程竣工验收报告四验收表.doc_第2页
第2页 / 共9页


点击查看更多>>
资源描述
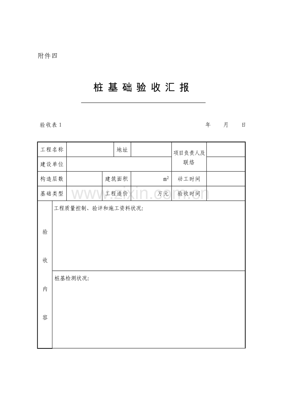
附件四 桩基础验收汇报 验收表1      年 月 日 工程名称 地址 项目负责人及联络 建设单位 构造层数 建筑面积 m2 动工时间 基础类型 工程造价 万元 验收时间 验 收 内 容 工程质量控制、验评和施工资料状况: 桩基检测状况: 工程实体质量状况: 验 收 意 见 勘察 单位 意见         (公章) 项目负责人:           年   月   日 设计 单位 意见         (公章) 项目负责人:           年   月   日 施工 单位 意见         (公章) 项目负责人:           年   月   日 监理 单位 意见         (公章) 总监理工程师:           年   月   日 建设 单位 意见         (公章) 项目负责人:           年   月   日 备 注 附件四 地基基础验收汇报 验收表2      年 月 日 工程名称 地址 项目负责人及联络 建设单位 构造层数 建筑面积 m2 动工时间 基础类型 工程造价 万元 验收时间 验 收 内 容 工程质量控制、验评和施工资料状况: 工程实体质量状况: 验 收 意 见 勘察 单位 意见         (公章) 项目负责人:           年   月   日 设计 单位 意见         (公章) 项目负责人:           年   月   日 施工 单位 意见         (公章) 项目负责人:           年   月   日 监理 单位 意见         (公章) 总监理工程师:           年   月   日 建设 单位 意见         (公章) 项目负责人:           年   月   日 备 注 附件四 主体构造验收汇报 验收表3      年 月 日 工程名称 地址 项目负责人及联络 建设单位 构造层数 建筑面积 m2 动工时间 基础类型 工程造价 万元 验收时间 验 收 内 容 工程质量控制、验评和施工资料状况: 构造实体检查状况: 工程实体质量状况: 验 收 意 见 勘察 单位 意见         (公章) 项目负责人:           年   月   日 设计 单位 意见         (公章) 项目负责人:           年   月   日 施工 单位 意见         (公章) 项目负责人:           年   月   日 监理 单位 意见         (公章) 总监理工程师:           年   月   日 建设 单位 意见         (公章) 项目负责人:           年   月   日 备 注 附件四 建筑节能验收汇报 验收表4 年 月 日 工程名称 构造类型 层数/面积 施工单位 总包 技术部门负责人 质量部门负责人 分包 分包单位负责人 分包技术负责人 分包 分包单位负责人 分包技术负责人 分包 分包单位负责人 分包技术负责人 分包 分包单位负责人 分包技术负责人 动工日期 竣工日期 验收日期 验收内容 验收结论 建筑节能分项工程 质量控制资料核查 外墙节能构造现场实体检查 外窗气密性现场实体检测 系统节能性能现场检测 综合 验收 结论 施工单位(总包) 施工单位(分包) 项目经理: (公章) 年 月 日 项目经理: (公章) 年 月 日 项目经理: (公章) 年 月 日 项目经理: (公章) 年 月 日 项目经理: (公章) 年 月 日 监理单位 设计单位 建设单位 总监理工程师: (公章) 年 月 日 设计负责人: (公章) 年 月 日 项目负责人: (公章) 年 月 日
展开阅读全文

开通  VIP会员、SVIP会员  优惠大
下载10份以上建议开通VIP会员
下载20份以上建议开通SVIP会员


开通VIP      成为共赢上传

当前位置:首页 > 包罗万象 > 大杂烩

移动网页_全站_页脚广告1

关于我们      便捷服务       自信AI       AI导航        抽奖活动

©2010-2025 宁波自信网络信息技术有限公司  版权所有

客服电话:0574-28810668  投诉电话:18658249818

gongan.png浙公网安备33021202000488号   

icp.png浙ICP备2021020529号-1  |  浙B2-20240490  

关注我们 :微信公众号    抖音    微博    LOFTER 

客服