收藏 分销(赏)

石油HSE计划书模板.doc

上传人:快乐****生活 文档编号:9908994 上传时间:2025-04-13 格式:DOC 页数:10 大小:55.50KB 下载积分:8 金币
下载 相关 举报
石油HSE计划书模板.doc_第1页
第1页 / 共10页
石油HSE计划书模板.doc_第2页
第2页 / 共10页


点击查看更多>>
资源描述
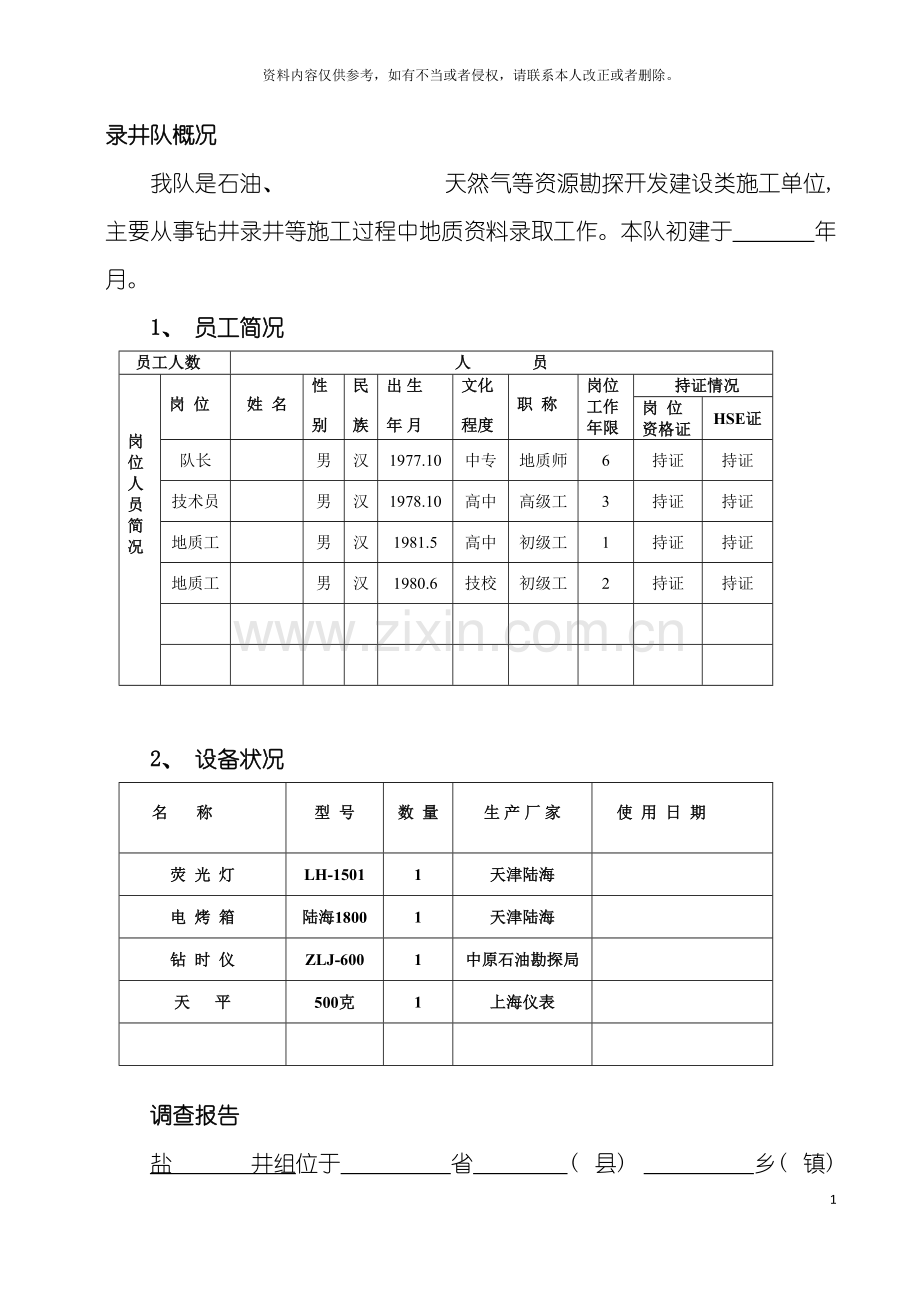
石油HSE计划书 2 资料内容仅供参考,如有不当或者侵权,请联系本人改正或者删除。 录井队概况 我队是石油、 天然气等资源勘探开发建设类施工单位, 主要从事钻井录井等施工过程中地质资料录取工作。本队初建于 年 月。 1、 员工简况 员工人数 人 员 岗位人员简况 岗 位 姓 名 性 别 民 族 出 生 年 月 文化 程度 职 称 岗位工作年限 持证情况 岗 位 资格证 HSE证 队长 男 汉 1977.10 中专 地质师 6 持证 持证 技术员 男 汉 1978.10 高中 高级工 3 持证 持证 地质工 男 汉 1981.5 高中 初级工 1 持证 持证 地质工 男 汉 1980.6 技校 初级工 2 持证 持证 2、 设备状况 名 称 型 号 数 量 生 产 厂 家 使 用 日 期 荧 光 灯 LH-1501 1 天津陆海 电 烤 箱 陆海1800 1 天津陆海 钻 时 仪 ZLJ-600 1 中原石油勘探局 天 平 500克 1 上海仪表 调查报告 盐 井组位于 省 ( 县) 乡( 镇) 村, 施工地区( 平原、 沙漠、 高原) 地势, 该地属于( 热、 亚热) 带气候, 当地社会治安环境 , 传染疾病, 当地的民风民俗 通俗 。 我队施工所在的 乡( 镇) , 联系电话 。 处 HSE管理部门为技术安全监督中心, 负责人 , 联系电话 。 本井项目投资单位为 长庆油田分公司采油五厂新区产建项目组 ; 施工单位为 公司 录井队; 现场地质监督为 , 联系电话 。 我队施工现场距离最近的县、 厂级医院是 ,距离约 公里.联系电话 。 1、 领导承诺和方针目标 1.1领导承诺 1、 执行当地政府有关HSE的法律、 法规和方针政策, 按地质设计组织施工。 2、 执行上级HSE管理规章制度、 程序, 技术标准和操作规程。 3、 进行HSE教育培训, 确保员工掌握必操作技能, 保证员工的身体健康和生命、 财产安全。 4、 削减风险、 治理隐患。 5、 杜绝污染、 保护环境。   录井队长( 签字)              年  月  日   1.2地质录井QHSE方针 安全第一 预防为主 改进环境 保护健康 齐全准确 优质高效 重信守约 持续改进 1.3 HSE目标 工业重伤、 死亡事故为零; 设备事故、 火灾事故为零; 环境污染、 环境破坏事故为零。 2 组织机构、 资源配置及培训 2.1组织机构 2.1.1录井队HSE小组 组长: 成员: 峰 卫 胜 2.1.2 HSE管理机构 处HSE管理委员会 分公司HSE管理小组 2.2 资源配置 兼职HSE监督员: HSE设施、 器材配置: 安全帽 2 顶、 安全带 条、 灭火器 1 具 漏电保护器 1 个、 通讯电话 1 部。 2.3培训 施工前, 对员工进行SY6348-1998〈〈地质录井作业安全规程〉〉、 〈〈地质录井岗位削减措施及应急程序〉〉、 地质录井规程等学习培训合格后方可上岗。 3 职责及考核 3.1职责 3.1.1录井队长( 兼职HSE监督员) 职责 ——贯彻执行企业和上级对安全生产、 环境保护及工业卫生的指令和要求, 全面负责本小队的HSE工作; ——组织员工学习并贯彻执行上级和本单位各项HSE规章制度和技术操作规程, 教育职工遵章守纪, 制止违章行为; ——负责组织召开HSE班前、 班后会议, 填好HSE工作记录; ——负责小队的HSE管理, 做好自查自改工作, 重大隐患及时上报。发生事故时严格按照SZDL—YJYA—000— 《地质录井处HSE应急预案》要求, 积极组织抢救, 保护现场, 做好详细记录, 参加事故调查、 分析, 落实防范措施; ——负责生产、 安全设备、 消防和环保设施的维护保养工作, 使其经常保持完好和正常运行; ——维护施工作业现场的整齐、 清洁。 3.1.2 录井工岗位职责 ——严格执行HSE管理规定和安全操作规程, 遵守劳动纪律, 对本岗HSE工作负责; ——积极参加班组安全活动、 质量活动, 自觉接受HSE教育培训, 增强HSE意识和防护能力; ——上岗按规定穿戴劳保用品, 妥善保管、 正确使用各种劳动防护器具和消防器材; ——有权拒绝不具备HSE条件的作业任务和违章作业指令, 发现问题及时排除, 无法排除的要立即报告领导解决; ——搞好个人及宿舍、 营区的环境卫生, 积极参加文体活动, 增强体质。 3.2 职责考核 3.2.1考核制度: 录井队所有员工都要接受对HSE职责落实情况的定期检查考核。录井队长的考核由分公司HSE管理领导小组负责, 录井工的考核由录井队长负责。考核情况与经济挂钩, 具体按分公司《HSE管理制度》执行。 3.2.2考核内容: HSE职责履行情况。 3.2.3考核奖惩情况载入基层队HSE工作记录。 4 风险分析及隐患治理 4.1风险分析: 在录井施工过程中, 录井队长负责对可能导致事故, 造成人员伤亡、 财产损失和环境破坏的风险危害进行分析, 确定可能发生的方式及危害结果, 制定削减措施。具体按《地质录井岗位削减措施及应急程序》要求执行。 4.2隐患治理: 作业过程中和”周一”安全活动查出的一般隐患, 由录井队长组织整改; 对无法解决的隐患, 及时上报分公司主管领导并做好记录。 5 应急管理 按《地质录井处安全、 环境与健康( HSE) 应急预案》、 《地质录井岗位削减措施及应急程序》要求执行, 每位员工熟悉现场环境, 明确逃生路线。 6检查和监督 6.1 交接班时接班人认真检查, 合格签字后方可接班。 6.2队长或大班对每班工作进行检查, 合格后签字。 6.3 每周一进行HSE活动, 录井队长或HSE监督员检查监督, 并做好记录。 6.4 接受上级有关部门检查和监督, 并对查出问题及时整改。 7 事故预防和处理 7.1 事故预防 7.1.1 按要求穿戴劳保用品。 7.1.2 用电设备、 野营房安装好地线和漏电保护设施。 7.1.3 按规定配备和维护保养HSE设施器材及防护用品。 7.1.4 按要求开展HSE活动, 执行HSE管理各项规定。 7.2 事故处理; 发生事故后首先进行现场紧急救护, 同时向上级有关部门汇报。其次按照事故”四不放过”的原则进行处理, 并采取技术、 管理等预防措施。 8 程序审批和实施 8.1 该程序由录井队长编制, 单位主管领导审查, 主管部门审核后, 提交管理者代表批准。 8.2 施工过程中, 严格按照HSE设施程序要求进行。 8.3 录井队HSE监督员对施工现场进行HSE 管理。 8.4 岗位员工必须遵守工作程序, 操作中的不安全行为一经发现, 必须立即纠正。 9 审核、 评审和持续改进 在HSE管理运行过程中, 处HSE管理委员会将定期、 不定期地进行审核、 评审, 以验证录井队HSE活动是否满足要求, 达到不断完善和持续改进的目的。 10 附 10.1 地质录井工艺流程图。 10.2 逃生路线图。 10.3 地质值班房平面示意图。 地质录井队HSE实施程序 井 号: 盐 井组 队 号: 队 长: 编 写 人: 公司 年 月 日 目 录 录井队概况….……………………...…………… ……1 调查报告….……………………………………….…...2 1、 .承诺和方针目标….……………………………….2 2、 组织机构、 资源配置、 培训.……………………..3 3、 职责及考核……..…………………………………..4 4、 风险分析及隐患治理……..………………………..5 5、 应急管理……..……………………………………..6 6、 检查和监督…….…………………………………..6 7、 事故预防和管理…….……………………………..6 8、 程序审批和实施………………………………..….6 9、 审核、 评审和持续改进 ………………………….7 10、 附……..……………………………………………..7
展开阅读全文

开通  VIP会员、SVIP会员  优惠大
下载10份以上建议开通VIP会员
下载20份以上建议开通SVIP会员


开通VIP      成为共赢上传

当前位置:首页 > 包罗万象 > 大杂烩

移动网页_全站_页脚广告1

关于我们      便捷服务       自信AI       AI导航        抽奖活动

©2010-2026 宁波自信网络信息技术有限公司  版权所有

客服电话:0574-28810668  投诉电话:18658249818

gongan.png浙公网安备33021202000488号   

icp.png浙ICP备2021020529号-1  |  浙B2-20240490  

关注我们 :微信公众号    抖音    微博    LOFTER 

客服