收藏 分销(赏)

建筑材料标准土建装修第二部模板.docx

上传人:精*** 文档编号:9865281 上传时间:2025-04-11 格式:DOCX 页数:132 大小:362KB 下载积分:20 金币
下载 相关 举报
建筑材料标准土建装修第二部模板.docx_第1页
第1页 / 共132页
建筑材料标准土建装修第二部模板.docx_第2页
第2页 / 共132页


点击查看更多>>
资源描述
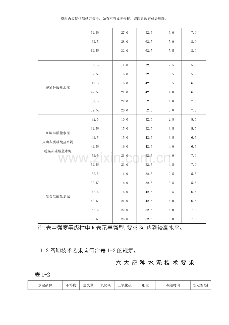
资料内容仅供您学习参考,如有不当或者侵权,请联系改正或者删除。 第二部分 进场材料验收标准 第一章 总则 材料进场时, 要进行材料质量和数量的验收, 主要如下: 1 验收材料出厂合格证、 材质单、 化验报告和其它有关证明单或化验单; 2 对材料进行外观检查; 3 对材料进行数量验收。 第二章 水泥 水泥进场验收: 水泥进场时应对其品种、 级别、 包装或散装仓号、 出厂日期等进行检查, 检查水泥出厂合格证, 并应对其强度、 安定性及其它必要的性能指标进行复验, 其质量必须符合现行国家标准《硅酸盐水泥、 普通硅酸盐水泥》GB175等的规定。 1 常见水泥 1.1各龄期强度不得低于表1-1的规定数值。 六大品种水泥不同强度等级各龄期强度值 表1-1 品 种 强度等级 抗压强度( Mpa) 抗折强度( MPa) 3d 28d 3d 28d 硅酸盐水泥   42.5 42.5R 52.5 52.5R 62.5 62.5R 17.0 22.0 23.0 27.0 28.0 32.0 42.5 42.5 52.5 52.5 62.5 62.5 3.5 4.0 4.0 5.0 5.0 5.5 6.5 6.5 7.0 7.0 8.0 8.0 普通硅酸盐水泥 32.5 32.5R 42.5 42.5R 52.5 52.5R 11.0 16.0 16.0 21.0 22.0 26.0 32.5 32.5 42.5 42.5 52.5 52.5 2.5 3.5 3.5 4.0 4.0 5.0 5.5 5.5 6.5 6.5 7.0 7.0 矿渣硅酸盐水泥 火山灰质硅酸盐水泥 粉煤灰硅酸盐水泥 32.5 32.5R 42.5 42.5R 52.5 52.5R 10.0 15.0 15.0 19.0 21.0 23.0 32.5 32.5 42.5 42.5 52.5 52.5 2.5 3.5 3.5 4.0 4.0 4.5 5.5 5.5 6.5 6.5 7.0 7.0 复合硅酸盐水泥 32.5 32.5R 42.5 42.5R 52.5 52.5R 11.0 16.0 16.0 21.0 22.0 26.0 32.5 32.5 42.5 42.5 52.5 52.5 2.5 3.5 3.5 4.0 4.0 5.0 5.5 5.5 6.5 6.5 7.0 7.0 注:表中强度等级栏中R表示早强型,要求3d达到较高水平。   1.2各项技术要求应符合表1-2的规定。 六大品种水泥技术要求 表1-2 水泥品种 不溶物 烧失量 氧化镁 三氧化硫 细度 凝结时间 安定性(沸煮法) 不超过 ( %) 不大于 ( %) 不超过 ( %) 不超过 ( %) 不超过 (%) 初凝 终凝 不早于 ( min) 不迟于 ( h) 硅酸盐水泥 Ⅰ型 0.75 3.0 5.0 3.5 比表面积>300㎡/㎏ 45 6.5 必须合格 Ⅱ型 1.50 3.5 普通硅酸盐水泥 - 5.0 5.0 3.5 10.0 45 10 必须合格 矿渣硅酸盐水泥 - - 5.0 4.0 10.0 45 10 必须合格 火山灰质硅酸盐水泥 - - 5.0 3.5 10.0 45 10 必须合格 粉煤灰硅酸盐水泥 - - 5.0 3.5 10.0 45 10 必须合格 复合硅酸盐水泥 - - 5.0 3.5 10.0 45 10 必须合格 注:1.细度为经过80μm方孔筛的筛余百分数。 2.氧化镁、 三氧化硫含量为占水泥熟料的百分数。 3.水泥经压蒸安定性试验合格, 则熟料中氧化镁的含量允许放宽到6.0%。 2 特种水泥 2.1主要性能和适用范围参见表1-3; 各项技术要求应符合表1-5的规定。 几种特种水泥技术要求 表1-5 水泥品种 三氧化硫 ( %) 氧化镁 ( %) 安定性 细度化 表面积 ( %) 游离石灰 含量 ( %) 凝结时间 烧失量 ( %) 初凝 ( min) 终凝 ( h) 抗硫酸盐 硅酸盐水泥 <2.5 <5.0 沸煮法 合 格 280㎡/㎏ <1.0 >45 <10 <3.0 白色硅酸 盐水泥 <3.5 <4.5 沸煮法 合 格 0.08㎜方孔筛筛余<10   >45 <12   快硬硅酸盐水泥 <4.0 <5.0 沸煮法 合 格 0.08㎜方孔筛筛余<10   >40 <10   注: 快硬硅酸盐水泥氧化镁含量如经压蒸安定性试验合格, 允许放宽到6.0%。 第三章 建筑用砂石 1.      天然石材 ( 1)       常见天然石材的主要技术性能可参 照表 1-6。 石材名称 表观密度 ( ㎏/m3) 抗压强度 花岗岩 石灰岩 砂 岩 2600 1800~2600 2400~2600 120~250 10~100 40~250   ( 2)       石砌体所用的石材应符合设计规 常见天然石材主要技术性能 表1-6 定的强度等级和岩种, 并应质地坚实, 无 风化、 剥落和裂纹。 ( 3)       当设计对石料强度无具体要求 时, 抗压强度可参照以下数值: 毛石、 毛料石 30MPa 粗料石、 半细料石、 细料石 40MPa 2. 卵石 料石表面加工质量要求 表1-7 卵石规格应基本一致, 并应无脱层、 种类 外露面及相接周边的表面凹入深度不大于 ( ㎜) 叠砌面和接砌面的表面凹入深度不大于 ( ㎜) 细 料 石 半细料石 粗 料 石 毛 料 石 2 10 20 稍加修整 10 15 20 25   蜂窝, 外形应呈扁平状。呈圆球状、 针 状、 薄片状及表面特别光滑者不得使用。 3. 毛石 毛石砌体所用的毛石, 包括乱毛石和 平毛石, 其外形应呈块状, 中部厚度不宜 小于15㎝( 砌挡土墙的毛石, 中部厚度 不小于20㎝) 。 注: 乱毛石系指形状不规则的石块; 平毛 注: 1.相接周边的表面系指叠砌面、 接砌面与外露面相 接处2~3㎝范围内的部分。 2. 有装饰层的料石表面, 其加工应符合装饰施工的要求。 3. 当设计对外露面有特殊要求时, 应按设计要求加工。 石系指形状不规则, 但有两个平面大致平行的 石块。 4.           料石 ( 1)      料石表面的加工, 应符合表1-7 的要求。 ( 2)      各种砌筑用料石的宽度、 厚度均 不宜小于20㎝; 长度不宜大于厚度的4倍。 料石规格尺寸的加工允许偏差符合表1-8 料石规格尺寸加工允许偏差 表1-8 要求。 种类 宽、 厚度 ( ㎜) 长度 ( ㎜) 细料石、 半细料石 粗料石 毛料石 ±3 ±5 ±10 ±5 ±7 ±15  4 混凝土用石子 1) 混凝土用石子的技术要求见表1-9。 混凝土用石子的技术要求 表1-9   项 目 指 标 Ⅰ类 Ⅱ类 Ⅲ类 颗粒级配 应符合表1-10规定 针片状颗粒含量( 按重量计) , % <15 <20 <25             续表 项 目 指 标 Ⅰ 类 Ⅱ 类 Ⅲ 类 泥、 粘土块含量( 按重量计) , % 泥 <0.5 <1.0 <1.5 粘土块 0 <0.5 <0.7 针片状颗粒按重量计(%) <5 <15 <25 有害物质含量( %) ( 不应混有草根、 树枝、 树叶、 塑料品、 煤块、 炉渣等) 硫化物与硫酸盐( 以SO3重量计) <0.5 <1.0 <1.0 有机物 合 格 合 格 合 格 坚固性: 在饱和硫酸钠溶液中经5次循环浸 渍后, 其重量损失( %) <5 <8 <12 强度 抗压强度 采用直径和高均为50㎜的圆柱体或长、 宽、 高均为50㎜的立方体岩石样品进行试验, 在水饱和状态下, 其抗压强度应不小于45MPa, 其极限抗压强度与所浇注混凝土强度之比不应小于1.5倍。 压碎值( %) 不大于 碎石 10 20 30 卵石 12 16 16 表观密度(g/cm3) >2.5 松散堆积密度( ㎏/m3) >1350 空隙率( %) <47 碱-骨料反应 经碱-骨料反应试验后, 由石子制备的试件无裂缝、 酥裂、 硅胶体外溢等现象, 试件养护6个月龄期的膨胀率值应小于0.1% 注: Ⅰ类宜用于强度等级大于C60的混凝土; Ⅱ类宜用于强度等级C30~C60及抗冻、 抗渗或其它要求的混凝土; Ⅲ类宜 用于强度等级小于C30的混凝土。针状颗粒定义: 颗粒枨度大于该颗粒级平均粒径的2.4倍; 片状颗粒定义; 厚度小于该粒 级平均粒径的0.4倍。 2) 石子的颗粒级配标准应符合表1-10要求。 卵石、 碎石的颗粒级配标准 表1-10 级 配 情 况 公称 粒径 累计筛余, 按重量计( %) 筛孔尺寸( 方孔筛) ( ㎜) 2.36 4.75 9.50 16.0 19.00 26.5 31.5 37.5 53 63 75 90 连 续 粒 级 5~10 95~100 80~100 0~15 0                 5~16 95~100 85~100 30~60 0~10 0               5~20 95~100 90~100 40~80 - 0~10 0             5~25 95~100 90~100 - 30~70 - 0~5 0           5~31.5 95~100 90~100 70~90 - 15~45 - 0~5 0         5~40 - 95~100 75~90 - 30~65 - - 0~5 0       单 粒 粒 级 10~20   95~100 85~100   0~15 0             16~31.5   95~100   85~100     0~10 0         20~40     95~100   80~100     0~10 0       31.5~63       95~100     75~100 45~75   0~10 0   40~80         95~100     70~100   30~60 0~10 0 注: 1.公称粒级的上限为该粒级的最大粒径。 2.单粒级一般用于组合成具有要求级配的连续粒级, 也可与连续粒级的碎石或卵石混合使用, 以改进它们的级配或配 成较大粒度的连续粒级。 3.根据混凝土工程和资源的具体情况, 进行综合技术经济分析后, 在特殊情况下允许直接采用单粒级, 但必须避免 混凝土发生离析。  5 轻集料 1)   不同密度等级的轻粗集料的筒压强度应不低于表1-11的规定。 轻粗集料筒压强度 表1-11 轻集料品种 密度等级 筒压强度( MPa) 轻集料品种 密度等级 筒压强度( MPa) 优等品 一等品 合格品 优等品 一等品 合格品 粘土陶粒 页岩陶粒 粉煤灰陶粒 200 0.3 0.2 浮 石 火山渣 煤 渣 600 — 1.0 0.8 300 0.7 0.5 700 — 1.2 1.0 400 1.3 1.0 800 — 1.5 1.2 500 2.0 1.5 900 — 1.8 1.5 600 3.0 2.0 自燃煤矸石 膨胀矿渣珠 900 — 3.5 3.0 700 4.0 3.0 1000 — 4.0 3.5 800 5.0 4.0 1000 — 4.5 4.0 900 6.0 5.0 2) .    不同密度等级轻粗集料的吸水率应不大于表1-12的规定。 轻粗集料的吸水率 表1-12 类 别 轻集料品种 密度等级 吸水率( %) 类别 轻集料品种 密度等级 吸水率( %) 超轻集料 粘土陶粒 页岩陶粒 粉煤灰陶粒 200 30 普通轻集料 煤渣 600~900 10 300 25 自燃煤矸石 600~900 10 400 20 膨胀矿渣珠 900~1100 15 500 15 天然轻集料 - 不作规定 普通轻集料 粘土陶粒 页岩陶粒 600~900 10 高强轻集料 粘土陶粒 页岩陶粒 600~900 8 粉煤灰陶粒 600~900 22 粉煤灰陶粒 600~900 15 注: 人造轻粗集料和工业废料轻粗集料的软化系数应不小于0.8; 天然轻粗集料的软化系数应不小于0.7。 3) .    轻集料有害物质含量应符合表1-13 的规定。 有害物质含量 表1-13 项目名称 质量指标 备注 煮沸质量损失( %) ≤5   烧失量(%) ≤5 天然轻集料不作规定; 用于无筋混凝土的煤渣允许达20 硫化物和硫酸盐含量(按SO3计, %) ≤1.0 用于无筋混凝土的自燃煤矸石允许含量≤1.5 含泥量( %) ≤3 结构用轻集料≤2; 不允许含有粘土块 有机物含量 不深于标准色   放射性比活度 GB9196规定 煤渣、 自燃煤矸石应符合GB6763的规定 6、 建筑用砂 1) .建筑用砂的技术要求见表1-14。 2) .砂子的颗粒级配标准应符合表1-15要求。   建筑用砂的技术要求 表1-14 项 目 指 标 Ⅰ 类 Ⅱ 类 Ⅲ 类 颗粒级配 应符合表1-15规定 泥和粘土块含量( %) 泥 <1.0 <3.0 <5.0 粘土块 0 <1.0 <2.0 有害物质含量( %) 以重量计不大于 ( 不应混有草根、 树叶、 树枝、 塑料品、 煤块、 炉渣等) 云母 <1.0 <2.0 <2.0 轻物质 <1.0 <1.0 <1.0 硫化物与硫酸盐( 以SO3计) <0.5 <0.5 <0.5 有机物( 比色法) 合 格 合 格 合 格 氯化物( 以氯离子计) <0.01 <0.02 <0.06 坚固性: 在硫酸钠饱和溶液中经5次循环浸渍后, 其重量损失( %) 不大于 8 8 10 单级最大压碎指标( %) <20 <25 <30 表观密度 ( g/cm3) >2.5 松散堆积密度 ( ㎏/ m3) >1350 空隙率 ( %) <47 碱-骨料反应 经碱-骨料反应试验后, 由砂制备的试件无裂缝、 酥裂、 胶体外溢等现象, 试件养护6个月龄期的膨胀率值应小于0.1% 注: Ⅰ类宜用于强度等级大于C60的混凝土; Ⅱ类宜用于强度等级C30~C60及抗冻、 抗渗或其它要求的混凝土; Ⅲ类宜用于强度等级小于C30的混凝土和建筑砂浆。 建筑用砂的颗粒级配标准 表1-15 方筛孔( ㎜) 累计筛余( %) 方筛孔( μm) 累计筛余( %) 1级配区 2级配区 3级配区 1级配区 2级配区 3级配区 9.50 0 0 0 600 85~71 70~41 40~16 4.75 10~0 10~0 10~0 300 95~80 92~70 85~55 2.36 35~5 25~0 15~0 100 100~90 100~90 100~90 1.18 65~35 50~10 25~0 注: 砂的实际颗粒级配与表中所列数字相比, 除4.75㎜和600μm筛档外, 能够允许略有超出分界线, 但总量应小于5%。 第四章 混凝土外加剂 1 减水剂 1.1普通减水剂品名和技术性能参见表1-21。 普通减水剂品名和性能参考 表1-21 品名 主要成分及技术指标 混凝土性能 掺加量( %0 木质素磺酸钠 主要成分纸浆废液 减水率10%~15%; 28d强度提高10%~20%; 坍落度增大100~150㎜ 0.2~0.3 MY型减水剂 主要成分木钙衍生物, pH8~9, 粉状 减水率9%~12%; 3d及28d强度提高15%; 引气量3%~4% 0.2~0.3 GF-G型减水剂 主要成分木质素磺酸镁 减水率8%; 3d及28d强度提高12% 0.4 FDN高效减水剂 主要成分β-萘磺酸甲醛缩合物,棕黄色粉状物,pH7~9,表面张力71.1×10-5N,水泥净浆流动度为240㎜ 减水率16%~25%; 3d强度提高50%~60%; 28d强度提高20%~30%; 节约水泥10%~15%; 不锈蚀钢筋 0.2~0.75 UNF高效减水剂 主要成分β-萘磺酸盐,褐色粉状物, pH7~9,表面张力70~71×10-5N,水泥净浆流动度220㎜,硫酸钠含量≤30% 减水率15%~20%; 3d强度提高50%~70%; 28d强度提高16%~30%; 节约水泥10%~15%; 不锈蚀钢筋;适用于混凝土蒸养工艺 0.5~1.0 NF高效减水剂 主要成分β-萘磺酸盐,褐色粉状物, pH11~12,表面张力71.3×10-5N,水泥净浆流动度250㎜,硫酸钠含量≤30% 减水率10%~20%; 3d强度提高50%~60%; 28d强度提高15%~50%; 节约水泥>10%; 不锈蚀钢筋 0.5~1.5 N型减水剂 主要成分次甲基多萘磺酸钠, pH7~10,水泥净浆流动度≥200㎜,硫酸钠含量≤25% 减水率16%; 3d强度提高50%; 28d强度提高15%~30% 0.5~0.7 HM型减水剂 主要成分碱木素, pH9~10, 表面张力61.3×10-5N 减水率5%~8%; 3d及28d强度提高11%; 节约水泥5% 0.2~0.3 糖蜜减水剂 废蜜 减水率7%~11%; 28d强度提高10%~20%; 坍落度增大40~60㎜ 0.2~0.3 AF高效减水剂 主要成分次甲基多环芳烃磺酸钠 减水率10%~20%; 1~3d强度提高50%~100%; 7d强度超过基准28d的强度; 抗渗和抗碳化性能好 0.5~1.2 1.2早强型减水剂品名和技术性能参见表1-22。 早强型减水剂品名和性能参考 表1-22 品 名 主要成分及技术指标 混凝土性能 掺加量( %) 金陵1号减水剂 主要成分萘磺酸盐、 硫酸钠, pH7~8, 粉状, 4900孔筛余<20% 减水率10%~16%; 3d强度提高40%~70%, 28d强度提高10%~50% 1.0~1.5 FDN-S 主要成分硫酸钠、 萘磺酸盐, 黄棕色粉状物 减水率14%; 3d混凝土强度提高30%~80% 0.2~1.0 UNF-4 主要成分硫酸钠、 萘磺酸盐, 粉状物 减水率10%~15%; 3d混凝土强度提高70% 1~2.5 JM2早强高效减水剂 主要成分甲基萘磺酸、 钠盐、 甲醛缩合物, 粉状物 减水率15%; 3d强度可达到设计强度50%~70%, 7d可达到设计强度60%~80%, 28d强度提高20%; 节约水泥12% 1~2 HL-302型早强减水剂 糖钙复合剂 减水率5%~8%; 3d强度提高30%~60%, 28d强度提高10%; 节约水泥8%~10% 1.5~2 S型 主要成分AF、 硫酸钠等; 粉状物 减水率15%; 1~3d混凝土强度提高50%~100% 2~3 JZS 主要成分糖钙、 硫酸钠, 粉状物, 0.08㎜筛余<10% 减水率8%; 3d混凝土强度提高50%~80% 2.5~3 3F 主要成分木钙、 硫酸钠固体, 4900孔筛余<12% 减水率8%; 3d混凝土强度提高50%~80% 2   1.3 缓凝型减水剂品名和技术性能参见表1-23。 缓凝型减水剂品名和性能参考 表1-23 品名 主要成分及技术指标 混凝土性能 掺加量( %) DH4缓凝增塑高效减水剂 主要成分萘磺酸盐等, pH9~11, 粉剂, 表面张力62~68×10-5N 减水率17%, 或增大坍落度150~200㎜; 3d强度提高30%, 28d强度提高25%; 气温30℃时, 缓凝4~7h 0.5 HL-202缓凝高效减水剂 主要成分木钙及萘磺酸盐, 粉剂 减水率10%~25%, 或增大坍落度3倍; 3d强度提高20%~80%, 28d强度提高15%~50% 1.5~2.0 糖蜜减水剂( 缓凝型) 主要成分糖蜜, 棕黄色粉状物, 水不溶物<5%, pH≥13, 净凝流动度较基准高25% 初凝延缓120min, 提高坍落度1倍数; 减水率7%~10%, 3d强度提高25%, 28强度提高20%; 降低干缩15%, 提高抗渗1倍 0.1~0.2 HL401表面缓凝剂 主要成分磷酸钠等, 液态, 在+2℃以上使用 涂于模板表面, 3d内拆模, 混凝土表面3~5㎜砂浆可剥离; 不降低混凝土强度; 不锈蚀钢筋 0.25~3 ST缓凝减水剂 主要成分糖钙, pH12~13, 表面张力69~71×10-5N, 含固量43%~45% 减水率6%~11%( 砂浆为5%~7%) ; 28d强度提高15%~25%; 节约水泥5%~10%; 常温下缓凝2~4h 0.2~0.3 FDN-100缓凝减水剂 主要成分β萘磺酸、 甲醛高缩合物、 钠盐等复合型 减水率≥10%; 初凝延缓1~3h; 3d、 7d强度提高10%~30%, 28d强度提高10% 0.25 FDN-440缓凝减水剂 主要成分β萘磺酸、 甲醛高缩合物、 钠盐复合型 减水率14%; 初凝延缓0.5~2h; 3d强度提高30%~50%, 28d强度提高20% 0.4 1.4 引气型减水剂品名和技术性能见表1-24。 引气型减水剂品名和性能参考 表1-24  品 名 主要万分及技术指标 混凝土性能 掺加量( %) HB复合引气减水剂 主要成分木质素及松香酸钠液体 减水率10%; 28d强度提高10%~20%; 节约水泥10%~15%; 用作砂浆外加剂可节约白灰30%~50%, 或水泥20%~40%; 在混合砂浆中可节约全部白灰 0.15~0.25 DH5引气缓凝减力剂 主要成分羟基塑化物, 粉剂, 表面张力60~65×10-5N, pH10~12 A型缓凝6h, B型缓凝3h; 28d强度提高20%~30%; 减水率10%~15% 0.10~0.25 YJ-1型引气减水剂   减水率10%以上; 含气量3.5%~5.5%; 3d强度提高15%, 28d强度提高10%; 收缩率比≤120%, 对钢筋无锈蚀 0.01~0.05 SM-1多功能粉末引气剂 无机化合物 含气量3%~5%, 抗压强度不降低 0.6~0.8 SM-2引气剂   含气量3%~5%; 强茺提高5%~10% 0.1~0.5   2 常见早强剂 2.1氯盐早强剂的技术性能见表1-25。 氯盐早强剂性能要求 表1-25 品 名 技术指标 混凝土性能 掺加量( %) 氯化钙CaCl2 CaCl2≥96% H2O≤3 镁及碱金属≤1% 水不溶物≤0.5 因本品加速钢筋锈蚀, 故应注意将混凝土捣实, 保护层有足够厚度, 用亚硝酸钠作阻锈剂 钢筋混凝土<1%; 素混凝土<3% 氯化钠NaCl 白色晶体 NaCl≥95% 相对密度=2.165 水中最大溶解度为0.3㎏/L 冰点-21.2℃ 单掺时早强增长不明显, 与CaCl2复合为1: 2复盐使用时, 掺量不超过混凝土用水量10%   2.2亚硝酸钠质量指标见表1-26。 亚硝酸钠质量指标 表1-26 指 标 名 称 指 标 指 标 名 称 指 标 一级 二级 一级 二级 亚硝酸钠( 以干基计) ( %) 不小于 硝酸钠( NaNO3) (以干基计)( %) 不大于 99.0 0.90 98.0 1.9 水分( %) 不大于 水不溶物( 以干基计) ( %) 不大于 2.0 0.05 2.5 0.10 2.3硫代硫酸钠质量指标见表1-27。 硫代硫酸钠质量指标 表1-27 指 标 名 称 指标 一级 二级 硫代硫酸钠含量( %) 不大于 水不溶物含量( %) 不大于 硫化物( 以S计) 含量( %) 不大于 铁( 以Fe计) 含量( %) 不大于 粒 度   99 0.01 0.001 0.001 50粒以下/g 98 0.03 0.003 0.003 50粒以下/g 2.4无水硫酸钠质量指标 无水硫酸钠质量指标 表1-28 指 标 名 称 指 标 一级 二级 三级 四级 五级 硫酸钠含量( 以Na2SO4计) ( %) 不小于 水不溶物( %) 不大于 钙镁总量( 以Mg计) ( %) 不大于 氯化物( 以Cl计) ( %) 不大于 铁( 以Fe计) ( %) 不大于 水分( %) 不大于 pH值 筛余物( %) 不大于 99 0.05 0.15 - 0.002 0.20 6~8 10( 60目) 97 0.10 0.30 - 0.005 0.50 6~8 0( 20目) 2( 40目) 95 1.0 0.40 0.10 0.02 - - - 90 2.0 0.50 1.5 - - - - 85 3.0 0.70 2.0 - - - - 2.5有机胺类及复合早强剂的技术性能参见表1-29。 有机胺类及复合早强剂的品名和性能参考 表1-29 品 名 技 术 指 标 混凝土性能 掺加量( %) 三乙醇胺N( C2H4OH) 2 略有胺臭味的淡黄色或无色稠液, 浓厚可达95%, 弱碱性; 含水率<0.5; 相对密度1.12~1.13; 溶于水, 在空气中颜色变深 单独使用使混凝土增强3%~6%, 略有缓凝, 超掺则剧烈降低强度; 复合其它早强剂效果好 0.02~0.05 三异丙醇胺 三异丙醇胺含量≥75%,其余为一、 二、 三异丙胺, 碱性淡黄色稠液, 温度低于12℃为白色脂状物; 相对密度0.99~1.019 显著提高28d强度, 但早强效果较差 0.02~0.1 HZ-1早强剂 木质素磺酸钙化学改性, 灰色粉末 减水率5%~10%; 冻融强茺损失减小到25%; 低温增强效果好; 3d强度提高120%~160%; 28d强度提高50%~75%; 可用于蒸汽养护 2.5~5 H-2早强剂 主要成分硫酸钠、 铬渣, 固体粉末, pH7.5~8.5; 120目筛筛余≤10% 3~7d强度提高80%; 缩短混凝土强度达到70%设计强度的时间; 缩短蒸养周期 2~3 慕湖牌MNC-A型混凝土早强剂   减水率≥8%; 5d强度可达到设计强度70%以上 1.5 NC( 乙) 型混凝土早强剂 主要成分糖钙、 硫酸钠粉剂, 4900孔筛筛余≤15% 稍具缓凝性; 28d强度提高20%; 减水率6%; 提高抗冻、 抗渗性; 严寒环境使用, 早强发展慢, 但恢复常温后强度正常发展; 可用于蒸养制品 1.5~8 硫酸钠复合早强剂 主要成分硫酸钠粉剂 常温下强度达设计强度70%的养护时间缩短1/2; 1d强度提高150%~200%, 3d强度提高40%~100%, 28d强度提高10%~15%; 有阻锈效能 2~3    3 混凝土防冻剂 3.1复合防冻剂的品名和技术性能参见表1-30。 复合防冻剂品名和性能参考 表1-30 品 名 技 术 指 标 混凝土性能 温度( ℃) 掺加量( %) 861复合早强抗冻剂 由抗冻剂、 早强剂、 减水剂和体质剂等复合而成, 不含氯盐, 对钢筋无锈蚀作用 减水率: 1型8%~12%, 2型10%~15%; 抗压强度比( 1型) : -7d, 36%; -28d, 86%; -28d+28d, 110% -5~-10 -10~-15 3 5 LD-B混凝土防冻剂 不含氯盐, 对钢筋无锈蚀作用 减水率10%~25%; 含气量≤5%; 抗压强度比: -7d≥10%, -14d≥25%, -28d≥35%, -28d+28d≥95% -5 -10 -15 -20 5 6.5 8 10 京华5型、 10型、 25型防冻剂 主要成分亚硝酸盐, 系由防冻组分、 早强组分、 高效减水剂及少量活性材料复合而成, 粉状 减水率10%以上; 抗压强度比: 28d 99%~100%, -7d+28d 100% -5(5型) -10(10型) -25(25型) 2 4 8 WN-D 主要成分亚硝酸钠、 氯盐, 浅棕色粉末物, 80目筛余≤15% 抗压强度比( %) : -1~-5 -5~-10 -10~-15 -15~-20 2~4 4~6 6~9 9~12 -7d 50~70 40~50 30~40 25~30 -28d 100 80~90 70~80 50~65 YPF-2 主要成分亚硝酸盐、 有机早强剂等 减水率12%~17%; 含气量3%; 抗压强度比: -28d>35%, -28d+28d≥100% -5~-10 -10~-15 5~6 6~7 HZ-3抗冻剂 主要成分硝酸盐、 亚硝酸盐、 早强剂, 浅棕色粉末, 30目筛余≤20% 减水率≥15%; 含气量<5%; 抗压强度比: -7d=15%, -28d=35%, -28d+28d=100% -5~-10 -10~-15 -15~-20 6~8 8~10 10~12 SJZ-3型 非氯盐类 粉状物 减水率13%; 含气量3%; 抗压强度比: -7d+28d=85%, -7d+56d=100%, +28d=130% -10~-20 3~5 3.2早强型防冻剂的品名和技术性能参见表1-31。 早强型防冻剂品名和性能参考 表1-31 品名 技术指标 混凝土性能 掺加量( %) BJYJ-Ⅱ型 粉剂 减水率4%~8%; 强度较基准混凝土1d提高40%, 28d提高10%~18% 6 LNC 粉剂, 4900孔筛余<15% 减水率8%~10%; 常温下, 3d强度达到设计强度70% 1.5~3 MSF 主要成分木钙、 硫酸钠等, 灰色粉剂 减水率5%~10%; 强度较基准混凝土3d提高25%   KDJ-5型 萘系 减水率10%; 强度较基准混凝土3d提高30%, 7d提高50% 2.5~3.5 NC 主要成分糖钙、 硫酸钠载体等, 粉状物, 4900孔筛余≤15% 适宜矿渣水泥混凝土; 强度较基准混凝土1~3d提高30%~50%, 7d提高50 2~4 第五章 商品混凝土 1 供货合同中明确商品砼的质量标准 1.1购买商品砼, 供需双方应按《标准》的规定签订供货合同, 明确商品砼的质量标准, 作为需方现场验收的主要依据。 1.2在合同中需方应明确商品砼的种类( 通用品、 特殊品) , 砼强度等级( 包括抗渗、 补偿收缩、 填充膨胀砼要求) , 交接地点, 交接地点的坍落度( 应为定值,不应为区间值) 。 1.3明确粗骨料最大粒径, 水泥品种和强度等级, 外加剂、 掺合料的品种、 规格( 如有) , 含气量、 氯化物总含量( 如有) 。 1.4明确砼运输时间, 砼品质的检验。 1.5明确归档技术资料内容及提供时间, 以及现场坍落度检查方法、 次数、 砼终凝时间等。 1.6明确当交接处砼坍落度实测值与合同规定值的差值超过规范允许偏差。 不同泵送高度入泵砼坍落度选用参考值 表1 建筑高度( m) H<30 30≤H<60 60≤H<100 H≥100 坍落度( mm) 100-140 140-160 160-180 180-200 允许偏差( mm) ±20 2 商品混凝土的出厂检验 2.1出厂检验由供方在拌制现场进行。 2.2包括对原材料、 外加剂、 掺合
展开阅读全文

开通  VIP会员、SVIP会员  优惠大
下载10份以上建议开通VIP会员
下载20份以上建议开通SVIP会员


开通VIP      成为共赢上传

当前位置:首页 > 包罗万象 > 大杂烩

移动网页_全站_页脚广告1

关于我们      便捷服务       自信AI       AI导航        抽奖活动

©2010-2026 宁波自信网络信息技术有限公司  版权所有

客服电话:0574-28810668  投诉电话:18658249818

gongan.png浙公网安备33021202000488号   

icp.png浙ICP备2021020529号-1  |  浙B2-20240490  

关注我们 :微信公众号    抖音    微博    LOFTER 

客服