收藏 分销(赏)

柱锤冲扩桩施工技术交底样本.doc

上传人:精*** 文档编号:9862686 上传时间:2025-04-11 格式:DOC 页数:5 大小:68.50KB 下载积分:6 金币
下载 相关 举报
柱锤冲扩桩施工技术交底样本.doc_第1页
第1页 / 共5页
柱锤冲扩桩施工技术交底样本.doc_第2页
第2页 / 共5页


点击查看更多>>
资源描述
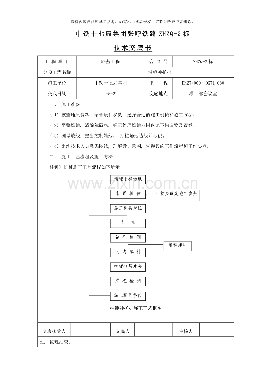
资料内容仅供您学习参考,如有不当或者侵权,请联系改正或者删除。 中铁十七局集团张呼铁路ZHZQ-2标 技术交底书 工 程 项 目 路基工程 合 同 号 ZHZQ-2标 分项工程名称 柱锤冲扩桩 施工单位 中铁十七局集团 里 程 DK27+000~DK71+080 交底日期 -5-22 交底地点 项目部会议室 一、 施工准备 ( 1) 核查地质资料, 结合设计参数, 选择合适的施工机械和施工方法。 ( 2) 平整场地, 清除障碍物, 标记处理场地范围内地下构造物及管线。 ( 3) 测量放线, 定出控制轴线、 打桩场地边线并标识。 ( 4) 组织技术人员熟悉图纸, 理解设计意图, 掌握其的工作流程和工作要点。 二、 施工工艺流程及施工方法 柱锤冲扩桩施工工艺流程如下所示: 清理平整场地 布 置 桩 位 钻 孔 钻 孔 检 测 孔 内 填 料 柱锤分层冲夯 成 桩 检 测 施工机具移位 施工机具就位 填料拌和 初步确定施工参数 柱锤冲扩桩施工工艺框图 交底接受人 交底人 审核人 注: 监理抽查。 中铁十七局集团张呼铁路ZHZQ-2标 技术交底书 工 程 项 目 路基工程 合 同 号 ZHZQ-2标 分项工程名称 柱锤冲扩桩 施工单位 中铁十七局集团 里 程 DK27+000~DK71+080 交底日期 交底地点 ( 1) 原地面处理: 清理施工场地, 满足施工要求。 ( 2) 机具就位: 施工机具就位, 使柱锤对准桩位。 ( 3) 成孔: 成孔顺序由外向里间隔分排进行, 成孔直径600mm, 深度达到设计要求. ( 4) 孔内填料、 成桩: 用标准料斗或运料车将拌和好的填料分层填入桩孔, 边填料边用柱锤夯实形成桩体。锤的质量、 锤长、 落距、 分层填料量、 分层夯填度、 夯击次数、 总填料量等应根据试验确定。每个桩孔应夯填至桩顶设计标高以上至少0.5m, 其上部桩孔宜用原槽土夯封。 施工中技术人员应作好每根桩的记录, 并对发现的问题及时进行分析处理。 ( 5) 移位: 施工机具移位, 重复上述步骤进行下一根桩施工。柱锤冲扩法施工夯击能量大, 易发生地面隆起, 造成表层桩和桩间土出现松动, 从而降低处理效果, 因此成孔及填料夯实的施工顺序宜间隔进行。 三、 施工技术要求 ( 1) 柱锤冲扩桩路堤地段应施工至原地面, 路堑地段侧沟平台面为施工平台面, 基床换填部分投料至换填底面以上0.5-0.7m。 ( 2) 加固范围及深度: 路堤地段加固至排水沟外不小于1m, 无排水沟时至坡脚外不小于5m; 路堑加固至侧沟平台外边缘以内1m。加固深度应穿透湿陷性黄土层至其下底层内不小于1m。 ( 3) 柱锤冲扩桩雨季或冬季施工时, 应采取防雨或防冻措施, 防止水泥土、 砂石等原料受雨水淋湿或冻结。夏季施工应防止桩体填充料暴晒过干。 交底接受人 交底人 审核人 注: 监理抽查。 中铁十七局集团张呼铁路ZHZQ-2标 技术交底书 工 程 项 目 路基工程 合 同 号 ZHZQ-2标 分项工程名称 柱锤冲扩桩 施工单位 中铁十七局集团 里 程 DK27+000~DK71+080 交底日期 交底地点 ( 4) 严格按照设计桩位、 桩径、 桩长和桩数施工, 桩位偏差不宜超过桩距设计值的5%, 桩长和桩径不小于设计值, 垂直度偏差不大于1.5%。 ( 5) 成孔和填料夯实的施工顺序, 宜间隔进行。 ( 6) 柱锤冲扩桩质量经检测满足设计要求后, 人工挖除桩顶端施工质量较差的桩段, 然后进行褥垫层夹铺土工合成材料施工。 ( 7) 柱锤冲扩桩按一般正三角形布置, 桩径为0.6m, 桩间距宜为1.2-1.5m, 处理深度一般不超过25m。 四、 质量控制及检验 1.质量控制 ( 1) 桩点位置及场地标高应与施工图相符。 ( 2) 把好材料关, 施工材料应符合质量要求, 配合比要准确, 每米桩长灌入量应符合要求。 ( 3) 按设计要求, 填料采用石灰土, 消石灰与土的配合比宜为3: 7。桩间土经成孔挤密后的平均挤密系数不宜小于0.95。桩体内的平均压实系数不应小于0.98。 ( 4) 桩长、 桩顶标高及直径应符合设计要求。 ( 5) DDC桩施工属隐蔽工程, 施工完毕报监理签认后方可进行下一道工序施工。 交底接受人 交底人 审核人 注: 监理抽查。 中铁十七局集团张呼铁路ZHZQ-2标 技术交底书 工 程 项 目 路基工程 合 同 号 ZHZQ-2标 分项工程名称 柱锤冲扩桩 施工单位 中铁十七局集团 里 程 DK27+000~DK71+080 交底日期 交底地点 2.质量检验 ( 1) 柱锤冲扩桩所用的水泥品种、 规格及质量应符合设计要求。 检验数量: 同一产地、 品种、 规格、 批号的水泥, 袋装每200t为一批, 不足200t时也按一批计, 散装每500t为一批, 不足500t时也按一批计, 每批抽样检验1组。 检验方法: 检查产品质量证明文件。在水泥库抽样检验水泥强度、 安定性、 凝结时间。 ( 2) 柱锤冲扩桩所用土的质量应符合设计要求, 土的有机质含量不应大于2%。 检验数量: 同一取土地点、 相同土性的土, 每1000m3为一批, 不足1000m3也按一批计。每批抽样检验1次。 检验方法: 按《铁路工程土工试验规程》( TB10102) 规定的试验方法进行检验。 ( 3) 柱锤冲扩桩的数量、 布桩形式应符合设计要求。 检验数量: 全部检验。 检验方法: 观察、 现场清点。 ( 4) 填料的配合比、 最优含水率应符合设计要求。 检验数量: 每工班至少检验一次。 检验方法: 检查配料计量, 轻型标准击实试验。 ( 5) 桩孔的直径和深度应符合设计要求。 检验数量: 全部检测。 检验方法: 孔底夯实后尺量。 交底接受人 交底人 审核人 注: 监理抽查。 中铁十七局集团张呼铁路ZHZQ-2标 技术交底书 工 程 项 目 路基工程 合 同 号 ZHZQ-2标 分项工程名称 柱锤冲扩桩 施工单位 中铁十七局集团 里 程 DK27+000~DK71+080 交底日期 交底地点 ( 6) 孔内填料应分层回填夯实, 其压实系数不应小于0.97( 轻型击实) 。 检验数量: 抽样检验总桩数的0.2%, 且每工点不少于3根。 检验方法: 挤密桩施工7-14天后, 在孔心附近沿全部孔深内钻机取样, 每2m取土样测定干密度, 压实系数按《铁路工程土工试验规程》( TB10102) 的规定的方法进行检验。 ( 7) 桩间土处理效果应符合设计要求。 检验数量: 沿线路向连续每50m抽样检验3点。 检验方法: 挤密桩施工7-14天后, 在孔之间形心点附近、 成孔挤密深度内钻机取样, 每2m取样测定干密度、 进行湿陷性试验和压缩试验, 计算干密度与其最大干密度的比值( 最小挤密系数) 、 湿陷系数和压缩模量。 ( 8) 柱锤冲扩桩处理后的复合地基承载力应满足设计要求。 检验数量: 总桩数的2‰, 且不少于3根。 检验方法: 成桩28天后平板荷载试验。 ( 9) 柱锤冲扩桩的桩位、 垂直度、 有效直径的允许偏差应符合下表的规定。 柱锤冲扩桩施工的允许偏差、 检验数量及检验方法 序号 检验项目 允许偏差 施工单位检验数量 检验方法 1 桩位(纵横向) 50mm 按成桩总数的10%抽样检验, 且每检验批不少于5根 经纬仪或钢尺丈量 2 桩体垂直度 1.5% 吊垂球测量垂直度 3 桩体有效直径 不小于设计值 开挖50-100cm深后, 钢尺丈量 交底接受人 交底人 审核人 注: 监理抽查。
展开阅读全文

开通  VIP会员、SVIP会员  优惠大
下载10份以上建议开通VIP会员
下载20份以上建议开通SVIP会员


开通VIP      成为共赢上传

当前位置:首页 > 品牌综合 > 技术交底/工艺/施工标准

移动网页_全站_页脚广告1

关于我们      便捷服务       自信AI       AI导航        抽奖活动

©2010-2025 宁波自信网络信息技术有限公司  版权所有

客服电话:0574-28810668  投诉电话:18658249818

gongan.png浙公网安备33021202000488号   

icp.png浙ICP备2021020529号-1  |  浙B2-20240490  

关注我们 :微信公众号    抖音    微博    LOFTER 

客服