收藏 分销(赏)

安全教育培训及考核.doc

上传人:丰**** 文档编号:9783955 上传时间:2025-04-07 格式:DOC 页数:11 大小:72.04KB 下载积分:8 金币
下载 相关 举报
安全教育培训及考核.doc_第1页
第1页 / 共11页
安全教育培训及考核.doc_第2页
第2页 / 共11页


点击查看更多>>
资源描述
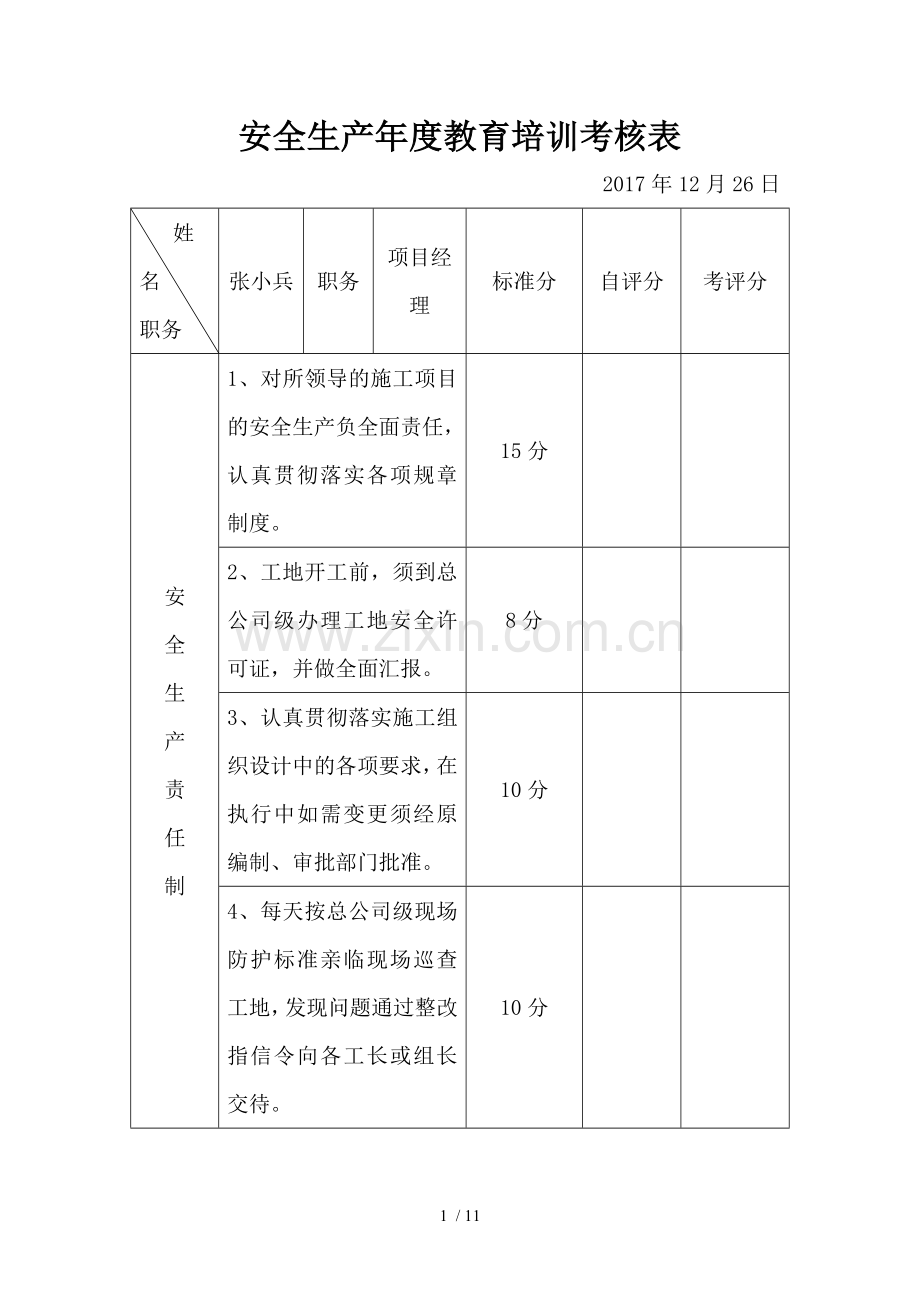
安全生产年度教育培训考核表 2017年12月26日 姓名 职务 张小兵 职务 项目经理 标准分 自评分 考评分 安 全 生 产 责 任 制 1、对所领导的施工项目的安全生产负全面责任,认真贯彻落实各项规章制度。 15分 2、工地开工前,须到总公司级办理工地安全许可证,并做全面汇报。 8分 3、认真贯彻落实施工组织设计中的各项要求,在执行中如需变更须经原编制、审批部门批准。 10分 4、每天按总公司级现场防护标准亲临现场巡查工地,发现问题通过整改指信令向各工长或组长交待。 10分 5、定期召开工地的安全工作会,当进度和安全发生矛盾时,必须服从安全。 15分 6、经常组织各种安全生产教育,支持和配合安技术人员的各项工作。 10分 7、发生重大事故或重大未遂事故要保护现场和立即上报,并配合调查组人员进行调查。 20分 8、有权拒绝上级不科学、不安全、不卫生的生产指令。 12分 总分 100 被考核人: 考核人: 注:1、考核分处于90~70分之间,每分扣责任工资10元。 2、考核分低于70分,只发基本工资。 安全生产年度教育培训考核表 2017年12月26日 姓名 职务 汤侃 职务 技术负责人 标准分 自评分 考评分 安 全 生 产 责 任 制 1、认真贯彻国家和上级的有关规定和安全技术标准,对本单位生产中的一切技术问题负安全责任。 25分 2、组织编制或审批施工组织设计时,将安全措施渗透到施工组织设计的各个环节并检查执行情况。 25分 3、组织安全技术攻关活动,对新产品的设计、开发组织可行性分析,对新技术、新材料、新工艺的研究从技术上负责。 20分 4、经常对职工及所主管的职能部门进行技术知识教育。 10分 5、参加重大伤亡事故调查,并针对事故原因,从技术方面提出防范措施并落实。 10分 6、参加重大伤亡事故调查,并针对事故原因,从技术方面提出防范措施并落实。 10分 总分 100 被考核人: 考核人: 注:1、考核分处于90~70分之间,每分扣责任工资10元。 2、考核分低于70分,只发基本工资。 安全生产年度教育培训考核表 2017年12月26日 姓名 职务 陈珏 职务 安全员 标准分 自评分 考评分 安 全 生 产 责 任 制 1、积极贯彻和宣传上级的各项安全规章制度、并监督检查招待情况。 10分 2、制定安全工作计划,进行方针目标管理,建立健全安全保证体系。 10分 3、协助领导组织安全活动,制订或修订安全制度。。 8分 4、对广大职工进行安全教育。对特殊工程的培训、考核、签发合格证。 12分 5、参加组织设计,施工方案的会审,参加生产会,掌握信息,预测事故发生的可能性。 10分 6、深入基层分析研究安全动态,提出改正意见,制止违章作业。 15分 7、及时填报安全报表,协助教育有关人员办理安全合格证并跟踪管理。 15分 8、参加伤亡事故调查,进行伤亡事故统计和分析,对事故责任者提出处理意见。 10分 9、鉴定专控劳动保护用品,并监督其符合要求。 10分 总分 100 被考核人: 考核人: 注:1、考核分处于90~70分之间,每分扣责任工资10元。 2、考核分低于70分,只发基本工资。 安全生产年度教育培训考核表 2017年12月26日 姓名 职务 胡帆 职务 施工员 标准分 自评分 考评分 安 全 生 产 责 任 制 1、对所领导的施工项目的安全生产负责,不违章指挥,制止冒险作业。 20分 2、协助工地负责人,对所管的区域内一切安全防护设施符合要求负责,对整改指令书及隐患通知单要组织落实改进。 15分 3、做好有针对性的书面安全交底,当进度和安全发生矛盾时,生产必须服从安全。 15分 4、领导所属班组搞好安全活动日,组织班组学习操作规程,并教育工人正确使用防护用品,检查执行情况。 20分 5、发生重大伤亡事故或重大未遂事故要保护现场并立即上报,协助上级分析,调查事故。 20分 6、有权拒绝上级不科学、不安全、不卫生的生产指令。 10分 总分 100 被考核人: 考核人: 注:1、考核分处于90~70分之间,每分扣责任工资10元。 2、考核分低于70分,只发基本工资。 安全生产年度教育培训考核表 2017年12月26日 姓名 职务 张韬略 职务 质量员 标准分 自评分 考评分 安 全 生 产 责 任 制 1、按照公司规定的质量职责和安全责任安排日常工作。 30分 2、对施工现场环境安全和一切安全防护设施的完整、齐全、有效是否符合安全要求负监督责任。 20分 3、日常工作检查时,随同的安全工作随时查验,并及时纠正工人违章作业,认真消除事故隐患。 20分 4、发生伤亡事故要保护现场并立即上报。 有权拒绝不科学、不安全的生产指令。 30分 总分 100 被考核人: 考核人: 注:1、考核分处于90~70分之间,每分扣责任工资10元。 2、考核分低于70分,只发基本工资。 安全生产年度教育培训考核表 2017年12月26日 姓名 职务 周杰 职务 材料员 标准分 自评分 考评分 安 全 生 产 责 任 制 1、按照公司规定的质量职责和安全责任安排日常工作。 30分 2、对易燃、易爆、化学危险物品和普通货物要分别运输,大型或牿物资的运输要制定运输方案,确保货物在运输过程中的安全性和完整性。 20分 3、坚持执行材料采购活动中“三比”规定,即:比质、比价、比运输。 20分 4、、负责施工现场和库房材料的标识工作,保证标识规范化。 30分 总分 100 被考核人: 考核人: 注:1、考核分处于90~70分之间,每分扣责任工资10元。 2、考核分低于70分,只发基本工资。 11 / 11
展开阅读全文

开通  VIP会员、SVIP会员  优惠大
下载10份以上建议开通VIP会员
下载20份以上建议开通SVIP会员


开通VIP      成为共赢上传

当前位置:首页 > 包罗万象 > 大杂烩

移动网页_全站_页脚广告1

关于我们      便捷服务       自信AI       AI导航        抽奖活动

©2010-2025 宁波自信网络信息技术有限公司  版权所有

客服电话:0574-28810668  投诉电话:18658249818

gongan.png浙公网安备33021202000488号   

icp.png浙ICP备2021020529号-1  |  浙B2-20240490  

关注我们 :微信公众号    抖音    微博    LOFTER 

客服